Messen ohne Eingriff ins System

Nachrüstbares Aufzugsmonitoring

30. Mai 2018, 10:44 Uhr | Von Klaus Dembowski
Diesen Artikel anhören

Fortsetzung des Artikels von Teil 2

Abtastung der Treibscheibe

Das Abtastverfahren wurde gegenüber der ursprünglichen Version geändert. Es werden wie erwähnt jetzt zwei optische Sensoren eingesetzt, was Markierungen auf der Treibscheibe in einem bestimmten Abstand erfordert.

Die Markierungen setzen sich aus gleich großen schwarzen und weißen Abschnitten zusammen, die im Wechsel angebracht sind.

Wenn von einem der beiden Sensoren ein Übergang von einer schwarzen zu einer weißen Markierung erkannt wird, werden der aktuelle Zeitstempel und die Nummer des Sensors, der den Übergang erkannt hat, gespeichert.

Die an der Treibscheibe montierte Sensorplatine mit den beiden Reflexlichtschranken
Bild 7. Die an der Treibscheibe montierte Sensorplatine mit den beiden Reflexlichtschranken, benötigt auf der Treibscheibe einen Schwarz-Weiß-Übergang als Markierung, die sich z.B. mit Klebeband aufbringen lässt.
© Dembowski

Zur stabilen Befestigung der Sensorplatine am Motorblock wird eine spezielle magnetische Halterung mit einer Schiene verwendet, auf der sich die Platine verschieben lässt, was eine einfache Adaptierung an unterschiedlichen Treibscheiben/Motorblöcken ohne jegliche mechanische Arbeiten erlaubt (Bild 7).

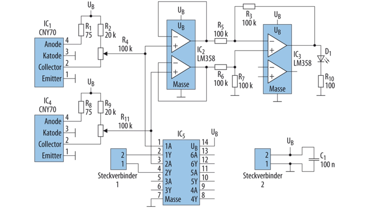
Als optische Sensoren dienen zwei Reflexlichtschranken (CNY70) der Firma Vishay. Die hierfür notwendige Leuchtdiode sowie der dazugehörige Fototransistor befinden sich beim CNY70 in einem Gehäuse, was im Gegensatz zu einer diskret aufgebauten Schaltung einen einfacheren Aufbau und einen zuverlässigeren Betrieb ermöglicht.

Die Schaltung für die optischen Sensoren mit den beiden Reflexkopplern, Verstärkern und Schmitt-Trigger
Bild 8. Die Schaltung für die optischen Sensoren mit den beiden Reflexkopplern, Verstärkern und Schmitt-Trigger.
© Dembowski

Da nicht das von der LED abgestrahlte Licht direkt auf den Fototransistor trifft, sondern das von den Markierungen an der Treibscheibe reflektierte Licht, ist die Abstimmung und das Verhalten bei Streulicht bei einem diskret aufgebauten Reflexkoppler nicht einfach.

Die Vorwiderstände (R1, R8) der LEDs (Bild 8) wurden so gewählt, dass ein Strom von ungefähr 50 mA durch die Leuchtdioden fließt. Der Ausgang eines jeden CNY70 wird über ein Potenziometer (R4, R11) einem Schmitt-Trigger (IC5, 74HC14) zugeführt, um unerwünschte Schwingungen und Rauschen zu unterdrücken.

Für Powerline-Kommunikation werden im Demonstrator zwei Transceiver vom Typ FRITZ!Powerline 1000E der Firma AVM eingesetzt
Bild 9. Für Powerline-Kommunikation werden im Demonstrator zwei Transceiver vom Typ FRITZ!Powerline 1000E der Firma AVM eingesetzt. Einer davon ist im Schaltschrank des Aufzugs (links), der andere auf dem Kabinendach (rechts) montiert.
© Dembowski

Die Potenziometer (R4, R11) sind für die Festlegung der Schaltschwellen (Markierung weiß/schwarz) vorgesehen. Mit der Beschaltung in Bild 9 lassen sich, je nach Entfernung zu den Markierungen, Spannungen von ca. 0,5 V bei schwarzem Untergrund und von etwa 4 V bei weißem Untergrund messen, was zu eindeutigen Pegeln führt.

Für einen einfachen Abgleich der Schaltschwellen am Einbauort – ohne Messgerät, z.B. Oszilloskop – wurde eine Subtrahierschaltung (IC2, IC3, LM358) hinzugefügt, die eine LED (D1) entsprechend der detektierten Markierung aufleuchten lässt, sodass sich die optimalen Schwellen per Potenziometer ohne zusätzliches Messgerät einstellen lassen.

Achtung: Aufnahme

Für die Aufnahme der akustischen Signale wird ein handelsübliches Elektretmikrofon verwendet, das mit seiner Ummantelung am Motorblock mit Klebeband fixiert wird. Um das Mikrofon mit dem NXP-Mikrocontrollermodul betreiben zu können, ist eine Verstärkerschaltung mit Tonaderspeisung, ca. 1,5 V, für die Versorgung des Mikrofons notwendig.

Die Frequenzanalyse des Mikrofonsignals dient der Auswertung der akustischen Signale des Motorblocks. Für die Frequenzanalyse wird eine Fast Fourier Transformation (FFT) [4] der akustischen Signale mit dem NXP-Controller durchgeführt. Im Frequenzbereich können Signalanteile bestimmten Einheiten zugeordnet werden, z.B. Antrieb, Bremse, Seil. Aus Effizienzgründen wird in regelmäßigen Zeitabständen eine FFT über die zum jeweiligen Zeitpunkt aktuellen 256 Abtastwerte des akustischen Signals durchgeführt. Nachdem die Werte in den Frequenzbereich transformiert sind, wird der Betrag aus den resultierenden komplexen Zahlen gebildet, um anschließend das Maximum bestimmen zu können. Dabei ist nicht die Höhe des maximalen Wertes, sondern die Position des maximalen Werts relevant, weil dadurch auf die am stärksten vertretene Frequenz geschlossen werden kann.

Bei den Tests zeigte es sich, dass die Messungen mit einem einzigen Mikrofon nicht zufriedenstellend sind, um einzelne Frequenzbereiche bestimmten Komponenten bzw. Abläufen bei einer Aufzugsanlage zuverlässig zuordnen zu können. Durch das Filtern von Hintergrundgeräuschen, die vom jeweiligen Aufzug und dem Maschinenraum abhängig sind, stellt sich nur eine mäßige Verbesserung ein, sodass mehrere Mikrofone notwendig werden. Die einzelnen Mikrofonsignale sind dann per Software miteinander zu verknüpfen, was recht aufwendig wird und außerdem eine anlagenspezifische Anpassung der Software erfordert.

Die Erprobung verschiedener Mikrofontypen, wie etwa sogenannter Körperschallmikrofone, die mechanische Schwingungen detektieren, gehört zu den weiterführenden Arbeiten am Demonstrator.


  1. Nachrüstbares Aufzugsmonitoring
  2. Sensorik an der Treibscheibe
  3. Abtastung der Treibscheibe
  4. Programmierung und Datenaustausch

Lesen Sie mehr zum Thema


Das könnte Sie auch interessieren

Jetzt kostenfreie Newsletter bestellen!

Weitere Artikel zu TU Hamburg-Harburg Inst. Für Mikrosystemtechnik

Weitere Artikel zu TÜV NORD CERT GmbH & Co. KG

Weitere Artikel zu TÜV Nord Mobilität GmbH & Co. KG

Weitere Artikel zu Messgeräte

Weitere Artikel zu Messdatenerfassung

Weitere Artikel zu Zertifizierung und Prüfung

Weitere Artikel zu Mikrocontroller

Weitere Artikel zu SBCs / CPU-Boards / CoM / SoM

Weitere Artikel zu Sensoren & -systeme

Weitere Artikel zu Maker-Boards

Weitere Artikel zu Automatisierung