AFE, Motorsteuerung & Authentifizierung

IC-Bausteine für die PoC-Diagnose

14. Oktober 2025, 10:30 Uhr | Von Rolf Horn, DigiKey
© Adobe Stock

Der Trend zur Point-of-Care-Diagnostik verändert die Entwicklung medizinischer Geräte und Systeme. Welche Messszenarien und Kriterien zählen für die lokale Diagnose und welche Analog Frontends, Motorsteuerungs- sowie Authentifizierungs-ICs eignen sich für die Medizinelektronik-Entwicklung am PoC?

Diesen Artikel anhören

Statt im Labor werden medizinische Tests immer öfter direkt am Behandlungsort (PoC, Point-of-Care) durchgeführt – in der Arztpraxis, der Klinik oder sogar zu Hause. Der Trend beschleunigt Diagnosen und führt zu einer schnelleren Patientenversorgung, besseren Ergebnissen und niedrigeren Kosten.

Die Entwicklung von PoC-Diagnosegeräten steht und fällt mit passenden ICs mit modernen, integrierten Analog-Frontends (AFEs), die eine Schnittstelle zu den jeweils benötigten Biosensoren und deren Datenerfassung bilden. Jeder IC muss elektrochemisch und biologisch für die anspruchsvollen medizinischen Messungen und die geforderte Genauigkeit, einen geringen Stromverbrauch und performante Funktionen ausgelegt sein. Neuartige POC-Diagnose-Systeme zeichnen sich durch eine hohe Leistung sowie Flexibilität und Aufrüstbarkeit aus. Zusätzlich müssen die Plattformen durch reibungslose und präzise Motorsteuerungs- und Authentifizierungs-ICs unterstützt werden, um Präzision und Datenschutz zu gewährleisten.

PoC-Tests sind die Zukunft

Die Nachfrage nach einer schnelleren medizinischen Diagnostik treibt die Entwicklung von PoC-Tests und die ambulante Probenverarbeitung an, gesetzliche Vorgaben fördern und fordern mehr PoC-Diagnostik. Zusätzlich sind auch lokalen Test ohne Labor wie in der Klinik oder zu Hause im Kommen – insbesondere solche Systeme erfordern einfach zu bedienende, aber leistungsfähige Test-Systeme. 
Für Medizintechnik-Ingenieure bilden AFEs, Motorsteuerungs- und Authentifizierungs-ICs die erste Schnittstelle zwischen den Biomarken des Patienten und den Diagnose-Systemen, die zur Erfassung, Aufzeichnung, Bewertung und Meldung der von den verschiedenen Sensoren gelieferten Körper- und Vitaldaten erforderlich sind – um am Ende eine echte PoC-Plattform für eine Vielzahl an Biosensoren sowie optischen und chemischen Verfahren bereitzustellen, die durch Software und neue Test-Kits immer wieder aufrüstbar bleibt (Bild 1).

Anbieter zum Thema

zu Matchmaker+
Bild 1. Analoge und verwandte Elektronik bildet die entscheidende Schnittstelle zwischen den Vitalzeichen und Flüssigkeitswerten eines Patienten und den zugehörigen PoC-Geräten und -Systemen.
Bild 1. Analoge und verwandte Elektronik bildet die entscheidende Schnittstelle zwischen den Vitalzeichen und Flüssigkeitswerten eines Patienten und den zugehörigen PoC-Geräten und -Systemen.
© Analog Devices

IC-Bausteine für die Optische Fluoreszenzdetektion 

Mit der Optischen Fluoreszenzdetektion (FLD) wird die Verteilung, Lokalisierung und Interaktion biologischer Bestandteile in Zellen oder Geweben untersucht, um detaillierte Einblicke in zelluläre Prozesse und Funktionen zu gewinnen, die per Standard-Lichtmikroskopie oft nicht sichtbar sind. Sie nutzt fluoreszenzinduzierte Fluorophore im Gegensatz zu optischer Absorption, Streuung oder Reflexion.

Ein Fluorophor absorbiert Licht einer bestimmten Wellenlänge, wodurch einige seiner Elektronen in einen höheren Energiezustand versetzt werden. Wenn die Elektronen in ihren Grundzustand zurückkehren, emittiert das Fluorophor Licht mit einer längeren, charakteristischen Emissionswellenlänge. Die emittierte Fluoreszenz wird detektiert und analysiert und ermöglicht eine kontrastreiche Visualisierung biologischer Strukturen auf molekularer Ebene.

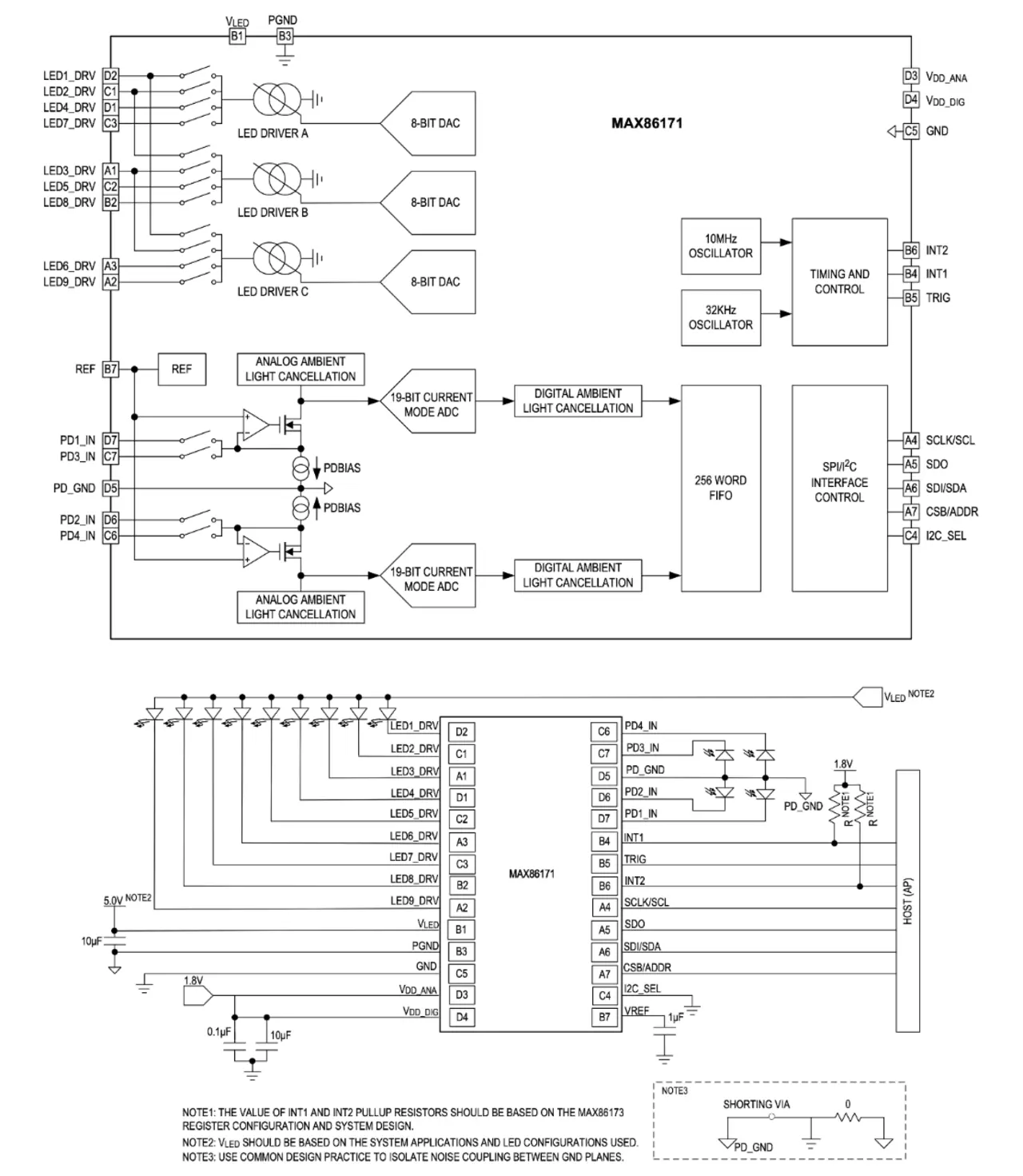
Fortgeschrittene LED-plus-Photosensor-Systeme bieten zusätzliche Leistung und Möglichkeiten. ICs wie der MAX86171 (Bild 2, oben), ein optisches Datenerfassungssystem mit extrem niedrigem Stromverbrauch und Sende- und Empfangskanälen, sind auf FLD-Anwendungen zugeschnitten. Dank der hohen Integrationsdichte werden nur wenige diskrete Komponenten benötigt (Bild 2, unten).

Bild 2. Das mehrkanalige optische Datenerfassungssystem MAX86171 mit extrem niedrigem Stromverbrauch (oben) nutzt seine interne Komplexität, um die externe Verdrahtung und den Bedarf an passiven Unterstützungskomponenten (unten) zu reduzieren.
Bild 2. Das mehrkanalige optische Datenerfassungssystem MAX86171 mit extrem niedrigem Stromverbrauch (oben) nutzt seine interne Komplexität, um die externe Verdrahtung und den Bedarf an passiven Unterstützungskomponenten (unten) zu reduzieren.
© Analog Devices

Auf der Senderseite verfügt der MAX86171 über neun programmierbare LED-Treiber-Ausgangspins, die mit drei 8-Bit-Hochstrom-LED-Treibern verbunden sind. Auf der Empfängerseite verfügt der IC über zwei rauscharme, ladungsintegrierende Frontends mit Schaltungen zur Unterdrückung des Umgebungslichts (ALC), was zu einem leistungsstarken, hochintegrierten, optisch basierten Datenerfassungssystem führt. Für Designs, die weniger optische Kanäle benötigen, ist der MAX86178ENJ+ ein AFE mit ultraniedriger Leistungsaufnahme für klinische Vitalzeichen, welches bis zu sechs LEDs und vier Fotodiodeneingänge unterstützt. 

Gut zu wissen: Da die Lichtpegel in medizinischen Anwendungen in der Regel relativ niedrig sind, ist hier das absolute Grundrauschen der optischen Frontends der kritische Parameter und nicht das Signal-Rausch-Verhältnis (SNR). 

Da zudem die Bandbreite und die Abtastraten sehr gering sind und die relevanten biologischen Parameter nicht mit Multi-Kilo­hertz-Raten variieren, erfordert die komplexe analoge Natur der Patienten-Signale andere Prioritäten hinsichtlich der Spezifikationen. Für die hohe Umgebungsvariabilität gehören dazu eine hohe Empfindlichkeit, ein breiter Dynamikbereich und ein geringes Rauschen – denn die Haut und die Organe verändern sich stetig, mit wenn auch nicht geringfügigen Auswirkungen auf Kontaktfläche sowie Druckeinwirkung. Dazu kommen weiter zahlreiche Arten von Störgeräuschen und Schwankungen. Ergo: Es ist kompliziert.

Der MAX86171 verfügt für diese Diagnostik-Szenarien über einen Dynamikbereich zwischen 91 und 110 Dezibel (dB) je nach Testanordnung, eine Auflösung von 19,5 Bit, ein Dunkelstromrauschen von weniger als 50 Picoampere (pA) (RMS) und eine Fremdlichtunterdrückung von besser als 70 dB bei 120 Hertz (Hz).

Potentiometrie, Amperometrie, Voltammetrie und Impedanz­messungen

Elektroingenieure können für die Messung von Spannung, Strom und Impedanz sowie deren Beziehungen aus einer Vielzahl von Standardinstrumenten wählen. Diese Messungen haben im chemisch-biologischen Umfeld jedoch einzigartige Anforderungen und Einschränkungen und stellen damit unterschiedliche Szenarien dar:

  • Potentiometrie: Verwendung eines Potentiostaten zur Messung des elektrischen Potenzials zwischen zwei Elektroden zur Bestimmung der Konzentration einer Substanz in einer Lösung.
  • Amperometrie: Verwendung einer amperometrischen Anordnung zum Nachweis von Ionen in einer Lösung auf der Grundlage des elektrischen Stroms oder von Änderungen des elektrischen Stroms.
  • Voltammetrie: Anlegen eines bestimmten Spannungsprofils an eine Arbeitselektrode in Abhängigkeit von der Zeit und Messung des vom System erzeugten Stroms, in der Regel mit einem Potentiostat. 
  • Impedanz: Messung des Spannungs- und Stromverhältnisses von Haut und Körper.

Der AD5940 bietet eine breite Palette an Funktionen und Schnittstellen für die Bewertung dieser Parameter: in einem WLCSP mit 56 Kontakten und Abmessungen von 3,6 Millimeter × 4,2 Millimeter (Bild 3). Das AFE ist mit einem geringen Stromverbrauch für mobile, hochpräzise diagnostische Messungen konzipiert. Dafür verfügt der AD5940 über zwei Erregungsschleifen und einen gemeinsamen Messkanal. 

Bild 3. Das AFE AD5940 verfügt über die hochentwickelten Funktionen, die für präzise amperometrische, voltammetrische oder Impedanzmessungen mit geringem Stromverbrauch erforderlich sind.
Bild 3. Das AFE AD5940 verfügt über die hochentwickelten Funktionen, die für präzise amperometrische, voltammetrische oder Impedanzmessungen mit geringem Stromverbrauch erforderlich sind.
© Analog Devices

Die erste Schleife besteht aus einem Strang mit zwei Ausgängen, einem Digital/Analog-Wandler (DAC) und einem rauscharmen Potentiostat und kann Signale von 0 Hz bis 200 Hz erzeugen. Ein Ausgang des DAC steuert den nichtinvertierenden Eingang des Potentiostaten und der andere den nichtinvertierenden Eingang des Trans­impedanzverstärkers (TIA). Die zweite Schleife besteht aus einem 12-Bit-DAC, der Erregungssignale bis zu 200 Kilohertz (kHz) erzeugen kann.

Auf der Eingangsseite befindet sich ein 16-Bit-Analog/Digital-Wandler (ADC) für 800 Kilosample pro Sekunde (kS/s), Eingangspuffern, einem Antialias-Filter und einem programmierbaren Verstärker (PGA). Ein Multiplexer wählt Eingangskanäle für externe Strom- und Spannungseingänge und interne Kanäle für Versorgungsspannungen, Chiptemperatur und Referenzspannungen aus. Die Stromeingänge umfassen zwei TIAs mit programmierbarer Verstärkung und Lastwiderständen zur Messung verschiedener Sensortypen. Das erste TIA misst Signale mit geringer Bandbreite, während das zweite TIA Signale mit hoher Bandbreite bis zu 200 kHz misst.

Weitere Optionen bietet Medtech-Entwicklern das Evaluierungskit EVAL-AD5940BIOZ. Die Karte liefert eine vertraute Entwicklungsumgebung für die Arduino-Plattform zur Elektrokardiographie (EKG) (Bild 4) und kann für neue Testanforderungen per Software aufgerüstet werden. 

Bild 4. Die Evaluierungskarte EVAL-AD5940BIOZ für die Arduino-Plattform für EKG-Sensoren vereinfacht die Verwendung und Evaluierung des AD5490.
Bild 4. Die Evaluierungskarte EVAL-AD5940BIOZ für die Arduino-Plattform für EKG-Sensoren vereinfacht die Verwendung und Evaluierung des AD5490.
© Analog Devices

Jedes einzelne der AD5940-Evaluierungsboard zielt auf ein bestimmtes Messziel ab. Das Arduino-ähnliche Board konfiguriert und kommuniziert mit dem AD5940 über die SPI-Peripherie. Eine grafische Benutzeroberfläche (GUI) für Messungen mit grafischen Darstellungs- und Datenerfassungsfunktionen ist für eine erste Evaluierung verfügbar. Viele Beispielprojekte, die in Embedded C geschrieben sind, enthalten Anleitungen zum Einrichten der Programmierumgebung und zum Ausführen der Beispiele.

Datenauthentifizierung

Verteilte Gesundheitsdaten, die drahtlos über NFC (Near Field Communication) übertragen werden, müssen eindeutig authentifizierbar sowie immun gegen Wieder- und Weiterverwendung, Missbrauch oder Fälschung von Proben oder Kassetten sein.
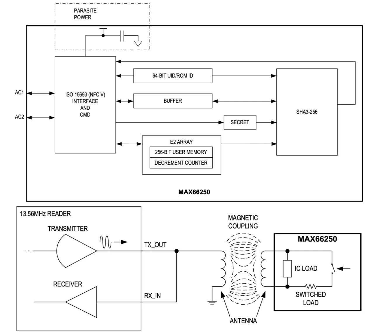
Für robuste Schutz- und Gegenmaßnahmen eignet sich beispielsweise der sichere Authentifikator MAX66250 (Bild 5, oben), wobei alle gespeicherten Daten kryptografisch geschützt werden. Er ist kompatibel mit NFC-fähigen Hochrisiko-Embedded-Systemen (Bild 5, unten), bei denen das Risiko eines unbefugten Zugriffs besteht.

Der sichere Authentifikator kombiniert die FIPS-202-konforme SHA-3-Challenge-Response-Authentifizierung (SHA: Secure Hash Algorithm) mit einem gesicherten EEPROM. Die Komponente bietet eine Reihe kryptographischer Basiswerkzeuge, die aus integrierten Blöcken abgeleitet werden, einschließlich asymmetrischer Hardware-Engine, echtem Zufallszahlen­generator (TRNG), 3 KB gesichertem EEPROM, ausschließlich dekrementierendem Zähler und eindeutiger 64-Bit-ROM-Kennnummer (ROM-ID). Die einzigartige ROM-ID dient als grundlegender Eingangsparameter für kryptographische Operationen und als eine elektronische Seriennummer innerhalb der Anwendung. Die Komponente kommuniziert über eine HF-Schnittstelle, die der ISO/IEC 15693 entspricht. Für Kabel-Verbindungen bietet der sichere 1-Wire-SHA-3-Authentifikator DS28E16Q+U die gleichen kryptografischen Tools wie der MAX66250, einschließlich einer eindeutigen ROM-ID.

Bild 5. Der sichere Authentifikator MAX66250 (oben) bietet mehrere Ebenen fortschrittlicher Datensicherheit und Authentifizierungsunterstützung; er verfügt außerdem über eine NFC-Schnittstelle (unten) für die drahtlose Datenübertragung.
Bild 5. Der sichere Authentifikator MAX66250 (oben) bietet mehrere Ebenen fortschrittlicher Datensicherheit und Authentifizierungsunterstützung; er verfügt außerdem über eine NFC-Schnittstelle (unten) für die drahtlose Datenübertragung.
© Analog Devices

Bewegungs- und Motorsteuerung

Viele Diagnose-Geräte und -Stationen für den Point of Care erfordern präzise, automatisierte Bewegungen, etwa um Teststreifen oder Teströhrchen zu transportieren, Reagenzien zu kombinieren und zu transferieren, präzise Flüssigkeitsmengen hinzuzufügen oder freizugeben sowie für Pipettiervorgänge. Diese Nutzung erfordert häufig präzise Mikroschritte und eine sanfte und vibrationsfreie Stopp-, Start- und Rampenerzeugung, für schnelle, präzise, zuverlässige, leise, reproduzierbare und energieeffiziente Bewegungen.

Dafür eignet sich unter anderem der ein- oder zweikanalige Schrittmotor-Controller und Treiber-IC TMC5072-LA-T von Trinamic (Bild 6, oben) mit seriellen Kommunikationsschnittstellen. Bei Parallelbetrieb bietet er eine Spulenstrom-Antriebsleistung von 1,1/1,5 Ampere (A) Spitze pro Motor und 2,2/3 A Spitze für einen Motor. Für den Basisbetrieb enthält das zugehörige Evaluierungskit TMC5072-BOB (Bild 6, ­unten) einen integrierten TMC5072 und wird über einen Universal Asynchronous Receiver/Transmitter (UART) an einen Arduino Mega angeschlossen. Eine grafische Benutzeroberfläche (GUI) bietet Werkzeuge, um Parameter einfach einzustellen, Daten in Echtzeit zu visualiieren und zur Entwicklung und Fehlersuche.

Bild 6. Der Ein-/Zweikanal-Schrittmotor-Controller und -Treiber-IC TMC5072-LA-T (oben) arbeitet präzise und gewährleistet einen reibungslosen Betrieb; dazu gibt es das Evaluierungskit TMC5072-BOB (unten).
Bild 6. Der Ein-/Zweikanal-Schrittmotor-Controller und -Treiber-IC TMC5072-LA-T (oben) arbeitet präzise und gewährleistet einen reibungslosen Betrieb; dazu gibt es das Evaluierungskit TMC5072-BOB (unten).
© Analog Devices

Der TMC5072 kombiniert flexible Rampengeneratoren für die automatische Zielpositionierung und kann geräuschlos, hocheffizient und mit einem hohen ­Motordrehmoment betrieben werden. Der 7  Millimeter × 7 Millimeter große IC bietet darüber hinaus zusätzliche Funktionen. Dazu gehören StealthChop für besonders leisen Betrieb und gleichmäßige Bewegung, ein hochdynamischer SpreadCycle-Chopper für die Motorsteuerung, DCStep für lastabhängige Drehzahlregelung, eine sehr präzise sensorlose Motorlasterkennung StallGuard2 und eine CoolStep-Strom­regelung für Energieeinsparungen von bis zu 75 Prozent. 

Eine einzelne Motorsteuerung kann nicht allen Anforderungen an PoC-Systeme gerecht werden. Analog Devices hat eine Vielzahl motorbezogener ICs für den PoC-Einsatz im Programm, wie bespielsweise:

  • TMC4671-LA: integrierter Servoregler mit feldorientierter Regelung (FOC) für bürstenlose DC/Permanentmagnet-Synchronmotoren (BLDC/PMSM) und 2-Phasen-Schrittmotoren
  • TMC4671-LEV-REF: Referenzdesign für TMC4671 mit BLDC-Servotreiber
  • TMC5240ATJ+T: Intelligenter, leistungsstarker Schrittmotor-Controller und Treiber-IC mit seriellen Kommunikationsschnittstellen (Ein-Achsen-Version des TMC5072)
  • TMC4361A-LA-T: Motorsteuerung für Schrittmotor-Treiber, mit S-förmiger Rampe für schnelle und ruckbegrenzte Bewegungsprofile
  • TMC2240ATJ-T: intelligenter integrierter Schrittmotortreiber mit Schritt-/Richtungs- und SPI-Schnittstellen.

IC-Bausteine für den PoC

Hochintegrierte, anwendungsspezifische ICs wie AFEs, Motorsteuerungen und ­Authentifizierungsbausteine unterstützen und ermöglichen den Trend zu lokalen, schnellen und präzisen PoC-Diagnosegeräten. Analog Devices bietet eine große Auswahl an leistungsstarken Komponenten mit geringem Stromverbrauch, die für den medizinischen Einsatz optimiert sind und sowohl die technischen wie auch ­regulatorischen Anforderungen erfüllen. Für zukunftssichere Plattformen sind sie zudem sehr flexibel und aufrüstbar. (uh)


Lesen Sie mehr zum Thema


Das könnte Sie auch interessieren

Jetzt kostenfreie Newsletter bestellen!

Weitere Artikel zu Digi-Key Corporation

Weitere Artikel zu Leistungshalbleiter-ICs

Weitere Artikel zu Medizinelektronik

Weitere Artikel zu Digital Health

Weitere Artikel zu Medizintechnik

Weitere Artikel zu Digitale Transformation

Weitere Artikel zu Herz-Kreislauf-Diagnostik

Weitere Artikel zu MEMS- und Halbleitersensoren