On-Board-Ladegeräte

Galliumnitrid für höchste Leistungsdichten

10. Oktober 2022, 10:00 Uhr | Brent McDonald, Markus Zehendner, Texas Instruments
© Texas Instruments

Leistungshalbleiter aus Galliumnitrid (GaN) eignen sich besonders für Bord-Ladegeräte (On-Board Charger, OBCs) bei Elektrofahrzeugen. Denn dort ist die Leistungsdichte so wichtig, dass eigentlich kostengünstigere IGBTs oft an ihre Grenzen stoßen. Ein 6,6-kW-System soll dies deutlich machen.

Diesen Artikel anhören

High-Electron Mobility Transistors (HEMTs) auf GaN-Basis ermöglichen höhere Leistungsdichten als jede andere Leistungshalbleiter-Technologie auf dem Markt. Ihre parasitären Elemente sind kleiner als bei Silizium- und Siliziumkarbid-Bauelementen (SiC), und weil Sperrverzögerungsverluste bei GaN-Transistoren fehlen, eignen sie sich besonders für hart schaltende, im nichtlückenden Betrieb arbeitende Schaltungen (Continuous Conduction Mode, CCM), beispielsweise Totem-Pole-PFC-Stufen.

Dem Wunsch, das ultraschnelle Schaltverhalten von GaN-FETs zu nutzen, stehen zwei Arten parasitärer Induktivitäten im Weg: die Common-Source-Induktivität (CSI) und die Gate-Loop-Induktivität. Dies lässt sich überwinden, indem man den Treiber in den GaN-Baustein integriert. Durch eine niedrigere Common-Source-Induktivität kann der GaN-FET deutlich schneller einschalten, ohne dass die Spannung am Schaltknote zu schwingen droht. Außerdem reduzieren sich dadurch die Einschaltverluste, was dem Systemwirkungsgrad zugutekommt. Ähnliche Auswirkungen hat eine reduzierte Gate-Loop-Induktivität: Je niedriger sie ist, umso weniger Energie ist zum Einschalten des GaN-FETs nötig.

Anbieter zum Thema

zu Matchmaker+
Texas Instruments, Gallium Nitride, Electric Vehicle, On-Board Charger
Bild 1: Blockschaltbild des Referenzdesigns für einen 6,6 kW starken On-Board-Charger.
© Texas Instruments

Das Referenzdesign für einen bidirektionalen On-Board Charger mit 6,6 kW lädt die Traktionsbatterie aus dem einphasigen Wechselstromnetz (Bild 1). Die volle Ausgangsleistung von 6,6 kW steht bei Eingangsspannungen ab 208 V aufwärts zur Verfügung, und die Leistungsdichte beträgt mehr als 3,66 kW pro Liter.

Aufbau der PFC-Stufe

Um die angestrebte hohe Leistungsdichte zu erreichen, ist es wichtig, die PFC-Stufe mit möglichst wenigen Bauelementen zu implementieren, ohne aber deren thermische Grenzen zu überschreiten. Gemäß diesen Vorgaben fällt die Wahl auf die Totem-Pole-Topologie, wobei als Nächstes zwischen den Betriebsarten CCM und CrCM (Critical Conduction Mode) gewählt werden muss.

Texas Instruments, Gallium Nitride, Electric Vehicle, On-Board Charger
Bild 2: Hüllkurve des tatsächlichen Stroms und durchschnittlicher Strom der PFC-Stufe im CCM- bzw. CrCM-Betrieb.
© Texas Instruments

Bild 2 zeigt die Hüllkurve des tatsächlichen Stroms und der durchschnittliche Strom für eine Halbwelle der Netzspannung für beide Betriebsarten. Der mittlere Strom ist jeweils gleich, aber die tatsächlich fließenden Ströme weichen deutlich voneinander ab. Im nichtlückenden Betrieb (CCM) ist die Strombelastung der FETs geringer, während der CrCM-Modus ein Schalten der FETs im Nulldurchgang der Spannung (Zero-Voltage Switching, ZVS) erlaubt, wenn die Eingangsspannung kleiner als die halbe Ausgangsspannung ist. Bei höheren Eingangsspannungen können die FETs mit geringerer Spannung eingeschaltet werden, da der Strom vor jedem neuen Schaltzyklus auf null zurückgeht. Wegen des harten Schaltens der Leistungsstufe im nichtlückenden Betrieb kommt es in den FETs bei jedem Ein- und Ausschalten zu Verlusten, weswegen die Schaltverluste dort höher sind als im CrCM-Modus.

Die hohen Sperrverzögerungsverluste würden den CCM-Betrieb mit Silizium-FETs ausschließen. Im CrCM-Betrieb dagegen entstehen keine Sperrverzögerungsverluste, da der Strom wie gerade erwähnt stets auf null zurückgeht. Bei den direkt angesteuerten GaN-FETs von Texas Instruments (TI) kommt es ebenfalls zu keinen Sperrverzögerungsverlusten, sodass der CCM-Betrieb auch hier attraktiv ist. Im CrCM-Betrieb kann der Induktivitätswert um ein Vielfaches kleiner sein als im CCM-Modus, sodass die Induktivität entsprechend kleiner wird. Zu beachten ist jedoch, dass die Scheitel- und Effektivwerte der Ströme in den FETs im CCM-Betrieb um ein Vielfaches größer sind.

Wird das OBC-Referenzdesign mit GaN-FETs mit einem On-Widerstand von 30 mΩ bestückt, wird eine dreiphasige, im CrCM-Modus betriebene PFC-Lösung benötigt, damit alle Bauelemente innerhalb ihrer thermischen Grenzen bleiben. Im nichtlückenden Betrieb und mit einer zweiphasigen Lösung bleiben die GaN-FETs ebenfalls innerhalb ihrer thermischen Spezifikationen.

Eine mehrphasige Lösung hat den Vorteil, dass sich die Verluste auf mehr Bauelemente und eine größere Fläche verteilen, und dass diese Bauelemente etwas schlechtere Eigenschaften (DC-Widerstand und Sättigungsstrom bei Induktivitäten sowie RDS(on) bei den FETs) haben dürfen. Es ist somit einfacher, passende Bauelemente für eine derartige Implementierung zu finden.

Eine wichtige Entscheidung beim Design betrifft die Schaltfrequenz. Wichtige Kriterien sind hierbei die angestrebte Leistungsdichte, der gewünschte Wirkungsgrad und die einzuhaltenden Normen für die Störabstrahlung (EMI). Eine höhere Schaltfrequenz ergibt eine höhere Leistungsdichte, geht aber zulasten des Wirkungsgrads. Nicht vergessen werden darf, dass die Schaltfrequenz bei einem im CrCM-Modus arbeitenden PFC-Wandler variiert, was das Design der EMI-Filter zwangsläufig komplexer macht. Im vorliegenden Fall wurde eine Schaltfrequenz von 120 kHz gewählt. Die Verluste in den GaN-Bausteinen sind dabei so gering, dass die maximale Sperrschichttemperatur bei weitem nicht erreicht wird, während sich ein PFC-Wirkungsgrad von über 98 Prozent einstellt.

Texas Instruments, Gallium Nitride, Electric Vehicle, On-Board Charger
Bild 3: Aufbau der CLLLC-Stufe des On-Board-Chargers.
© Texas Instruments

Aufbau der DC-DC-Wandlerstufe

Auf die PFC-Stufe folgt im OBC-Referenzdesign die galvanisch isolierte DC-DC-Stufe. Diese muss nicht nur kompakt sein, sondern auch einen hohen Wirkungsgrad bieten und einen weiten Ausgangsspannungsbereich abdecken. Neben der DAB-Topologie (Dual Active Bridge) kommt hier insbesondere die CLLLC-Topologie (Capacitor Inductor Inductor Inductor Capacitor) in Frage (Bild 3).

Hebt man die Schaltfrequenz eines einer getakteten Stromversorgung an, lassen sich viele induktive Bauelemente, insbesondere der Übertrager als größte Einzelkomponente, kleiner dimensionieren. Bei 500 kHz dürfte der Übertrager nur ungefähr 35 Prozent der Größe haben, die bei einem 100-kHz-Design zu veranschlagen wäre. Allerdings nehmen mit der Frequenz auch die Kernverluste zu. Wird die Marke von einem oder zwei Megahertz deutlich überschritten, lassen sich die Verluste moderner magnetischer Werkstoffe nicht mehr ohne weiteres beherrschen.

Obwohl der CLLLC-Wandler unter vielen Bedingungen spannungslos schaltet (ZVS-Betrieb), gibt es zahlreiche Bedingungen, unter denen dies nicht möglich ist, nämlich vorwiegend bei leichter Last und bei Frequenzen oberhalb der Resonanzfrequenz. Im Klartext: Bei zu hoher Schaltfrequenz kann der Wandler bei geringer Last überhitzen. Die für den ZVS-Betrieb erforderliche Totzeit hängt von den parasitären Kapazitäten am Schaltknoten ab, hauptsächlich also die Ausgangskapazität des GaN-FET. Mit zunehmender Schaltfrequenz kann die Totzeit einen erheblichen Teil des gesamten Schaltzyklus ausmachen.

Wichtig ist auch, wieviel Zeit das Verarbeiten der Software-Routine zum Regeln des Ausgangs und für das Management der Schutzfunktionen erfordert. Ein mit 200 MHz getakteter C2000-Controller von TI ist so schnell, dass er problemlos eine zweiphasige PFC-Stufe mit einer Schaltfrequenz von 120 kHz und eine CLLLC-Stufe mit einer Schaltfrequenz von 500 kHz ansteuern kann. Höhere Frequenzen erfordern jedoch möglicherweise einen zusätzlichen Prozessor, was das Design teurer und größer machen könnte.

Die sechs Schwingkreis-Elemente, die in Bild 3 zwischen den beiden Vollbrücken erkennbar sind, beeinflussen den Wirkungsgrad, die thermischen Eigenschaften und die Abmessungen des gesamten Wandlers entscheidend. Resonanzwandler arbeiten bei oder in der Nähe ihrer Resonanzfrequenz am effizientesten. Da es beim Laden von Batterien aber darauf ankommt, mit möglichst hohem Strom oder maximaler Leistung zu laden, ist der benötigte Strom am größten, wenn die Spannung am niedrigsten ist. Das Windungsverhältnis n wird so gewählt, dass der Wandler mit einem möglichst niedrigen Schwingkreisstrom arbeitet, wenn der erforderliche Ladestrom am höchsten ist. In diesem Fall arbeitet der Wandler nah an seiner Resonanzfrequenz und folglich mit seinem höchstmöglichen Wirkungsgrad.

Texas Instruments, Gallium Nitride, Electric Vehicle, On-Board Charger
Bild 4: Ansicht einer Halbbrücke der CLLLC-Schaltung.
© Texas Instruments

Aufbau des Layouts und der Regelung

Mit zunehmender Leistungsdichte wächst die Bedeutung des Layouts für eine niedrige Störabstrahlung und eine hohe Signalintegrität. Hierbei ist insbesondere zu beachten, dass es bei GaN-FETs zu wesentlich steileren Flanken (du/dt) kommt als bei Silizium- oder SiC-Bauelementen. Zunächst ist darauf zu achten, dass die Entkopplungsschleife der GaN-FETs niederinduktiv ist, um die Schaltverluste und die Überschwinger der Drain-Source-Spannung UDS zu minimieren. Anderenfalls könnten sich dies ungünstig auf die Stabilität, die Signalintegrität und die Störabstrahlung auswirken.

In Bild 4 ist das Layout einer der Halbbrücken der CLLLC-Schaltung zu sehen. Neben einer vertikal ausgerichteten Schaltschleife finden sich HF-Entkopplungskondensatoren (links), ein low-seitiger GaN-FET in der Mitte, ein high-seitiger GaN-FET rechts und zwei Resonanzkondensatoren oberhalb des high-seitigen GaN-FET.

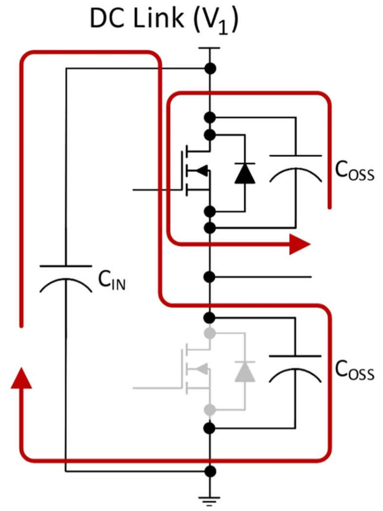
Texas Instruments, Gallium Nitride, Electric Vehicle, On-Board Charger
Bild 5: Stromfluss bei hartem Einschalten des oberen Schalters
© Texas Instruments

Um die Vorteile dieses Layouts zu verdeutlichen, ist in Bild 5 illustriert, welche Wege die Ströme nehmen, wenn der High-Side-Schalter hart einschaltet. Das schnelle Einschalten hat sehr steile Stromflanken (di/dt) zur Folge, die im Verbund mit Induktivitäten zu übermäßigen Spannungsspitzen führen. Platziert man die Bauteile auf der Leiterplatte überlegt, lassen sich die von den Stromschleifen eingeschlossenen Flächen zu verkleinern und somit die parasitären Induktivitäten reduzieren.

Bild 6 zeigt ein Blockschaltbild des Regelungssystems für den DC-DC-Wandler. Da es sich um ein galvanisch isoliertes System handelt, muss die Isolationsbarriere zweimal überquert werden – einmal, um die Regelungssignale an die sekundärseitigen GaN-FETs zu übertragen, und ein weiteres Mal, um die Rückkoppelsignale an den Mikrocontroller auf der Primärseite zu leiten. Die Pfeile kennzeichnen jene regelungskritischen Knoten, die anfällig für das Einstreuen von Störgrößen sind.

Texas Instruments, Gallium Nitride, Electric Vehicle, On-Board Charger
Bild 6: Blockschaltbild der Regelung
© Texas Instruments

Die Regelung soll bewirken, dass sich die Welligkeit der Spannung am Ausgang der PFC-Stufe auf den Ausgangsstrom der CLLLC-Stufe möglichst wenig auswirkt, die Stabilität bewahrt und Jitter unterbindet. Beim Jitter kommt es darauf an, dass Störungen möglichst wenig in den Rückkoppelpfad einkoppeln, was wegen der layoutbedingten Restriktionen nicht vollständig möglich ist. Sobald die Störgrößen den Rückkoppelknoten erreichen, kann infolge der hohen Verstärkungen in der Kompensationsschaltung ein erheblicher Pulsweiten-Jitter entstehen. Mit zusätzlichen Kapazitäten (beispielsweise am Ausgang des Spannungsteilers) kann diesen Störeinflüssen jedoch entgegengewirkt werden.

Fazit

Mit den ausgezeichneten Schalteigenschaften von GaN-FETs lassen sich mit hoher Frequenz schaltende Stromversorgungen realisieren, die trotz ihres hohen Wirkungsgrads sehr kompakt ausgeführt werden können. Die verschiedenen Herausforderungen, die sich infolge der hohen Schaltfrequenz einstellen, verlangen nach kosteneffektiven Gegenmaßnahmen, mit denen sich jedoch die Vorteile der hohen Schaltfrequenz in größtmöglichem Umfang ausschöpfen lassen.


Lesen Sie mehr zum Thema


Das könnte Sie auch interessieren

Jetzt kostenfreie Newsletter bestellen!

Weitere Artikel zu Texas Instruments

Weitere Artikel zu Texas Instruments Deutschland GmbH

Weitere Artikel zu Leistungshalbleiter-ICs

Weitere Artikel zu E-Mobility und Infrastruktur

Weitere Artikel zu Energietechnik