ROHM Semiconductor

GaN-HEMT-Topologien für HD-LiDAR

16. Oktober 2023, 9:00 Uhr | Von Kengo Ohmori
Diesen Artikel anhören

Fortsetzung des Artikels von Teil 1

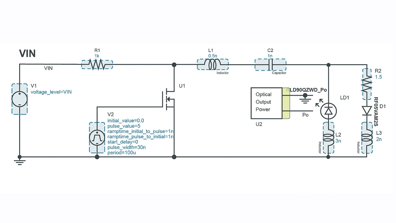
GaN-HEMT-Schaltung in Einflanken-Resonanzkonfiguration

 Simulationsschaltplan eines HEMT-Gate-Treibers in Resonanzkonfiguration
Bild 7. Simulationsschaltplan eines HEMT-Gate-Treibers in Resonanzkonfiguration.
© ROHM Semiconductor

Wie aus dem Simulationsschaltplan in Bild 7 hervorgeht, nimmt der HEMT bei der Resonanztopologie eine völlig andere Rolle ein. Anstatt den Strom direkt über den Laser zu steuern, wird der HEMT (U1) verwendet, um über die Induktivität L1 und den Kondensator C2 eine Resonanzentladung auszulösen. Auf diese Weise ist nur die Vorderflanke des Steuersignals von Bedeutung, da die

Anbieter zum Thema

zu Matchmaker+
Gate-Spannung (rot) und Drain-Strom (grün) in einer Resonanzkonfiguration
Bild 8. Gate-Spannung (rot) und Drain-Strom (grün) in einer Resonanzkonfiguration.
© ROHM Semiconductor

Pulsbreite vollständig durch die LC-Schaltung in Reihe mit dem Laser bestimmt wird.

Die Gate-Spannung und der Drain-Strom der Resonanzkonfiguration sind in Bild 8 dargestellt, die optische Ausgangsleistung in Bild 9.

Wie diese Abbildungen zeigen, löst die ansteigende Flanke der Gate-Ansteuerung die Entladung der gespeicherten Energie in C2 durch den Laser aus.

Optische Ausgangsleistung bei Verwendung einer Resonanzkonfiguration
Bild 9. Optische Ausgangsleistung bei Verwendung einer Resonanzkonfiguration.
© ROHM Semiconductor

Es ist wichtig zu beachten, dass die Pulsbreite des Lasersignals nicht mit der fallenden Flanke des Gate-Signals zusammenhängt.

Im Vergleich zu seinem Rechteck-Pendant bietet das Resonanzdesign mehrere Vorteile:
➔ Die LC-Resonanz ermöglicht viel schmalere Pulsbreiten mit gut definierter Symmetrie – ein wichtiger Faktor insbesondere für LiDAR.
➔ Die parasitäre Serieninduktivität innerhalb der Komponenten und der Schaltungsverdrahtung kann als Teil der LC-Resonanz genutzt werden. Anstatt die Geschwindigkeit zu behindern, wie beim Rechteckdesign, kann die Gesamtinduktivität für eine optimale Leistung angepasst werden.
➔ Die Energie des Laserpulses ist nur ein Faktor der Eingangsspannung. Dies ermöglicht eine präzise Steuerung ohne Rücksicht auf das Timing der Gate-Ansteuerung in Anwendungen, bei denen die Gesamtenergie entscheidend ist.

Der Preis für all diese Vorteile ist die Komplexität des Designs in Bezug auf die Resonanzbedingungen. Die Streuinduktivität muss modelliert werden. Dabei sind die räumliche Anordnung und das Layout von Komponenten und Leiterbahnen wichtige Faktoren, die die Gesamtleistung beeinflussen. Ein nützliches Tool, das beim Entwurf dieser Schaltungen helfen kann, ist der Online-Schaltungssimulator von Rohm Semiconductor, der bereits vorgefertigte Treiber-Topologien enthält.

Optische Ausgangsleistung der Resonanzkonfiguration mit erhöhter Serieninduktivität (L2)
Bild 10. Optische Ausgangsleistung der Resonanzkonfiguration mit erhöhter Serieninduktivität (L2).
© ROHM Semiconductor

Als Beispiel für die Auswirkungen der Streuinduktivität wurden die Simulationen der Abbildungen 7 bis 9 mit einem erhöhten L2-Term wiederholt, um zu sehen, wie die optische Leistung beeinflusst wurde. Bild 10 zeigt, dass bei einer Erhöhung von L2 von 3 auf 6 nH die Spitzenausgangsleistung um 26 Prozent abnimmt, während die Pulsbreite um fast 50 Prozent zunimmt.

Die Empfindlichkeit gegenüber diesen Parametern erfordert oft, dass die Schaltung im Voraus modelliert wird. Es ist wahrscheinlich, dass mehrere Iterationen des Entwurfs und der Tests durchgeführt werden müssen. Darüber hinaus können bei Anwendungen, bei denen keine kurzen Impulse erforderlich sind oder eine variable Pulsbreite bevorzugt wird, die Vorteile der Resonanz nicht genutzt werden.

Die richtige Topologie für LiDAR-Anforderungen

Mit der zunehmenden Verbreitung von LiDAR und ähnlichen Technologien zur Entfernungsmessung müssen auch die zugrundeliegenden Komponenten weiterentwickelt werden, um den ständig steigenden Leistungsanforderungen gerecht zu werden. Gleichzeitig müssen Ingenieure die verschiedenen Entwurfsmethoden und -werkzeuge beherrschen, die für den Erfolg einer bestimmten Anwendung zur Verfügung stehen.

Wie bereits erörtert, bieten Einflanken-Resonanzschaltungen häufig eine bessere Leistung für Hochgeschwindigkeits-GaN-HEMT-Schaltanwendungen, allerdings auf Kosten einer erhöhten Designkomplexität. Wenn eine Anwendung diese höhere Leistung nicht erfordert, stellt die Zweiflanken-Rechteckschaltung eine einfachere Lösung dar.

 

Der Autor

 

Kengo Ohmori von ROHM Semiconductor
Kengo Ohmori von ROHM Semiconductor.
© ROHM Semiconductor

Kengo Ohmori

ist technischer Produktmarketing-Manager bei Rohm Semiconductor. Er ist Experte für Leistungsbauelemente (Si, SiC und GaN) und deren Gate-Treiber-ICs. Ohmori verfügt über umfassende Erfahrung in der Halbleiterindustrie in den Bereichen Bauteilentwicklung, Produktmarketing/ -planung, Erstellung von Roadmaps, Konkurrenzanalyse und technische Unterstützung der Kunden.

 


  1. GaN-HEMT-Topologien für HD-LiDAR
  2. GaN-HEMT-Schaltung in Einflanken-Resonanzkonfiguration

Lesen Sie mehr zum Thema


Das könnte Sie auch interessieren

Neue MOSFET-Technologie

Schnelles, homogenes Ein- und Ausschalten

Rohm

Primär-LDOs: Branchenführendes Lastwechselverhalten

Interview mit Jean-Christophe Eloy, Yole

Vertical GaN wird es nicht vor Ende dieses Jahrzehnts geben

GaN-Leistungselektronik von Innoscience

Bewährte Zuverlässigkeit zum wettbewerbsfähigen Preis

Aussichten für Leistungshalbleiter 2024

Wachstumstreiber Energie- und Automotive-Anwendungen

GaN-Leistungselektronik von Innoscience

Bewährte Zuverlässigkeit zum wettbewerbsfähigen Preis

STMicroelectronics

MasterGaN-Familie mit 200 und 500 W

Infineon Technologies

Integrierter Temperatursensor

Bourns neue IGBT-Generation

Spezifikation von IGBTs für Elektromotorsteuerungen

Entwicklung von SiC-Leistungshalbleitern

Mitsubishi und Nexperia kooperieren

SiC-Technologie für schnelles Schalten

Überlegene Schaltleistung und Leistungskennzahlen

Milliarden-Investitionen für SiC

Der Wettlauf hat längst begonnen

Ausbau der Produktionskapazität

Fette Milliarden-Investitionen in SiC-Wafer- und Chips

Versorgungslage bei Leistungshalbleitern

»Alles läuft in die richtige Richtung«

7. Anwenderforum Leistungshalbleiter

Zwei Tage rund um Silizium, SiC und GaN

GaN könnte bald allgegenwärtig werden

»Ob SiC oder GaN, das entscheidet die Spannungsebene«

Nexperia will Umsatz vervierfachen

Produktion von SiC und GaN in Hamburg

Kommentar

In Zeiten des Goldrauschs

Uneinheitliche Versorgungssituation

»Alles rund um Energie-Transformation boomt«

Nachhaltigkeit

Definitiv kein »Buzzword«

200-mm-Wafer

Kapazitäten steigen auf Rekordwert

Ansteuerung von bis zu 192 Zonen

Matrix-LED-Treiber von Rohm

Jetzt kostenfreie Newsletter bestellen!

Weitere Artikel zu ROHM Semiconductor GmbH

Weitere Artikel zu Powermanagement-ICs

Weitere Artikel zu Leistungshalbleiter-ICs