Gleichstrom für die Energiewende

Elektrolyse von grünem Wasserstoff

2. November 2024, 11:00 Uhr | Von Rolf Horn
© Shawn Hempel|stock.adobe.com

Grüner Wasserstoff kann Treibhausgase senken, wenn erneuerbare Energie effizient in Gleichstrom zur Elektrolyse umgewandelt wird. Die Herausforderung: hohe, stabile Gleichstrompegel bei gutem Leistungsfaktor und geringer Netzrückwirkung bereitzustellen.

Diesen Artikel anhören

Wasserstoff kann durch das Verfahren der Elektrolyse aus Wasser gewonnen werden. Das Nebenprodukt dieses Prozesses ist Sauerstoff. Der Elektrolyseprozess erfordert konstante, hohe Gleichspannungen. Er findet in einer Elektrolysezelle statt, die im Allgemeinen eine Anode (positive Elektrode) und eine Kathode (negative Elektrode) enthält, an denen die elektrochemischen Reaktionen stattfinden. Ein flüssiger oder fester Elektrolyt umgibt die Elektroden und gewährleistet den Ionentransport. Je nach Verfahren kann ein Katalysator erforderlich sein, um die Reaktionsgeschwindigkeit zu erhöhen. Die Zelle wird von einer Gleichstromquelle konstant mit hoher Leistung versorgt.

Eine Elektrolysezelle spaltet Wasser in die Elemente Wasserstoff und Sauerstoff auf
Bild 1. Eine Elektrolysezelle spaltet Wasser in die Elemente Wasserstoff und Sauerstoff auf
© Art Pini

Bild 1 zeigt das Schema einer Elektrolysezelle zur Trennung der Elemente Wasserstoff und Sauerstoff aus Wasser. Die Zelle enthält zudem einen Separator (in diesem Diagramm nicht dargestellt), der verhindert, dass sich der an den Elektroden erzeugte Wasserstoff und Sauerstoff vermischen.

Der Prozess erfordert eine hohe Gleichspannung. Unter idealen Bedingungen und ohne Energieverlust werden mindestens 32,9 Kilowattstunden (kWh) elektrische Energie benötigt, um genügend Wassermoleküle zu elektrolysieren, um 1 Kilogramm Wasserstoff zu erzeugen. Dies hängt von der Effizienz des verwendeten Elektrolyseverfahrens ab.

Derzeit sind drei verschiedene Verfahren im Einsatz: die alkalische Elektrolyse (AEL), die Protonenaustauschmembran (Proton Exchange Membrane, PEM) und die Festoxidelektrolyse (Solid Oxide Electrolyzer Cell, SOEC).

➔ Die am weitesten verbreitete Methode nutzt AEL-Elektrolysezellen, die eine alkalische Lösung wie Kaliumhydroxid zwischen den Metallelektroden verwenden. Sie sind allerdings weniger effizient als die anderen Arten von Elektrolysezellen.
➔ PEM-Elektrolysezellen verwenden einen festen Polymerelektrolyt, der mit Edelmetallkatalysatoren angereichert ist. Sie zeichnen sich durch einen höheren Wirkungsgrad, schnellere Reaktionszeiten und eine kompakte Bauweise aus.
➔ Festoxid-Elektrolysezellen verwenden ein festes keramisches Material als Elektrolyt. Sie können sehr effizient sein, erfordern aber hohe Betriebstemperaturen. Ihre Reaktionszeiten sind langsamer als die der PEM-Elektrolysezellen.


Ein Vergleich der grundlegenden Eigenschaften der drei Techniken ist in der Tabelle dargestellt.

 Ein Vergleich der Eigenschaften der AEL-, PEM- und SOEC-Verfahren verdeutlicht die verbesserten Wirkungsgrade der neueren Elektrolysetechnologien
Tabelle. Ein Vergleich der Eigenschaften der AEL-, PEM- und SOEC-Verfahren verdeutlicht die verbesserten Wirkungsgrade der neueren Elektrolysetechnologien
© Infineon Technologies

Die Erzeugung von grünem Wasserstoff ist derzeit teurer als die von Wasserstoff aus fossilen Brennstoffen. Dies kann jedoch durch die Verbesserung der Effizienz der einzelnen Komponenten, einschließlich der Elektrolysezellen und Stromversorgungs-systeme, sowie durch die Vergrößerung der Umwandlungsanlagen geändert werden.

Energiesystemkonfigurationen für Netz- und Ökostromquellen

Die Stromquelle für eine Elektrolysezelle ist ein Wechselstrom-Gleichrichter, der von einem Netztransformator gespeist wird. Elektrolyseanlagen, die aus dem Netz gespeist werden, müssen alle Netznormen und -vorschriften erfüllen, wie z. B. bezüglich des Leistungsfaktors oder der Erzeugung harmonischer Verzerrungen. Durch die Einbeziehung grüner Energiequellen in den Wasserstofftrennungsprozess werden unterschiedliche Energiesysteme benötigt (Bild 2).

Wie das Stromnetz sind auch windbasierte Stromquellen Wechselstromquellen, und für die Stromversorgung von Elektrolysezellen ist ein Gleichrichter erforderlich, der den Wechselstrom in Gleichstrom umwandelt. Solarenergie und hybride Energiequellen, die Batterien verwenden, sind auf DC-DC-Wandler angewiesen, um die Gleichstrompegel zu steuern, die die Elektrolysezellen antreiben.

Die Elektrolysezelle kann unabhängig von der Stromquelle auch einen lokalen DC-DC-Wandler verwenden. Die Elektrolysezelle stellt eine konstante Gleichstromlast dar. Aufgrund von Alterungseffekten innerhalb der Elektrolysezelle muss die angelegte Spannung während der Lebensdauer der Zelle ansteigen, sodass das Energieumwandlungssystem (Power Conversion System, PCS) in der Lage sein sollte, diese Anpassung zu bewerkstelligen. PCS haben unabhängig davon, ob sie an eine Wechsel- oder eine Gleichstromquelle angeschlossen sind, einige gemeinsame Spezifikationen.
 
Ihre Ausgangsspannung sollte im Bereich von 400 V (DC) bis 1500 V (DC) liegen. Alkalische Zellen haben einen maximalen Spannungsbereich von etwa 800 V. PEM-Zellen sind nicht so eingeschränkt und bewegen sich auf das obere Ende des Spannungsbereichs zu, um die Verluste zu verringern und die Kosten zu senken. Die Ausgangsleistung kann zwischen 20 Kilowatt (kW) und 30 Megawatt (MW) betragen. Die Stromwelligkeit des PCS sollte weniger als 5 % betragen, eine Spezifikation, deren Auswirkungen auf die Lebensdauer und Effizienz der Zelle noch untersucht werden. PCS-Gleichrichter für Stromnetzquellen, insbesondere für höhere Lasten, müssen die Anforderungen der Energieversorgungsunternehmen an große Lasten und einen hohen Wirkungsgrad erfüllen.

Energieumwandlung für AC-Quellen

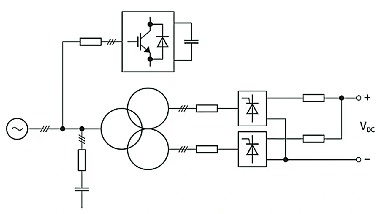
Wasserstoffanlagen, die mit Wechselstrom betrieben werden, benötigen einen Gleichrichter, der eine Elektrolysezelle direkt oder ein an mehrere Zellen angeschlossenes Gleichstromnetz ansteuern kann. Ein Mehrpulsgleichrichter ist eine gängige Wahl. Dieser Gleichrichter auf Thyristorbasis hat einen hohen Wirkungsgrad, ist zuverlässig, unterstützt hohe Stromdichten und verwendet kostengünstige Halbleiter.

Diagramm eines Mehrpulsgleichrichters von Infineon Technology auf Basis von Thyristoren. Abgebildet ist eine 12-Puls-Implementierung
Bild 3. Diagramm eines Mehrpulsgleichrichters von Infineon Technology auf Basis von Thyristoren. Abgebildet ist eine 12-Puls-Implementierung.
© Infineon Technologies

Der in Bild 3 dargestellte 12-Puls-Thyristor-Gleichrichter besteht aus einem Stern-Dreieck-Stern-Netzfrequenztransformator mit zwei Niederspannungs-Sekundärwicklungen. Die Sekundärwicklungen treiben zwei 6-Puls-Thyristor-Gleichrichter, deren Ausgänge parallel geschaltet sind. Wenn dieser Gleichrichter eine Elektrolysezelle direkt ansteuert, steuert der Zündwinkel des Thyristors die Ausgangsspannung und den Strom. Der Zündwinkel kann auch verwendet werden, um den Strom im System aufrechtzuerhalten, wenn die Elektrolysezelle altert und die für den Zellstapel erforderliche Spannung steigt. Der Transformator kann auch einen Laststufenschalter (On-Load Tap Changer, OLTC) enthalten. Der OLTC ändert das Übersetzungsverhältnis des Transformators, indem er zwischen mehreren Zugangspunkten oder Anzapfungen an einer der Wicklungen umschaltet, um die an den Gleichrichter gelieferte Spannung zu erhöhen oder zu senken.

Infineon Technologies bietet für die PCS-Entwicklung eine breite Palette von Halbleiterbauelementen an. Der T3800N18TOFVTXPSA1 zum Beispiel ist ein diskreter Thyristor in einem TO-200AE-Scheibengehäuse, der für 1800 V bei 5970 A Effektivstrom im eingeschalteten Zustand ausgelegt ist. Das scheibenförmige Gehäuse bietet eine erhöhte Leistungsdichte aufgrund seines doppelseitigen Kühlungsdesigns.

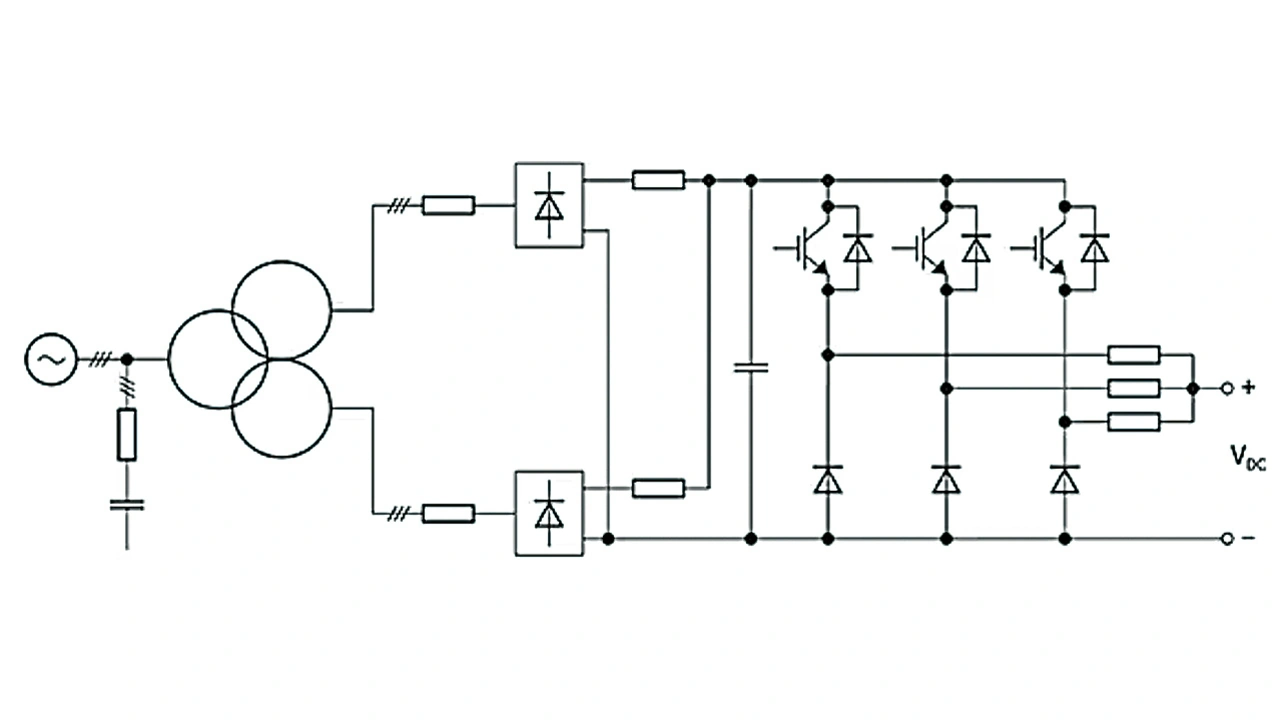
Ein Nachentzerrungs-Chopper reduziert die Stromverzerrungen und verbessert den Leistungsfaktor
Bild 4. Ein Nachentzerrungs-Chopper reduziert die Strom-verzerrungen und verbessert den Leistungsfaktor.
© Infineon Technologies

Der Grundaufbau des Gleichrichters kann durch Hinzufügen von Abwärtswandlern als Nachgleichrichter am Ausgang des Gleichrichters verbessert werden. Durch Hinzufügen der Chopper-Stufe wird die Steuerung des Prozesses verbessert, indem das Tastverhältnis des Choppers und nicht der Zündwinkel des Thyristors eingestellt wird (Bild 4). Dadurch wird der für den Thyristor erforderliche Dynamikbereich verringert, was eine Optimierung des Prozesses ermöglicht.

Durch den Einsatz des Nachgleichrichter-Choppers unter Verwendung von Bipolartransistoren mit isoliertem Gate (IGBTs) wird der OLTC-Transformator überflüssig, die Stromverzerrungen werden reduziert und der PF (Power Factor) verbessert. Das FD450R12KE4PHOSA1 von Infineon Technologies ist ein IGBT-Chopper-Modul für diese Anwendungen. Er ist für eine maximale Spannung von 1200 V und einen maximalen Kollektorstrom von 450 A ausgelegt und wird in einem 62 mm großen Standardmodul der C-Serie geliefert.

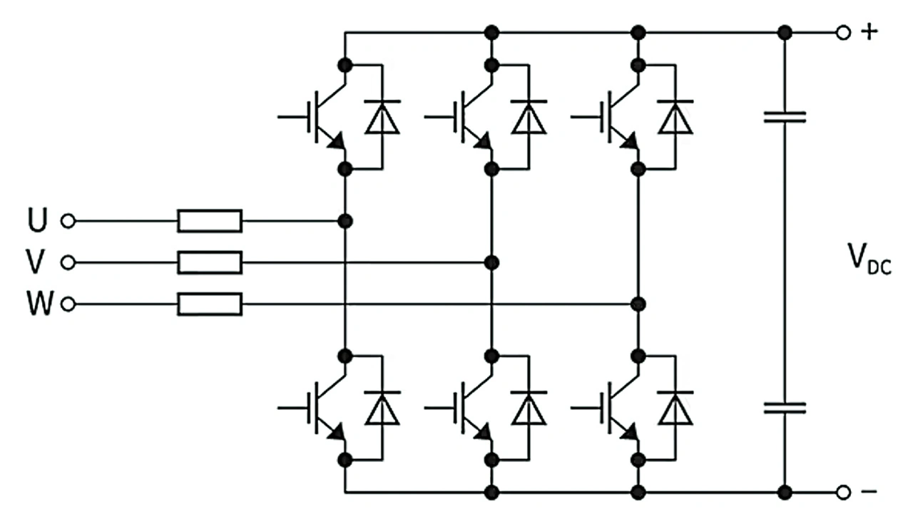
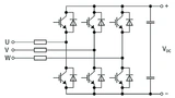
Ein aktiver Gleichrichter ersetzt die Dioden oder Thyristoren in der Gleichrichterschaltung durch IGBTs, die von einem Gate-Treibercontroller geschaltet werden
Bild 5. Ein aktiver Gleichrichter ersetzt die Dioden oder Thyristoren in der Gleichrichterschaltung durch IGBTs, die von einem Gate-Treibercontroller geschaltet werden.
© Infineon Technologies

Zu den moderneren Gleichrichterschaltungen gehören aktive Gleichrichter auf IGBT-Basis. Aktive Gleichrichter ersetzen Dioden oder Thyristoren durch IGBTs, die ein Controller über einen Gate-Treiber zu geeigneten Zeiten ein- und ausschaltet (Bild 5). Im Gegensatz zu einem herkömmlichen Gleichrichter ist bei einem aktiven Gleichrichter eine Drossel in Reihe mit den IGBTs geschaltet, die den Netzstrom sinusförmig hält und Oberschwingungen reduziert. Die Impedanz des IGBT ist im leitenden Zustand sehr niedrig, was die Leitungsverluste verringert und den Wirkungsgrad im Vergleich zu einem Standardgleichrichter verbessert. Ein aktiver Gleichrichter-Controller sorgt für einen einheitlichen PF, sodass externe Komponenten zur Leistungsfaktorkorrektur (Power Factor Correction, PFC) überflüssig sind. Außerdem arbeitet er mit höheren Schaltfrequenzen, was zu kleineren passiven Komponenten und Filtern führt.

Der Baustein FF1700XTR17IE5DBPSA1 kombiniert zwei IGBTs in einer Halbbrücken-Konfiguration in einem modularen PrimePACK-3+-Gehäuse. Er ist für eine Spannung von 1700 V und einen maximalen Kollektorstrom von 1700 A ausgelegt. Die in Bild 5 dargestellte Schaltung verwendet drei solcher Module.

Ein IGBT-Gate-Treiber wie der 1ED3124MU12HXUMA1 schaltet ein einzelnes IGBT-Paar ein und aus. Der Gate-Treiber ist durch die kernlose Transformatortechnologie galvanisch isoliert. Er ist mit IGBTs mit Spannungswerten von 600 V bis 2300 V kompatibel und hat einen typischen Ausgangsstrom von 14 A an separaten Source- und Sink-Pins. Die Eingangslogik-Pins arbeiten mit einem weiten Eingangsspannungsbereich von 3 V bis 15 V unter Verwendung von CMOS-Schwellenwerten zur Unterstützung von 3,3-V-Mikrocontrollern.


  1. Elektrolyse von grünem Wasserstoff
  2. Energieumwandlung für DC-Quellen

Lesen Sie mehr zum Thema


Das könnte Sie auch interessieren

Jetzt kostenfreie Newsletter bestellen!

Weitere Artikel zu Digi-Key Corporation

Weitere Artikel zu INFINEON Technologies AG Neubiberg

Weitere Artikel zu Stromversorgung Sonstige

Weitere Artikel zu Wasserstoff