Gleichstrom für die Energiewende

Elektrolyse von grünem Wasserstoff

2. November 2024, 11:00 Uhr | Von Rolf Horn
Diesen Artikel anhören

Fortsetzung des Artikels von Teil 1

Energieumwandlung für DC-Quellen

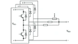
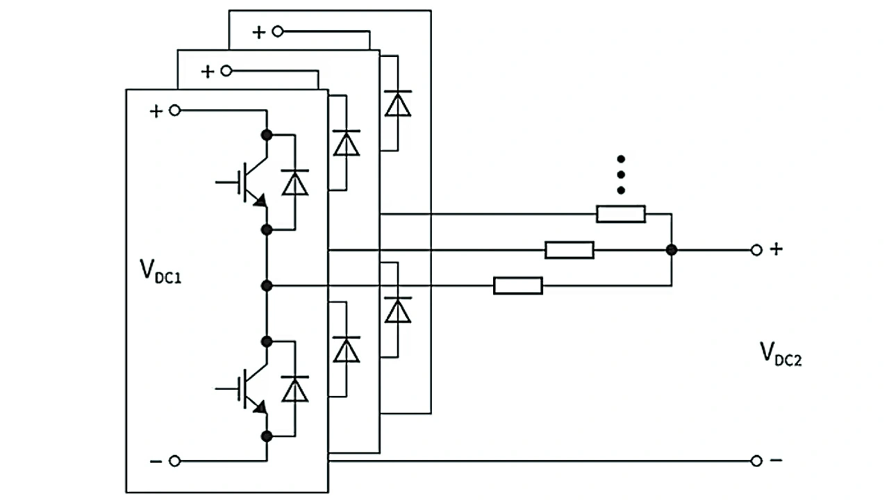
 Ein Abwärtswandler reduziert den Eingangsgleichstrompegel VDC1 auf den Ausgangspegel VDC2
Bild 6. Ein Abwärtswandler reduziert den Eingangsgleichstrompegel VDC1 auf den Ausgangspegel VDC2.
© Infineon Technologies

Die Gewinnung von Wasserstoff mithilfe von Gleichstromquellen wie Photovoltaik und batteriegestützten Hybridsystemen erfordert DC-DC-Wandler. Ein Abwärtswandler verwendet parallel geschaltete Halbbrücken-Chopper-Module, um den Gleichstrompegel vom Eingang zum Ausgang zu verändern (Bild 6). Mit der richtigen Interleave-Steuerung reduziert diese DC-DC-Wandlertopologie die DC-Welligkeit erheblich, ohne die Größe der Induktivitäten oder die Schaltfrequenz zu erhöhen. Jede Phase der Implementierung kann mit einem entsprechenden Modul realisiert werden. Das FF800R12KE7HPSA1 ist ein 62-mm-Halbbrücken-IGBT-Modul, das sich für DC-DC-Wandler mit abwärtswandelnder Topologie eignet. Er ist für maximal 1200 V ausgelegt und unterstützt einen maximalen Kollektorstrom von 800 A.

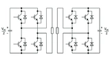
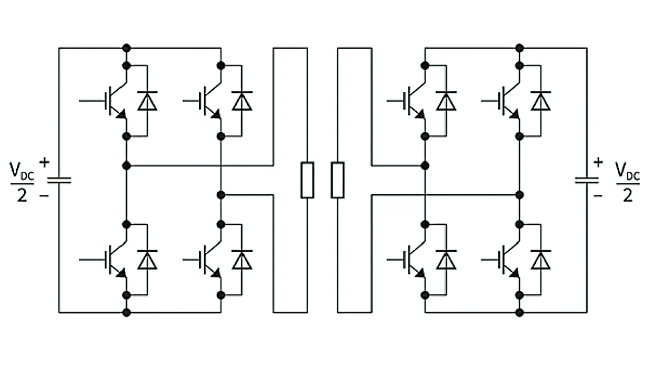
Ein DAB-Wandler führt eine Abwärtswandlung der Spannung durch und sorgt für eine galvanische Trennung zwischen Eingang und Ausgang
Bild 7. Ein DAB-Wandler führt eine Abwärtswandlung der Spannung durch und sorgt für eine galvanische Trennung zwischen Eingang und Ausgang.
© Infineon Technologies

Der DAB-Wandler (Dual Active Bridge) ist eine Alternative zum Abwärtswandler (Bild 7). Er verwendet einen Hochfrequenztransformator zur Kopplung der Eingangs- und Ausgangs-Vollbrückenschaltungen, um eine galvanische Trennung zu gewährleisten. Eine solche Isolierung ist oft hilfreich, um die Korrosion des Tanks und der Elektroden der Elektrolysezelle zu minimieren. Identische Vollbrückenschaltungen werden mit komplementären Rechtecksignalen angesteuert. Die Phasenlage der Ansteuersignale zwischen der Primärseite und der Sekundärseite bestimmt die Richtung des Leistungsflusses. Darüber hinaus minimiert der DAB-Wandler die Schaltverluste, indem er die IGBTs im Null-Volt-Modus schaltet. Die Schaltung kann mit Halbbrücken-IGBT- oder Siliziumkarbid(SiC)-MOSFET-Modulen aufgebaut werden.

Ausblick

Da die weltweite Nachfrage nach sauberen Energiequellen weiter steigt, wird die Abscheidung von grünem Wasserstoff auf der Grundlage erneuerbarer Energiequellen an Bedeutung gewinnen. Solche Quellen erfordern eine effiziente, zuverlässige und hochstabile Gleichstromversorgung. Für deren Entwicklung kann auf das breite Portfolio an Halbleitern für hohe Spannungen und Ströme von Infineon Technologies zurückgegriffen werden, um die erforderlichen Komponenten zur Leistungswandlung zu finden.

 


  1. Elektrolyse von grünem Wasserstoff
  2. Energieumwandlung für DC-Quellen

Lesen Sie mehr zum Thema


Das könnte Sie auch interessieren

Jetzt kostenfreie Newsletter bestellen!

Weitere Artikel zu Digi-Key Corporation

Weitere Artikel zu INFINEON Technologies AG Neubiberg

Weitere Artikel zu Stromversorgung Sonstige

Weitere Artikel zu Wasserstoff