Elektromagnetische Verträglichkeit

Entstören mit Kondensatoren und Spulen

27. April 2017, 11:00 Uhr | Ralf Higgelke
Diesen Artikel anhören

Fortsetzung des Artikels von Teil 1

EMV-Störquellen

Jedes Gerät enthält mehrere Störquellen. Dabei sticht das Schaltnetzteil hervor, das mit Frequenzen im Bereich von 100 kHz bis 400 kHz arbeitet. Stromversorgungsrauschen steht in engem Zusammenhang mit dem Schalten von Leistungstransistoren und kann in Strom- oder Signalleitungen gekoppelt werden. Diese Art von Rauschen tritt bei der Grundfrequenz auf und (mit abnehmender Intensität) bei Harmonischen der Schaltfrequenz. Es kann daher ein Spektrum von 10 kHz bis etwa 50 MHz abdecken. Gegentaktrauschen eines Brückengleichrichters kann bei Vielfachen von 120 Hz ebenfalls vorhanden sein, genauso wie das HF-Rauschen parasitärer Schwingungen, die nicht mit der Schaltfrequenz zusammenhängen.

Anbieter zum Thema

zu Matchmaker+
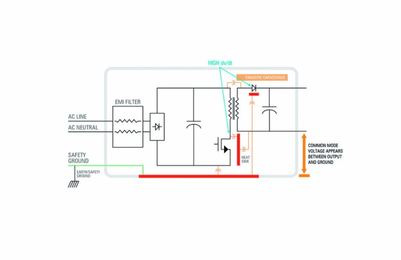
Störquellen / Kemet
Bild 3: Wesentliche Störquellen und Kopplungen in Schaltnetzteilen.
© Bilder: Kemet

Bild 3 beschreibt die wesentlichen Rauschquellen und -pfade in einem Schaltnetzteil. Das Schalten verursacht abrupte Strom- und Spannungsübergänge. Spannungsflanken (hohes du/dt) koppeln sich über Streukapazitäten ein, Stromflanken (hohes di/dt) über Streuinduktivitäten.

Bei der Wahl einer AC/DC-Stromversorgung sind Kriterien wie die AC-Eingangsspannung, abgestrahlte Emissionen und die Einhaltung der Störimmunität besonders wichtig, genauso wie die Isolation von DC-zu-AC- und DC-zu-DC-Störungen. Hinzu kommt die galvanische Trennung – unabhängig davon, ob die Versorgung als Open-Frame-Variante, integriert oder eigenständig aufgebaut ist und ob die Anwendung eine Überbrückung erfordert. Auch nicht-EMV-bezogene Überlegungen sind zu beachten. Dazu zählen die Kosten, Energieeffizienz, Größe, das Gewicht und die Einhaltung von Sicherheitsbestimmungen. Motoren und Antriebe sind andere Quellen intern erzeugter elektromagnetischer Störungen, die daran gehindert werden müssen, in Schaltkreise oder Stromleitungen zu koppeln.

Störfilter / Kemet
Bild 4: Vier gängige Störfilter-Topologien.
© Bilder: Kemet

Solche Störsignale können auf verschiedene Weise eingekoppelt werden, etwa über parasitäre Kapazitäten, Kabel oder andere Verbindungen und sie müssen daran gehindert werden, interne Schaltkreise zu stören oder in das Netz zu gelangen. Dieses Ziel – die EMI-Energie zu reduzieren und einzudämmen – wird durch Filter erreicht, die induktive und kapazitive Elemente miteinander kombinieren. Die Art des Filters, dessen Aufbau und Bauteilwerte hängen von den Frequenzen des Störsignals, den Eigenschaften der Störquelle und den Impedanzen der an den Filter angeschlossenen Schaltkreise ab. Bild 4 beschreibt einige gängige Filter – von einem einfachen kapazitiven Filter bis hin zu komplexeren T- und Pi-Filtern. Dabei kommen Durchführungskondensatoren mit drei Anschlüssen zum Einsatz.

Filteraufbaus / Kemet
Bild 5: Auswirkungen des Filteraufbaus und der Kondensatorwahl auf den Frequenzgang.
© Bilder: Kemet
K-SIM / Kemet
Bild 6: Simulation eines Entkopplungsfilter-Netzwerks mit Kondensatoren durch das Programm K-SIM.
© Bilder: Kemet

Die zusätzlichen Elemente des Pi-Filters bewirken einen steileren Frequenzgang in Anwendungen, die eine schärfere Frequenzgrenze erfordern. Ein LC-Filter kann zusammen mit einer niederohmigen Quelle und einer hochohmigen Last verwendet werden oder umgekehrt. Das T-Filter ist eine gute Wahl, sind sowohl die Quelle als auch die Last niederohmig. Bild 5 vergleicht den Frequenzgang von C- und Pi-Filtern und zeigt die Auswirkungen der verschiedenen Konfigurationen. Panel- oder Chassis-montierte Filter, die an einer großen metallischen Oberfläche befestigt sind, bieten eine hervorragende Störsignaldämpfung.

Einfacher wird die Entwicklung eines EMV-Filternetzwerks, das Rauschen daran hindert Signale zu stören, wenn sich die Rausch- und Signalfrequenzen stark unterscheiden. Andererseits können Designs mit Induktivitäten und Kondensatoren komplizierter sein, wenn die Frequenzen nahe beieinander liegen. Bild 6 zeigt die Ergebnisse für vier verschiedene Kondensatoren, die mit dem Parameter-Simulationstool »K-SIM« einzeln und in Kombination simuliert wurden. Die einzelnen Diagramme sind grau hinterlegt, um das kombinierte Ergebnis hervorzuheben (rote Linie). Die Simulation macht deutlich, wie die vier Kondensatoren kombiniert werden können, um die Störunterdrückung besser –40 dB über einen breiten Frequenzbereich von 5 MHz bis 100 MHz zu erhalten.

Impedanzkurven / Kemet
Bild 7: K-SIM bietet die Möglichkeit, Impedanzkurven zu kombinieren, um mögliche Antiresonanzprobleme sichtbar zu machen.
© Bilder: Kemet

Die Auswahl der parallelen Entkopplungskondensatoren muss sehr sorgfältig erfolgen, da sonst Antiresonanz entstehen kann. Diese verringert die Gesamteffektivität des Entkopplungsfilters. Werden Kondensatoren mit ungleichen Werten und Größen parallel angeordnet, bilden ihre kombinierten kapazitiven und induktiven Blindwiderstände unerwünschte offene LC-Schwingkreise. Diese sind Ursache für Antiresonanz-Artefakte (Bild 7). Ein geringer Abstand zwischen den Kapazitätswerten minimiert diesen Resonanzeffekt.


  1. Entstören mit Kondensatoren und Spulen
  2. EMV-Störquellen

Lesen Sie mehr zum Thema


Das könnte Sie auch interessieren

Jetzt kostenfreie Newsletter bestellen!

Weitere Artikel zu KEMET Electronics GmbH

Weitere Artikel zu Kondensatoren

Weitere Artikel zu Induktive Bauelemente

Weitere Artikel zu EMV-Messtechnik