Leistungselektronik für saubere Energie

Damit arbeiten Solaranlagen effizient und kostengünstig

10. Mai 2024, 11:35 Uhr | Kane Jia, Onsemi; Redaktion: Kathrin Veigel
Unterschiedliche Leistungselektronik-Bauelemente tragen dazu bei, aus privaten Solaranlagen das Meiste herauszuholen.
© Rolf Haid/dpa

Solarenergie erzeugen und speichern sind wesentliche Techniken, um CO2-Emissionen zu verringern und nachhaltige Energiequellen für Wohnhäuser bereitzustellen. Si- und SiC-Bauteile von Onsemi sorgen dabei für die nötige Effizienz und Zuverlässigkeit.

Diesen Artikel anhören

Eine Solaranlage für Privathaushalte besteht aus einem Solarwechselrichter und den Solarzellen beziehungsweise Photovoltaikmodulen (PV), die eine variable Gleichspannung erzeugen. Ein DC/DC-Boost-/Aufwärtswandler erhöht diese Spannung auf ein Betriebsniveau für den DC-Zwischenkreis. Dabei kommt Maximum Power Point Tracking (MPPT) zum Einsatz, um die eingefangene Energie je nach Stärke und Richtung des Sonnenlichts während des Tages zu optimieren.

Schließlich wandelt ein einphasiger DC/AC-Wechselrichter die Zwischenkreisspannung (meist <600 VDC) vom Solarmodul in eine Wechselspannung (120 V MPPT bis 240 V) um, die entweder an eine Last oder das Stromnetz angeschlossen wird (Bild 1).

Anbieter zum Thema

zu Matchmaker+
Onsemi Bild 1. Blockdiagramm eines Solarwechselrichters für Wohngebäude
Bild 1. Blockdiagramm eines Solarwechselrichters für Wohngebäude
© Onsemi

Es gibt verschiedene Arten von Solarwechselrichtern für Privathaushalte. Die beiden gängigsten sind Mikro- und String-Wechselrichter (Bild 2). Eine Solaranlage mit Mikro-Wechselrichter verwendet mehrere DC/AC-Wechselrichter, von denen jeder an ein einzelnes Solarmodul angeschlossen ist, das eine Ausgangsleistung von bis zu 1 kW erzeugt. Da der Spannungspegel jedes Moduls einzeln überwacht wird, ist dieser Ansatz sehr effizient. Außerdem lassen sich Mikro-Wechselrichtersysteme leicht skalieren, um die erforderliche Energiekapazität zu erreichen.

Onsemi Bild 2. Solaranlage mit Mikro-Wechselrichtern (links) und String-Wechselrichter (rechts)
Bild 2. Solaranlage mit Mikro-Wechselrichtern (links) und String-Wechselrichter (rechts)
© Onsemi

Eine Solaranlage mit String-Wechselrichter hingegen kombiniert die Eingänge mehrerer in Reihe geschalteter Solarmodule und liefert Hunderte von Volt. Der Anschluss mehrerer Solarmodule kann jedoch weniger effizient sein als ein System mit Mikro-Wechselrichter. Erhält zum Beispiel ein Modul weniger Licht als die anderen in der Reihe, wirkt sich dies auf die gesamte Systemleistung aus. String-Wechselrichtersysteme sind kostengünstiger als Anlagen mit Mikro-Wechselrichter, bei denen für jedes Modul ein Wechselrichter erforderlich ist.

Ein Leistungsoptimierer (DC/DC-Wandler mit integriertem MPPT) erhöht die Effizienz von Systemen mit String-Wechselrichter. Er wandelt die variable Gleichspannung der Solarmodule in eine feste Gleichspannung um, so dass eine niedrige PV-Leistung eines einzelnen Moduls keinen Einfluss auf die Effizienz des Gesamtsystems hat.

Mehr Flexibilität mit Batterie-Energiespeichersystem

Das Batterie-Energiespeichersystem (BESS) ist ein weiterer Bestandteil einer Solaranlage für Wohngebäude. Meist wird Energie dann erzeugt, wenn sie am wenigsten benötigt wird, zum Beispiel bei Tageslicht, wenn die Bewohner am Arbeitsplatz sind.

Eine Lithium-Ionen- oder Blei-Säure-Batterie zur Energiespeicherung bietet Flexibilität, den Strom dann zu nutzen, wenn er benötigt wird – am Abend, wenn man zuhause ist. Ein bidirektionaler Wandler verbindet das BESS mit dem Solarsystem. Erzeugen die PV-Module Strom, lädt der Wandler die Batterie auf. Nachts, wenn die Module keine Energie erzeugen, gibt der Wandler die gespeicherte Energie aus der Batterie frei, um Verbraucher zu betreiben.

Die lokale Speicherung von Energie bietet auch die Sicherheit, bei Stromengpässen oder Netzausfällen über eine zusätzliche Stromquelle zu verfügen. Darüber hinaus lassen sich modulare Energiespeichersysteme einfach hinzufügen, ohne dass das bestehende System wesentlich verändert werden muss.

Der Single-Boost-DC/DC-Wandler ist die gebräuchlichste nicht isolierte Topologie für Haushaltssysteme, während der Sperrwandler zum Einsatz kommt, wenn eine Isolierung erforderlich ist. Beide Topologien sind kostengünstig und nehmen wenig Platz in Anspruch.

Diverse Topologien für Wechselrichter-Aufbau

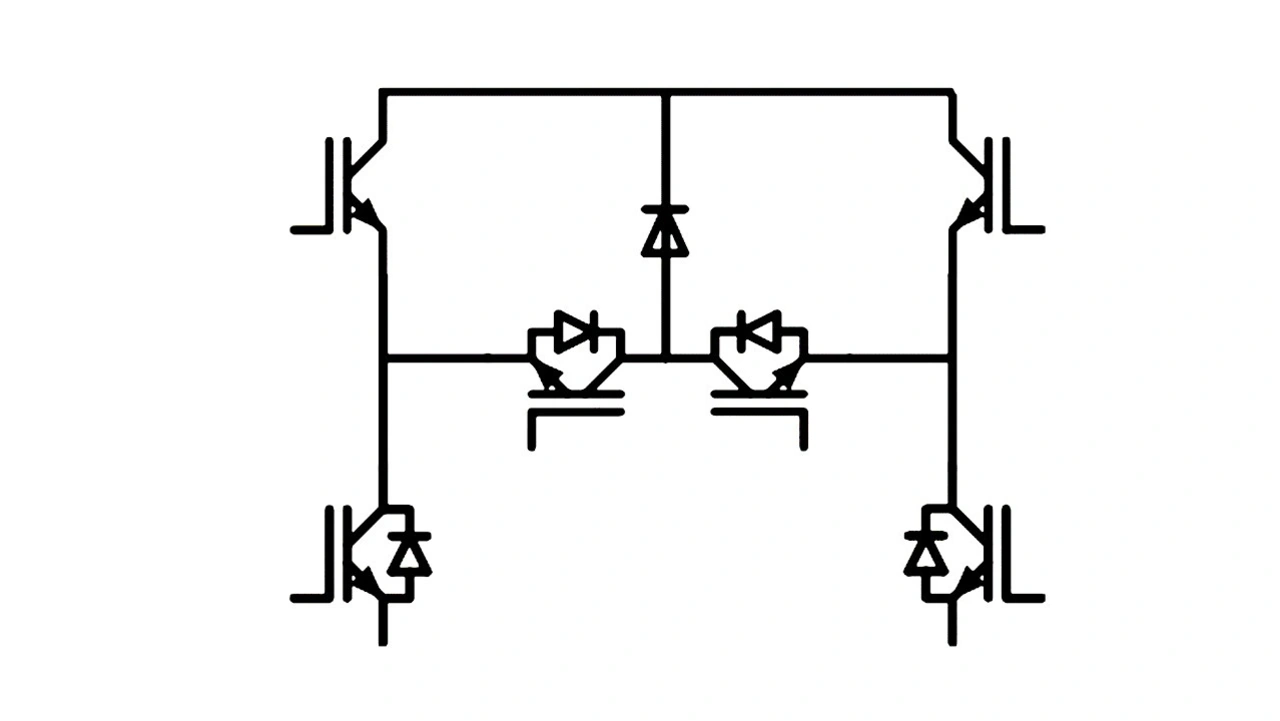
Wechselrichter für private Solaranlagen lassen sich in verschiedenen Topologien aufbauen, zum Beispiel mit einem HERIC-H6.5-Wandler, der auf dem IGBT-Modul NXH75M65L4Q1 von Onsemi basiert (Bild 3). Bei diesem Design ist kein Transformator erforderlich, was Gewicht, Größe und Kosten des Gesamtsystems reduziert. Die Topologie trägt auch dazu bei, Leckströme zu verringern, die durch die Gleichtaktspannung verursacht werden, die auf die parasitären Kapazitäten des Solarmoduls einwirkt.

Onsemi Bild 3. Die H6.5-Topologie eignet sich für Solarwechselrichter in Wohngebäuden
Bild 3. Die H6.5-Topologie eignet sich für Solarwechselrichter in Wohngebäuden
© Onsemi

Außerdem bietet dieser Aufbau einen höheren Wirkungsgrad als ein H-Brücken-basierter Ansatz. Eine 3-Stufen-Topologie wie diese wird für 1- und 3-phasige Anwendungen empfohlen, um Verzerrungen zu minimieren und eine gleichmäßigere Ausgangsspannung zu erzielen.

Der bidirektionale DC/DC-Wandler lädt und entlädt die Batterie im Energiespeichersystem. Er basiert auf einer isolierten CLLC-Resonanztopologie oder einer isolierten Buck-Boost-Topologie mit zwei aktiven Brücken. Er unterstützt einen großen Eingangs- und Ausgangsspannungsbereich und nutzt Nullspannungsschaltung (ZVS), um den Wirkungsgrad zu verbessern. Ein weiterer Vorteil ist die Sicherheit, die durch die Isolierung zwischen Batteriesatz und Solarmodul gegeben ist.

Onsemi bietet Silizium-IGBTs mit einer Nennspannung von 600 V und 650 V, die für private Solarsysteme geeignet sind. Diese IGBTs basieren auf der FS4-Technologie (Field Stop 4) mit schmaler Mesa (Steg) und breiter Grabenbreite, die Latch-Immunität und kleinere Gate-Kapazitäten bietet. Die Field-Stop-Schicht erhöht die Sperrfähigkeit und verringert die Dicke der Driftschicht, was die Leitungs- und Schaltenergieverluste auf weniger als 30 μJ/A senkt.

Onsemi Bild 4. Wirkungsgrad von Field Stop 4 (FS4) in einem 4-kW-Aufwärtswandler
Bild 4. Wirkungsgrad von Field Stop 4 (FS4) in einem 4-kW-Aufwärtswandler
© Onsemi

Ein dünnerer IGBT-Chip trägt zu einem geringeren Wärmewiderstand bei, und die schmale Mesa erhöht die Leistungsdichte, so dass der gleiche Strom-IGBT in einem kleineren Gehäuse untergebracht werden kann. Das FS4-IGBT-Design bietet einen höheren Wirkungsgrad bei geringer Last in einem 4-kW-Aufwärtswandler (Bild 4) als ein Wandler mit FS3-Design, und seine Leistungsfähigkeit entspricht der anderer konkurrierender Bauelemente.

SiC verbessert die Leistungsfähigkeit von Solaranlagen

Siliziumkarbid-/SiC-Bauelemente ermöglichen kleinere Wechselrichter in Solaranlagen für Privathaushalte und bieten eine höhere Leistungsfähigkeit als siliziumbasierte Bauelemente. Im Vergleich zu Silizium-IGBTs sind die Eon- und Eoff-Verluste beim Schalten mit hohen Frequenzen deutlich geringer.

SiC-Bauelemente weisen auch eine höhere Stabilität als IGBTs über einen größeren Temperaturbereich auf, was sie zuverlässiger macht. SiC-Bauelemente erzeugen bei schnellen Schaltfrequenzen zudem weniger EMI als Super-Junction-MOSFETs. Bessere thermische Eigenschaften und geringere Schaltverluste bei Hochfrequenzbetrieb reduzieren den Platzbedarf des Gesamtsystems und ermöglichen ein einfacheres Wechselrichterdesign.

Die diskreten SiC-MOSFETs von Onsemi mit 650 V bieten einen niedrigen RDS(ON) über UGS und der Temperatur und können mit einer negativen Gate-Spannung betrieben werden. Dies verbessert die Störfestigkeit und vermeidet Fehlschaltungen beim Einsatz in Brückentopologien.

Onsemi bietet ein umfangreiches Angebot an Bauelementen und Tools, um die Auswahl der Komponenten für eine Solaranlage zu vereinfachen. Dazu zählen Referenzdesigns wie das 40-W-SiC-Hochspannungs-Hilfsnetzteil SECO-HVDCDC1362 40W-GEVB sowie die gesamte Dokumentation (Benutzerhandbuch, Stückliste, Gerber-Dateien usw.), um die Produktentwicklung zu beschleunigen.

Das Unternehmen stellt auch SPICE-Modelle für fortgeschrittenere Systembewertungen und Designs zur Verfügung. Die SPICE-Modelle helfen bei der Untersuchung des Reverse-Recovery-Verhaltens von Schaltbauelementen und der parasitären Effekte auf Schaltkreis-, Modul- und Chip-Ebene. Die Modelle unterstützen ferner thermische Simulation zur Untersuchung von Selbsterwärmungseffekten.

Onsemi Kane Jia
Kane Jia von Onsemi
© Onsemi

Der Autor

Kane Jia
ist Application Marketing Engineer bei Onsemi.


Lesen Sie mehr zum Thema


Das könnte Sie auch interessieren

Jetzt kostenfreie Newsletter bestellen!

Weitere Artikel zu onsemi Germany GmbH

Weitere Artikel zu Solarzellen

Weitere Artikel zu Energieerzeugung

Weitere Artikel zu Leistungshalbleiter-ICs