Open-Source-Prozessoren

Für wen RISC-V eine Alternative ist

29. September 2020, 6:30 Uhr | Von Dr. Claus Kühnel

In der fünften Generation sorgt RISC für Aufsehen – aufgrund des Open-Source-Ansatzes. In kurzer Zeit wuchs mit RISC-V eine Community, die auf Basis des neuen Befehlssatzes Prozessorkerne entwickelt hat. Hier nun ein Blick auf RISC-V – und die ersten RISC-V-SoCs.

Diesen Artikel anhören

Reduced Instruction Set Computer (RISC) wurden mit dem Ziel entwickelt, den komplexen, für die Assemblerprogrammierung komfortablen Befehlssatz eines Complex Instruction Set Computers (CISC) durch einen einfach zu decodierenden und extrem schnell auszuführenden Befehlssatz (Instruction Set) zu ersetzen.

Wenn nun RISC-basierte Befehlssätze (Instruction Set Architecture, ISA) bekannt und deren Umsetzung durch zahlreiche Systeme (System-on-Chip, SoC) am Markt verfügbar sind, worin besteht das Neue bei RISC-V?

Diese Frage wird sich der eine oder andere stellen. Und trotz des existierenden Hypes um RISC-V wird man im Netz auch auf kontroverse Diskussionen stoßen. RISC-V erhebt den Anspruch, durch den Open-Source-Ansatz »die Welt des Prozessordesigns zu verändern« [1].

Die 2015 gegründete RISC-V Foundation steuert als Non-Profit Organisation die zukünftige Entwicklung und treibt die Einführung der RISC-V-ISA voran. Heute zählt die RISC-V Foundation mehr als 500 Mitglieder aus 28 Ländern, zu denen auch zahlreiche Schwergewichte der Halbleiterindustrie gehören [2].

Wenn sich Entwickler ein Bild über RISC-V zu machen versuchen, dann wird das Ergebnis sehr stark von der Betrachtungsperspektive abhängen.

Anspruch der offenen Befehlssatzarchitektur

RISC-V ist eine aktuelle, minimalistische und offene Instruction Set Architecture. RISC-V kommen die vorangegangenen RISC-Entwicklungen in Berkeley und der spätere Start der Entwicklung zugute. Dadurch ist es möglich, gute Ideen vorangegangener ISAs aufzugreifen und deren Fehler nicht zu wiederholen.

Das Ziel von RISC-V ist die Entwicklung einer universellen ISA mit den folgenden Eigenschaften:

  • Unterstützung für alle Prozessorgrößen, vom kleinsten Embedded- Mikrocontroller bis hin zum Prozessor für Hochleistungsrechner
  • Verwendung populärer Softwarestacks und Programmiersprachen
  • Eignung für unterschiedliche Im- plementierungstechniken, wie FPGA, ASIC
  • Effizient für alle Varianten der Mikroarchitektur
  • Unterstützung umfassender Erweiterungen als Basis kundenspezifischer Hardwarebeschleuniger
  • Stabil, Basis-ISA unveränderbar

David Patterson und Andrew Waterman beschreiben in [3], wie die RISC-V-ISA diese Ziele umsetzt. Verkürzt ist es das Ziel von RISC-V, eine freie und offene ISA zu schaffen, die jeder für alle Anwendungen verwenden kann. Die Basis-ISA – heute RV32I oder RV64I – wird durch sogenannte Extensions – Standard- und Non-Standard-Extensions – kunden- und/oder anwendungsspezifisch erweitert. Die Basis-ISA und die »Privileged Architecture Specifications« wurden im vergangenen Jahr ratifiziert, was als Meilenstein für das wachsende RISC-V-Wirtschaftsökosystem angesehen werden kann. Entwickler von Betriebssystemen und Hardwareanbieter haben damit Gewissheit, dass das Ergebnis ihrer Arbeit kompatibel sein wird [4].

Bei RISC-V sind anders als etwa bei Arm keine Lizenzzahlungen erforderlich, selbst die kommerzielle Nutzung kostet nichts. Lizenzzahlungen sind kein prinzipielles Problem für zugekaufte IP, wohl aber die Komplexität der Lizenzvereinbarung, die von einem Mittelständler kaum bewältigt werden kann. Als IP (Intellectual Property) wird bei Halbleitern eine wiederverwendbare Einheit – Logik, Funktion, Zelle oder Layout – verstanden, die normalerweise mit der Idee der Lizenzierung für die Verwendung als Baustein in verschiedenen Chip-Entwürfen entwickelt wurde.

Es wird also möglich, einen RISC-V-ISA- basierenden Prozessorkern oder einen kompletten Prozessor zu entwerfen oder entsprechende RISC-V-Cores bei Github herunter zu laden und zu implementieren.

Mit der RISC-V-ISA sind die Grundlagen gelegt, aber einen Prozessor hat ein Entwickler damit noch lange nicht in den Händen.

Von der RISC-V-ISA zum Prozessor

Ein CPU-Kern alleine macht also noch kein SoC, und die darüber hinaus erforderlichen Komponenten können sehr kostenintensiv werden. Kaum eine IP wie Speichercontroller, Bussysteme, USB-Interface oder Funk-Transceiver gibt es umsonst. Dafür unterstützen viele Entwürfe das AXI (Advanced Extensible Interface) von Arm. Imagination Technologies beispielsweise bietet einige PowerVR-Grafikkerne und Neural-Net-Beschleuniger über SiFives Design-Share-Programm indirekt vergünstigt an. Eine offene GPU existiert bisher nicht, wenngleich mit der Libre 3D zumindest eine Softwarevariante geplant ist [5, 6].

Die Kosten und der Aufwand für den Erwerb der oben genannten IPs sind ein großes Hindernis für die Entwicklung von SoCs. Bevor ein Prototyp erstellt werden kann, müssen Anbieter tragfähiger IPs gesucht, komplexe rechtliche Verträge mit u.U. mehreren Anbietern ausgehandelt und erhebliche Lizenzgebühren gezahlt werden. Auf der Website https://anysilicon.com, die sich selbst als »The Google of the Semiconductor Industry« bezeichnet, bekommen Sie einen Eindruck von der Komplexität der Auswahl geeigneter IPs. SiFives Design-Share-Programm optimiert den Prozess für alle Beteiligten [7].

Unter Zuhilfenahme der Entwicklungsunterstützung von SiFive, die hier beispielhaft genannt sei, kann auf der Basis vorhandener CPU-Kerne ein modifizierter Prozessorkern rasch konfiguriert werden. Nach einem Review kann der Build-Prozess angestoßen werden und das im Ergebnis bereitgestellte SiFive Core IP FPGA Evaluation Kit enthält alles, was zur Programmierung eines Xilinx Arty A7 Artix-7 FPGA Evaluation Kits an Informationen nötig ist.

Nutzen von RISC-V

Bild 1. Chip mit dem vom Fraunhofer IMS entwickelten leistungsfähigen Mikrocontroller-Kern auf Basis der RISC-V-Befehlssatzarchitektur (oben links) und der Krypta-Engine (unten links).
Bild 1. Chip mit dem vom Fraunhofer IMS entwickelten leistungsfähigen Mikrocontroller-Kern auf Basis der RISC-V-Befehlssatzarchitektur (oben links) und der Krypta-Engine (unten links).
© Bild: Fraunhofer IMS

Aus dem bislang Gesagten lassen sich bei einem ersten Hinsehen nur Vorteile für den Hersteller von Mikrocontrollern sehen. Dass dem aber nicht so ist, fällt erst bei einer genauen Betrachtung auf.

Die Erweiterungsmöglichkeiten der Basis-ISA durch verschiedene Extensions zielt auf spezialisierte CPUs hin, wie sie beispielsweise durch Verwendung der Vector-Extension für KI- und Deep-Learning-Anwendungen benötigt werden.

Zum Schutz von KI-Algorithmen und Lerndaten vor Diebstahl können ICs mit einer hardwareseitigen Firmware-Verschlüsselung ausgestattet werden. Die ICs schützen dabei ihren Speicherinhalt mittels eingebauter Verschlüsselung gegen Zugriff von außen und bieten für die Kommunikation eine Hardwarebeschleunigung für die populärsten Verschlüsselungsverfahren. Für die Evaluierung stellt z.B. das Fraunhofer-Institut für Mikroelektronische Schaltungen und Systeme IMS Softcores für diverse FPGA-Plattformen sowie optimierte Softwarebibliotheken zur Verfügung (Bild 1).

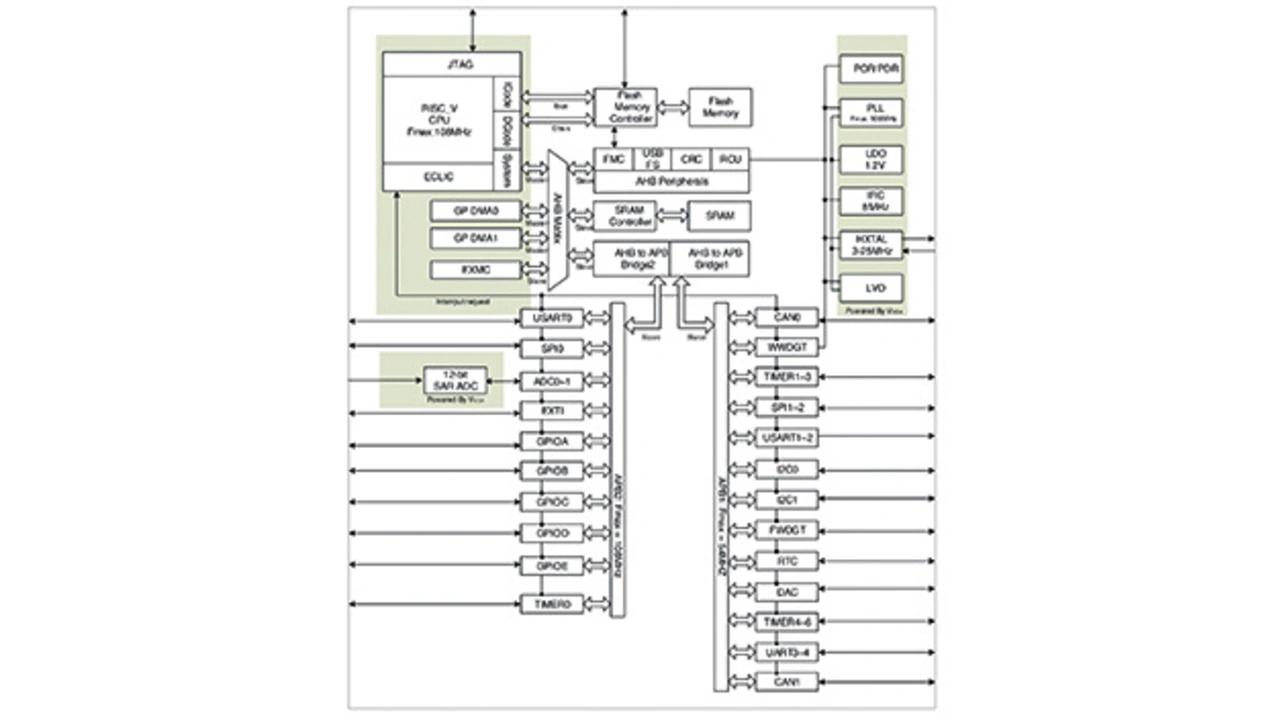
Bild 2. Die RISC-V-Mikrocontroller-Familie GD32V von GigaDevice umfasst 14 Derivate mit verschiedenen Speichergrößen und den Gehäusen QFN36, LQFP48, LQFP64 und LQFP100.
Bild 2. Die RISC-V-Mikrocontroller-Familie GD32V von GigaDevice umfasst 14 Derivate mit verschiedenen Speichergrößen und den Gehäusen QFN36, LQFP48, LQFP64 und LQFP100.
© Bild: GigaDevice

Root of Trust (RoT) ist eine Quelle, der in einem kryptografischen System immer vertraut werden kann. Googles OpenTitan ist von Googles eigenem maßgeschneidertem RoT-IC Titan inspiriert, mit dem überprüft wird, ob die Rechenzentren von Google von einem bekannten vertrauenswürdigen Status mit verifiziertem Code gestartet werden. Google und seine Partner möchten die Vorteile von RoT-ICs mithilfe von Open-Source-Silizium auf Basis von RISC-V auf ihre Kunden übertragen [8].

Bei den geschilderten Entwicklungen – und das ist nur eine kleine Auswahl – spielt der Open-Source-Aspekt eine herausragende Rolle. Größere Transparenz, Rechenschaftspflicht, unabhängige Überprüfbarkeit und Zusammenarbeit steigern Sicherheit und Vertrauenswürdigkeit in Software und Hardware. Nur der Open-Source-Ansatz befördert dieses Ziel [9].

Bild 3. Der Kendryte K210 – mit zwei 64 bit RISC-V-Cores – verfügt über einen Hardwarebeschleuniger für neuronale Netzwerke, KPU (Knowledge Processing Unit) mit 0,8 TFLOPS, der Faltungsoperationen in neuronalen Netzwerken mit hoher Leistung durchführ
Bild 3. Der Kendryte K210 – mit zwei 64 bit RISC-V-Cores – verfügt über einen Hardwarebeschleuniger für neuronale Netzwerke, KPU (Knowledge Processing Unit) mit 0,8 TFLOPS, der Faltungsoperationen in neuronalen Netzwerken mit hoher Leistung durchführen kann.
© Bild: Canaan Creative

Zu diesen eher technischen Aspekten kommt heute im Zuge von Handelsrestriktionen und anderen wettbewerbsbehindernden Regelungen hohe Bedeutung zu.

So hat GigaDevice Semiconductor mit der Baureihe GD32V (Bild 2) eine neue Familie an 32-bit-Mikrocontrollern auf Basis RISC-V auf den Markt gebracht, die 14 Derivate umfasst und Pin-kompatibel zu den eigenen Mikrocontrollern auf Basis Cortex-Mx ist. Portierungen der Software sind somit einfach möglich [10]. Canaan Creative bietet mit dem Kendryte K210 (Bild 3) einen Dual-Core 64-bit-Mikrocontroller auf Basis RISC-V an, für den es auch bereits mehrere Evaluation Boards zu günstigen Preisen gibt. Der Evaluation eines RISC-V basierten Mikrocontrollers steht damit nichts im Wege.

Die RISC-V Foundation zieht wegen des andauernden Handelsstreits zwischen den USA und China aus den USA in die Schweiz. Die RISC-V Foundation will so sicherstellen, dass Universitäten, Regierungen und Unternehmen außerhalb der USA weiterhin bei der Entwicklung der ISA kollaborieren und diese problemlos für eigene Entwicklungen lizenzieren können.

Auf lange Sicht

Ein weiterer Aspekt, der Im Zusammenhang mit RISC-V unbedingt erwähnt werden muss, ist die langfristig geforderte Verfügbarkeit bestimmter Produktgruppen in der Automatisierung, Medizin- und Militärtechnik. Hinzu kommt, dass gerade bei diesen Produktgruppen Stückzahlen nicht zur Verhandlungsmasse gegenüber Halbleiterherstellern gehören und Ersatz nach Abkündigung von Komponenten schon immer ein Thema war.

Bild 4. Herz im Rocinante SoC für Embedded-Antriebe von Trinamic ist ein RISC-V-Prozessor.
Bild 4. Herz im Rocinante SoC für Embedded-Antriebe von Trinamic ist ein RISC-V-Prozessor.
© Bild: Trinamic

SoC-FPGAs können hier ein alternativer Ansatz sein. Xilinx kombiniert so beispielsweise die Softwareprogrammierbarkeit eines oder mehrerer Arm-Cores mit der Hardwareprogrammierbarkeit eines FPGAs. Mit der Zynq-Baureihe ist Xilinx beispielsweise bei Fahrerassistenzsystemen mit KI-Funktionen erfolgreich. Intel und Microchip (Microsemi) bieten ähnliche SoC-FPGAs an. Für Embedded-Systeme können SoC-FPGAs ein attraktiver Ansatz sein, wenn sowohl Standard-CPU-Kerne als auch spezifische, ggf. echtzeitfähige Hardware benötigt werden. Bei Motorsteuerungen, der Bildverarbeitung, Deep Learning u.a.m. ist das der Fall und es werden solche Systeme entwickelt. Das Einbetten von Standard-CPU-Kernen ist ein Weg, Produkte in Richtung »software-defined« zu bringen. RISC-V ist ein Weg, dies einfach und skalierbar zu erreichen.

Tabelle. Übersicht der verfügbaren SoCs mit RISC-V-Prozessorkernen.
Tabelle. Übersicht der verfügbaren SoCs mit RISC-V-Prozessorkernen.
© Quelle: RISC-V Foundation

Folgerichtig entwickelt Microchip auf Basis des PolarFire FPGA das PolarFire SoC mit vier RV64GC(U54) und einem RV64IMAC(E51). In Klammern stehen die Bezeichnungen von SiFive. Nicht unerwähnt bleiben soll die Unabhängigkeit vom Halbleiterfertigungsprozess, von der Trinamic für den Motorcontroller Rocinante profitiert. Rocinante ist weltweit die erste RISC-V-Implementierung in einer monolithischen Halbleitertechnik für höhere Betriebsspannungen, die eine direkte Ansteuerung von N-Kanal-MOSFETs ermöglicht, um Gleichstrommotoren (mit Kollektor oder elektronisch kommutierend), Schritt- und Schwingspulenmotoren zu steuern [11]. Für Rocinante (Bild 4) gibt es das Entwicklungsmodul Dock5 und demnächst werden auch Muster erhältlich sein.

Die bei der RISC-V Foundation gelisteten SoCs sind in der Tabelle zusammengestellt, mit den dazugehörenden Evaluation Kits und deren Verfügbarkeit.

Erfolgsaussichten

Wie bei jedem neu auf den Markt kommenden Produkt gibt es sehr unterschiedliche Aspekte, die über den Erfolg entscheiden. Die Vorhersagen der RISC-V Foundation sind jedenfalls sehr optimistisch: Im Jahr 2020 sollen zahlreiche neue RISC-V-Implementierungen in den unterschiedlichen Bereichen erscheinen und in den nächsten fünf Jahren erwartet die RISC-V Foundation ein erhebliches Wachstum des gesamten RISC-V-Wirtschaftsökosystems. Semico Research prophezeit in einer Marktanalyse [12], dass 2025 im Markt insgesamt 62,4 Milliarden RISC-V-CPU-Cores eingesetzt werden. Der Industriesektor allein soll 16,7 Milliarden RISC-V-SoCs umfassen [13]. Es gibt gute Gründe, sich mit der RISC-V-Thematik insgesamt auseinanderzusetzen.

 

Literatur

[1] Rosenberg, J.: RISC-V: All Hype or Real Hope for the Processor Market? All about circuits, 18.9.2018, https://www.allaboutcircuits.com/industry-articles/risc-v-all-hype-or-real-hope-for-the-processor-market/.

[2] RISC-V – Members at a Glance. RISC-V Foundation, https://riscv.org/members-at-a-glance/.

[3] Patterson, W.; Waterman, A.: The RISC-V Reader: An Open Architecture Atlas. Strawberry Canyon, 2017, ISBN 978-0999249116.

[4] RISC-V Foundation Announces Ratification of the RISC-V Base ISA and Privileged Architecture Specifications. RISC-V Foundation, Blog, 10.7.2019, https://riscv.org/2019/07/risc-v-foundation-announces-ratification-of-the-risc-v-base-isa-and-privileged-architecture-specifications/.

[5] Sauter, M.: Wieso RISC-V sich durchsetzen wird. Golem.de, 12.10.2019, https://www.golem.de/news/offene-prozessor-isa-wieso-risc-v-sich-durchsetzen-wird-1910-141978.html.

[6] Hybrid 3D GPU / CPU / VPU. libreSOC, https://libre-riscv.org/3d_gpu/.

[7] Hassle-Free Chip IP – Introducing a better way to license IP for SoCs. SiFive, https://www.sifive.com/designshare.

[8] Protalinski, E.: Google announces OpenTitan, an open source silicon root of trust project. VentureBeat, 5.11.2019, https://venturebeat.com/2019/11/05/google-announces-opentitan-an-open-source-silicon-root-of-trust-project/.

[9] Fruchterman, J.: Is your open source security software less secure? Opensource.com, 25.5.2015, https://opensource.com/business/15/5/why-open-source-means-stronger-security.

[10] Stelzer, G.: Mikrocontroller – RISC-V für alle. Elektronik 2019, H. 20, S. 8.

[11] Proeger, J. P.: Offener Standard RISC-V – Beschleuniger der 4. industriellen Revolution. Elektronik 2019, H. 23, S. 44–47.

[12] RISC-V Market Analysis: The New Kid on the Block. Semico Research, Study No. CC315-19, November 2019, https://semico.com/content/risc-v-market-analysis-new-kid-block.

[13] Redmond, C.: Bis 2025 werden 62,4 Milliarden RISC-V-CPU-Kerne genutzt. Elektronik 2020, H. 6, S. 13.

 

Der Autor

Dr. Claus Kühnel
Dr. Claus Kühnel
© Bild: Dr. Claus Kühnel

Dr.-Ing. Claus Kühnel

studierte und promovierte an der Technischen Universität Dresden auf den Gebiet der Informationselektronik und bildete sich später in Biomedizintechnik weiter. Von 2004 bis zu seiner Pensionierung war er bei Qiagen Instruments in Hombrechtikon (CH) als Director Electronic Engineering & Embedded Systems für die Entwicklung von Elektronikhardware und hardwarenaher Software verantwortlich. Aktuell arbeitet er als Autor und Consultant.


Lesen Sie mehr zum Thema


Das könnte Sie auch interessieren

Jetzt kostenfreie Newsletter bestellen!

Weitere Artikel zu TRINAMIC Motion Control GmbH & Co. KG

Weitere Artikel zu XILINX GmbH

Weitere Artikel zu INTEL GmbH

Weitere Artikel zu ARM Germany GmbH

Weitere Artikel zu Microchip Technology GmbH

Weitere Artikel zu Mikrocontroller

Weitere Artikel zu Mikroprozessoren

Weitere Artikel zu SBCs / CPU-Boards / CoM / SoM

Weitere Artikel zu IP-Cores