Wie gut sind SPICE-Modelle für OPVs?

Überprüfen der Gleichtaktunterdrückung

21. Januar 2019, 6:00 Uhr | Ian Williams

Haben Sie je hinterfragt, ob das SPICE-Modell des gewählten Operationsverstärkers auch mit den Datenblatt-Spezifikationen übereinstimmt? Im zweiten Teil wird eine Testschaltung gezeigt mit der die Gleichtaktunterdrückung des SPICE-Modells geprüft und mit den Datenblattangaben verglichen werden kann.

Diesen Artikel anhören

Die Gleichtaktunterdrückung (CMRR – Common-Mode Rejection Ratio) eines Operationsverstärkers ist formell als das Verhältnis zwischen seiner Gleichtaktverstärkung und seiner differenziellen Verstärkung definiert. Praktisch ausgedrückt, gibt der CMRR-Wert an, welche zusätzliche Offsetspannung am Eingang des Operationsverstärkers entsteht, wenn sich die Gleichtaktspannung am Eingang ändert.

Bild 7. Die Gleichtaktunterdrückung als Funktion der Frequenz beim OPV OPA2187 von TI.
Bild 7. Die Gleichtaktunterdrückung als Funktion der Frequenz beim OPV OPA2187 von TI.
© Texas Instruments

Eine hohe Gleichtaktunterdrückung ist eindeutig wünschenswert [4], da die zusätzliche Offsetspannung dann geringer wird.

Der CMRR-Wert ist außerdem frequenzabhängig, weshalb die OPV-Datenblätter von Texas Instruments stets eine Kurve enthalten, die Auskunft über die typische Gleichtaktunterdrückung über die Frequenz geben (Bild 7).

Zum Messen der Gleichtaktunterdrückung in der Simulation eignen sich zwei Ansätze [5]:

 

Methode 1 – mit einem modifizierten Differenzverstärker

Bild 8. Die CMRR-Prüfschaltung für die Simulation mit modifiziertem Differenzverstärker.
Bild 8. Die CMRR-Prüfschaltung für die Simulation mit modifiziertem Differenzverstärker wurde für OPVs mit sehr hohem CMRR-Wert entworfen.
© Texas Instruments

Bei der ersten Methode handelt es sich um eine Abwandlung der klassischen Differenzverstärker-Schaltung (Bild 8). Sie wurde entwickelt um den CMRR-Wert des OPA2187 [6] zu prüfen – ein Chopper-Verstärker von TI mit einer Gleichtaktunterdrückung von 140 dB.

Diese Schaltung nutzt die Fähigkeit des SPICE-Simulators zur Isolation von Knoten mit spannungsgesteuerten Spannungsquellen aus. Diese Quellen wurden strategisch am Eingang und am Ausgang des Operationsverstärkers platziert, um das Rückkoppelnetzwerk vom Eingang und von der Ausgangsimpedanz des Operationsverstärkers zu isolieren, sodass sich die Gleichtaktunterdrückung besser extrahieren lässt.

Um ein CMRR-Diagramm aufzuzeichnen, muss lediglich eine AC-Übertragungsfunktion durchlaufen werden, woraufhin nach entsprechender Nachbearbeitung die UGl/Uoff-Kurve entsteht.

Bild 9. Die per Simulation mit der Schaltung aus Bild 8 ermittelte Gleichtaktunterdrückung.
Bild 9. Die per Simulation mit der Schaltung aus Bild 8 ermittelte Gleichtaktunterdrückung stimmt mit dem Verlauf im Datenblatt recht gut überein, erst bei hohen Frequenzen zeigt sich eine Abweichung.
© Texas Instruments

Bild 9 zeigt das Simulationsergebnis zum Vergleich zusammen mit der im Datenblatt des OPA2187 angegeben Kurve.

Mit der Schaltung lässt sich der CMRR-Wert recht gut per Simulation extrahieren, jedoch lässt die Übereinstimmung zwischen Simulation und Datenblatt bei hohen Frequenzen zu wünschen übrig.

Liegt das an der Ungenauigkeit des SPICE-Modells oder stößt die Prüfschaltung an ihre Grenzen? Um das herauszufinden folgt nun die Simulation mit Methode 2.

 

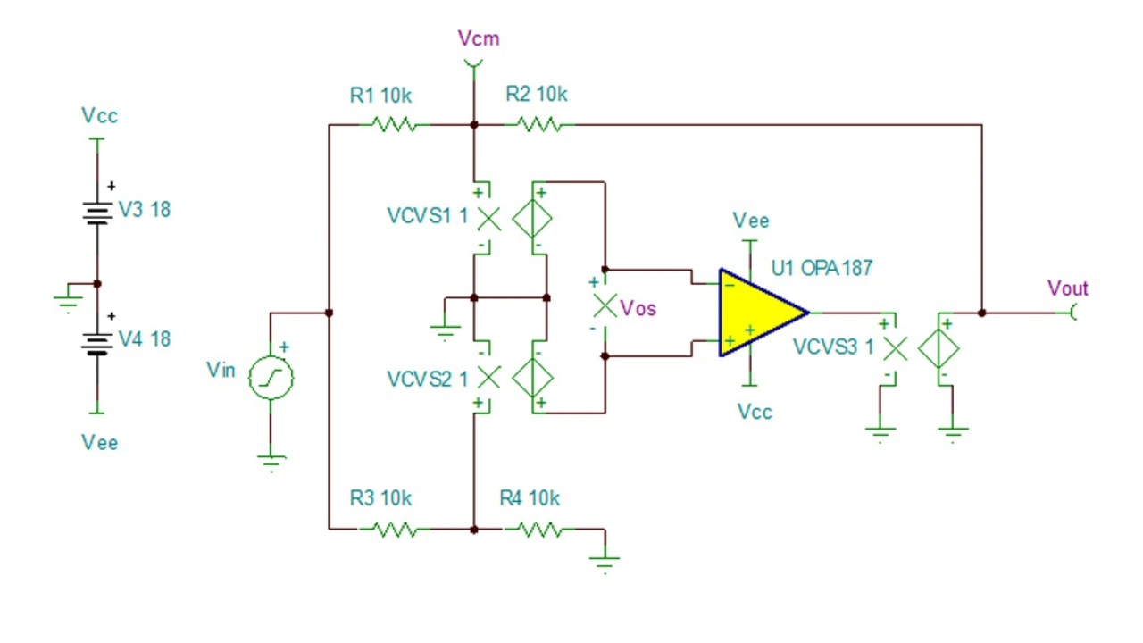
Methode 2 – ohne Gegenkopplung

Bild 10. Schaltung zum Messen der Gleichtaktunterdrückung eines OPVs.
Bild 10. Schaltung zum Messen der Gleichtaktunterdrückung eines OPVs in der Simulation im Leerlauf ohne Gegenkopplung.
© Texas Instruments
Bild 11. Vergleich des Simulationsergebnisses mit dem Datenblatt.
Bild 11. Mit Methode 2 lässt sich die Gleichtaktunterdrückung eines OPVs in der Simulation sehr exakt bestimmen. Das Ergebnis ist nahezu deckungsgleich mit dem Verlauf der Messkurve im Datenblatt des OPA2187.
© Texas Instruments

Die zweite Prüfmethode basiert auf einer Schaltung ohne Gegenkopplung (Bild 10). Extrem große Induktivitäten erzeugen bei Gleichspannung eine Gegenkopplung, lassen aber gleichzeitig eine AC-Analyse ohne Gegenkopplung zu. Dabei werden die Gleichtaktverstärkung und die differenzielle Verstärkung separat mit zwei Instanzen des Operationsverstärkers gemessen.

Zum Aufzeichnen der Gleichtaktunterdrückung wird eine AC-Übertragungsfunktion durchlaufen und mit entsprechender Nachbearbeitung die Kurve für das Verhältnis zwischen den Anschlüssen ADN (differentielle Verstärkung) und ACM (Gleichtaktverstärkung) erstellt.

Bild 11 zeigt das Simulationsergebnis der Methode 2 im Vergleich zum real gemessenen Verlauf, der im Datenblatt des OPA2187 abgebildet ist.

Das Ergebnis der Methode ohne Gegenkopplung stimmt sehr gut mit den Angaben im Datenblatt überein. Diese Übereinstimmung ist der Trennung der Gleichtakt- und der differenziellen Verstärkung des Operationsverstärkers zu verdanken. Wo immer es geht, empfehle ich deshalb dieses Prüfverfahren.

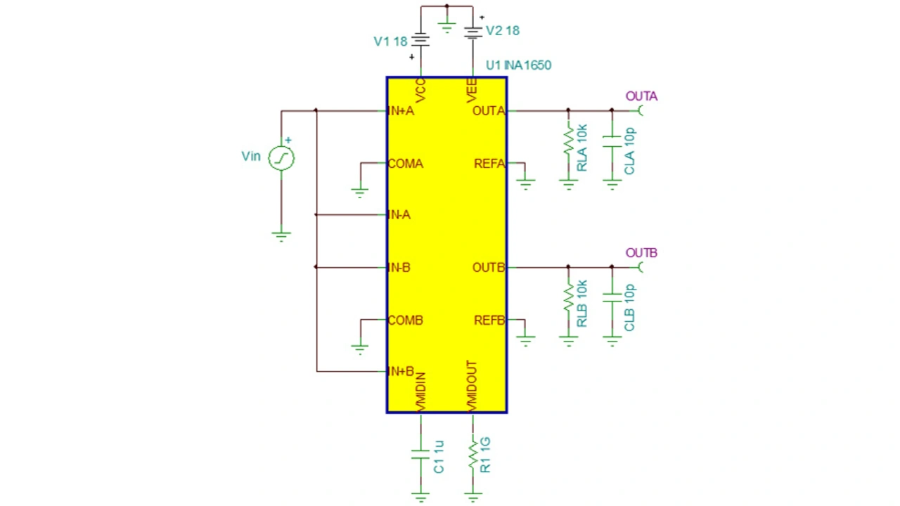
CMRR-Messung am OPV INA1650

An modernen OPVs wie dem INA1650 lässt sich die Messung der Gleichtaktunterdrückung einfach durchführen. Beim INA1650 [7] kann jeder Eingang mit derselben AC-Quelle verbunden werden, um eine AC-Übertragungsfunktion durchlaufen zu lassen. Um den Wert für die Gleichtaktunterdrückung zu erhalten, muss der Ausgang dann nur noch invertiert werden (Bilder 12 und 13).

Bild 12. Schaltung zur Ermittlung der Gleichtaktunterdrückung des INA1650.
Bild 12. Zur Ermittlung der Gleichtaktunterdrückung des INA1650 werden für die Simulation alle Eingänge mit der AC-Signalquelle verbunden.
© Texas Instruments
Bild 13. Das Ergebnis der CMRR-Prüfung.
Bild 13. Das Ergebnis der CMRR-Prüfung: Die per Simulation ermittelte Gleichtaktunterdrückung des INA1650 stimmt gut mit den echten Messwertergebnissen des Datenblattes überein.
© Texas Instruments

 

Literatur

[4] Wells, C.: CMRR. Texas Instruments, TI Precision Labs – Op Amps, TIPL 1231, video, 15. Dezember 2015, https://training.ti.com/ti-precision-labs-op-amps-common-mode-rejection?cu=14685.

[5] Leon, E.; Barthel, R. und Alani, T.: Zero-drift Amplifiers: Features and Benefits. Texas Instruments, TI Tech Note, August 2018, www.ti.com/lit/an/sboa182b/sboa182b.pdf.

[6] OPAx187 0.005-μV/°C Drift, LowPower, Rail-to-Rail Output 36-V Operational Amplifiers Zero-Drift Series. Texas Instruments, Datenblatt, Juli 2017, www.ti.com/lit/ds/symlink/opa2187.pdf.

[7] INA165x SoundPlusTMHigh Common-Mode Rejection Line Receivers. Texas Instruments, Datenblatt, September 2018, www.ti.com/lit/ds/symlink/ina1650.pdf.

[8] Zhou, Y. und Kay, A.: Offset Correction Methods: Laser Trim, e-Trim, and Chopper.  Texas Instruments, TI TechNotes, Juni 2017, www.ti.com/lit/an/sbot037/sbot037.pdf.

 

Der Autor

Ian Williams, B. Sc., Applikationsingenieur bei TI
Ian Williams, B. Sc., Applikationsingenieur bei TI, entwickelt SPICE-Modelle für Präzisionsverstärker.
© Texas Instruments

Ian Williams, B. Sc.

ist Applikationsingenieur und SPICE-Modellentwickler für Präzisionsverstärker bei Texas Instruments in Tucson, Arizona, USA. Er erhielt seinen Bachelor in Elektrotechnik von der Universität von Texas in Dallas.

asktexas@ti.com


Lesen Sie mehr zum Thema


Das könnte Sie auch interessieren

Jetzt kostenfreie Newsletter bestellen!

Weitere Artikel zu Texas Instruments

Weitere Artikel zu Texas Instruments Deutschland GmbH

Weitere Artikel zu Analoge Bauelemente sonstige

Weitere Artikel zu EDA (Halbleiterentwicklung)