Analoge Signalverarbeitung im μC

MSP430 mit programmierbaren Analogschaltungen

18. September 2018, 10:30 Uhr | Harry Schubert
Diesen Artikel anhören

Fortsetzung des Artikels von Teil 3

SAC-Module mit anderen Funktionen kombinieren

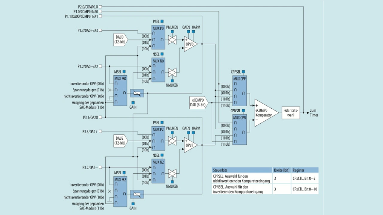
Schaltplan von zwei kombinierten Analog-Combo-Modulen des MSP430FR2355.
Bild 7. Im MSP430FR2355 sind auch Verbindungen der SAC-Module zum integrierten Komparator (eCOMP) und ADU vorhanden, die der Entwickler nutzen kann.
© Texas Instruments

Abgesehen von den Verbindungen zwischen zwei SAC-Modulen erlauben es die Mikrocontroller der MSP430-Familie, auch per Software die SAC-Module mit weiteren Peripheriefunktionen des Mikrocontrollers zu verbinden. Beispielsweise sind die gemeinsam genutzte interne Referenzspannung und der Timerausgang mit den DAUs der SAC-Module verbunden. So kann die interne Referenzspannung als Spannungsreferenz für den DAU dienen und der Timer kann ein Triggersignal erzeugen, das den DAU zum Laden von Daten veranlasst. Neben der Referenzspannung und dem Timer ist ein SAC-Modul jedoch noch mit weiteren Peripheriefunktionen des Mikrocontrollers verbunden, beispielsweise dem Transimpedanzverstärker (TIA), dem erweiterten Komparator (eCOMP) oder dem ADU.

Die internen Peripherieverbindungen sind Mikrocontroller-spezifisch. Im Bild 7 sind am Beispiel des MSP430FR2355 die internen Verbindungen von SAC0, SAC2 und eCOMP0 dargestellt. Der Ausgang des Moduls SAC0 und der Ausgang des Moduls SAC2 können über Multiplexer mit den beiden Eingangskanälen des Komparators (eCOMP0) verbunden werden. Diese Schaltung hat gewisse Vorteile, die für die Signalaufbereitung genutzt werden können. Mit der Schaltung können die Ausgänge der beiden Verstärker (SAC0 und SAC2) verglichen werden, und das analoge Ausgangssignal kann in einen Logikpegel übersetzt werden, um einen digitalen Ausgang anzusteuern.

Der Ausgang des Moduls SAC0 ist außerdem an Kanal 1 des ADU angeschlossen. Die Module SAC1 und SAC3 haben Verbindungen zum Komparator eCOMP1 und dem ADU, die den Verbindungen von SAC0 und SAC2 ähneln. Mit diesen Verbindungen im MSP430FR2355 lässt sich eine vollständige analoge Signalverarbeitung implementieren, ohne dass externe Bauteile oder Verbindungen nach außen benötigt werden.

SAC-Module in einem Rauchmelder

Analoger Schaltungsteil eines Rauchmelders, realisiert per Analog-Combo-Modul im MSP430.
Bild 8. Mit zwei SAC-Modulen lässt sich die analoge Signal­verarbeitung eines Rauchmelders ohne externe Beschaltung realisieren.
© Texas Instruments

Der Einsatz der SAC-Module in einer Rauchmelderschaltung ist in Bild 8 schematisch dargestellt. Das SAC-Modul in der ersten Stufe ist als Transimpedanzverstärker konfiguriert (TIA-Modus), das zweite SAC-Modul arbeitet dagegen in der Betriebsart eines nichtinvertierenden programmierbaren Verstärkers. Der DAU im ersten SAC-Modul erzeugt die Vorspannung für den OPV, damit es zu keiner Begrenzung des Signals am Ausgang kommt.

Der Ausgangsstrom des Infrarot-Empfängers wird dem Transimpedanzverstärker (erstes SAC-Modul) zugeführt, das aus dem Strom eine analoge Spannung erzeugt. Diese Spannung wird von dem nichtinvertierenden programmierbaren Verstärker (zweites SAC-Modul) verstärkt und anschließend vom internen ADU des MSP430 in digitale Messwerte umgesetzt.

Dank des niedrigen Leckstoms der SAC-Module im Pikoamperebereich eignen sich die SAC-Module für eine genaue Strommessung. Um Stromstärken von einigen Pikoampere detektieren zu können, muss der Gegenkopplungswiderstand R1 (Bild 8) einen Wert von einigen Megaohm haben. Die gesamte analoge Signalverarbeitung für einen Rauchmelder lässt sich mit den internen Verbindungen zwischen zwei SAC-Modulen relativ einfach realisieren. Und um die Stromaufnahme in einer Rauchmelder-Applikation zu minimieren, lassen sich die SAC-Module deak­tivieren sobald die IR-Detektion ab­geschlossen ist. Im abgeschalteten Zustand nehmen die SAC-Module keinen Strom auf.

Zur Steigerung der Messgenauigkeit und zur Vermeidung von Fehlalarmen enthalten einige Rauchmelder zwei IR-Sender, die auf zwei verschiedenen Wellenlängen senden. Der Mikrocon­troller MSP430FR2355 eignet sich für Rauchmelder dieser Art, denn er enthält vier SAC-Module, sodass mit ihm auch zwei Kanäle für die analoge Signalaufbereitung realisiert werden können. Rauchmelder sind jedoch nur eine von vielen Anwendungen, die mit IR-Detektion arbeiten. Weitere Hinweise und Tipps zum Betrieb der SAC-Module in IR-Detektoren sind in [2] zu finden.

SAC-Modul als 4-20-mA-Schnittstelle

Schaltplan für eine 4-20-ma-Schnittstelle, realisiert per Analog-Combo-Modul des MSP430.
Bild 9. Ebenfalls zwei SAC-Module genügen, um eine klassische 4-20-mA-Stromschnittstelle mit wenigen externen Bauteilen zu realisieren.
© Texas Instruments

Die 4-20-mA-Stromschnittstelle wird in in der Automatisierungstechnik zur Übertragung von Informationen über große Distanzen genutzt, beispielsweise von einem Messwertgeber an eine speicherprogrammierbare Steuerung.

Mit den SAC-Modulen können Stromschleifenschnittstellen im Mikrocon­troller, mit wenigen externen Bauteilen realisiert werden (Bild 9). Das SAC-Modul in der ersten Stufe wird für den Betrieb als DAU konfiguriert und arbeitet als Signalgenerator. Das zweite SAC-Modul arbeitet in der allgemeinen Betriebsart als OPV. Sein Ausgang steuert einen externen Transistor an. Der Ausgang des ersten SAC-Moduls wird an den nichtinvertierenden Eingang des OPV im zweiten SAC-Modul geführt. Das zweite SAC-Modul steuert über seine Ausgangsspannung den Transistor an, der den Ausgangsstrom steuert.

Die Höhe der Ausgangsstromstärke wird durch die Ausgangsspannung des DAU und die Widerstandswerte bestimmt. Eine komplette Sensor-Stromschnittstelle auf Basis des MSP430FR2355 ist in [3] beschrieben.

Nach Unterlagen von Texas Instruments

 

Literatur

[1] MSP430FR4xx and MSP430FR2xx Family. Texas Instruments, User‘s Guide, Mai 2018, http://www.ti.com/lit/ug/slau445h/slau445h.pdf

[2] MSP430FR2311 IR Reflection-Sensing Subsystem Design Guide. Texas Instruments, TI Designs, August 2016, http://www.ti.com/lit/ug/tidube6/tidube6.pdf

[3] 4- to 20-mA Loop-Powered RTD Temperature Transmitter Reference Design With MSP430 Smart Analog Combo. Texas Instruments, TI Designs, Mai 2018, http://www.ti.com/lit/ug/tidue64/tidue64.pdf

[4] MSP430FR235x, MSP430FR215x Mixed-Signal Microcontrollers. Texas Instruments, Datenblatt, Juli 2018, http://www.ti.com/lit/ds/slasec4b/slasec4b.pdf

[5] Single Supply OpAmp Design Techniques. Texas Instruments, Application Report, März 2001, http://www.ti.com/lit/an/sloa030a/sloa030a.pdf


  1. MSP430 mit programmierbaren Analogschaltungen
  2. Einfache Programmierung per SAC-Treiberbibliothek
  3. Betrieb als Digital-Analog-Umsetzer
  4. SAC-Module mit anderen Funktionen kombinieren

Lesen Sie mehr zum Thema


Das könnte Sie auch interessieren

Jetzt kostenfreie Newsletter bestellen!

Weitere Artikel zu Texas Instruments

Weitere Artikel zu Texas Instruments Deutschland GmbH

Weitere Artikel zu Mikrocontroller

Weitere Artikel zu Analoge Bauelemente sonstige