Advertorial: MEV Elektronik Service

BLDC-Motor-IC mit HFI für beeindruckendes Drehmoment

14. Januar 2026, 9:00 Uhr | Guido Gandolfo
© MEV Elektronik Service

MEV präsentiert den BLDC-Controller-IC FU6866 von Fortior Technology. Er integriert modernste Hochfrequenzeinspeisung (HFI), um auch bei niedrigen Drehzahlen ein hohes Drehmoment zu gewährleisten und setzt damit neue Maßstäbe in der Motorsteuerung.

Diesen Artikel anhören

HFI (High Frequency Injection)

Die HFI-Technologie ermöglicht die präzise Bestimmung der Rotorposition mithilfe von Hochfrequenzsignalen, selbst bei sehr geringer oder keiner Bewegung. Das bedeutet:

  • Höheres Drehmoment bei niedriger Drehzahl – ideal für Anwendungen, bei denen der Motor aus dem Stillstand unter Last betrieben wird.
  • Zuverlässiger sensorloser Anlauf bei hohen Lasten.
  • Robuste sensorlose Regelung, auch wenn konventionelle Methoden (z. B. Gegen-EMK) keine ausreichende Signalauswertung bieten.
  • Stabile Regelung und sanfter Übergang zwischen Stillstand und Bewegung.
  • Reduzierter Sensorhardwarebedarf – da die Rotorposition direkt durch die Hochfrequenzeinspeisung ermittelt werden kann.

Dank dieser Funktion eignet sich der FU6866 besonders für drehmomentkritische Anwendungen beim Anfahren, für Systeme mit häufigem Wechsel zwischen Stillstand und Bewegung sowie für kompakte Motorsteuerungslösungen, bei denen zusätzliche Sensoren unpraktisch sind.
 

Technische Highlights & Merkmale

  • Dual-Core-Architektur: Kombination aus einem Motorkern (ME-Kern) für Echtzeitsteuerung und einem MCU-Kern für Anwendungs- und Systemsteuerung
  • Integrierter 180 V Gatetreiber: Direkte Ansteuerung externer N-Kanal-MOSFETs
  • Unterstützte Regelungsmethoden: FOC (Feldorientierte Regelung), Trapez- und Sinus-PWM, mit und ohne Sensoren
  • Analoge und digitale Peripherie: 12-Bit-ADCs, PGAs, Komparatoren, DACs, Timer, PWM-Generatoren
  • Kommunikationsschnittstellen: SPI, I²C, UART, LIN, CAN
  • Flash-Speicher: 32 KB mit CRC-Integritätsprüfung
  • AEC-Q100 Grade 1 zertifiziert: Geeignet für Automotive-Anwendungen
  • Versorgung: 6,5 – 18 V, interner LDO + bis zu 180 V für Treiber
  • Gehäuse: QFN-56 (7 × 7 mm)
Fortior MUCME Gatedriver MEV
© MEV Elektronik Service

 

Die Kombination aus fortschrittlicher Steuerungstechnologie, HFI-Fähigkeit und hoher Integration macht den FU6866 zu einer leistungsstarken Alternative zu herkömmlichen Motorsteuerungslösungen.

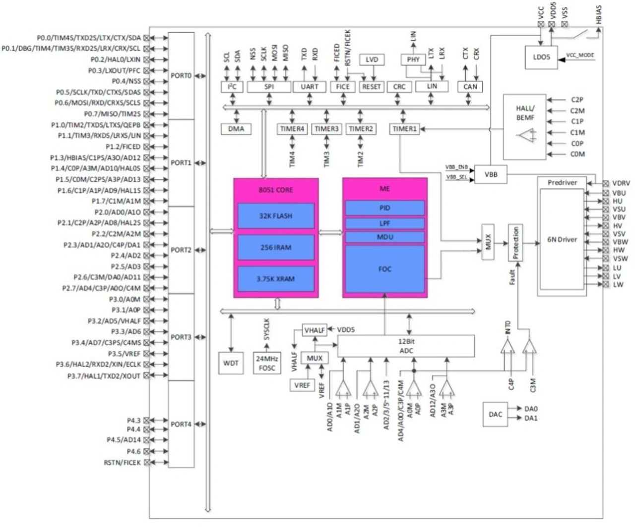
Grafik FU6866 Blockdiagramm
© MEV Elektronik Service

FU6866 Blockdiagramm

 

Bedeutung für die MEV und ihre Kunden

Mit der Erweiterung des Fortior-Portfolios um den FU6866 stärkt MEV Elektronik ihre Position als Komplettanbieter für moderne Motorsteuerungslösungen. Kunden profitieren von:

  • Innovative Technologie aus einer Hand – von der Konstruktionsunterstützung bis zur Lieferung
  • Zugriff auf die neuesten Motorsteuerungs-ICs, insbesondere für anspruchsvolle, drehmomentkritische Anwendungen
  • Technische Beratung und Anwendungsunterstützung durch die erfahrenen Ingenieure von MEV

“Der Fortior FU6866 eröffnet neue Möglichkeiten für die Steuerung von BLDC-Motoren“, erklärt Guido Gandolfo, Product Line Manager bei MEV. “Dank HFI kann die Rotorposition auch bei extrem niedrigen Drehzahlen gemessen werden – ohne zusätzliche Sensoren. Das bedeutet höhere Effizienz, kompaktere Bauweise und Kosteneinsparungen.“

Verfügbarkeit & Ausblick

Der Fortior FU6866 ist ab sofort erhältlich. MEV bietet Muster, Design-Kits und umfassenden Support für erste Tests und die Integration an. Mit dieser Erweiterung unterstreicht MEV ihren Anspruch, konsequent Spitzentechnologien in sein Portfolio zu integrieren und Kundenlösungen mit echten Wettbewerbsvorteilen zu ermöglichen.

Über Fortior Technology

Fortior Technology (Shenzhen) Co., Ltd. ist ein führender Anbieter von integrierten Schaltungen und Systemlösungen für Motorsteuerung, Antriebstechnik und Leistungselektronik. Das Unternehmen entwickelt und fertigt hochwertige Motorsteuerungs-ICs, Gate-Treiber, digitale Signalcontroller und ASICs für Anwendungen in Industrie, Automatisierung, Haushaltsgeräten, Elektrowerkzeugen und der Automobilindustrie.

Mit Fokus auf Effizienz, Präzision und Integration bietet Fortior maßgeschneiderte Lösungen für BLDC-, PMSM-, Servo- und Schrittmotoranwendungen. Die Produkte zeichnen sich durch hohe Zuverlässigkeit, robuste Schutzmechanismen und herausragende Steuerungsleistung aus und werden von führenden OEMs weltweit eingesetzt.

Downloads & Links

FU6866 Q datasheet (PDF)

FU6866 Q1 datasheet (PDF)

FU6866 Produkt-Seite

Kontakt

Wenn Sie mehr über den FU6866 von Fortior wissen möchten, kontaktieren Sie bitte:

Guido Gandolfo
Product Line Manager
Motion Control
+49 5424 2340-57
ggandolfo@mev-elektronik.com


Lesen Sie mehr zum Thema


Jetzt kostenfreie Newsletter bestellen!

Weitere Artikel zu MEV Elektronik Service GmbH

Weitere Artikel zu Mikrocontroller

Weitere Artikel zu Mikrocontroller-Module

Weitere Artikel zu Antriebskomponenten

Weitere Artikel zu Motion Control