Icergi / Multilevel-Wandler

Totem-Pole-PFC mit billigen Silizium-MOSFETs

5. Mai 2020, 8:00 Uhr | Nach Unterlagen von Icergi
Bild 1: Schaltbild einer PFC-Stufe, die mit einem Hochsetzsteller realisiert wurde. Das ist die heutige Standardlösung.
© ArtTower / Pixabay

Der Brückengleichrichter am Eingang von Netzteilen ist vielen Entwicklern ein Dorn im Auge, denn er verursacht unverhältnismäßig hohe Verluste. Als Ausweg bieten sich Totem-Pole-PFC-Schaltungen an – leider mit sehr teuren Wide-Bandgap-Halbleitern. Geht das auch mit kostengünstigen Silizium-MOSFETs?

Diesen Artikel anhören

Ein grundlegender Baustein in allen Netzteilen ab 75 W ist die Leistungsfaktorkorrektur (Power Factor Correction, PFC), denn die IEC 61000-3-2 fordert einen Leistungsfaktor – also der Quotient aus Wirk- und Scheinleistung – von über 0,9. Eine solche Schaltung lässt sich mit unterschiedlichen Architekturen und Topologien implementieren, der gebräuchlichste Ansatz aber nutzt einen Hochsetzsteller (Boost Converter; Bild 1). Dieser wandelt die eingangsseitige Wechselspannung – üblicherweise 90 V bis 264 V bei Netzfrequenzen von 47 Hz bis 63 Hz – in eine nominale Gleichspannung von 400 V.

Dieser Ansatz ist vergleichsweise unkompliziert, und da der Hochsetzsteller eine nahezu konstante Spannung liefert, erzielen nachfolgende Stufen einen hohen Wirkungsgrad. Auch hat der Arbeitsbereich von 400 V dazu geführt, dass Elektrolytkondensatoren mit einer Nennspannung von 400 V bis 450 V leicht verfügbar sind. Ihre Energiedichte ist wesentlich höher als bei Bauteilen zum Beispiel bei Spannungen von 100 V oder darunter.

Anbieter zum Thema

zu Matchmaker+
Icergi, PFC
Bild 1: Schaltbild einer PFC-Stufe, die mit einem Hochsetzsteller realisiert wurde. Das ist die heutige Standardlösung.
© Icergi

Solche PFC-Stufen erreichen einen maximalen Wirkungsgrad, einschließlich des vorgeschalteten EMV-Filters und der Gleichrichtung, von etwa 94 Prozent und 97 Prozent. Aber stets besteht natürlich der Wunsch, den Wirkungsgrad weiter nach oben zu schrauben. Dem steht jedoch folgende Tatsache im Weg: Der Strom muss immer durch zwei pn-Dioden im Brückengleichrichter fließen. Durch die Vorwärtsspannung der Dioden sinkt der Wirkungsgrad bei niedriger Netzspannung mit jedem pn-Übergang um etwa 0,8 Prozentpunkte – in der Summe also 1,6 Prozentpunkte.

Icergi, PFC, Totem Pole
Bild 2: Schaltbild einer PFC-Stufe in einer Totem-Pole-Implementierung. Als Boost-Switches kommen meist GaN-Transistoren zum Einsatz.
© Icergi

Als Ausweg bieten sich Totem-Pole-PFC-Schaltungen an (Bild 2). Dort leiten immer nur zwei Halbleiterbauelemente den Strom, die als aktive Schalter zudem niedrigere Verluste haben als pn-Dioden. Da es angesichts des breiten Spektrums von Betriebsbedingungen schwierig ist, weich zu schalten, schalten PFC-Stufen üblicherweise hart, also wenn Strom und Spannung am Halbleiter nicht null sind. Aus diesem Grund scheiden kostengünstige siliziumbasierte Superjunction-MOSFETs wegen ihrer großen Rückwärtserholladung Qrr und ihrem daraus folgenden verhältnismäßig langsamem Umschalten von vornherein aus.

Die geringen parasitären Kapazitäten von Wide-Bandgap-Halbleitern – also Galliumnitrid (GaN) und Siliziumkarbid (SiC) – helfen hier, die Verluste beim harten Schalten zu begrenzen. Daher gibt es bereits erste kommerziell verfügbare Netzteile mit einer GaN-basierten Totem-Pole-PFC. Dem stehen jedoch die niedrige Zahl an Anbietern solcher Komponenten, die signifikant höheren Bauteilkosten, die hohen du/dt und di/dt sowie die noch nicht nachgewiesene Robustheit von GaN- und SiC-Transistoren im Feld gegenüber.

Damit steht die Frage im Raum: Lässt sich eine Totem-Pole-PFC auch mit kostengünstigen Silizium-MOSFETs realisieren?

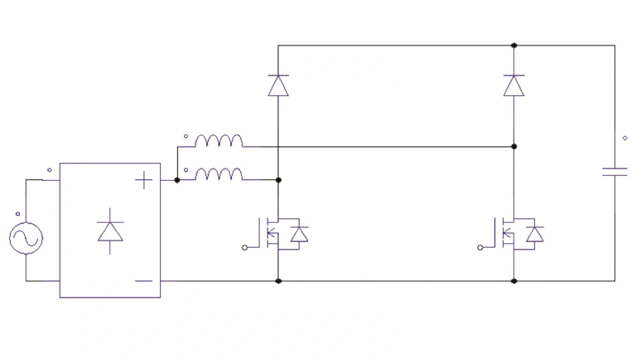
    Icergi, PFC, Totem Pole, Multilevel
    Bild 3: Schaltbild einer Totem-Pole-PFC-Stufe in einer Multilevel-Implementierung. Als Boost-Switches eignen sich hier kostengünstige Mittelspannungs-MOSFETs.
    © Icergi

    Multilevel-Wandler

    Sind hohe Spannungen und Leistungen zu schalten, kommen schon seit einiger Zeit sogenannte Multilevel-Wandler zum Einsatz. Solche Topologien haben sich mit Siliziumtransistoren in der Praxis bereits bewährt. Bild 3 zeigt, wie sich damit eine Totem-Pole-PFC-Stufe und sich implementieren lässt. Multilevel-Topologien bieten einige zusätzliche attraktive Merkmale:

    • Jede Schaltzelle schaltet bei einer niedrigen Frequenz, wobei die effektive Frequenz nach außen ein Vielfaches der Schaltfrequenz der einzelnen Zelle ist.
    • Jede Schaltzelle schaltet eine relativ niedrige Spannung. Zusammen mit der gerade genannten niedrigen Schaltfrequenz kann dies zu einem sehr effizienten Betrieb mit geringen Schaltverlusten führen.
    • Die inhärent niedrigeren Werte für du/dt und di/dt können die elektromagnetische Abstrahlung begrenzen helfen.
    • Die Topologie arbeitet mit Phasenauslöschung. Das bedeutet, dass die Spannung an der PFC-Induktivität für eine kürzere Zeit reduziert wird. Da die Größe der Spule in der Regel eine Funktion des magnetischen Flusses ist, besteht die Möglichkeit, dieses zentrale Bauteil im Vergleich zum traditionell großen und sperrigen Bauelement klein und handlich zu gestalten.

    Außerdem nutzen Multilevel-Wandler Silizium-MOSFETs mit mittleren Sperrspannungen, also keine hochsperrenden Superjunction-MOSFETs. Dadurch lässt sich eine universelle PFC-Stufe mit einer nominalen Ausgangsspannung von etwa 400 V beispielsweise mit zwei 300-V-, drei 200-V-, vier 150-V- oder sechs 100-V-Typen realisieren. Solche Transistoren sind bei zahlreichen Anbietern erhältlich. Auch sind die meisten Kenndaten solcher MOSFETs wesentlich günstiger als die ihrer Vettern mit hoher Sperrspannung von 600 V. Speziell die Rückwärtserholladung ist viel geringer, die Abschaltverluste sind niedrig, und man kann die Vorteile fertigungsfreundlicher und oberflächenmontierbarer Standardgehäuse nutzen.

    Auch die reinen Bauteilkosten für die Leistungselektronik liegen in der Regel deutlich unter denen von Superjunction-MOSFETs, selbst wenn jene für den Einsatz in einer Totem-Pole-Konfiguration infrage kämen. Vier MOSFETs mit 150 V Nennspannung und einem Einschaltwiderstand RDS(on) von 15 mΩ sind normalerweise kostengünstiger als ein 600-V-MOSFET mit 60 mΩ – ganz zu schweigen von den Preisen, die für qualitativ hochwertige GaN- oder SiC-Bauelemente aufgerufen werden. Wie bereits erwähnt, ist die PFC-Spule in der Regel kleiner und damit kostengünstiger. Allein zu zusätzlichen Kosten für den »Flying Capacitor« sowie für die komplexere Regelung und Ansteuerung kommen hinzu. Welche Ergebnisse zeitigen diese Topologie?

    Bei dem einen konkreten Anwendungsbeispiel handelt es sich zum einen um ein industrielles oder medizinisches 700-W-Netzteil mit Inrush-Management auf Thyristorbasis (Bild 4) und zum anderen um ein Server-Netzteil mit 3 kW (Bild 5). Beide Implementierungen nutzen 3-Level-Lösungen mit ähnlicher Steuerungshardware und skalierbarer Leistungselektronik. Da 300-V-Transistoren kaum nachgefragt werden und daher kaum mit attraktiven Eigenschaften zu bekommen sind, nutzen die Entwickler dafür ein kombiniertes Bauelement aus zwei in Serie geschalteten, handelsüblichen 150-V-Bauteilen.

    Icergi, PFC, Totem Pole, Multilevel
    Bild 4: Wirkungsgrad einer Totem-Pole-PFC-Stufe eines 700-W-Netzteils in einer Multilevel-Implementierung.
    © Icergi
    Icergi, PFC, Totem Pole, Multilevel
    Bild 5: Wirkungsgrad einer Totem-Pole-PFC-Stufe eines 3-kW-Servernetzteils in einer Multilevel-Implementierung.
    © Icergi

     

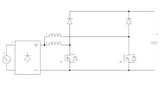
    Multilevel- vs. Interleaved-Ansatz

    Wie schneidet der Multilevel-Ansatz gegenüber dem heute ebenfalls weit verbreiteten Interleaved-Ansatz ab? Bei einem zweiphasigen Interleaving (Bild 6) benötigt das Design zwei induktive Komponenten, von denen jedes den vollen magnetischen Fluss aufnehmen muss. Beim Multilevel-Ansatz dagegen hebt sich der magnetische Fluss vor der PFC-Spule effektiv auf, sodass das induktive Bauelement wesentlich kleiner ausfallen kann. Zudem erfolgt das Schalten beim Interleaved-Ansatz bei voller Frequenz und voller Spannung. Dies ist mit wesentlich größeren Verlusten verbunden als beim Multilevel-Ansatz, da die Schaltfrequenz und Spannung in der Zelle dort kleiner ist. Zudem erfordert der Interleaved-Ansatz je Phase eine Diode mit niedriger Sperrverzögerungsladung Qrr – ebenfalls Teil der Kostenrechnung. Und dieser Ansatz benötigt eine zusätzliche Diode im Leitungspfad, was die Verluste erhöht.

    Icergi, PFC, Totem Pole
    Bild 6: Schaltbild einer Interleaved-PFC-Stufe. Sie hat den Nachteil, dass sie mindestens eine Induktivität pro Phase benötigt.
    © Icergi

    Es ist daher zu erwarten, dass eine Multilevel-Lösung gegenüber einem Interleaved-Design kostengleich oder sogar kostengünstiger ausfallen kann – ganz zu schweigen von der Verlustleistung. Diese halbieren sich im Vergleich zur Interleaved-Lösung, wenn der Wirkungsgrad der Stufe bei niedriger Netzspannung typischerweise von 95 Prozent auf 97,5 Prozent steigt.

    Icergi hat es sich zur Aufgabe gemacht, Multilevel-Lösungen für den Einsatz in volumenstarken Netzteilanwendungen praxisgerecht und kosteneffizient zu gestalten. Dazu stellt das Unternehmen fertige Lösungen etwa in Form einer 35 mm × 26 mm großen Aufsteckplatine zur Verfügung (Bild 7). Diese umfasst einen kostengünstigen Mikrocontroller vom Typ STM32F0 vom STMicroelectronics mit Arm Cortex-M0 sowie integrierte Regelungs- und Treiberelemente, um die Leistungs-MOSFETs direkt anzusteuern.

    Icergi, PFC, Totem Pole, Multilevel
    Bild 7: Icergi integriert die komplette Ansteuerung einer 4-plus-4-Konfiguration auf einer 35 mm × 26 mm großen Aufsteckplatine.
    © Icergi

    Wahlweise bietet Icergi auch einen Bausatz für die Benutzer-Implementierung, zusammen mit Musterplatinen und Gerber-Layout-Details. Der Bausatz umfasst den Controller-Chip zusammen mit acht Treiber-Chips, einen für jeden MOSFET in einer 4-plus-4-Konfiguration.

    Der Preis der Bauelemente ist laut Icergi so bemessen, dass ein hoher Wirkungsgrad unter Verwendung von Multi-Level-Silizium wesentlich kostengünstiger ist als die Verwendung von Wide-Bandgap-Ansätzen.

    Da sich mit diesen Bausätzen Halbbrücken aufbauen lassen, sind damit fast alle möglichen Wandlertopologien realisierbar. Darauf geht [1] genauer ein.

    REFERENZEN

    [1] White Paper WP-002, Software-Defined Power Conversion, Icergi


    Lesen Sie mehr zum Thema


    Das könnte Sie auch interessieren

    Jetzt kostenfreie Newsletter bestellen!

    Weitere Artikel zu elektroniknet

    Weitere Artikel zu Energieerzeugung

    Weitere Artikel zu Energietechnik

    Weitere Artikel zu Powermanagement-ICs

    Weitere Artikel zu Leistungshalbleiter-ICs