Höhere Wirkungsgrade für Netzteile

PFC-Stufe ohne PFC-Drossel

27. September 2022, 9:00 Uhr | Ralf Higgelke
© Pulsiv

Üblicherweise kommt in der PFC-Stufe von Netzteilen ein Hochsetzsteller zum Einsatz. Mit Osmium hat Pulsiv eine Technik vorgestellt, die ohne die dort eingesetzte, verlustbehaftete PFC-Drossel auskommt und nur einen kleinen Zwischenkreiskondensator benötigt.

Diesen Artikel anhören

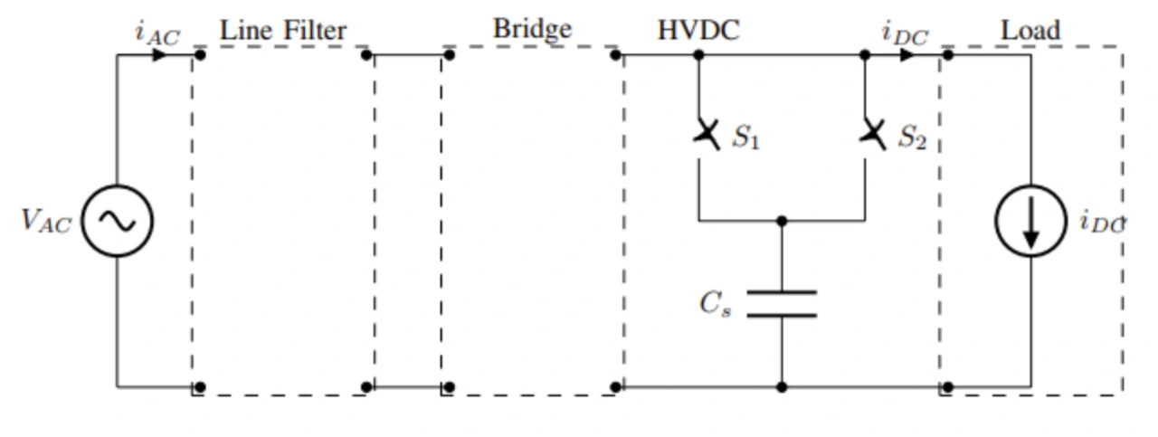
Pulsiv, ein im englischen Cambridge ansässiges Start-up, hat Osmium offiziell vorgestellt, eine neuartige Front-End-Lösung für Netzteile. Diese nutzt ein proprietäres Verfahren, bei der ein kleiner Speicherkondensator geladen und entladen wird – ohne eine PFC-Drossel zu benötigen (Bild 1). Diese Lösung bietet laut Hersteller einen ausreichend hohen Leistungsfaktor und einen durchgängig hohen Wirkungsgrad.

Anbieter zum Thema

zu Matchmaker+
Pulsiv, Osmium
Bild 1: Blockschaltbild von Osmium, der Front-End-Lösung für Netzteile von Pulsiv.
© Pulsiv

Die Mikrocontroller der Osmium-Familie und die unterstützenden Komponenten können mit handelsüblichen Sperrwandlern kombiniert werden, um kostspieligere LLC-Lösungen zu ersetzen. Pulsiv hat ein 150-W-Netzteil (Sperrwandler) mit Universaleingang entwickelt, das einen durchschnittlichen Wirkungsgrad von 97,5 Prozent (max. 99,5 Prozent) hat und selbst bei 2 W noch einen Wirkungsgrad von 90 Prozent beibehält (Bild 2).

Pulsiv, Osmium
Bild 2: Wirkungsgradkurve für ein 150-W-Netzteil mit Osmium. Selbst bei niedrigen Lasten bleibt der Wirkungsgrad hoch.
© Pulsiv

Einen verschachtelten Sperrwandler (Interleaved Flyback) für 240 W entwickelt das Unternehmen derzeit und es arbeitet daran, Referenzdesigns mit noch höherer Leistung einzuführen. Das Entwicklungssystem PSV-AD-250-DS eignet sich dafür, die Technologie zu evaluieren, und durch Anbindung eines geeigneten DC-DC-Wandlers kann ein vollständiger Netzteil-Prototyp erstellt werden. Vollständige Referenzdesigns werden über die Unternehmens-Webseite frei zugänglich gemacht.

Die Mikrocontroller PSV-AD-150 und PSV-AD-250, die derzeit bemustert werden, geben die Ausgangsleistung nicht direkt vor und eignen sich als Plattform für jede Anwendung zwischen 1W und 10kW. Lediglich drei Systemkomponenten sind anzupassen und ein geeigneter galvanisch isolierter DC-DC-Wandler ist der Front-End-Stufe hinzuzufügen.

PFC-Stufe ohne PFC-Drossel

Pulsiv, Osmium
© Pulsiv
Pulsiv, Osmium
© Pulsiv
Pulsiv, Osmium
© Pulsiv

Alle Bilder anzeigen (7)

Kritische Komponenten arbeiten bei niedrigen Temperaturen, um ihre Betriebslebensdauer zu verlängern, selbst bei Konvektionskühlung. Da die Pulsiv-Technologie den Netzstrom in den Ladekondensator regelt, vermeidet sie den Einschaltstromstoß (Inrush Current), weswegen Hersteller von industriellen Stromversorgungen und LED-Beleuchtungen ihre Designs vereinfachen und die Kosten für die Systeminstallation senken können.

Außerdem unterstützt die Osmium aktive Brückengleichrichter, die Überbrückungszeit (Hold Up Time) lässt sich konfigurieren, die X-Kondensatoren lassen sich aktiv entladen, die Zwischenkreisspannung auswählen, die Stromaufnahme anzeigen und Netzfehler erkennen. Diese optionalen Funktionen können je nach Bedarf ausgewählt werden, um die Anforderungen verschiedener Endanwendungen zu erfüllen.

»Mit Osmium bietet Pulsiv eine innovative Möglichkeit, den Energiebedarf von Netzteilen und Batterieladegeräten unter allen Betriebsbedingungen zu senken«, erklärte Darrel Kingham, CEO von Pulsiv. »Durch die gleichbleibend hohe Effizienz ohne Kompromisse bei den Systemkosten wird nachhaltiges Produktdesign zur Standardlösung.«


Lesen Sie mehr zum Thema


Das könnte Sie auch interessieren

Jetzt kostenfreie Newsletter bestellen!

Weitere Artikel zu elektroniknet

Weitere Artikel zu Wandler Sonstige

Weitere Artikel zu Energietechnik