TTI / TE Connectivity

Unverzichtbar: Sensoren in der Medizintechnik

13. September 2017, 15:00 Uhr | Nicole Wörner
Diesen Artikel anhören

Fortsetzung des Artikels von Teil 1

Kraftmessung in hoher Varianz

TE bietet Kraftmessdosen schon seit vielen Jahren an, wie zum Beispiel die Kleinstausführung FS20 für geringe Kräfte, die durch eine besonders attraktive Kombination aus elektromechanischen und wirtschaftlichen Eigenschaften und Vorzügen überzeugt, von denen viele auf TE-eigene Technik aufsetzen. 

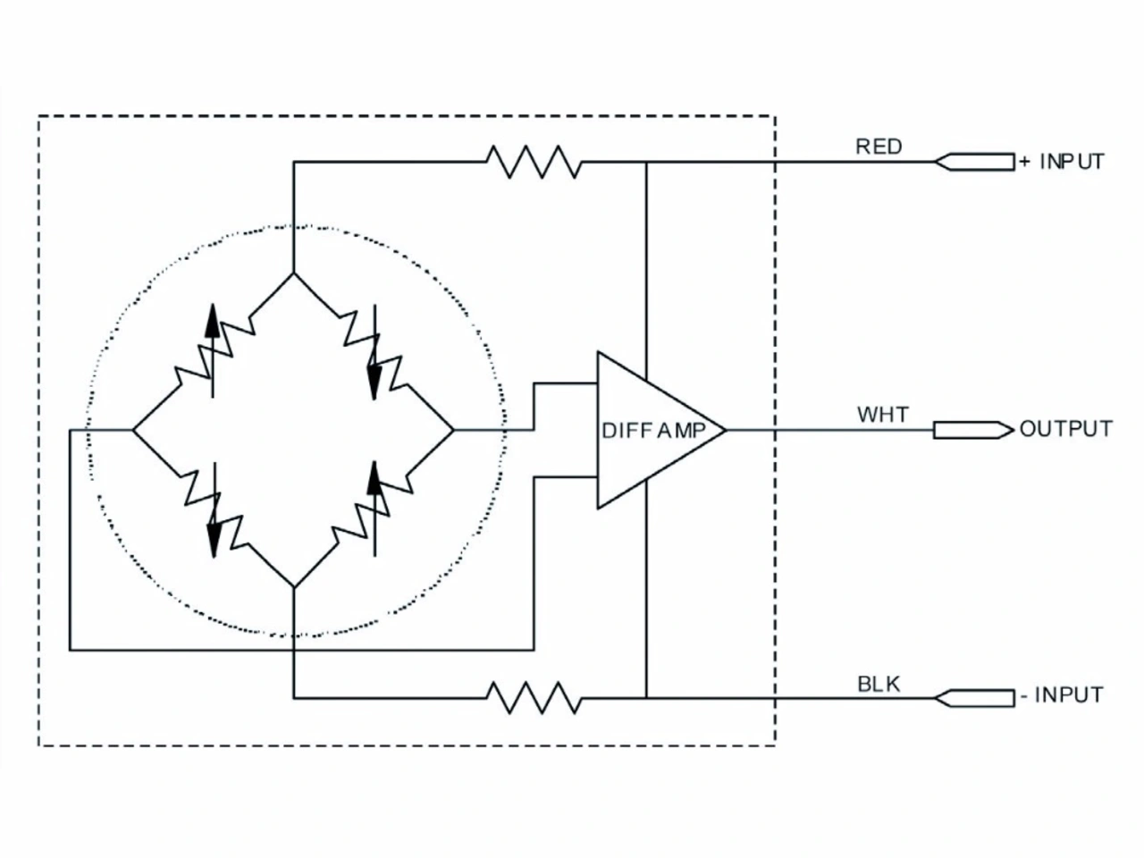
Die FS20-Bauteile nutzen den piezoresistiven Effekt,…

...bei dem ein scheibenförmiger Lastaufnehmer an der Oberseite der Kraftmessdose der mechanischen Beanspruchung durch den Flüssigkeitsdruck in der Pumpe ausgesetzt ist. Der metallene Lastaufnehmer funktioniert als Angriffspunkt und wird bei Nennlast um bis zu 0,05 mm ausgelenkt. Unterhalb des Lastaufnehmers ist ein piezoresistiver Halbleiter-DMS eingebaut. Wenn dieser durch die elastische Biegung des Lastaufnehmers belastet wird, ändert sich der Widerstand der DMS-Struktur. Diese Änderung wird in einem IC verarbeitet (mV-Rohsignale sind auch möglich). Nullpunkt und Messbereich der Zelle werden normalisiert, um die Auswechselbarkeit des Sensors sicherzustellen. Temperatureinflüsse werden kompensiert. 

Die FS20-Bauteile nutzen den piezoresistiven Effekt - hier das Blockdiagramm.
Die FS20-Bauteile nutzen den piezoresistiven Effekt - hier das Blockdiagramm.
© TTI

Der FS20 ist in zwei Ausführungen erhältlich,…

...entweder mit einem Kraftbereich bis 750 g oder bis 1500 g. Ein hochpegeliges Ausgangssignal, niedriges Rauschen, geringe Außermittigkeitsfehler und hohe Belastbarkeit über den Nennwert hinaus (bis zum 2,5-Fachen) in Kombination mit schnellen und präzisen Ergebnissen (±1 % des Messbereichs) plus Temperaturkompensation im Bereich von 0°C bis 50°C machen die Zelle zur idealen Wahl für die Überwachung von Pumpen. 

Weil die Auslenkung der Lastaufnahme sehr gering ist,…

...arbeitet die Zelle praktisch ermüdungsfrei. Die kompakte Auslegung der Zelle (25,1 x 17,27 x 8,26 mm) ermöglicht den Einsatz in vielen Anwendungen unter beengten Platzverhältnissen. 

Der Kraftaufnehmer FC22 im Miniaturformat…

...setzt auf dasselbe Funktionsprinzip auf, allerdings ist der Angriffsbereich kleiner ausgeführt, um Punktlastmessungen zu unterstützen. Die Abmessungen und die Verkabelung der Zelle bieten verschiedene Integrationsmöglichkeiten. Die FC22-Zelle ist auch als Millivolt-Brückenversion erhältlich.

Die Dose FS19 von TE mit Messbereichen von 500 g bis 3000 g…

...nutzt die bewährte Microfused-Sensortechnik und macht so organische Kunstharze überflüssig, die bei herkömmlichen Kraftmessdosen verwendet werden, und sorgt für exzellente Langzeitstabilität. Mit diesem hoch empfindlichen Dehnmessstreifen kann die Messzelle bei geringer Beanspruchung und Auslenkung bei Nennlast eine Ausgangsspannung von 20 mV/V bereitstellen und so Dauerhaftigkeit auch im kleinsten Gehäuse ermöglichen. 


  1. Unverzichtbar: Sensoren in der Medizintechnik
  2. Kraftmessung in hoher Varianz
  3. Kundenspezifische Minisensoren

Lesen Sie mehr zum Thema


Das könnte Sie auch interessieren

Jetzt kostenfreie Newsletter bestellen!

Weitere Artikel zu TTI, Inc.

Weitere Artikel zu TE Connectivity

Weitere Artikel zu Sensoren & -systeme

Weitere Artikel zu Zertifizierung und Prüfung