Power over Ethernet

Leistung gerecht geteilt

17. Mai 2021, 8:30 Uhr | Jean Picard und Darwin Fernandez, Texas Instruments
Diesen Artikel anhören

Fortsetzung des Artikels von Teil 1

Leistungsbegrenzung implementieren

Umsetzen lässt sich die Leistungsbegrenzung am Eingang mit einer Kombination aus Operationsverstärkern und einer Referenz in drei Stufen: Strommessung, Feed-Forward-Addierer und Komparator-Pulldown-Schaltung.

Anbieter zum Thema

zu Matchmaker+
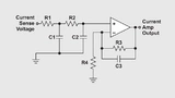
Nicht-invertierender Strommessverstärker
Bild 5: Nicht-invertierender Strommessverstärker.
© Texas Instruments

Bild 5 zeigt einen nicht-invertierenden Verstärker, der den Schaltstrom am Messwiderstand eines stromgeregelten Gleichspannungswandlers erfasst und dessen durchschnittlichen Primärstrom ausgibt. Da dieser Strom geschaltet wird, ist der Eingang des Stromverstärkers mit einem Tiefpassfilter versehen. Durch den Einsatz zweier RC-Filter lässt sich in der ersten Stufe das hochfrequente Rauschen entfernen, das sonst in die Mittelwertbildung der zweiten RC-Filterstufe eingehen würde. Der Verstärkungsfaktor des Verstärkers sollte abhängig von der erwarteten Spannung der Referenzschwelle und der hinzuaddierten Feed-Forward-Spannung variiert werden.

Summierverstärker mit Störgrößenaufschaltung zur Leistungsbegrenzung
Bild 6: Summierverstärker mit Störgrößen-aufschaltung zur Leistungsbegrenzung.
© Texas Instruments

Die Norm IEEE 802.3bt erlaubt bis zu 100 m lange Cat5e-Kabel (Category 5 Ethernet). Dies bedeutet, dass die Spannung an einem PoE-PD und dem Gleichspannungswandler abhängig vom Leistungsniveau in einem weiten Bereich schwanken kann. Die Feed-Forward-Schaltung (Störgrößenaufschaltung) in Bild 6 minimiert den Einfluss der Eingangsspannung auf die Leistungsbegrenzung eines Gleichspannungswandlers.

Der in Bild 6 dargestellte Summierverstärker versieht den Eingang des Stromverstärkers mit einem Offset, der proportional zur gepufferten Eingangsspannung ist. Wenn beispielsweise die Eingangsspannung wegen eines kurzen Kabels höher ist, kompensiert der Offset die Anhebung der Leistungsgrenze, zu der es ohne die Störgrößenaufschaltung käme.

Komparatorschaltung zur Leistungsbegrenzung
Bild 7: Komparatorschaltung zur Leistungsbegrenzung.
© Texas Instruments

Die Pulldown-Schaltung des Komparators in Bild 7 nutzt ein Integrierglied, um sein Ausgangssignal abzusenken, wenn ihr Eingangssignal (also das Ausgangssignal des Summierverstärkers) den Grenzwert der Leistungsbegrenzung erreicht, den die Referenzschaltung und ihr Widerstandsteiler vorgibt. Wenn der Gleichspannungswandler bereits die Leistung begrenzt, aber die Ausgangsleistung dennoch weiter ansteigt, nimmt die Pulldown-Wirkung der COMP-Schaltung weiter zu, um die Ausgangsleistung wirksam zu begrenzen.

Überlegungen zum Design

Da die Referenz die Schwelle der Leistungsbegrenzung definiert, kommt eine hochpräzise Referenz zum Einsatz, damit die Leistungsgrenze weitgehend unbeeinflusst von der Temperatur und der Eingangsspannung bleibt. Außerdem wird die Referenzschwelle so gewählt, dass sie deutlich größer als der von den Operationsverstärkern hinzugefügte Eingangs-Offset ist. Um die Auswirkungen der Verstärkung des Eingangs-Offsets in jeder Verstärkerstufe zu minimieren, ist die zusätzliche Verstärkung in jeder Stufe zu minimieren. Diese Lösung fügt deshalb nur in der Stromverstärkerstufe einen Verstärkungsfaktor hinzu.

Mit zwei vereinfachten Gleichungen lässt sich die Verstärkung abschätzen. Folgende Gleichung (1) drückt die Schwelle der Leistungsbegrenzung aus:

P o w e r _ L i m i t subscript t h end subscript space equals space V subscript R e f e r e n c e end subscript space x space fraction numerator R subscript 12 over denominator R subscript 11 plus R subscript 12 end fraction

Das Ausgangssignal gibt die Eingangsleistung nur dann exakt wieder, wenn sie sich Power_Limitth nähert.

Bekanntermaßen entspricht der Eingang des Stromverstärkers dem durchschnittlichen Eingangsstrom des Gleichspannungswandlers. Die Verstärkung des Stromverstärkers lässt sich also bestimmen, indem man den Feed-Forward-Ausgang auf das Niveau der Schwelle der Leistungsbegrenzung einstellt. Hieraus ergibt sich die in folgender Gleichung (2) beschriebene Verstärkung:

A subscript C u r r e n t A p p end subscript space equals space 1 plus fraction numerator R 3 over denominator R 4 end fraction

equals space fraction numerator open parentheses V subscript R e f e r e n c e end subscript space x fraction numerator R subscript 12 over denominator R subscript 11 space plus space R subscript 12 end fraction close parentheses space minus space open parentheses V subscript I N _ D C divided by D C space end subscript space x fraction numerator R subscript S over denominator R subscript 5 space plus space R subscript 6 end fraction close parentheses over denominator space begin display style P subscript M a x end subscript over V subscript I N _ D C divided by D C end subscript end style x R subscript S e n s e end subscript end fraction

Testergebnisse

Labor-Testergebnisse zur Leistungsbegrenzung.
Bild 8: Labor-Testergebnisse zur Leistungsbegrenzung.
© Texas Instruments

Die Leistungsbegrenzung wurde in einem Power-Sharing-Referenzdesign für ein IEEE-802.3bt-gemäßes PoE-PD mit zwei Eingängen implementiert. Das PoE-PD des Typs kann das dem PD zugewiesene Leistungsbudget anhand von Logiksignalen identifizieren, die das PSE während der Hardware- klassifizierung einholt. Je nach der vom PSE zugewiesenen Leistung kann die Leistungsgrenze mithilfe einfacher Logik mit FETs und Widerständen angepasst werden, indem es die Referenzschwelle und die Feed-Forward-Spannung variiert. Auf diese Weise entsteht ein Gleichspannungswandler, der für die Leistungsgrenzen von Typ 1 (13 W), Typ 2 (25 W) und Typ 3 (51 W) gleichermaßen geeignet ist (Bild 8).

Beim Begrenzen der Leistung in Power-Sharing-Anwendungen gibt jeder Wandler die maximale Leistung ab, die von seiner Scwelle zur Leistungsbegrenzungs vorgegeben wird. Dies hat den zusätzlichen Vorteil, dass die Aufteilung der Leistung nicht davon abhängig ist, wie gleichmäßig der Ausgangsstrom auf die einzelnen Wandler aufgeteilt wird (Bild 9).

 Lastaufteilung durch zwei Wandler mit Leistungsbegrenzung
Bild 9: Lastaufteilung durch zwei Wandler mit Leistungsbegrenzung.
© Texas Instruments

Die Aufteilung ist hier kleiner als 60:40, jedoch gibt der Wandler mit dem höheren Anteil weiter Leistung ab, bis er seine Leistungsgrenze erreicht. An diesem Punkt gibt der Wandler mit dem geringeren Anteil weiter seine begrenzte Leistung ab. Diese leistungsbegrenzte Aufteilung macht die Verwendung kostspieliger Current-Sharing-Controller überflüssig. Der maximale, unter den Wandlern aufgeteilte Ausgangsstrom wird nicht durch die Genauigkeit der Stromaufteilung eingeschränkt und ist auch unabhängig vom Wirkungsgrad der beteiligten Wandler, da die Leistung nicht am Ausgang, sondern am Eingang des jeweiligen Wandlers erfasst wird.

Die Autoren

 

 

 

Jean-Picard von Texas-Instruments
Jean-Picard von Texas-Instruments.
© Texas Instruments

Jean Picard

ist ein Senior Member Technical Staff und Systems Engineer in der Power-Management-Gruppe bei Texas Instruments. Er erwarb einen Bachelor-Abschluss in Elektrotechnik an der Laval University of Quebec und verfügt über mehr als 36 Jahre Erfahrung im Bereich Stromversorgungsdesign und Systemdefinition. Bevor er zu TI kam, arbeitete er als spezialisierter Design-Ingenieur für Stromversorgungen für das kanadische Raumfahrtprogramm, einschließlich der kanadischen Weltraummission Radarsat-2, und als unabhängiger Berater, wo er eine Vielzahl von Systemen entwarf, darunter Beleuchtungssteuerungen, Datenerfassungssysteme sowie Industrie- und Automobilsteuerungen. Picard hält mehr als 13 Patente und hat mehrere Fachbeiträge in den Bereichen Stromversorgung, Power-over-Ethernet sowie Schutz vor Spannungsspitzen verfasst.

 

 

Darwin-Fernandez von Texas-Instruments
Darwin-Fernandez von Texas-Instruments
© Texas Instruments

Darwin Fernandez

ist Power over Ethernet Strategic Applications Engineer bei Texas Instruments. Er erwarb einen BSEE- und MSEE-Abschluss in Energietechnik von der California Polytechnic State University, San Luis Obispo.


  1. Leistung gerecht geteilt
  2. Leistungsbegrenzung implementieren

Lesen Sie mehr zum Thema


Das könnte Sie auch interessieren

Jetzt kostenfreie Newsletter bestellen!

Weitere Artikel zu Texas Instruments Deutschland GmbH

Weitere Artikel zu Industrial Ethernet

Weitere Artikel zu Feldbusse