Schaltungen für isolierte Strommessungen

Den richtigen Trennverstärker auswählen

13. April 2022, 14:49 Uhr | Markus Haller
© adobe.stock.com / spainter_vfx

Um Messsignale zuverlässig über eine Isolationsbarriere zu übertragen, eignen sich Trennverstärker. Bei der Auswahl des richtigen Bausteins sollte man auf drei Kriterien achten.

Diesen Artikel anhören

Von Alex Smith, Texas Instruments

In elektrischen Ladegeräten, in Wechselrichtern oder in Motorsteuerungen: isolierte Strommessungen werden häufig benötigt, um Stromregelschleifen aufzubauen. Hierbei müssen die Messsignale dem Feedback-Algorithmus der Regelschleife zugeführt werden, während der digitale Schaltungsteil vom Hochspannungsteil isoliert ist. Dafür stehen dem Entwickler Trennverstärker zur Verfügung. Sie eignen sich gut, um die Messsignale über eine Isolationsbarriere hinweg zu übertragen. Um den passenden Baustein für eine Anwendung zu finden, sollte man auf diese drei Kriterien achten: Isolierungsgrad, Stromversorgung des Eingangskreises und die Dimensionierung des Eingangsspannungsbereichs.

Kriterium 1: Isolierungsgrad

Beim Isolierungsgrad gibt es grundsätzlich zwei Möglichkeiten: Grundisolierung oder verstärkte Isolierung. Welcher Isolierungsgrad benötigt wird, hängt von dem gewählten Systemaufbau und der Endanwendung ab, für die jeweils eigene Standards eingehalten werden müssen. Bei Antrieben gilt zum Beispiel die Norm IEC 61800 und für Medizingeräte die IEC 60601.

Wie leistungsfähig die Isolation des Verstärkers ist, lässt sich über vier Kenngrößen ermitteln:
➔ Isolation Working Voltage: Sie gibt die maximale Effektivspannung an, mit der der isolierte Verstärker über seine gesamte Nutzungsdauer betrieben werden kann, ohne Schaden zu nehmen.
➔ CMTI-Wert: Die »Common-Mode Transient Immunity« gibt den maximalen Gradienten des Massepotenzials an, bei dem der isolierte Verstärker noch fehlerfrei arbeitet.
➔ Maximum Transient Isolation Voltage: Der Wert bezeichnet die größte Spitze-zu-Spitze-Spannung, die der isolierte Verstärker für 60 Sekunden übersteht.
➔ Maximum Surge Isolation Voltage: Beschreibt die 1,2/50-µs-Spannungsspitze, die der isolierte Verstärker ohne Ausfall übersteht. Die Ermittlung dieses Wertes ist in der Norm IEC 60065 festgelegt.

Gerätehersteller lassen manchmal ihre Produkte von unabhängiger Stelle zertifizieren, um nachzuweisen, dass die Spezifikationen zur Isolierung eingehalten werden. Als Bauelemente sind die Verstärkerbausteine von den Normen für Geräteprüfungen nur indirekt betroffen. Für sie gelten die Normen für Bauelemente, die beispielsweise vom Deutschen Institut für Normung e.V. (DIN) herausgegeben werden, vom Verband Deutscher Elektrotechniker (VDE) und den Underwriters Laboratories (UL).

In manchen Fällen können zertifizierte Bauelemente den Aufwand zur späteren Geräteprüfung reduzieren. So ist in den IEC-Normen festgelegt, dass bei Geräten, deren Bauteile nachweislich den Normen auf Komponentenebene entsprechen, die gleichwertige Anforderungen stellen, keine separate Bewertung erforderlich ist.

Einen Überblick über die Zertifizierungen, die ein Trennverstärker von Texas Instruments mitbringt, ist in [1] zu finden. Damit der Verstärker in einer Anwendung seine optimale Leistung erzielt, muss er nach bestimmten Kriterien in-tegriert werden. Entsprechende Layout- und Anwendungshinweise finden sich im Datenblatt und sollten berücksichtigt werden.

Kriterium 2: Stromversorgung des Eingangskreises

Bei der Entwicklung dieses Schaltungsteils ist zu beachten, dass sich die Versorgungsspannung auf der Eingangsseite mit der Gleichtakt-Eingangsspannung des zu messenden Stroms verändern muss. Bei der mehrphasigen Strommessung erfordert somit jede Phase ihren eigenen Trennverstärker mit jeweils eigener Stromversorgung für den Eingangskreis. Fehler beim Entwurf der Stromversorgung können dazu führen, dass die Maximalwerte der analogen Eingangsspannung des Verstärkers überschritten werden und zu Schäden am Bauelement führen.
Im Wesentlichen kommen drei Möglichkeiten für die Stromversorgung in Frage:

Diskrete Transformatorschaltung

 Evaluationsmodul AMC1300 mit isolierendem Transformator
Bild 1. Evaluationsmodul AMC1300 mit isolierendem Transformator.
© Texas Instruments

Sie überträgt ein Spannungssignal vom Ausgangskreis in den Eingangskreis des Trennverstärkers. Für diese Methode sind drei Komponenten nötig: ein galvanisch trennender Transformator, ein Treiberbaustein für den Transformator und ein Low-Dropout-Regler (LDO). Als Transformator-Treiber eignet sich zum Beispiel der SN6501 und als LDO der TLV704 von Texas Instruments. Der Schaltungsentwurf ist bei dieser Methode zwar einfach, aber es werden mehrere Bauelemente und entsprechend viel Platz auf der Leiterplatte benötigt. In Bild 1 ist eine derartige Stromversorgung im oberen Teil des Evaluationsmoduls (EVM) zum AMC1300 zu sehen.

Versorgung durch Gate-Treiber

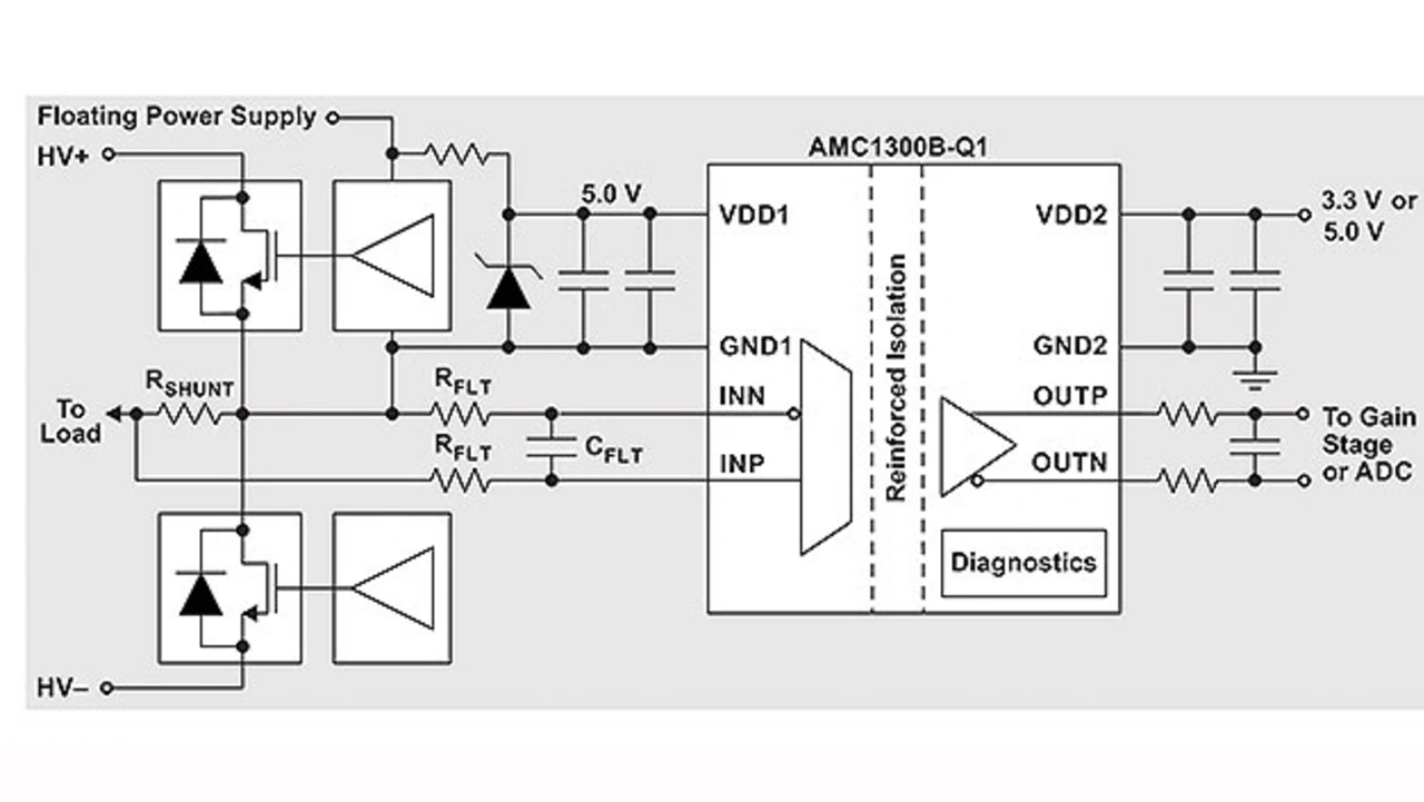
AMC1300B-Q1 mit eigener, erdfreier Stromversorgung
Bild 2. AMC1300B-Q1 mit eigener, erdfreier Stromversorgung.
© Texas Instruments

Die zweite Methode zeigt die Blockschaltung Bild 2. Die Stromversorgung geschieht erdfrei (Floating Ground) über einen Gate-Treiber (typ. 15 V) am Eingangskreis. Ein Querregler, etwa eine Z-Diode, hält die Spannung auf 5 V stabil. Beispiele für diese Art der Stromversorgung finden sich in den Datenblättern der Bauelemente (z. B. des Verstärkers AMC1300B-Q1). Diese Variante ist wirtschaftlich und effektiv, allerdings können Layout-Restriktionen und parasitäre Impedanzen zwischen der Masse der Gatetreiber-Stromversorgung und der Masse des Verstärkers dafür sorgen, dass die zulässige Gleichtakt-Eingangsspannung überschritten wird.

Verstärker mit integriertem DC/DC-Wandler

Trennverstärker AMC3302 mit integriertem Gleichspannungswandler
Bild 3. Trennverstärker AMC3302 mit integriertem Gleichspannungswandler.
© Texas Instruments

Die einfachste Methode ist ein Baustein mit integriertem Gleichspannungswandler. Die Blockschaltung ist in Bild 3 zu sehen. Trennverstärker mit integriertem DC/DC-Wandler wie der AMC3302 von Texas Instruments verringern den Platzbedarf und die Komplexität des Messsystems erheblich. Damit sinken auch die Systemkosten. Der Wirkungsgrad ist sehr hoch und der Messwiderstand (Shunt) lässt sich frei auf der Leiterplatte platzieren [2].


  1. Den richtigen Trennverstärker auswählen
  2. Kriterium 3: Eingangsspannungsbereich

Lesen Sie mehr zum Thema


Das könnte Sie auch interessieren

Jetzt kostenfreie Newsletter bestellen!

Weitere Artikel zu Texas Instruments Deutschland GmbH

Weitere Artikel zu VDE Verband der Elektrotechnik Elektronik Informationstechnik e.V.

Weitere Artikel zu Sensoren & -systeme

Weitere Artikel zu Energietechnik

Weitere Artikel zu Energieerzeugung