Mess-Schaltungen

Operationsverstärker abstimmen und stabilisieren

2. März 2017, 14:39 Uhr | Ralf Higgelke

OPV-Schaltungen lassen vermuten, die Rückkopplungswiderstände seien darauf perfekt abgestimmt. Doch die Praxis zeigt, nicht-ideale Widerstände beeinflussen verschiedene Schaltungsparameter, etwa die Gleichtaktunterdrückung, den Klirrfaktor und die Stabilität. Hochpräzise Widerstände helfen weiter.

Diesen Artikel anhören

von Victor Chertakovsky, Senior Application Engineer, Vishay Foil Resistors, eine Marke von VPG Foil Resistors, und Kai Karstensen, Geschäftsführer von Powertron, eine Marke von VPG Foil Resistors.

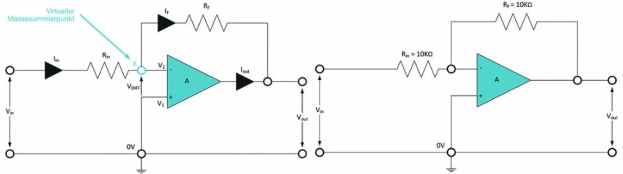
OPVs sind DC-gekoppelte, hochverstärkende elektronische Spannungsverstärkerschaltungen mit einem differenziellen Eingang und üblicherweise einem unipolaren Ausgang (Bild 1). In dieser Konfiguration erzeugt ein OPV ein Ausgangspotenzial (im Verhältnis zur Schaltungsmasse), das typischerweise tausendmal höher ist als die Potenzialdifferenz zwischen seinen Eingangspins. Die in den Datenblättern spezifizierte Leistung von Präzisionsverstärkern und Analog/Digital-Wandlern (ADCs) ist oft schwierig zu erreichen, da die Datenblattspezifikationen von idealen Komponenten ausgehen. Sorgfältig abgestimmte Widerstandsnetzwerke ermöglichen Präzisionsabstimmungen, die um Größenordnungen besser sind, als nicht abgestimmte diskrete Bauteile, sodass die Datenblattspezifikationen für präzise ICs erfüllt werden.

Schaltbild / VPG Foil Resistors
Bild 1: Schaltbild eines invertierenden Verstärkers.
© VPG Foil Resistors

Bei der Entwicklung von monolithischen Operationsverstärkern für Leistungslösungen stimmt Powertron routinemäßig die internen Komponenten genau ab. Eingangstransistoren von Operationsverstärkern sind beispielsweise genau aufeinander abgestimmt, um die Offsetspannung möglichst klein zu halten. Operationsverstärker mit diskreten Transistoren hätten Offsetspannungen von 30 mV oder mehr.

Integrierte Differenzverstärker nutzen präzise On-Chip-Widerstandsabstimmung und Laserabgleichung. Die exzellente Gleichtaktunterdrückung (Common Mode Rejection Ratio, CMRR) des integrierten Bauteils basiert auf dessen genauer Abstimmung und Temperaturnachführung. Um eine signifikante Nachführungsverstärkung zu erreichen, werden Chips eingesetzt, die paarweise vereinzelt (Verhältnis 1:1) und in ein hermetisch geschlossenen Netzwerkgehäuse eingebaut wurden. Die ultimative Verstärkung lässt sich erreichen, indem ultrapräzise Widerstände mit einem Temperaturkoeffizienten (TCR) des Widerstands von 0,05 ppm/K auf der heißen oder kalten Seite verwendet werden und zwei benachbarte Chips eine Drift von maximal 0,1 ppm/K aufweisen. Um die beste Nachführung zu erreichen, müssen Widerstände mit einem sehr niedrigen absoluten TCR (sogenannte Ultrapräzisionswiderstände) verwendet werden, was auch dazu beiträgt, Komplikationen aufgrund von Temperaturgradienten zu vermeiden.

Differenzverstärker / VPG Foil Resistors
Bild 2: Differenzverstärker
© VPG Foil Resistors

Abgestimmte Widerstände sind entscheidend für die Leistungsfähigkeit einer Vielzahl von Differenzialschaltungen (Bild 2). Jegliche Fehlabstimmung zwischen diesen Verhältnissen wird zu einem Gleichtaktfehler beitragen. Die CMRR ist eine wichtige Metrik bei diesen Schaltungen, da sie anzeigt, wie viel des unerwünschten Gleichtaktsignals am Ausgang erscheinen wird. Die CMRR aufgrund der Widerstände in solchen Schaltungen lässt sich folgendermaßen berechnen:

C M R R equals 1 half times fraction numerator G plus 1 over denominator increment R times R end fraction

Dabei ist G die Verstärkung, R der Widerstandswerts und ∆R die Widerstandsabweichung.

Der Einsatz von sehr gut abgestimmten Präzisionswiderständen in Differenzverstärkern ist bei präzisen medizinischen Systemen von großer Bedeutung, z. B. in Rasterelektronenmikroskopen, Endoskopiesonden und Blutkörperchenzählern.


  1. Operationsverstärker abstimmen und stabilisieren
  2. In einer Wheatstonebrücke

Lesen Sie mehr zum Thema


Das könnte Sie auch interessieren

Jetzt kostenfreie Newsletter bestellen!

Weitere Artikel zu Vishay Electronic GmbH

Weitere Artikel zu VISHAY Measurements Group GmbH

Weitere Artikel zu Zertifizierung und Prüfung

Weitere Artikel zu Analoge Bauelemente sonstige

Weitere Artikel zu Widerstände