Nichtinduktive Leistungswiderstände

Vielfältig einsetzbar

10. Dezember 2015, 10:19 Uhr | Ralf Higgelke
© WDI

Nichtinduktive Leistungswiderstände im TO-Gehäuse sind vielseitig einsetzbar. Montiert auf entsprechenden Kühlkörpern, eignen sie sich durch ihre kompakte Bauform für platzkritische Anwendungen mit bis zu 600 W an Verlustleistung. Welche Anwendungen sind das beispielsweise?

Diesen Artikel anhören

von Falko Ladiges, Produktmarketing PEMCO bei WDI.

Leistungswiderstände sind derzeit in folgenden Gehäusen verfügbar: TO-126 mit 20 W, TO-220 mit 20 W, 35 W und 50 W sowie TO-247 mit 50 W, 100 W und 140 W. Inzwischen sind auch diverse SMD-Bauformen geläufig: im D-PAK-Gehäuse mit 25 W, im TO-263/D²-PAK und SMD-TO-220 mit 35 W und 50 W sowie im SOT227 mit 200 W bis 600 W. Die Bauformen zeigt das große Bild. Einige typische Anwendungen für diese Widerstände werden im Folgenden kurz dargestellt.

Stromversorgung

In elektronischen Verbrauchern und Schaltnetzteilen, die an dem öffentlichen Stromnetz angeschlossen werden, sind Leistungsfaktorkorrekturfilter beziehungsweise Oberschwingungsfilter (Power Factor Correction, PFC) nötig, um den sogenannten Leistungsfaktor zu erhöhen, damit dieser im gesetzlich vorgeschriebenen Bereich bleibt.

Anbieter zum Thema

zu Matchmaker+
Bild 1: Verlauf des Stroms ohne (oben), mit passiver PFC-Schaltung (Mitte) und aktiver PFC-Schaltung (unten). Eingeprägter Spannungsverlauf (rot) und Stromverlauf (blau)
Bild 1: Verlauf des Stroms ohne (oben), mit passiver PFC-Schaltung (Mitte) und aktiver PFC-Schaltung (unten). Eingeprägter Spannungsverlauf (rot) und Stromverlauf (blau)
© WDI

Bei sinusförmiger Wechselspannung treten bei nicht-linearen Verbrauchern wie Schaltnetzteilen phasenverschobene und nicht-sinusförmige Eingangsströme auf, die sich aus einer Summe von Oberschwingungen zusammensetzen und Störungen bis hin zu Beschädigungen verursachen können (Bild 1). Gängig sind aktive PFC-Oberschwingungsfilter, die einen Leistungsfaktor von typisch 0,98 (ideal 1) erzielen.

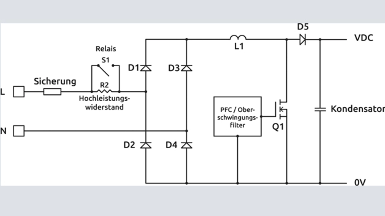
Bild 2: Leistungswiderstände gibt es in den verschiedensten Bauformen und Größem
Bild 2: Leistungswiderstände gibt es in den verschiedensten Bauformen und Größem
© WDI

Der PFC-Kreis ist dem eigentlichen Schaltnetzteil vorgeschaltet und passt den Eingangsstrom der sinusförmigen Netzspannung an. Durch die Ausgangskondensatoren der PFC-Stufe kann ein sehr hoher Einschaltstrom (Inrush Current) entstehen, wobei dessen Amplitude von der Höhe der Eingangsspannung zum Einschaltzeitpunkt abhängt. Um den Einschaltstrom zu begrenzen, eignet sich ein in Serie geschalter strombegrenzender Hochlastwiderstand, der nach dem Laden der Kondensatoren mit einem Relais überbrückt wird (Bild 2).


  1. Vielfältig einsetzbar
  2. Generatorbetrieb, Strommessung und Dämpfungskreise
  3. Kondensatorentladung und Audio-Crossover

Lesen Sie mehr zum Thema


Das könnte Sie auch interessieren

Jetzt kostenfreie Newsletter bestellen!

Weitere Artikel zu WDI AG

Weitere Artikel zu Widerstände