SPC5-Studio IDE

Professionelle Entwicklungsumgebung

24. Januar 2022, 8:53 Uhr | Von Dr. Basam Elia, Automotive MCU Marketing bei STMicroelectronics
Diesen Artikel anhören

Fortsetzung des Artikels von Teil 1

Die Projektansicht

Bild 1 zeigt die Standardansicht nach dem Installieren von SPC5-Studio, wenn ein leeres Plattform-Projekt angelegt und die Elemente »Init Package Component RLA« und »Low-Level Drivers Components RLA« hinzugefügt wurden.

Links ist der Project Explorer View zu sehen. Hier können Anwender Projektkonfigurationen anschauen und den vom Projekt generierten Quellcode samt dem kompilierten Executable finden. Die Entwickler können hier die Quellcode-Dateien und Konfigurationen des Projekts durchsuchen, und nach Anklicken einer Datei erscheinen in der »Outline«-Ansicht (links unten) die Konfigurationsdetails. Die Editor-Ansicht in der Mitte des Bildschirms bietet die Möglichkeit, Konfigurations- und Quellcodedateien in das Projekt einzufügen.

Anlegen eines MCU-Platform-Projekts

Beim Erstellen eines SPC5-Projekts wird automatisch das Element »MCU platform Component RLA« eingefügt, das eine Reihe grundlegender Konfigurationsdateien mit Details zum verwendeten Mikrocontroller (z. B. Flash- und RAM-Kapazitäten sowie Einzelheiten zum Prozessorkern) enthält. Die Runtime-Einstellungen geben ferner Auskunft über die Stack-Größe und die Boot-Prozedur. Details zur Ausführungs-Konfiguration, wie etwa die kompilierte Binärdatei der Applikation, können entweder in den RAM-Speicher kopiert und anschließend ausgeführt oder direkt im Flash-Speicher abgelegt werden. Zusätzlich lässt sich die Adresse zum Laden in den Flash-Speicher vorgeben. Diese und weitere Details erscheinen nach Wahl der »MCU platform Component RLA« in der Outline-Ansicht.

Unter dem Menüpunkt »Build Settings« in der Outline-Ansicht kann aus der Liste unterstützter Compiler der gewünschte Compiler ausgewählt und konfiguriert werden. Unter »Linker Settings« wiederum lassen sich die Linker-Optionen modifizieren.

STMicroelectronics
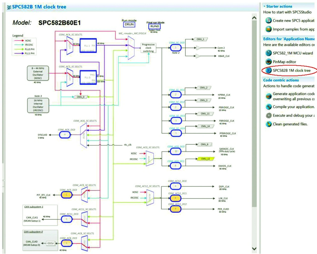
Taktbaum-Struktur des Mikrocontrollers SPC582B
© STMicroelectronics

Hinzufügen maschinennaher Treiber

Um den Quellcode für bestimmte Peripheriefunktionen, Firmware oder ein Betriebssystem hinzuzufügen, sollte das MCU-Plattform-Projekt durch spezielle Komponenten erweitert werden.

Die »Init Package Component RLA« erlaubt die Integration der »Low-Level Drivers Components RLA«, die wiederum die Ansicht »Application Configurator« enthält.
Der in der Editor-Ansicht verfügbare »Application Configurator« zeigt eine Übersicht über alle verfügbaren CPU-Peripheriefunktionen. Durch Aktivieren einer Peripheriefunktion wird gleichzeitig das entsprechende Konfigurationsschema in der Outline-Ansicht aktiviert. In dieser Ansicht können Entwickler sämtliche Details der betreffenden Peripheriefunktion (z. B. Zuordnung der Hardware-I/O-Ports, Peripheriegeschwindigkeit) grafisch konfigurieren. Durch einen Klick auf die Schaltfläche »Generate application code« in der Ansicht »Common Tasks« wird automatisch der gesamte Quellcode des Projekts generiert.

Nachdem die Komponente »Low-Level Drivers« hinzugefügt wurde, erscheinen im »Project Explorer« zusätzliche Takt-, IRQ- und OSAL-Dependency-Komponenten. Klickt man diese Komponenten an, ändert sich der Inhalt der Ansichten »Outline«, »Working« und »Output« entsprechend und der Entwickler kann die Konfiguration einstellen.

Grafische Taktkonfiguration

In der Ansicht »Common Tasks« kann der Menüpunkt »MCU clock-tree« aktiviert werden. In Bild 2 ist die Taktbaum-Struktur des Mikrocontrollers SPC582B zu sehen, um zu demonstrieren, wie sich Taktparameter wie etwa Prescaler und PLLx-Werte einstellen lassen, ohne dass dazu auf die Taktkonfigurations-Register zugegriffen werden muss. SPC5-Studio markiert alle Inkonsistenzen, sodass sich Konfigurationsfehler schnell einkreisen lassen.

Grafische I/O-Port-Konfiguration

Die für die I/O-Port-Konfiguration verantwortliche Komponente ermöglicht die Pinzuweisung und -konfiguration auf grafischem Weg. Der Menüpunkt »Pin map editor« in der Ansicht »Common Tasks« visualisiert die I/O-Ports. Nach Anklicken des betreffenden Icons erscheint der Mikrocontroller in der Working-Ansicht, wobei die bereits genutzten oder reservierten I/O-Ports angezeigt werden. Gleichzeitig ändert sich der Inhalt der »Output-Ansicht« samt der Peripheriefunktion und dem I/O-Port.
Zum Konfigurieren einer Peripheriefunktion sollte ihr I/O-Port in der »Output«-Ansicht markiert werden. Dabei erscheinen zugehörige Leitungen wie Rx oder Tx. Werden diese angeklickt, werden in der Ansicht »PinMap editor« die speziellen I/O-Ports markiert, die sich anschließend visuell konfigurieren lassen, wie in Bild 3 gezeigt wird.


  1. Professionelle Entwicklungsumgebung
  2. Die Projektansicht
  3. Generierung und Kompilierung des Codes

Lesen Sie mehr zum Thema


Das könnte Sie auch interessieren

Jetzt kostenfreie Newsletter bestellen!

Weitere Artikel zu STMicroelectronics GmbH

Weitere Artikel zu Mikrocontroller