SMD-Ferrite dämpfen Störsignale in Schaltreglerschaltungen

Überschwinger einfangen

13. Mai 2015, 13:39 Uhr | Von Christopher Richardson und Ranjith Bramanpalli
Diesen Artikel anhören

Fortsetzung des Artikels von Teil 1

Ferrite anstelle von Widerständen

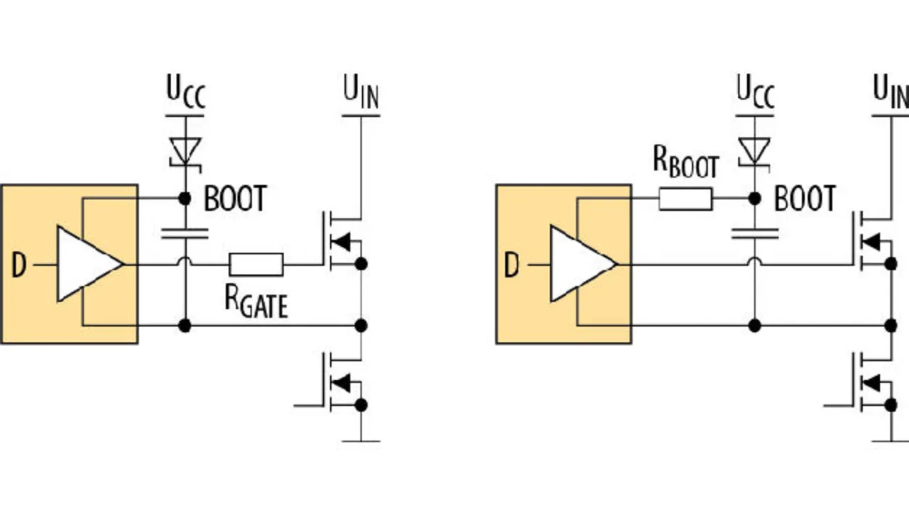
Bild 2. Gate-Widerstände verlangsamen Anstieg und Abfall, während Bootstrap-Widerstände nur die steigende Flanke verlangsamen.
Bild 2. Gate-Widerstände verlangsamen Anstieg und Abfall, während Bootstrap-Widerstände nur die steigende Flanke verlangsamen.
© Würth Elektronik

Der wesentliche Nachteil der in Bild 1 gezeigten Anordnung der Ferrite besteht darin, dass sie von hohen Stromstärken durchflossen werden. Die Bauteile müssen demnach so ausgelegt sein, dass sie die Ableitung dieser Ströme über ihren Gleichstromwiderstand ebenso bewältigen können wie die Ableitung der beim Wandeln des Hochfrequenzüberschwingens entstehenden Wärme.

Die Ableitung der Hochfrequenzströme ist schwierig abzuschätzen und zu simulieren, denn die Wellenformen hängen beinahe vollständig von parasitären Elementen ab. In der Praxis wird deswegen normalerweise eine Spule mit Ferritkern mit einem Nennstrom ausgewählt, der zweimal so hoch ist wie der höchste sie tatsächlich durchfließende Strom. Bei niedrigen Leistungswerten können auch oberflächenmontierte Bauteile verwendet werden. Allerdings ist zu beachten, dass bei Anstieg der Leistung unweigerlich größere und teurere Ferrite nötig werden.

Im Folgenden soll gezeigt werden, wie kleine Ferritkernspulen der Größe 0603 oder 0805 zur Absenkung der Schaltfrequenzen bei High-Side-MOSFETs in einem synchronen Buck-Wandler beitragen und auf diese Weise Amplitude und Dauer des Überschwingens verringert werden können. Zu diesem Zweck wird normalerweise ein Widerstand gezielt ausgewählt und wahlweise mit dem Gate des MOSFET oder der positiven Versorgungsspannung der Ansteuerungsschaltung für das Gate verschaltet. Alternativ dazu funktioniert ein SMD-Ferrit derselben Baugröße ebenso gut wie ein konventioneller Widerstand. Er kann dafür auf Basis der Angaben im Produktdatenblatt gezielt ausgewählt werden.
Reihenschaltung einer Ferritkernspule mit der Bootstrap-Schaltung

In Bild 2 werden zwei mögliche Positionen für ein Element zur Senkung der Änderungsgeschwindigkeit gezeigt: in Reihe mit dem Gate des High-Side-MOSFET oder in Reihe mit der Bootstrap-Schaltung. Dabei ist die Bootstrap-Anordnung aus drei Gründen zu bevorzugen:

- Erstens wird nur die steigende Änderungsgeschwindigkeit beschränkt. Dies spart Energie, da bei jedem Zyklus nur ein Schaltwechsel verlangsamt wird und die Schaltverluste sich bei abnehmenden Änderungsgeschwindigkeiten erhöhen.

- Zweitens kann eine Verlangsamung der fallenden Änderungsgeschwindigkeit des Steuer-MOSFET in synchronen Buck-Wandlern einen „Shoot-through“ provozieren, wenn beide MOSFETs gleichzeitig „on“ sind – und das ist keinesfalls wünschenswert.

- Drittens ist, während der Gate-Widerstand nur verwendet werden kann, wenn der Leistungs-MOSFET vom Steuer-IC getrennt ist, der Bootstrap-Kontakt bei den meisten Buck-Reglern mit internen MOSFETs für den Benutzer zugänglich. Dies ermöglicht die Anwendung dieses Verfahrens auf zahlreiche weitere Steuer-ICs.

Anbieter zum Thema

zu Matchmaker+

  1. Überschwinger einfangen
  2. Ferrite anstelle von Widerständen
  3. Auswählen der passenden Ferritkernspule
  4. Schritt 2: Bootstrap-Durchschnittsstrom berechnen oder messen
  5. Hohe Impedanzwerte = geringere Überschwinger
  6. EMV-Emissionsdiagramm deckt Unterschiede auf

Lesen Sie mehr zum Thema


Das könnte Sie auch interessieren

Jetzt kostenfreie Newsletter bestellen!

Weitere Artikel zu Würth Elektronik eiSos GmbH & Co. KG

Weitere Artikel zu Induktive Bauelemente