SMD-Ferrite dämpfen Störsignale in Schaltreglerschaltungen

Überschwinger einfangen

13. Mai 2015, 13:39 Uhr | Von Christopher Richardson und Ranjith Bramanpalli

Ferritkernspulen, die in Reihe mit dem Bootstrap-Kontakt von Abwärtswandlern geschaltet werden, eignen sich zur Bedämpfung von Störsignalen, die als Überschwinger den stabilen Betrieb des Moduls gefährden. Zwar kostet ein 0603-Ferrit mehr als ein adäquater Dickschichtwiderstand, doch wird dieser Kostennachteil durch verbesserte EMV-Eigenschaften mehr als ausgeglichen.

Diesen Artikel anhören

Unter dem Begriff „Überschwinger“ versteht man ein unerwünschtes Nachschwingen, das auftritt, wenn ein Leistungshalbleiterschalter bei vorhandener parasitärer Induktivität und Kapazität ein- oder ausgeschaltet wird. Die in der parasitären Übergangskapazität des Schalters gespeicherte Energie wird beim Wechsel des Schaltzustands freigesetzt und überschwingt in Wechselwirkung mit der – von den Streufeldern diskreter Speicherdrosseln kommenden – parasitären Induktivität sowie der durch die Verdrahtung von Leiterbahnen, Bauteilverbindungen und/oder Steckverbindern entstehenden Induktivität. Diese elektromagnetischen Störungen (EMV) bewegen sich normalerweise in Frequenzbereichen zwischen 50 und 200 MHz, und in diesem Frequenzbereich agieren Leiterbahnen sowie Eingangs- und Ausgangsanschlüsse unerwünschter Weise als Antennen. Dies führt sowohl zu leitungsgebundenen Störungen als auch zu Störabstrahlungen.

Die meisten Schaltwandler operieren bei Frequenzen von maximal 5 MHz, und ihre durch diese Schaltvorgänge ausgelösten Oberschwingungen sind, wenn sie die 50 MHz erreichen, bereits sehr leistungsschwach. Deswegen erscheint das Überschwingen in Messdiagrammen der Abstrahlungs-EMV als separate Grundrauschquelle. Des Weiteren können zwar die Schaltfrequenz und ihre Oberschwingungen mit diskreten LC-Filtern ausgefiltert werden, doch sind im Bereich zwischen 50 und 200 MHz viele Filterinduktivitäten nicht mehr induktiv, sondern vielmehr kapazitiv. Ihre abschwächende Wirkung ist deswegen nur noch sehr gering oder nicht mehr vorhanden. Umgekehrt sind Filterkondensatoren im Bereich zwischen 50 und 200 MHz häufig induktiv.

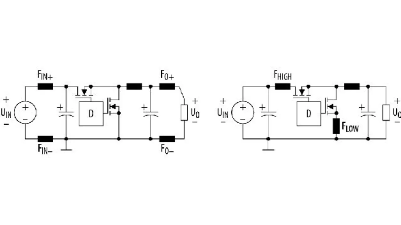
SMD-Ferrite hingegen sind wesentlich effektiver, wenn sie bei niedrigen Frequenzen (also bei 10 MHz und darunter) mit sehr niedrigen Impedanzwerten behaftet sind. Oberhalb dieser Frequenz bis hin zu 1 GHz und mehr kann die Impedanz, abhängig von Konzeption und Bauweise, allerdings sehr hoch ausfallen. Ferrite werden traditionell in Reihe mit den Eingangs- und Ausgangsverbindungen von Schaltwandlern angeordnet und können auch in Reihe mit dem Leistungsschalter platziert werden (Bild 1).

Anbieter zum Thema

zu Matchmaker+
Bild 1. Typische Anordnung von Ferritkernspulen in synchronen Buck-Wandlern.
Bild 1. Typische Anordnung von Ferritkernspulen in synchronen Buck-Wandlern.
© Würth Elektronik

  1. Überschwinger einfangen
  2. Ferrite anstelle von Widerständen
  3. Auswählen der passenden Ferritkernspule
  4. Schritt 2: Bootstrap-Durchschnittsstrom berechnen oder messen
  5. Hohe Impedanzwerte = geringere Überschwinger
  6. EMV-Emissionsdiagramm deckt Unterschiede auf

Lesen Sie mehr zum Thema


Das könnte Sie auch interessieren

Jetzt kostenfreie Newsletter bestellen!

Weitere Artikel zu Würth Elektronik eiSos GmbH & Co. KG

Weitere Artikel zu Induktive Bauelemente