D&E Black Book / Safety&Security

Java am Edge: Interpretieren statt Debuggen

1. Juli 2019, 10:33 Uhr | Dr. Constantin Tomaras, Ressortredakteur für Systemdesign, DESIGN&ELEKTRONIK
Diesen Artikel anhören

Fortsetzung des Artikels von Teil 4

Evaluationsbeispiel

Aus den vorhandenen Programmierbeispielen lässt sich bereits eine generische Anwendung konstruieren: eine Java-Berechnung steuert nach Threads und Timern, Ein-/Ausgabe und Verarbeitung der Signale (Analog In / PWM Out) und Kommunikationsbusse (I2C, SPI, UART). Für den vollen Funktionsumfang müssen die vorhandenen Programmierbeispiele lediglich um UART-Sendung und Threads erweitert werden, der I2C benötigt Pull-Widerstände, der UART ein geeignetes Shield.

An der Prüfstation der Wahl (Bild 7) kann dann die Systemzuverlässigkeit einer Java-Applikation gegen Störsignale und Versorgungsengpässe getestet werden: durch geeignete Kontaktierung wird das Timing an einem Oszilloskop validiert, etwaige Laufzeitfehler signalisiert das System.Terminal. Wer das Timing mit Konsolen-Botschaften verfolgen möchte, sollte die damit einhergehenden Variationen einschätzen können.

DESIGN&ELEKTRONIK
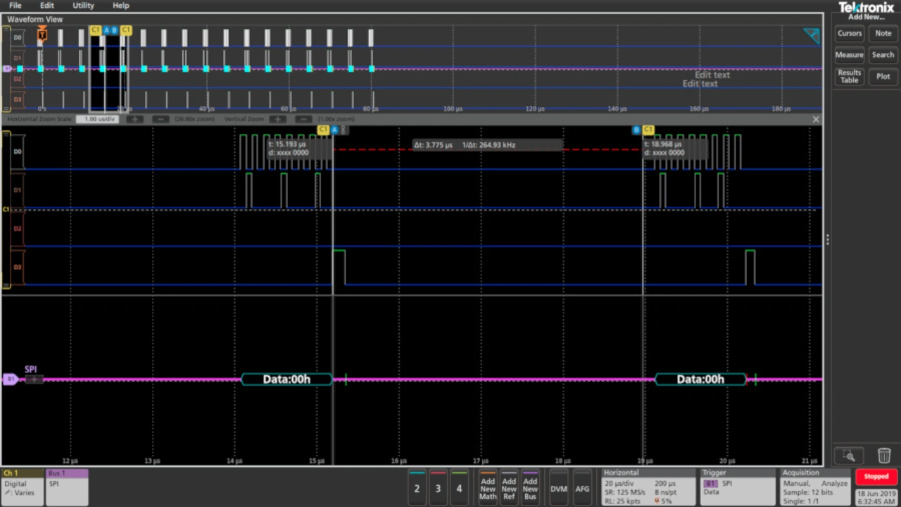
Bild 7: Timing- und Umsatzanalyse der SPI-Schleife. Bei dieser Anwendung ist die Spannung bis auf 4,1 Volt reduzierbar.
© DESIGN&ELEKTRONIK

Der Versuch schickt in regelmäßigen Abständen den String »DESIGN&ELEKTRONIK Praxistest« mit 7 MHz Taktrate über den SPI-Ausgang. Die in Java hinterlegten Intervalle zwischen zwei String-Übertragungen betragen [1 ms, 10 ms, 100 ms]. Einen Zeitwert weniger als 1 ms akzeptiert der JoC-Manager nicht mehr. Die am Oszilloskop gemessenen String-Abstände (Bild 8) betragen dann jeweils etwa [15,5 ms, 24,1 ms, 112,2 ms]. (Für den 1-ms-Abstand sind zwei Werte 15,1 ms und 16,3 ms beobachtbar.)

DESIGN&ELEKTRONIK
Bild 8a: Valide String-Botschaft bei 4,1 V V_DD ...
© DESIGN&ELEKTRONIK
DESIGN&ELEKTRONIK
Bild 8b: ... und Verbindungsabbruch bei 4,0 V V_DD.
© DESIGN&ELEKTRONIK

D.h. auf dem SPI-Weg liegen hier etwa 10 ms Latenzzeit, die wahrscheinlich der dynamischen Speicherreservierung jeder neuen String-Übertragung in der JavaVM zuzuordnen sind. Bis zur Versorgungsspannung 4,1 V sind die SPI-Signale noch valide, absteigend mit 4,0 V treten Signalfehler auf (Bild 8). Der Energie-Umsatz der SPI-Schleife beträgt 405 mV bei 5,1 V und 282 mV bei 4,1 V. Sehr komfortabel: mit dem Modul-Design liegt für jeden I/O-Port bereits ein Tastpunkt frei (vgl. Bild 3).


  1. Java am Edge: Interpretieren statt Debuggen
  2. Das JoC-Modul
  3. JoC-Manager: Effektive IDE
  4. Java versus C
  5. Evaluationsbeispiel
  6. Fazit

Lesen Sie mehr zum Thema


Das könnte Sie auch interessieren

Jetzt kostenfreie Newsletter bestellen!

Weitere Artikel zu demmel products gmbh

Weitere Artikel zu Betriebssysteme

Weitere Artikel zu Industrie-Computer / Embedded PC