Würth Elektronik eiSos

Das USB-Interface aus EMV-Sicht

2. Februar 2017, 10:46 Uhr | Nicole Wörner
Diesen Artikel anhören

Fortsetzung des Artikels von Teil 1

Realisierung des USB-Filters

Würth eiSOS
Bild 3: Beispiel für den Verlauf der komplexen und realen Permeabilitätsanteile eines „HF“ – Ferritmaterials
© Würth eiSOS


Beides lässt sich über zusätzliche Filter in den USB-Schnittstellen erfüllen. Bild 2 zeigt die Grundschaltung eines symmetrischen USB-Signalfilters. Kapazitäten bis ca. 3 pF zwischen Datenleitung und Masse sind bei USB 2.0 tolerabel, darüber hinaus wird das Signal zu stark beeinträchtigt, so dass nichtlineare Verzerrungen auftreten, die wiederum Phasenverschiebung und Dämpfung im Oberwellenanteil des Nutzsignals verursachen. Die Kondensatoren C2 und C3 reduzieren mit der stromkompensierten Drossel die symmetrischen Störanteile.

Auf das Signal wirkt die Kapazität C2/2 bzw. C3/2. Es versteht sich von selbst: C2 = C3. C1 reduziert die symmetrischen Störanteile und wirkt somit auch auf das Nutzsignal, seine Kapazität sollte kleiner 4 pF sein. Die Werte hängen auch stark von den Eigenschaften der stromkompensierten Drossel ab. Die Drossel muss eine hohe Symmetrie bei kleiner Streukapazität zwischen L1a und L1b aufweisen.

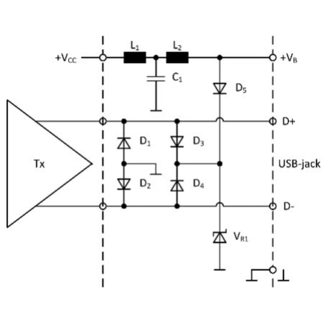
Des Weiteren muss der Realteil der Ferritpermeabilität – das ist der induktive Anteil – klein sein und im Nutzfrequenzbereich liegen. Dagegen muss der resistive Anteil der Permeabilität – das ist der komplexe Anteil – groß sein und im zu filternden Frequenzbereich liegen. Bild 3 verdeutlicht die Zusammenhänge. Transiente Störsignale wie ESD und Bursts können grundsätzlich mit Varistoren begrenzt werden. Jedoch haben sie eine hohe Kapazität, daher eignen sie sich nicht für eine Begrenzung von Transienten am USB. Eine Begrenzung mit einem TVS-Dioden Array ist in Bild 4 dargestellt.

Sowohl Transiente auf D+ als auch auf D- werden gegen Masse auf die Durchlassspannung VF der Dioden begrenzt. Eine zusätzliche TVS-Diode mit einer Begrenzungsspannung von 6 V setzt den Schwellwert auf ca. 6,7 V. Das ist für den Schutz ausreichend, TVS-Dioden kleinerer Begrenzungsspannung sind zu langsam, um ESD zu begrenzen. Im Versorgungsspannungszweig ist ein T-Filter mit zwei SMD-Ferriten und einem keramischen Kondensator. Der verlustbehaftete Anteil der Permeabilität sollte bei etwa 30 MHz deutlich ansteigen, der induktive Anteil ist unkritisch, weil keine Signale beeinflusst werden. Ein wichtiger Parameter ist die Stromtragfähigkeit, die in den Datenblättern bei 20°C angegeben wird. Sie sollte ausreichend für die jeweilige Applikation gewählt werden.

Würth eiSOS
Bild 4: TVS-Diode zur Burst & ESD-Entstörung
© Würth eiSOS

  1. Das USB-Interface aus EMV-Sicht
  2. Realisierung des USB-Filters
  3. Praxisbeispiel – Filter für die DC-Versorgung
  4. Die Würth-Elektronik-Lösung

Lesen Sie mehr zum Thema


Das könnte Sie auch interessieren

Jetzt kostenfreie Newsletter bestellen!

Weitere Artikel zu Würth Elektronik eiSos GmbH & Co. KG

Weitere Artikel zu EMV-Messtechnik