Würth Elektronik eiSos

Das USB-Interface aus EMV-Sicht

2. Februar 2017, 10:46 Uhr | Nicole Wörner
Diesen Artikel anhören

Fortsetzung des Artikels von Teil 2

Praxisbeispiel – Filter für die DC-Versorgung

Würth eiSOS
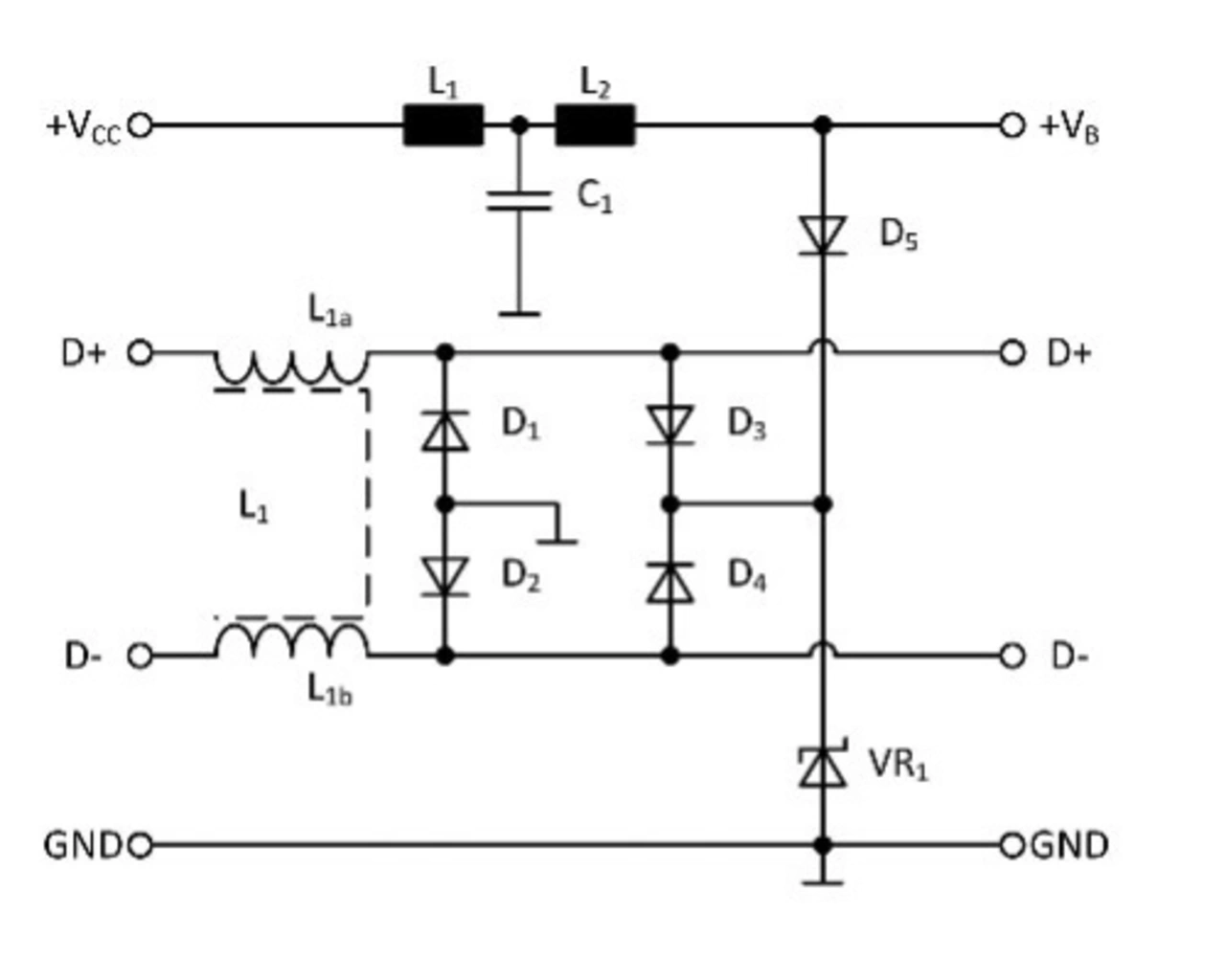
Bild 5: Gesamtschaltbild des USB-2.0-Filters
© Würth eiSOS

Bild 5 zeigt das Gesamtschaltbild der Entstörung. Der SMD-Ferrit hat bei 30 MHz bereits eine Impedanz von 300 Ω, davon 200 Ω resistiv – also „ohmscher“ Anteil. Im Bereich von ca. 80 bis 500 MHz, in dem bei USB-Datenübertragung die höchsten Störungen zu erwarten sind, hat der Ferrit seine maximale Impedanz, ab 200 MHz praktisch nur verlustbehaftet. Ab 200 MHz wirkt der Ferrit wie ein ohmscher Widerstand ohne Blindanteile – Bild 6 zeigt den Impedanzverlauf.

Der hier verwendete Kondensator WCAP-CSGP 885012206051 hat folgende Kenndaten: Max. Spannung: 16 V, Kapazität: 680 nF, Toleranz: 10 %, Keramik: X5R. Der Kondensator sollte seine serielle Resonanzfrequenz über 500 MHz haben, das hängt vom Dielektrikum und von der Bauform ab. Kleine Bauformen wie 0603 oder kleinere mit verlustbehaftetem Dielektrikum wie X5R oder YUV sind gut geeignet. Verlustbehaftete Dielektrika zeigen weniger ausgeprägte Resonanzen, was für Filter im Versorgungsspannungsbereich anzustreben ist. Das so aufgebaute T-Filter für die Versorgungsspannung hat eine hohe Einfügungsdämpfung. Die T-Schaltung wurde deshalb gewählt, weil man davon ausgehen muss, dass sowohl Quelle als auch Senke im Stromversorgungsbereich nieder impedant sind. So ergibt sich eine optimale Fehlanpassung und dadurch die maximale Dämpfung.

Datenleitungsfilter
 
Das Herz des Datenleitungsfilters ist die Stromkompensierte Drossel WE-CNSW 744232090. Sie weist wegen ihrer Wicklungstechnik und der wenigen Windungen eine hohe Symmetrie und geringe parasitäre Kapazitäten auf. Aufgrund der hohen Permeabilität des Ferritmaterials ist eine hohe Einfügungsdämpfung erreichbar. Bild 7 zeigt den Impedanzverlauf der Drossel im „Common Mode“. Das ist ihre Gleichtakt- oder Asymmetrische Impedanz, die dann wirkt, wenn auf D+ und D– die gleichen Störanteile gegenüber Masse sind. Das ist bei kapazitiven oder induktiven Kopplungen auf die Schaltung oder dessen Leiterbahnen immer der Fall.

Dieser Impedanzanteil muss also möglichst hoch sein. Die Filterkondensatoren bilden am Ausgang des Filters einen Tiefpass 2. Ordnung. Anstelle von Kondensatoren wird hier ein Dioden-Array verwendet. Die integrierten Dioden besitzen auch eine Kapazität, eine parasitäre Kapazität, die wir uns hier zu Nutze machen. Zudem ist die parasitäre Induktivität der TVS-Dioden im Array sehr niedrig, das muss so sein, da sonst die kurze Reaktionszeit auf die Überspannungs-Transienten nicht erreicht werden kann. So kombinieren wir einen nahezu idealen Kondensator mit einem effektiven Transienten-Schutz.

Würth eiSOS
Bild 6: Impedanzverlauf des SMD-Ferrits 742 792 651
© Würth eiSOS
Würth eiSOS
Bild 7: Impedanzverlauf der WE-CNSW 744 232 090
© Würth eiSOS

  1. Das USB-Interface aus EMV-Sicht
  2. Realisierung des USB-Filters
  3. Praxisbeispiel – Filter für die DC-Versorgung
  4. Die Würth-Elektronik-Lösung

Lesen Sie mehr zum Thema


Das könnte Sie auch interessieren

Jetzt kostenfreie Newsletter bestellen!

Weitere Artikel zu Würth Elektronik eiSos GmbH & Co. KG

Weitere Artikel zu EMV-Messtechnik