Neue Doppelpuls-Test-Software für AFGs

Schnellere Leistungseffizienztests

6. November 2019, 14:20 Uhr | Nicole Wörner
Diesen Artikel anhören

Fortsetzung des Artikels von Teil 1

Was ist die Doppelpulsmethode?

Die Doppelpulsmethode ist ein Verfahren zur Messung der Schaltparameter und zur Auswertung des dynamischen Verhaltens von Leistungsbausteinen. Sie dient der Bestimmung folgender Parameter:

•    Einschaltparameter: Einschaltverzögerung td(on), Anstiegszeit tr, ton (Einschaltzeit), Eon (Einschaltenergie), dv/dt und di/dt. Anschließend wird der Energieverlust ermittelt.
•    Ausschaltparameter: Ausschaltverzögerung td(off), Abfallzeit (tf), toff (Ausschaltzeit), Eoff (Ausschaltenergie), dv/dt und di/dt. Anschließend wird der Energieverlust ermittelt.
•    Parameter für die Reverse-Recovery: trr (Reverse-Recovery-Zeit), Irr (Reverse-Recovery-Strom), Qrr (Reverse-Recovery-Ladung), Err (Reverse-Recovery-Energie), di/dt und Vsd (Forward-Spannung).
Der Doppelpulstest wird durchgeführt zur Bestimmung von:
•    Garantierten Spezifikationen des Datenblattes für Leistungsbausteine wie MOSFETs und IGBTs.
•    Ist-Werten und Abweichungen der Leistungsbausteine oder -module
•    Schaltparametern bei unterschiedlichen Strömen unter Beachtung der Bausteinstreuung.

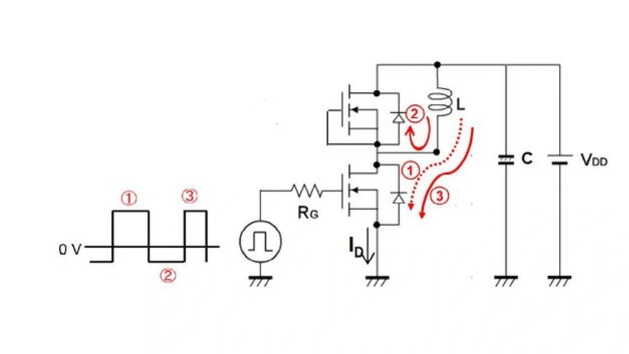
Der Doppelpulstest wird in der Regel wie in Abbildung 4 aufgebaut. Der Test wird mit einer induktiven Last und einer Spannungsversorgung durchgeführt. Der Induktor dient zur Nachbildung von realen Schaltungsbedingungen wie in einemechten Umrichterdesign. Ein arbiträrer Funktionsgenerator wird verwendet, um die Impulse auszugeben, die das Gate des MOSFETs triggern und einschalten, um den Stromfluss zu regeln.
 

Abbildung 4: Der Doppelpuls erfolgt mit einer induktiven Last und einer Spannungsversorgung.
Abbildung 4: Der Doppelpuls erfolgt mit einer induktiven Last und einer Spannungsversorgung.
© Tektronix

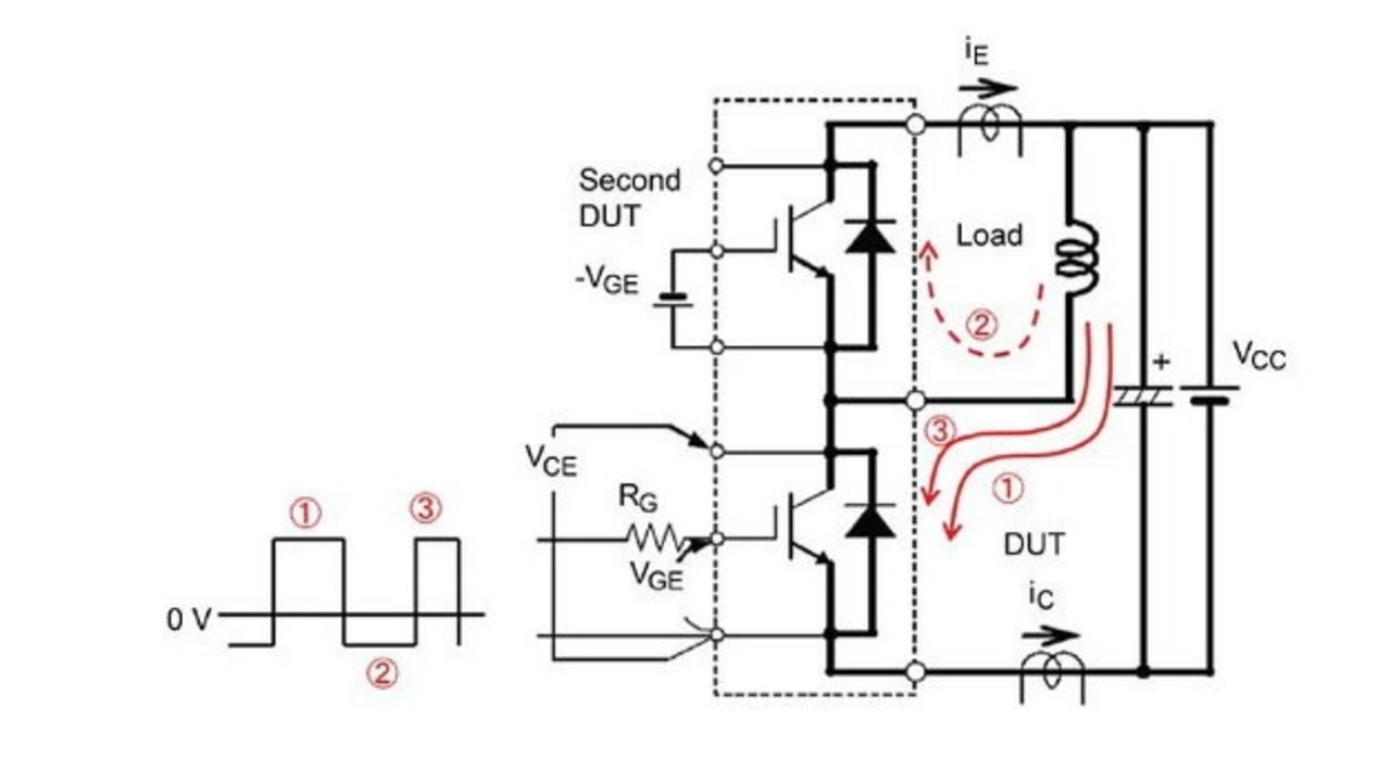
Abbildung 5 zeigt den Stromfluss innerhalb der verschiedenen Phasen des Doppelpulstest mit einem MOSFET. Die gleiche Stromrichtung gilt auch bei Verwendung von IGBTs, wie in Abbildung 6 dargestellt. Abbildung 7 zeigt die Messungen, die an dem Low-Side-MOSFET- oder -IGBT durchgeführt werden. 

Abbildung 5. Der Strom folgt den angegebenen Richtungspfeilen - mit MOSFETs als DUTs.
Abbildung 5. Der Strom folgt den angegebenen Richtungspfeilen - mit MOSFETs als DUTs.
© Tektronix
Abbildung 6. Der Strom folgt den angegebenen Richtungspfeilen - mit IGBTs als DUTs.
Abbildung 6. Der Strom folgt den angegebenen Richtungspfeilen - mit IGBTs als DUTs.
© Tektronix
Abbildung 7: Hier sind die typischen Signalformen, die sich aus dem Doppelpulstest ergeben.
Abbildung 7: Hier sind die typischen Signalformen, die sich aus dem Doppelpulstest ergeben.
© Tektronix

Werfen wir nun einen Blick auf die verschiedenen Phasen der Doppelpulsmethode und weshalb es wichtig ist, die Kontrolle über die Impulsbreite und das Timing zu haben. (Beachten Sie, dass sich diese Schritte auf die Abbildungen 5, 6 und 7 beziehen.)

•    Der erste Schritt, der durch den ersten Einschaltimpuls repräsentiert wird, ist die anfänglich eingestellte Impulsbreite. Dadurch wird ein Strom in der Spule aufgebaut. Dieser Impuls wird so eingestellt, dass er den gewünschten Prüfstrom (Id) erzielt, wie in Abbildung 7 dargestellt.
•    Der zweite Schritt ist das Ausschalten des ersten Impulses, was den Strom in der Freilaufdiode erzeugt. Die Ausschaltzeit ist kurz, um den Laststrom so nah wie möglich an einem konstanten Wert zu halten. Dies ist in den Abbildungen 5 und 6 zu sehen, wenn der Strom durch die Diode des High-Side-MOSFETs oder -IGBTs fließt. 
•    Der dritte Schritt wird durch den zweiten Einschaltimpuls repräsentiert. Die Impulsbreite ist kürzer als die des ersten Impulses, sodass das Bauelement nicht überhitzt. Der zweite Impuls muss dennoch lang genug sein, damit die Messungen sauber durchgeführt werden können. Der in Abbildung 7 zu sehenden Überschwinger ist auf die Reverse-Recovery der Freilaufdiode aus dem High-Side-MOSFET/IGBT zurückzuführen. 
•    Die Messungen der Ein- und Ausschaltzeiten werden dann beim Ausschalten des ersten Impulses und beim Einschalten des zweiten Impulses erfasst.
 


  1. Schnellere Leistungseffizienztests
  2. Was ist die Doppelpulsmethode?
  3. Doppelpulstest-Setup
  4. Weiter geht's mit der Messung

Lesen Sie mehr zum Thema


Das könnte Sie auch interessieren

Jetzt kostenfreie Newsletter bestellen!

Weitere Artikel zu Tektronix

Weitere Artikel zu Tektronix GmbH

Weitere Artikel zu Analysatoren und Generatoren