Neue Doppelpuls-Test-Software für AFGs

Schnellere Leistungseffizienztests

6. November 2019, 14:20 Uhr | Nicole Wörner
Diesen Artikel anhören

Fortsetzung des Artikels von Teil 3

Weiter geht's mit der Messung

Nachdem alle elektrischen Anschlüsse sicher angeschlossen sind, schließen wir die Tastköpfe vom Oszilloskop an Q2 (Low-Side-MOSFET) an, wie in Abbildung 11 dargestellt. Da das VGS anfällig für Gleichtaktstörungen ist, haben wir einen Tastkopf mit einer hohen Gleichtaktunterdrückung gewählt. Eine Differentialtastkopf wurde an VDS angeschlossen und ein Stromtastkopf über eine Schleife an die Sourceleitung des MOSFETs angebracht.

Abbildung 11: Dies sind die Testpunkte für dieses Beispiel.
Abbildung 11: Dies sind die Testpunkte für dieses Beispiel.
© Tektronix

In Hinsicht auf den AFG wurde die Amplitude der Impulse auf 2,5V eingestellt. Die Impulsbreite für den ersten Impuls wurde auf 10µs, der Abstand auf 5µs und der zweite Impuls mit einer Impulsbreite von 5µs eingestellt. Die Stromversorgung ist auf 100V eingestellt und das Oszilloskop wurde so parametriert, dass nur eine einzige Akquisition nach dem Triggerevent aufgezeichnet wird. Der AFG lieferte die folgenden Ausgangsimpulse, was zu den in Abbildung 12 dargestellten Signalformen führte. 

Abbildung 12: Betrachtet man die Signalformen, so ist das Überschwingen des Stromes Ids auf die Reverse-Recovery der Freilaufdiode aus dem High-Side MOSFET/IGBT zurückzuführen.
Abbildung 12: Betrachtet man die Signalformen, so ist das Überschwingen des Stromes Ids auf die Reverse-Recovery der Freilaufdiode aus dem High-Side MOSFET/IGBT zurückzuführen.
© Tektronix

Wie wir sehen können, ähneln die Signalformen denen aus Abbildung 7. Der aktuelle Überschwinger, der auf Ids zu sehen ist, ist auf die Reverse-Recovery der Freilaufdiode aus dem High-Side MOSFET/IGBT zurückzuführen. Diese Spannungsspitze ist Teil des DUTs und trägt zu den Leistungsverlusten bei.
Um die Einschalt- und Ausschaltparameter zu berechnen, haben wir uns die fallende Flanke des ersten Impulses und die steigende Flanke des zweiten Impulses angesehen. Die typische Methode zur Messung der Ein- und Ausschaltparameter ist in Abbildung 13 dargestellt und beinhaltet die folgenden Schritte.

•    td(on): Zeitintervall zwischen VGS bei 10% und Vds bei 90% seiner Spitzenamplitude.
•    Tr: Zeitintervall zwischen VDS bei 90% und 10% seiner Spitzenamplitude.
•    td(off): Zeitintervall zwischen VGS bei 90% seiner Spitze und Vds bei 10% seiner Spitzenamplitude.
•    Tf: Zeitintervall zwischen VDS bei 10% und 90% seiner Spitzenamplitude.
 

Abbildung 13: Einschalt- und Ausschaltparameter werden nach diesem Industriestandard berechnet.
Abbildung 13: Einschalt- und Ausschaltparameter werden nach diesem Industriestandard berechnet.
© Tektronix

Abbildung 14 zeigt die Signalformen, die im Bereich der Einschaltparameter erfasst wurden. Mit den Cursors konnten wir die Timing-Parameter auslesen und dann mit der Mathematikfunktion den Einschaltverlust während dieses Übergangs berechnen. Die folgende Gleichung wurde dann zur Berechnung der Energieverluste während des Übergangs verwendet.

on=∫0tVDSI_DSdt     

Die Verwendung der Integralfunktion auf dem Oszilloskop für dieses spezifische Beispiel würde zu 4,7μJ führen. Dies ist ein relativ kleiner Energieverlust, da wir nur Nennspannung und Nennstrom verwendet haben.
 

Abbildung 14: Diese Signalformen wurden auf dem Oszilloskop für die Einschaltparameter erfasst.
Abbildung 14: Diese Signalformen wurden auf dem Oszilloskop für die Einschaltparameter erfasst.
© Tektronix

Wie beim Einschalten haben wir mit den Cursors die zeitlichen Ausschaltparameter, wie in Abbildung 15 dargestellt, ausgelesen und erneut in die Mathematikfunktion gegeben, um den Ausschaltverlust während des Übergangs zu berechnen. Wir haben auch die gleiche Gleichung von oben verwendet, um die Energieverluste während des Ausschaltübergangs zu berechnen.

Eoff=∫0tVDSIDSdt

Die Verwendung der Integralfunktion am Oszilloskop ergibt 1,68μJ.

Auch dies ist ein relativ kleiner Energieverlust, da wir nur Nennspannung und -strom verwendet haben.
 

Abbildung 15: Diese Signalformen wurden im Bereich der Ausschaltparameter erfasst.
Abbildung 15: Diese Signalformen wurden im Bereich der Ausschaltparameter erfasst.
© Tektronix

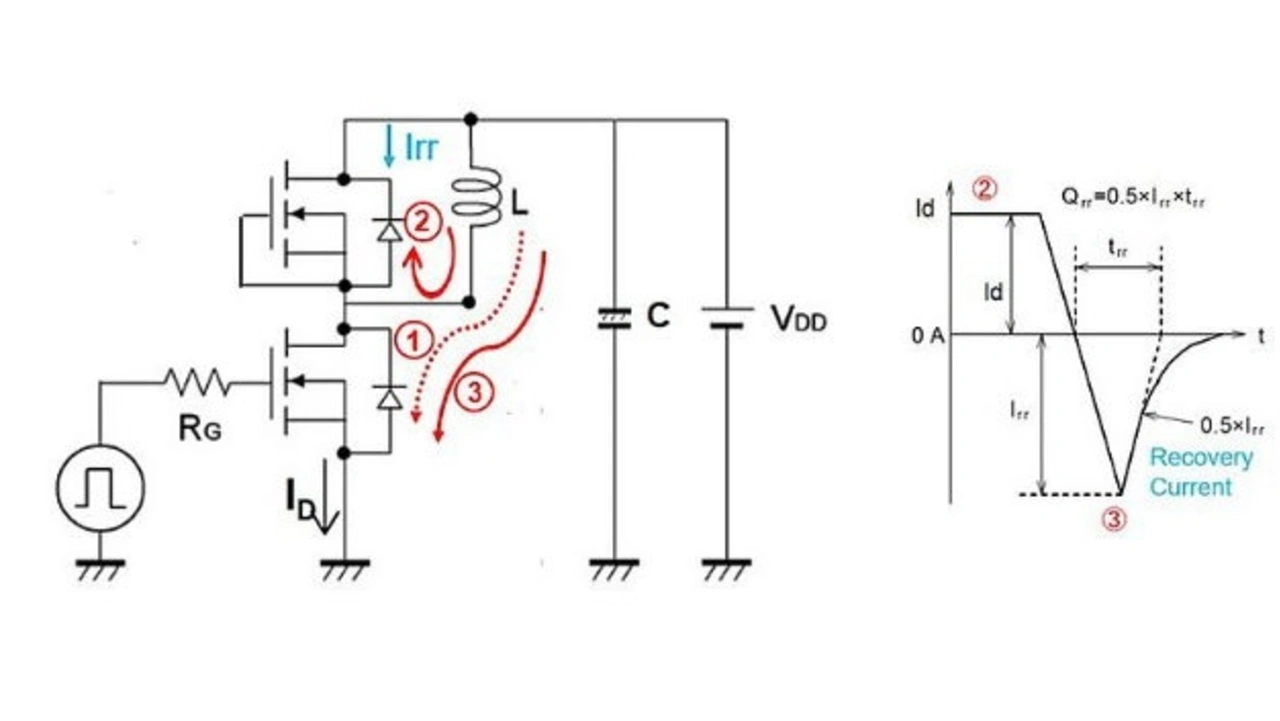
Der letzte Schritt im Testverfahren ist die Bestimmung der Sperrdiodencharakteristik des MOSFETs. Der Reversed-Recovery-Strom entsteht beim Einschalten des zweiten Impulses. Wie in Abbildung 16 dargestellt, leitet die Diode während Schritt 2 in einem Forward-Zustand. Da der Low-Side-MOSFET wieder eingeschaltet wird, möchte die Diode sofort in einen Reverse-Blockierzustand übergehen. Jedoch leitet die Diode für einen kurzen Zeitraum in einem Reverse-Zustand, der als Reverse-Recovery-Strom bezeichnet wird. Dieser Reverse-Recovery-Strom wird in Energieverluste umgewandelt, die sich direkt auf den Wirkungsgrad des Stromrichters auswirken.

Abbildung 16: Der Reverse-Recovery-Strom tritt beim Einschalten des zweiten Impulses auf.
Abbildung 16: Der Reverse-Recovery-Strom tritt beim Einschalten des zweiten Impulses auf.
© Tektronix

Die Messungen werden am High-Side-MOSFET durchgeführt. Dies geschieht durch die Messung des Stromes Id durch den High-Side-MOSFET und der Spannung Vsd über der Diode. Beachten Sie, dass Abbildung 16 auch zeigt, wie die folgenden Reverse-Recovery-Parameter abgelesen werden. Dazu gehören: trr (Reverse-Recovery-Zeit), Irr (Reverse-Recovery-Strom), Qrr (Reverse- Recovery-Ladung), Err (Reverse-Recovery-Energie), di/dt und Vsd (Forward-Ein-Spannung). 

Die in Abbildung 17 dargestellten Signalformen wurden bei 20V aufgenommen, die von der SMU eingespeist werden. Mit den Cursors konnten wir die Timing-Parameter ablesen. Auch hier haben wir mithilfe der Mathematikfunktion den Energieverlust der Reverse-Recovery während dieses Übergangs berechnet. Die folgende Gleichung wurde zur Berechnung der Energieverluste während des Übergangs verwendet.

Err = ∫0tVsdIrr,maxdt

Mit der Integralfunktion auf dem Oszilloskop ergibt sich 7μJ.
 

Abbildung 17. Diese Reverse-Recovery-Signalformen wurden bei 20V von einer SMU erfasst.
Abbildung 17. Diese Reverse-Recovery-Signalformen wurden bei 20V von einer SMU erfasst.
© Tektronix

Zusammenfassung

Die Doppelpulsmethode ist die bevorzugte Herangehensweise, um die Schaltparameter zu messen und das dynamische Verhalten von Leistungsbausteinen zu evaluieren. Test- und Entwicklungsingenieure, die diese Methode nutzen, sind an den Schaltverlusten der Leistungsbausteine oder Umrichter-Modulen interessiert. 

Der Doppelpulstest benötigt zwei Spannungsimpulse mit unterschiedlichen Impulsbreiten, was aufgrund der zeitaufwendigen Erzeugung von Impulsen mit unterschiedlichen Impulsbreiten ein bemerkenswerter Aufwand ist. Einige dieser Herangehensweisen beinhalten das Erstellen von Signalformen auf dem PC und das Hochladen in einen Funktionsgenerator. Andere verwenden Mikrocontroller, die viel Aufwand und Zeit für die Programmierung erfordern. Wie jedoch in einem realen Beispiel gezeigt, bietet ein AFG mit Doppelpulssoftware eine einfache Möglichkeit, Impulse mit unterschiedlichen Impulsbreiten schnell und zuverlässig zu erzeugen, um eine Vielzahl von Testszenarien abzubilden.
 


  1. Schnellere Leistungseffizienztests
  2. Was ist die Doppelpulsmethode?
  3. Doppelpulstest-Setup
  4. Weiter geht's mit der Messung

Lesen Sie mehr zum Thema


Das könnte Sie auch interessieren

Jetzt kostenfreie Newsletter bestellen!

Weitere Artikel zu Tektronix

Weitere Artikel zu Tektronix GmbH

Weitere Artikel zu Analysatoren und Generatoren