EMV-Filter für Umrichter

Gleichtaktdrossel und Gegentaktdrossel in Einem

28. November 2019, 12:30 Uhr | Michael Freitag, Kemet
© BMVI

Leistungselektronische Umrichter sind die Basis für die Bereitstellung regenerativer Energien und die Elektromobilität. Und deren Gewicht zu minimieren ist in diesen Anwendungen ein wichtiges Designziel. Neuartige Hybridfilter, die auf neuen magnetischen Materialien basieren, machen dies möglich.

Diesen Artikel anhören

Wie wir elektrische Energie bereitstellen und sie nutzen, ändert sich im Moment gewaltig. Erneuerbare Energieträger, die zunehmende Verbreitung drehzahlgeregelter Antriebe in Industrie- und Haushaltsgeräten sowie das Aufkommen von hybrid- und batterieelektrischen Fahrzeugen hat die Nachfrage nach geregelte elektronischen Umrichtern stark befeuert. Und dieser Trend wird sich noch verstärken.

Leider stehen viele erneuerbare Energien nicht stetig in gleichem Maße zur Verfügung. Bläst der Wind über eine Windkraftanlage unstet oder ziehen Wolken über eine Solarkraftanlage, muss diese sich ändernde Energieausbeute zunächst in eine höhere Gleichspannung gewandelt werden, die von großen Zwischenkreiskondensatoren stabilisiert wird. Daran schließt ein Umrichter an, der diese stabilisierte Gleichspannung in eine genau geregelte Wechselspannung umformt, um diese Energie ins Wechselstromnetz einzuspeisen.

Ähnlich verhält es sich bei Antriebsumrichtern für Hybrid- und Elektrofahrzeuge, deren Ausgangsfrequenz – und damit die Motordrehzahl – sich ständig an die Fahrsituation anpasst. Kompakte Abmessungen, geringes Gewicht und Erschwinglichkeit sind hier entscheidend für das Marktwachstum.

Kemet, Inverter, Filter, Passives
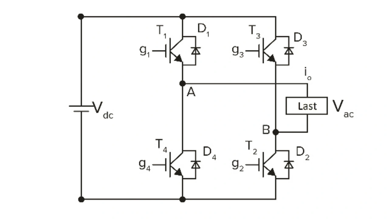
Bild 1: Ein einfacher einphasiger Vollbrückenumrichter.
© Kemet

Funktionsprinzipien und Störquellen

Ein Umrichter, wie der in Bild 1 dargestellte Brückenumrichter, kommutiert den Strom durch die Last, indem er den oberen und den unteren Leistungsschalter abwechselnd ein- und ausschaltet. Dies können IGBTs oder Superjunction-Mosfets aus Silizium sein oder – in hochwertigen Anwendungen wie Premium-Elektrofahrzeugen oder wenn höchste Energieeffizienz erforderlich ist – Leistungsschalter aus einem Wide-Bandgap-Halbleitermaterial, beispielsweise Siliziumkarbid (SiC). Jedes Gate wird nacheinander relativ zu allen anderen über ein pulsweitenmoduliertes Signal (PWM) angesteuert.

Sind die Leistungsschalter IGBTs, beträgt die Schaltfrequenz um die 20 kHz, Mosfets können mit deutlich höheren Frequenzen bis zu mehreren hundert Kilohertz arbeiten. In jedem Fall führt das schnelle Schalten dazu, dass sich die Spannung über die Transistoren abrupt ändert. Dies wiederum verursacht Schwingungen mit hochfrequentem Rauschen bei Harmonischen der Schaltfrequenz. Bei IGBT-basierten Wind- oder Solarumrichtern können Störsignale mit Frequenzen bis zu 1 MHz oder mehr auftreten. Diese und andere Störquellen, zum Beispiel das Schalten eines DC-DC-Wandlers an anderer Stelle im System, das an die AC-Netzausgangsleitungen gekoppelt wird, können die Qualität der Ausgangsspannung beeinträchtigen und Störungen verursachen. Dies kann sich auf die systemeigenen Steuersignale (zum Beispiel auf analoge Rückkopplungssignale) sowie auf nahe gelegene Geräte auswirken.

Damit sich solche Verzerrungen in einem akzeptablen Maß bewegen und um Störungen zu vermeiden, schreiben Normen wie die IEEE 1547 und UL 1741, die für Umrichter in dezentralen Stromversorgungssystemen wie Wind- oder Solargeneratoren gelten, Grenzwerte für den zulässigen Oberwellengehalt im Ausgangssignal des Umrichters vor. Der Anteil der elektromagnetischen Abstrahlung (EMI) unterliegt ebenfalls Grenzwerten, wie sie in der Norm FCC Part 15 B vorgegeben sind.

 

Kemet, Inverter, Filter, Passives
Bild 3: Drosseln und Kondensatoren am Umrichterausgang dämpfen Gleichtaktstörungen (blau) und Gegentaktstörungen (rot).
© Kemet

Schaltrauschen verringern

Um den geltenden Normen für Rauschen und EMV zu entsprechen, dämpfen Filter, die im gesamten System platziert sind, Oberwellen bei Spannung und Strom und korrigieren den Leistungsfaktor. So ist sichergestellt, dass Spannung und Strom in Phase sind und Verzerrungen in akzeptablen Grenzen bleiben.

Bild 2 beschreibt den Einsatz von Filtern, um Störungen in einem Solarumrichter zu dämpfen. Das Ausgangsfilter entfernt Transienten der Schaltfrequenz und besteht aus X- und Y-Kondensatoren, Induktivitäten und Drosseln. Diese Kombination entfernt Gleichtakt- und Gegentaktstörungen aus den wichtigsten Oberwellen der Schaltfrequenz. Bild 3 geht näher darauf ein, wie solche Filter zusammengesetzt sind. X-Kondensatoren und Drosseln entfernen Gegentaktstörungen, Y-Kondensatoren und Gleichtaktdrosseln die Gleichtaktstörungen. Gleichtaktstörungen treten auf zwei Leitungen in der gleichen Richtung auf (rote Pfeile), Gegentaktstörungen dagegen auf zwei Leitungen in entgegengesetzter Richtung (blaue Pfeile).

Kemet
Bild 3: Drosseln und Kondensatoren am Umrichterausgang dämpfen Gleichtaktstörungen (blau) und Gegentaktstörungen (rot).
© Kemet

Eine Gleichtaktdrossel hat vier Anschlüssen und zwei Leitungen, die in entgegengesetzter Orientierung um einen einzelnen Magnetkern aus Ferritmaterial gewickelt sind. Für Gleichtaktströme stellt diese Drossel eine hohe Impedanz dar, da sich die beiden Magnetfelder addieren, die durch diese Ströme induziert werden. Für die erwünschten Gegentaktströme stellt diese Drossel keine Impedanz dar, da sich die beiden Magnetfelder, die durch die Gegentaktströme induziert werden, gegenseitig auslöschen. Gegentaktstörungen sind Verzerrungen, die aus Unterschieden in den Gegentaktströmen entstehen. Die dadurch hervorgerufenen Magnetfelder heben sich in dem Fall nicht auf, sondern werden durch die in diesem Fall hohe Impedanz der Gleichtaktdrossel abschwächt.

Kemet, Inverter, Filter, Passives
Bild 4: Dual-Mode-Drosseln enthalten zwei magnetische Bauelemente in einem, was die Baugröße und die Stückliste eines Systems verringert.
© Kemet

Dual-Mode-Drosseln

Da der zunehmende Anteil von erneuerbaren Energien, Elektrofahrzeugen und diversen Motorantrieben die Nachfrage nach kompakten, leichten und erschwinglichen Umrichtern erhöht, sucht die Branche nach Möglichkeiten, die Größe, das Gewicht und die Kosten von meist sperrigen Bauteilen wie Filterkondensatoren und Drosseln zu reduzieren.

Kemet hat Ferritmaterialien entwickelt, mit denen sich Dual-Mode-Drosseln realisieren lassen, die Gleichtakt- und Gegentaktfilterung in einem Gehäuse kombinieren. Die Gesamtabmessungen entsprechen denen einer vergleichbaren herkömmlichen Gleichtaktdrossel. Bild 4 veranschaulicht das Prinzip. Der Hersteller nutzt auch die zusätzliche Designflexibilität seiner Materialien, um die Form dieser Dual-Mode-Drosseln zu optimieren. Dadurch lassen sich Gegentaktstörungen besser filtern.

Kemet, Inverter, Filter, Passives
Bild 5: Frequenzgang der neuen Dual-Mode-Drossel gegenüber einer herkömmlichen Gleichtaktdrossel.
© Kemet

Bild 5 stellt den Frequenzgang von Dual-Mode-Drosseln denen herkömmlicher Drosseln gegenüber. Der Standardtyp, der in Bild 5 durch den SSHB10H-04320 dargestellt wird, eignet sich für den Einsatz bei hohen Temperaturen. Der Typ SSHB10H-R04760 verfügt über einen hochpermeablen Kern, der die Impedanz gegenüber Gleichtaktrauschen bei identischer Leistungsfähigkeit im Gegentaktmodus weiter erhöht. Beide Drosseln sind für einen Strom von bis zu 3 A ausgelegt.


Lesen Sie mehr zum Thema


Das könnte Sie auch interessieren

Jetzt kostenfreie Newsletter bestellen!

Weitere Artikel zu KEMET Electronics GmbH

Weitere Artikel zu Servoregler/Frequenzumrichter

Weitere Artikel zu Induktive Bauelemente

Weitere Artikel zu EMV-Komponenten