Lidar-Systeme

TIA-Schnittstellen entwickeln und optimieren

17. März 2022, 8:30 Uhr | Autor: Noe Quintero, Redaktion: Irina Hübner
© temp-64GTX/stock.adobe.com

Das Design eines Lidar-Eingangs ist keine triviale Angelegenheit. Die verschiedenen Eingangskoppeloptionen für Transimpedanzverstärker (TIA) haben unterschiedliche Auswirkungen. Wie sich die TIA-Schnittstellen eines Lidar-Systems effektiv entwickeln lassen, beschreibt der Beitrag.

Diesen Artikel anhören

Ein Lidar-Eingang hat sehr viele variable Komponenten. Die Signalkette ist dabei abhängig vom gewählten Design stets unterschiedlich. Deshalb ist es wichtig, sämtliche Optionen zu betrachten, bevor man die für das eigene Projekt am besten geeignete auswählt.

Im Folgenden werden die Eigenschaften mehrerer Eingangskoppeloptionen für Transimpedanzverstärker (TIA) beschrieben und die häufig nicht beachteten Auswirkungen für jeden dieser Fälle geklärt. Ziel ist es, den Ingenieuren dabei zu helfen, die TIA-Schnittstellen eines Lidar-Systems effektiv zu entwickeln und zu optimieren. Dabei werden die besonderen Designherausforderungen hervorgehoben, wenn man einen optischen Detektor mit hoher Verstärkung mit dem TIA-Eingang koppelt.

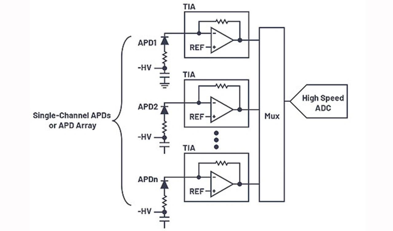
Die Signalketten von Time-of-Flight-Lidar-Receivern enthalten eine Vielzahl an Designkompromissen, die poten- ziell die Leistung des Bildverarbeitungs- systems beeinträchtigen. Die Schnittstelle zwischen dem TIA und seinen Detektoren ist Teil dieser Herausforderung. Dies trifft insbesondere für Transimpedanzverstärker zu, die mehrere Kanäle schalten.

Anbieter zum Thema

zu Matchmaker+

Funktionsblöcke von Lidar-Receivern

Ein Time-of-Flight-Lidar-System besteht aus einer sendenden und einer empfangenden Signalkette. Der Sendeteil schickt einen Photonenpuls zu einem Objekt und der Empfangsteil misst die Amplitude und Art des reflektierten Pulses.

Eine Lidar-Signalkette, die mit einem ADC quantisiert wird
Bild 1. Eine Lidar-Signalkette, die mit einem ADC quantisiert wird.
© Analog Devices

Die Zeitspanne, die das Licht vom Sender zum Empfänger benötigt, zeigt an, wie weit das Licht gelaufen ist. Grundlegend besteht die Empfangssignalkette aus einem Fotodetektor, einem TIA und einem A/D-Wandler (Bild 1).

Um die Anzahl an ADCs zu reduzieren, wird für mehrkanalige Applikationen ein Multiplexer eingesetzt. Wenn Photonen auf den Fotodetektor treffen, wird ein Strom generiert, der vom TIA in eine Spannung umgewandelt wird. Diese Spannung wird dann vom A/D-Wandler in einen digitalen Wert quantisiert.

Lidar-Signalkette, quantisiert mit einem TDC
Bild 2. Lidar-Signalkette, quantisiert mit einem TDC.
© Analog Devices

Eine weitere populäre Wahl zur Quantifizierung sind ein Komparator und ein Zeit/Digit-Konverter (TDC) (Bild 2). Solche TDC-Systeme sind um Größenordnungen kostengünstiger und benötigen wesentlich weniger Strom, ohne dabei eine geringere Systemleistung aufzuweisen. Auch wird in TDC-Systemen üblicherweise kein Multiplexer eingesetzt, kann aber implementiert werden, um die Anzahl an TDCs und Komparatoren zu verringern.

Drei dominierende Arten von Detektoren

Photodioden sind Empfänger, die Photonen in einen Strom umwandeln, bieten aber keine optische Verstärkung und sind keine populäre Wahl für Lidar-Applikationen. Ein populärer Detektor in Lidar-Systemen ist hingegen der Avalanche-Photodioden-Detektor (APD). APDs sind Fotodioden, die bis zum Durchbruch der Sperrschicht eine umgekehrte Sperrvorspannung aufweisen, was den Vorteil einer optischen Verstärkung ergibt.

Die dritte Detektorart sind Single-Photon-Avalanche-Dioden (SPADs). Ein SPAD ist mit einer exzessiven Sperrspannung rückwärts vorgespannt, die zwischen der Durchbruchspannung und einer zweiten höheren Durchbruchspannung liegt, die mit dem Schutzring (Guard Ring) des SPADs zusammenhängt. Bei dieser Sperrspannung kann ein einziger in die Sperrschicht injizierter Ladungsträger eine sich selbst erhaltende Elektronenlawine auslösen, was am Empfänger zu einer tausendfachen Verstärkung führt. Der SPAD scheint also wegen seiner hohen Empfindlichkeit die naheliegende Wahl für Lidar-Systeme zu sein.

Lidar-Systeme müssen jedoch mit vielen Einflüssen in der realen Welt kämpfen und eine zu hohe Verstärkung würde die Empfangssignalkette zu schnell in Sättigung bringen. Zudem erzeugt die überschüssige Verstärkung ein zusätzliches Rauschen, das als ENF (Excessive Noise Factor) bezeichnet wird. Der ENF hängt exponentiell mit der Sperrspannung zusammen und eine zu hohe Verstärkung kann zu einem schlechten Signal-Rauschabstand (SNR) am Empfänger führen. Jedoch sind APDs ein guter Mittelweg, da sie für den LIDAR-Bereich eine ausreichend hohe optische Verstärkung aufweisen, aber keinen zu großen ENF, um den SNR nicht negativ zu beeinflussen.

Trifft ein Photon auf einen APD, wird in der Sperrschicht ein Elektronenlochpaar erzeugt. Das starke elektrische Feld des APD arbeitet wie eine Schleuder und beschleunigt das Elektron, um weitere Elektronen herauszulösen. Das steigert die Anzahl freier Elektronen für jedes empfangene Photon.

Dieser sogenannte Avalanche- oder Lawineneffekt fügt einen Multiplikationsfaktor (M-Faktor) hinzu. Die Verstärkung, die von der Sperrspannung abhängig ist, erlaubt es, kleinere Signale zu erkennen, da die TIAs wegen ihres Grundrauschens generell der limitierende Faktor für den SNR sind. Ziel ist es, das Grundrauschen an die nächste Stufe in der Signalkette anzupassen. In diesem Fall ist das Grundrauschen der TIAs durch eine ausreichende Verstärkung des APD angepasst, um das Rauschen der Signalkette leicht zu dominieren und damit im System den besten SNR zu erhalten.

Dieses Konzept der Rauschanpassung wird in vielen Signalketten eingesetzt, in denen das Grundrauschen des Sensors nicht der limitierende Faktor ist. In der Praxis führt die Erhöhung der Leistung des Empfängers zu einem erweiterten Detektionsbereich. Ein weiterer wichtiger Vorteil von APDs ist ihre schnelle Erholung nach einer Sättigung. Dabei ist wiederum der TIA der limitierende Faktor. Lidar-spezifische TIAs sind so entwickelt, dass sich die Sättigungszeiten reduzieren lassen und ein Erblinden der Lidar-Systeme verhindert wird. Die einzige Kehrseite von APDs ist ihr relative hoher Arbeitspunkt (einige hundert Volt) und der damit verbundene hohe Temperaturkoeffizient.

Lidar stellt besondere Anforderungen an TIAs. Ein geringes Stromrauschen und hohe Bandbreiten sind typisch für alle optischen Applikationen. Ein geringer Stromverbrauch ist jedoch ebenfalls eine Notwendigkeit. Das Leistungsbudget kann sehr schnell an seine Grenzen geraten, da moderne Systeme 64 oder mehr APD-Kanäle besitzen. Daher sind stromsparende Betriebsarten nötig, wenn der TIA nicht aktiv ist. Auch müssen die Systeme in der Lage sein, schnell wieder aufzuwachen, um den Leistungsbedarf zu optimieren. Eine weitere Anforderung an moderne Lidar-TIAs sind Klemmschaltungen bei Sättigung, um das Rauschen und die Bandbreite am Eingang auszubalancieren und anzugleichen.

Einen Hauptunterschied zwischen einer üblichen optischen Signalkette und Lidar stellt die Umgebung dar, in der die Systeme eingesetzt werden. Bei Glasfaseranwendungen ist das System in sich geschlossen und sehr stabil. Bei Lidar-Systemen muss jedoch noch der Einfluss durch die Sonne und durch andere Lidar-Systeme beachtet werden. Die Sonne kann eine Eingangsgleichspannung generieren, die den linearen Bereich der Empfängersignalkette in die Sättigung treibt. Dies ist die erste große Herausforderung, die Ingenieure bei der Entwicklung solcher Systeme lösen müssen.

Überlegungen zur Eingangs-AC-Kopplung

Eine einfache Methode, das DC-Signal abzublocken, stellt Ingenieure beim Implementieren oft vor erhebliche Schwierigkeiten: Das Platzieren eines AC-Koppelkondensators zwischen dem APD und dem TIA. Denn durch den Kondensator lassen sich DC-Effekte zwar mindern, aber er bringt weitere Herausforderungen mit sich. Zunächst macht das Einfügen eines AC-Koppelkondensators an den Eingang des TIA auch einen DC-Pfad an den Detektor erforderlich.

Durch Platzieren eines Widerstands RB kann der Arbeitspunkt des APDs eingestellt werden, was es ermöglicht, den TIA-Eingang mit CIN zu verbinden (Bild 3). Allerdings verursacht der Vorspannungspfad einen parallelen Pfad, durch den der APD-Strom fließt. Dieser parallele Pfad beeinflusst die Verstärkung des APD negativ, da sein Signal geteilt wird.

RB ist nötig, um per AC-Koppelkondensator in den TIA einzukoppeln
Bild 3. RB ist nötig, um per AC-Koppelkondensator in den TIA einzukoppeln.
© Analog Devices

Das Ausmaß des Herabsetzens der APD-Verstärkung wird vom Verhältnis der Impedanz des TIA-Eingangs und dem gewählten Wert von RB bestimmt. Zusätzlich hat CIN Einfluss auf die Schaltung: Wenn der Eingang mit Strömen aus dem APD beaufschlagt wird, dann wird eine Spannung am Kondensator erzeugt. Dieser Effekt stellt sich wegen der integrierenden Stromcharakteristik von Kondensatoren ein, bei der die Spannung eine Funktion des Stroms in Abhängigkeit von der Zeit und dem Kondensatorwert ist.

Das Ziel ist es, CIN klein genug zu machen, um Ladeeffekte zu minimieren, aber groß genug, um mit einer ausreichend geringen Impedanz das Signal bei der interessierenden Frequenz übertragen zu können. Mit anderen Worten, wenn CIN zu groß ist, dauert die Entladung zu lange. Ist CIN jedoch zu klein, verliert man einen Teil des Signals als Spannungsabfall (oder Verzerrung, wenn die Pulse eine lange relative Zeitskala zur Kapazität aufweisen). Alle diese Effekte beeinträchtigen die Signalkette stark.

In Zahlen: Eine zu kleine Auslegung von CIN beeinträchtigt die Vollskalenmessung bei 200 MHz, denn ein 3-pF- Kondensator wirkt wie ein 24-Ω-Widerstand, der einen Spannungsteiler mit RIN (üblicherweise in der Größenordnung einiger Hundert Ohm für Lidar-TIAs) bildet, was den aktuellen Signalpegel um 10 % senkt. Eine zehnprozentige Abnahme des Signalpegels kann aber leicht die umfangreiche Entwicklungsarbeit zunichtemachen, die aufgewandt wurde, um andere Bereiche, wie etwa das optische Design zu optimieren. Der Fallstrick bei dieser AC-Koppelmethode zur Beseitigung der Gleichspannung wird bei der Auslegung von RB klar. RB sollte im Vergleich zur Impedanz des TIA-Eingangs groß sein, um eine Verringerung der Verstärkung zu vermeiden, aber klein genug, um die Erholung nach einer Sättigung nicht zu verzögern.

Die Ausgangs-Multiplex-Zeit (OMUX) und die Kanalschaltzeit für einen AC-gekoppelten Eingang. RB = 12 kΩ
Bild 4. Die Ausgangs-Multiplex-Zeit (OMUX) und die Kanalschaltzeit für einen AC-gekoppelten Eingang. RB = 12 kΩ.
© Analog Devices

Die Wahl von RC-Zeitkonstanten wird weiter durch die Tatsache erschwert, dass das Eingangssignal des Detektors unidirektional ist. Die Rechteckform des Eingangspulses wird mit diesem RC-Glied gemittelt und hebt den Dynamikbereich des TIAs auf. Zusätzlich kann der TIA CIN potenziell durch Kanalschalten oder Multiplexen des Ausgangs aufladen. Zum Beispiel liegt beim LTC6561 der Eingang des TIA bei einem aktiven Kanal nominal auf 1,5 V. Ist der Kanal nicht aktiv, fällt die Spannung am Eingang auf 0,9 V ab.

Wenn ein AC-Koppelkondensator zwischen dem Detektor und dem TIA-Eingang eingefügt ist, muss der Kondensator wieder auf 1,5 V geladen sein, bevor der Kanal erneut aktiv wird. Bild 4 illustriert die Leistungseinbußen eines mehrkanaligen Systems beim Kanalschalten in Abhängigkeit vom Eingangskoppelkondensator.

Man beachte, dass die Ausgangs-Multiplex-Zeit (OMUX) auch gleichzeitig vom Kanalschalten beeinträchtigt ist, da sie intern den Eingang auf gleiche Weise deaktiviert. Die Zeitspanne für die Wiederaufladung wird vom RT-Widerstand der ersten Stufe bestimmt, der üblicherweise einen Wert von einigen zehn Kilo-Ohm hat, da die Regelschleife in dieser Situation unterbrochen ist. Ein ähnlicher Effekt tritt in TIAs auf, die die Eingangsstufe im Abschaltmodus ausschalten, um Strom zu sparen. Die Eingänge müssen auch in diesem Fall wieder auf ihre Betriebspunkte auf- geladen werden und haben für das Hochfahren lange Zeitkonstanten.


  1. TIA-Schnittstellen entwickeln und optimieren
  2. Überlegungen zur TIA-Sättigung

Lesen Sie mehr zum Thema


Das könnte Sie auch interessieren

Jetzt kostenfreie Newsletter bestellen!

Weitere Artikel zu Analog Devices GmbH

Weitere Artikel zu Safety und Security

Weitere Artikel zu Maker-Boards

Weitere Artikel zu Automatisiertes Fahren