5G und DSRC V2X in autonomen Fahrzeugen

Drahtlos unterwegs in zwei Frequenzbändern

15. Mai 2023, 10:00 Uhr | Autoren: Danish Aziz, Chris Böhm und Fionn Hurley, Redaktion: Irina Hübner
Diesen Artikel anhören

Fortsetzung des Artikels von Teil 1

Ein einzelner HF-IC für V2X-Systeme

Heutige drahtlose Systeme sind bereits mit mehreren Wireless-Standards ausgestattet, wobei jeder Standard mit einem eigenen Modul oder Hardware-Teil implementiert wird. In den meisten Fällen bieten diese Module eine Lösung von der HF-Ebene bis zur Anwendungsschicht. Die Implementierung eines solchen Dual-Band-V2X-Systems und die Bereitstellung eines Koordinierungs- und Kooperationsmechanismus ist bei solchen Architekturen nicht einfach, da die Hersteller oder Anbieter der entsprechenden Module nicht die Freiheitsgrade für den Zugang zu den Zwischenschichten ermöglichen, die für die Umsetzung der Koordinierung oder Kooperation zwischen mehreren Standards erforderlich sind. Daher werden externe standardisierte Schnittstellen erforderlich sein, um diese Implementierungen mit den verfügbaren drahtlosen Modulen zu realisieren.

Notwendig ist somit ein Design, das die Implementierung eines solchen Systems ermöglicht. Die Entwicklung von Funksendern und -empfängern unter Verwendung von Software-Defined Radios (SDRs) bietet sämtliche Freiheitsgrade beim Zugriff auf digitale Daten und deren Verarbeitung auf jeder Stufe.

RadioVerse ist eine Marke von Analog Devices. Das RadioVerse-Portfolio umfasst zahlreiche Breitband-Funktransceiver, die HF in Bits umwandeln und umgekehrt. Diese Umwandlung von Signalen in das (oder aus dem) HF-Band und das Basisband basiert auf der Zero-Intermediate-Frequency(ZIF)-Architektur. Grundsätzlich wird im Vergleich zur Umwandlung mittels direkter HF-Abtastung eine wesentlich geringere Leistung benötigt, da alle Schaltungen mit einer deutlich geringeren Bandbreite arbeiten. Darüber hinaus wird ein viel einfacheres und kostengünstigeres HF-Frontend möglich, da ZIF die Anforderungen an die Filterung sowohl beim Sender als auch beim Empfänger reduziert.

 

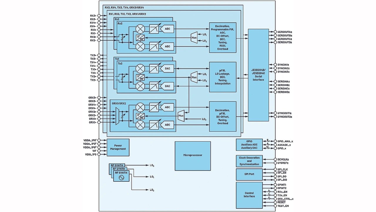
Ein Funktionsblockschaltbild des Vierfach-Senders und Vierfach-Empfängers ADRV9026 RF IC von Analog Devices
Bild 4. Ein Funktionsblockschaltbild des Vierfach-Senders und Vierfach-Empfängers ADRV9026 RF IC von Analog Devices.
© Analog Devices

Der ADRV9026 ist die jüngste Erweiterung des RadioVerse-Portfolios in der Größenordnung der Dual-Band-SDRs. Es handelt sich dabei um einen voll integrierten Ein-Chip-HF-IC. Er verfügt über vier Sende- und vier Empfangskanäle, die unabhängig voneinander programmiert und gesteuert werden können, um beliebige Trägerfrequenzen zwischen 75 MHz und 6 GHz zu senden und zu empfangen.

Die Empfangsbandbreite beträgt bis zu 200 MHz, während die Synthesebandbreite des Senders bis zu 450 MHz beträgt. On-Chip-Beobachtungspfade mit einer Bandbreite von bis zu 450 MHz sind ebenfalls vorhanden, um die Linearisierung von Leistungsverstärkern in Szenarien mit hoher Übertragungsleistung zu unterstützen. Ein Funktionsblockschaltbild des gesamten Sendeempfängers ist in Bild 4 dargestellt.

Der ADRV9026 kann in mehreren Bändern gleichzeitig senden und empfangen
Bild 5. Der ADRV9026 kann in mehreren Bändern gleichzeitig senden und empfangen
© Analog Devices

Dank der fortschrittlichen Lokaloszillator-Architektur kann der ADRV9026 in mehreren Frequenzbändern unterhalb von 6 GHz gleichzeitig senden und empfangen. Bild 5 zeigt ein Beispiel für das gleichzeitige Senden und Empfangen in verschiedenen Frequenzbändern oder verschiedenen drahtlosen Zugängen mit einem einzigen HF-IC – dem ADRV9026. Im gezeigten Beispiel sind nur drei Kombinationen von Bändern ausgewählt. Der Hersteller weist darauf hin, dass der ADRV9026 in jedem Band zwischen 75 MHz und 6 GHz eingesetzt werden kann. Dank des Vorhandenseins von vier unabhängigen HF-Kanälen im ADRV9026 lässt sich sogar eine 2×2-MIMO-Funktion für jedes einzelne Band oder jede Technologie realisieren.

Die Verwendung des ADRV9026 bringt in mehrfacher Hinsicht Vorteile:

  • Jedes Band innerhalb von C-V2X kann flexibel ausgewählt werden, wobei diese Flexibilität keinerlei zusätzliche Zertifizierungskosten verursacht.
  • Die Verwendung mehrerer kooperierender RATs erfordert eine stärkere Synchronisierung. Die Synchronisierung wird mit dem ADRV9026 einfacher, da beide Bänder von einem einzigen HF-IC gesteuert werden. Im Abschnitt »Dual-Band- und Dual-RAT-V2X-Systeme« wurden die Konzepte für ein Dual-Band-V2X-System erörtert und beschrieben, wie ein einzelner HF-IC für diesen Zweck verwendet werden kann. Auf die Architektur und das Design eines solchen Dual-Band-V2X wird in diesem Beitrag nicht näher eingegangen.
  • Mit dem ADRV9026 kann die Umwandlung von HF in Bits sehr nahe an der Antenne durchgeführt werden. Dadurch lassen sich die HF-Signalverluste in Koaxialkabeln vermeiden, die in den 5,9-GHz-V2X-Bändern deutlich höher sind.
  • Hinsichtlich der HF-Leistung erfüllt der ADRV9026 die Anforderungen an eine drahtlose Basisstation. Die derzeit vorhandenen Wireless-Module basieren auf ASICs, die für Endverbrauchergeräte entwickelt werden. Daher bietet der ADRV9026 eine höhere HF-Leistung, was eine geringere Latenz, höhere Zuverlässigkeit und höhere QoS bedeutet. All diese Metriken sorgen dann für höhere Datenraten und einen höheren Datendurchsatz, was sich in einem besseren Fahr- und Insassenerlebnis mit höherer Sicherheit niederschlägt.
  • Durch höhere Datenraten und geringere Latenzzeiten werden sicherheitsrelevante Anwendungsfälle besser unterstützt, da sie dem Fahrer oder autonomen Fahrsystemen kürzere Reaktionszeiten ermöglichen. Beispielsweise kann in einem Szenario mit hohem Verkehrsaufkommen, in dem unlizenzierte/zugewiesene Funkressourcen an ihre Überlastungsgrenzen stoßen, ein kooperatives/koordiniertes System, wie es im Abschnitt »Dual-Band- und Dual-RAT-V2X-Systemen« vorgestellt wird, gegenüber einem Standalone- oder Einzelzugangssystem höhere Zuverlässigkeit und bessere Sicherheitsstandards bieten.

Daher ist die Erfüllung der Anforderungen von V2X-Anwendungsfällen durch eine kooperative/koordinierte Implementierung mit kognitiver Intelligenz und Unterstützung durch einen einzigen HF-IC unerlässlich. Analog Devices verfügt über die Technologie, um dies in einem einzigen Baustein, wie dem ADRV9026, zu erreichen.

 

Die Autoren

 

Chris Boehm von Analog Devices
Chris Boehm von Analog Devices.
© Analog Devices

Chris Böhm

hat einen Abschluss in Telekommunikation an der Fachhochschule Regensburg und einen Master of Science von der University of Limerick, Irland, absolviert. Er kam 1995 zu Analog Devices und hat als Digital Design Engineer an verschiedenen ASIC-Produkten gearbeitet, beispielsweise an Videodecodern, an Referenzdesigns für die optische Datenübertragung und – in letzter Zeit – an HF-Systemen für den kommenden 5G-Standard. Sein derzeitiger Schwerpunkt liegt auf der digitalen Signalverarbeitung und der Entwicklung von Algorithmen für die Sub-6-GHz-Funkübertragung.
chris.bohm@analog.com

Danish Aziz von Analog Devices
Danish Aziz von Analog Devices.
© Analog Devices

Danish Aziz

ist Field Application Engineer und Experte für HF-Produkte und -Systeme bei Analog Devices. Als Teil des technischen Vertriebsteams treibt er das Unternehmenswachstum voran und kümmert sich um den technischen Support für Kunden in der EMEA-Region. Dabei liegt sein Fokus auf drahtlosen Konnektivitätsanwendungen in den Bereichen Automotive, Industrie, Verteidigung und Mobilfunk. Aziz vertritt Analog Devices in der 5G Automotive Association (5GAA). Bevor er 2017 zu Analog Devices kam, arbeitete er als Forschungs- und Entwicklungsingenieur bei Bell Labs.
danish.aziz@analog.com

Fionn Hurley von Analog Devices
Fionn Hurley von Analog Devices.
© Analog Devices

Fionn Hurley

ist Marketing Manager in der Automotive Cabin Electronics Group bei Analog Devices in Limerick, Irland. Hurley ist seit 2007 bei Analog Devices. Zuvor war er als HF-Design-Ingenieur in anderen Unternehmen tätig. Er hat einen Bachelor-Abschluss in Elektrotechnik und Elektronik vom University College Cork in Irland.
fionn.hurley@analog.com


  1. Drahtlos unterwegs in zwei Frequenzbändern
  2. Ein einzelner HF-IC für V2X-Systeme

Lesen Sie mehr zum Thema


Das könnte Sie auch interessieren

Jetzt kostenfreie Newsletter bestellen!

Weitere Artikel zu Analog Devices GmbH

Weitere Artikel zu Automatisiertes Fahren

Weitere Artikel zu Connected Car