Interview mit Apostolos Baltos

USV als Industrie-4.0-Komponente

9. November 2017, 12:00 Uhr | Ralf Higgelke
Diesen Artikel anhören

Fortsetzung des Artikels von Teil 1

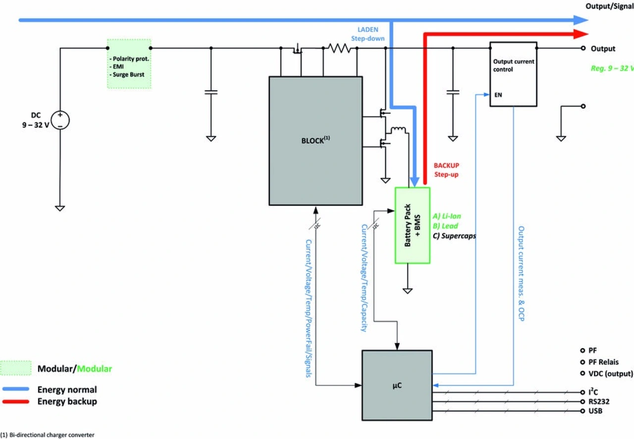
Betriebsschema der DC-USV

Wie sieht der Betrieb der DC-USV im Normalbetrieb aus und was passiert, wenn Eingangsspannung ausfällt? 

Das hängt von der USV ab. Unsere UPSi reicht im Normalbetrieb die Eingangsspannung an den Ausgang einfach weiter. Gleichzeitig misst und überwacht das System alle relevanten Parameter, beispielsweise die Eingangsspannung auf einen voreingestellten Schwellwert. Wird dieser unterschritten, trennt ein MOSFET den Eingang ab und der Ausgang mit der Last wird aus dem Energiespeicher heraus versorgt. Der Wechsel vom Netz- in den USV-Betrieb erfolgt innerhalb weniger Mikrosekunden. 

Im Normalbetrieb teilt das System die eingehende Leistung gleichmäßig auf die zu versorgende Last und den Pufferspeicher auf. Warum ist das wichtig? Was würde passieren, wenn das nicht geregelt würde? 

Da die UPSi eine sehr leistungsstarke Ladeschaltung besitzt, ist es wichtig, die Eingangsleistung konstant zu halten. Die UPSi-2406 beispielsweise hat eine nominale Leistung im Backup von circa 140 Watt. Die Ladeschaltung kann mit bis zu 4 Ampere bei 24 Volt laden, was bei einem 12-Volt-Akku um die 8 Ampere ergibt. Nehmen wir nun an, unsere Applikation wäre für 140 Watt ausgelegt und der Lader würde mit 4 Ampere laden, dann ergäbe sich ein Gesamtleistungsbedarf von etwa 236 Watt (Anm. d. Red.: 140 W plus 4 A mal 24 V). Unter Berücksichtigung des Wirkungsgrades bräuchte ich ein Netzteil der 300-Watt-Klasse am Eingang, um ein 140-Watt-System zu versorgen. So etwas ist natürlich nicht kosteneffizient.

Anbieter zum Thema

zu Matchmaker+
Bicker Elektronik
Blockschaltbild der DC-USV. Hinter dem grauen Block in der Mitte verbirgt sich der LTC3350 von Linear Technology als Herzstück des Systems.
© Bicker Elektronik

Um dieses zu umgehen, drosselt die UPSi den Ladestrom in Abhängigkeit von der Last und begrenzt somit die Leistung am Eingang der USV. Eine Überdimensionierung des speisenden Netzteils lässt sich somit vermeiden, was wiederum Geld und Platz spart.

Um zu verhindern, dass im Fehlerfall Strom aus dem Akku zurück an den Eingang fließt, nutzen Sie einen MOSFET. Wäre eine Diode nicht sinnvoller? Ein MOSFET hat ja eine parasitäre Body-Diode, sodass Strom darüber zurückfließen kann. 

Da haben Sie prinzipiell Recht, aber eine Diode am Eingang würde sehr hohe Verluste mit sich bringen – bis zu 10 Ampere mal 0,3 Volt, also circa 3 Watt. Das ist viel zu hoch! Darüber hinaus ist der trennende MOSFET so verschaltet, dass die Body-Diode in Richtung Versorgung sperrt. Zusätzlich haben wir einen bidirektionalen Wandler mit dem LTC3350 von Linear Technology als Herzstück implementiert. Als Tiefsetzsteller konfiguriert lädt dieser den Akku, sodass die Akkuspannung immer kleiner ist als die Eingangsspannung. Der Wandler trennt auch über den oberen MOSFET den Weg zum Akku je nach Bedarf. Im Backup-Betrieb arbeitet die Schaltung in anderer Richtung als Hochsetzsteller, um die Ausgangsspannung zur Last hin auf einen konstanten Wert zu regeln. Durch dieses bidirektionale Wandlerkonzept mit dem LTC3350 spart man massiv Bauteile: Statt bis zu sechs MOSFETs braucht unsere UPSi lediglich vier. Wobei eine Position aufgrund der Leistung doppelt bestückt ist. Daher ist unsere Lösung auch so kosteneffizient.

Ihre DC-USV eignet sich für verschiedene Batteriechemien. Was heißt das, und was bedeutet das für die Lade- und Entladeregelung? 

Die verschiedenen Batteriechemien beziehungsweise Energiespeicher haben jeweils ihre spezifischen Vor- und Nachteile. Daher können wir die USV und den Speicher passgenau auf die Applikation bezüglich unterschiedlicher Faktoren und Parameter hin optimieren.

Unsere UPSi kann mit herkömmlichen Lithium-Ionen-, Lithium-Eisenphosphat-Akkus, Supercaps und hybriden Akkus arbeiten. Dies erreichen wir durch die drei implementierten Ladeverfahren »Constant Current«, »Constant Voltage« und »Constant Power«. Mit diesen drei Verfahren lässt sich ein Großteil der Akkus laden.

Darüber hinaus ist es möglich bei der UPSi die Ladeschlussspannung anzupassen, indem man die Register im LTC3350 an die Referenzspannungen der Komparatoren anpasst. Das einzige, was dann im Betrieb noch zu beachten ist, sind die Temperaturkurven der Akkus. Diese werden hauptsächlich vom BMS, dem Batterie-Management-System, überwacht.

Dies alles erfolgt automatisch, wenn der Akkupack an die USV angeschlossen wird. Jeder Akkupack verfügt über ein Batteriemanagement-IC, das über den I²C-Bus an die UPSi angeschlossen ist. Ein Mikrocontroller erkennt darüber die Art und die Daten des Akkus und passt die Parameter an. Somit kann ein Kunde sich auch zu einem späteren Zeitpunkt für einen anderen Akku entscheiden. Durch die Hot-Swap-Funktion lässt sich der Akku sogar während des Betriebs wechseln.

Das heißt aber auch, dass der Kunde Akkus nicht beim Batteriekonfektionär seines Vertrauens bestellen kann, sondern nur über Bicker! 

Das ist richtig. Wir haben einiges an Intelligenz in unser BMS integriert, beispielsweise die Kommunikation zwischen BMS und Akku sowie Lebensdauerberechnungen und Lebensdauerkompensationen. Ein spezielles Feature ist der Abwurf des Akkus, wenn das System heruntergefahren ist. Das kann nicht jedes BMS, ist aber ganz wichtig, denn sonst saugt der Wandler den Akku leer und dieser gerät in die Tiefentladung. Dies ist bei einigen Akkutypen hinsichtlich der Lebensdauer ungünstig und sollte verhindert werden.

Wir setzen im BMS das neueste Gas-Gauge-IC von Texas Instruments ein, das die neuesten Technologien für die Lebensdauereinschätzung nutzt. Es berücksichtigt eine Vielzahl von Faktoren wie Lade- und Entladestrom, Temperatur, Zahl der Zyklen sowie das Einlernverfahren. 


  1. USV als Industrie-4.0-Komponente
  2. Betriebsschema der DC-USV
  3. Auswahl der Batteriechemie und Berechnung der benötigten Kapazität

Lesen Sie mehr zum Thema


Das könnte Sie auch interessieren

Jetzt kostenfreie Newsletter bestellen!

Weitere Artikel zu Bicker Elektronik GmbH

Weitere Artikel zu Energieerzeugung

Weitere Artikel zu AC/DC-Wandler/Netzgeräte

Weitere Artikel zu Energietechnik

Weitere Artikel zu IoT / IIoT / Industrie 4.0