Leistungselektronik

Höherer Wirkungsgrad dank Galliumnitrid

3. November 2015, 8:36 Uhr | von Eric Persson

Vor zwei Jahren wurden Stromversorgungen für Server vorgestellt, die einen Gesamtwirkungsgrad von über 96 Prozent bei halber Last aufweisen. Sie nutzen unter anderem Silizium-MOSFETs und SiC-Schottky-Dioden. Als nächsten Entwicklungsschritt wurden GaN-auf-Si-Transistoren mit 600 V bis 650 V angekündigt. Es stellt sich die Frage, inwiefern diese Komponenten Stromversorgungen mit noch höheren Leistungsdichten und Wirkungsgraden ermöglichen.

Diesen Artikel anhören

Eingangs sollte man zunächst die Einschränkungen betrachten, welche die existierende Silizium-MOSFET-Technologie aufweist, und klären, welche Eigenschaften die Entwickler von Stromversorgungen von einem idealen Schalter erwarten.

Die Leitungsverluste zu reduzieren ist unkompliziert: Eine größere MOSFET-Fläche oder mehrere MOSFETs parallel reduzieren den effektiven Durchlasswiderstand RDS(on) auf ein vernachlässigbares Maß. Aber das hat natürlich seinen Preis. Denn mehrere FETs bedeuten eine höhere Kapazität (und damit auch Ladung) und somit auch steigende, frequenzabhängige Schaltverluste. Für einen gegebenen Frequenzbereich müssen die Entwickler also die richtige Balance zwischen Leitungs- und Schaltverlusten definieren, um die geringsten Gesamtverluste zu erreichen. Außerdem beeinflusst das dynamische Verhalten einer FET-Body-Diode in bestimmten Topologien die frequenzabhängigen Verluste stark. Hier können neue Technologien wie GaN wesentliche Vorteile bringen.

Für einen gegebenen RDS(on) weisen die GaN-Schalter im Vergleich zu den besten heute verfügbaren Si-FETs eine geringere Ausgangsladung Qoss und Gate-Ladung QG sowie eine sehr stark reduzierte Sperrverzögerungsladung Qrr auf. Außerdem ist das Verhältnis zwischen Ladung und Spannung linearer als bei Superjunction-MOSFETs, die in heutigen Stromversorgungen die am weitesten verbreitete Hochspannungstechnologie sind. Die Linearität von Qoss spielt eine wichtige Rolle, wenn es um die Verkürzung der Totzeit geht, und ermöglicht damit einen hohen Wirkungsgrad bei hohen Frequenzen.

Die neuen GaN-Komponenten sind Transistoren mit einer hohen Elektronenmobilität (High Electron Mobility Transistors, HEMTs). Aus Kostengründen werden die HEMTs meist auf Siliziumsubstraten, anstatt auf Silizium¬karbid (SiC) oder reinem GaN gefertigt. Das wäre zwar einfacher, aber auch deutlich teurer. HEMTs sind laterale Bausteine, die entweder als Depletion-Mode- (Verarmungsbetrieb) oder als Enhancement-Mode-Transistoren (Anreicherungsbetrieb) gefertigt werden. Entwickler von Leistungselektronik bevorzugen selbstsperrende Schalter, die im Normalzustand nicht leiten (FET ist bei 0 V Gate-Spannung gesperrt), gegenüber selbstleitenden (normally-on) Schaltern. Das gilt sogar dann, wenn selbstleitende Schalter leistungsstärker wären. Der Grund dafür ist folgender: Es ist deutlich schwieriger, bei selbstleitenden Transistoren den Strom während der An- und Abschaltphasen zu steuern. Das macht einen Master-Switch oder eine Pre-Bias-Anordnung notwendig, um sicherzustellen, dass ein selbstleitender Transistor während der An- und Ausschaltphasen der Steuerschaltung nicht zufällig leitend wird.

Bild 1: Selbstsperrende 600-V-GaN-Transistoren: mit Kaskodenstruktur (links) und als Enhancement-Mode-HEMT (rechts)
Bild 1: Selbstsperrende 600-V-GaN-Transistoren: mit Kaskodenstruktur (links) und als Enhancement-Mode-HEMT (rechts)
© Infineon Technologie

Die ersten 600-V-HEMTs auf GaN-Basis waren Depletion-Typen. Die problematische Selbstleitung wurde dadurch in den Griff bekommen, dass diese Bauteile mit einem Low-Voltage-MOSFET auf Siliziumbasis kombiniert wurden. Hiermit konnte ein quasi selbstsperrendes Bauteil realisiert werden. Dieser Ansatz ist unter dem Begriff GaN-Kaskode bekannt (Bild 1). Selbstsperrende GaN-Enhancement-HEMTs mit 600 V 
waren schwieriger zu entwickeln, da sich beim Aufbau eines GaN-AlGaN-Schichtsystems ein zweidimensionales Elektronengas mit hoher Elektronenmobilität zwischen den Schichten ausbildet und somit ein inhärent eingeschalteter Transistor entsteht. Bei Enhancement-Transistoren musste ein Weg gefunden werden, diesen Kanal zu unterbrechen. Allerdings sind mittlerweile Enhancement-Mode-Transistoren am Markt verfügbar.

Komponenten mit Enhancement- und solche mit Kaskodenstruktur verfolgen zwei unterschiedliche Ansätze, um selbstsperrende 600-V-GaN-Schalter zu ermöglichen. Mit Blick auf die Gate-Treiber-Schaltung und die Rückwärtserholcharakteristik existieren Unterschiede, beide Bauelemente zeichnen sich aber im Vergleich zu den besten Si-MOSFETs durch eine wesentlich niedrigere Qrr und signifikant niedrigere Werte für Qoss und QG aus, und das bei vergleichbaren Spannungs- und RDS(on)-Klassen. Die wichtigsten Parameter dieser Bausteine sind in der Tabelle aufgeführt.

Parameter bei 600 V bis 650 V, 100 mΩ Der beste Si-Superjunction-MOSFET GaN-HEMT 
QG (typ.)  40 nC  3 nC bis 12 nC 
QOSS (typ.)  260 nC  24 nC bis 60 nC 
EOSS (typ.) 4,5 µJ 3,7 µJ bis 7,5 µJ
Qrr (typ.) 7 µC 0,0 µC bis 0,06 µC

Tabelle: Gegenüberstellung der wichtigsten Parameter von Silizium-Superjunction- und GaN-Transistoren, normalisiert auf 100 mΩ.


Die Daten stammen aus veröffentlichten Artikeln, Vorträgen und Datenblättern und sind auf einen typischen RDS(on) von 100 mΩ unter der Annahme normalisiert, dass das Produkt von R und Q konstant ist. Die Werte der Tabelle beziehen sich also nicht auf spezielle Komponenten, sie zeigen aber die Richtwerte für die Leistung der Komponenten mit der jeweiligen Technologie von verschiedenen Anbietern auf.

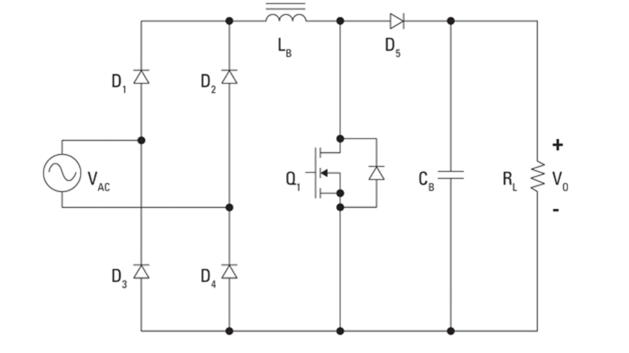
PFC-Schaltung

Bild 2: Traditionelle Boost-PFC-Schaltung. Q1 ist typischerweise ein Superjunction-MOSFET und D5 eine SiC-Schottky-Diode
Bild 2: Traditionelle Boost-PFC-Schaltung. Q1 ist typischerweise ein Superjunction-MOSFET und D5 eine SiC-Schottky-Diode
© Infineon Technologie

Wie diese Eigenschaften Stromversorgungen verbessern können, hängt sehr stark von der gewählten Topologie ab. Dies lässt sich beispielsweise an einem traditionellen PFC-Aufwärtswandler darstellen, die in Stromversorgungen für moderne Server am häufigsten genutzte PFC-Schaltung (Bild 2). Dabei handelt es sich um eine unipolare Topologie, in welcher der MOSFET den Strom nur in Vorwärtsrichtung leitet – die Body-Diode wird nie gebraucht. Nachdem diese Schaltung meistens unterhalb einer Frequenz von 100 kHz betrieben wird, sind die Gate-Ladungsverluste relativ gering, sodass der Vorteil durch ein reduziertes QG recht gering ist. Die zwei Parameter, die den Wirkungsgrad hier beeinflussen, sind der RDS(on) für die Durchlassverluste und die Energie Eoss, die bei jedem Schaltzyklus aufgrund der Entladung von Coss verbraucht wird, sobald der FET anschaltet.

Obwohl Qoss eines GaN-HEMTs deutlich geringer ist als beim besten Superjunction-Baustein, fallen die Unterschiede zwischen Superjunction und GaN beim Eoss-Wert deutlich geringer aus. Bei Superjunction-Bausteinen liegt der niedrigste Wert für Eoss zwar unter dem von Kaskoden-GaN-Komponenten, aber er ist nicht so gut wie bei Enhancement-Mode-GaN-Bausteinen. Dieses Paradoxon tritt auf, weil der Großteil der Ladung bei der Superjunction-Technik bei niedriger Spannung injiziert wird, sprich unter 50 V. Über diesem Wert, also von 50 V bis 400 V, fällt die effektive Ladung geringer aus, aber die Energie ist viel höher, wegen dQ = ½ · C(u) du²; es gilt zu beachten, dass sowohl der u2-Term als auch der Wert von C spannungsabhängig sind.

Die Folge davon ist, dass, obwohl die Ladung bei 400 V für GaN um fünf bis zehn Mal geringer ist als bei Superjunction, die Energiedifferenz deutlich kleiner ausfällt: Eoss vom besten Superjunction-Baustein ist zwar besser als bei GaN mit Kaskodenstruktur, liegt aber 15 Prozent über dem Wert eines Enhancement-Mode-GaN-Bausteins (Tabelle). Wenn also ein GaN-Schalter mit dem gleichen RDS(on) statt eines Superjunction-Schalters eingesetzt wird, ist in Topologien wie in dem PFC-Beispiel gezeigt der Unterschied im Gesamtwirkungsgrad kaum messbar.

Eingangsgleichrichter

Bild 3: Brückenlose Totem-Pole-Boost-Topologie (Vollbrücke, keine Dioden)
Bild 3: Brückenlose Totem-Pole-Boost-Topologie (Vollbrücke, keine Dioden)
© Infineon Technologie

Zur Verbesserung des Wirkungsgrads ist zu analysieren, wie die Verluste in der gesamten Schaltung verteilt sind. Die Hauptursache für Verluste im traditionellen Eingangskreis ist typischerweise nicht der Schalter, sondern der Brückengleichrichter, der während eines gesamten Zyklus zwei Dioden-Spannungsabfälle mit sich bringt. Die Vorteile von GaN-HEMTs ermöglichen den Einsatz einer brückenlosen Totem-Pole-Schaltung (Bild 3). Darin gibt es keinen Brückengleichrichter und dementsprechend auch keine Dioden-Spannungsabfälle, außer einem kurzen Spannungsabfall während der Totzeit.

Die niederfrequente Halbbrücke auf der rechten Seite schaltet die Polarität jeden halben Zyklus um, sodass die Schaltverluste vernachlässigbar sind. Lediglich die Leitungsverluste sind von Bedeutung, es können also günstige Superjunction-Bauteile eingesetzt werden. Die Halbbrücke auf der linken Seite arbeitet mit hoher Frequenz, typischerweise in einem Bereich zwischen 50 kHz und 100 kHz, wobei ein Transistor als Verstärker und der andere als synchroner Gleichrichter dient – beide wechseln ihre Rolle jeden halben Zyklus. In dieser Topologie fallen nicht nur die Dioden-Spannungsabfälle weg, sie bringt noch einen weiteren Vorteil: Sie kann in CCM-, CrCM-, DCM- und sogar ZVS-Modus (Zero Voltage Switching) betrieben werden, der eine deutlich höhere Betriebsfrequenz bei gleichzeitig hervorragendem Wirkungsgrad erlaubt.

Die brückenlose Totem-Pole-Boost-Topologie ist nicht neu, sie gibt es schon seit vielen Jahren. Aber bislang waren keine leistungsfähigen FETs mit niedrigem oder keinem Qrr verfügbar, um eine solche Schaltung zu realisieren. Werden GaN-Transistoren in dieser Topologie verwendet, können bei Betriebsfrequenzen im Megahertz-Bereich im CCM-Modus (Continuous Conduction Mode) Wirkungsgrade der PFC-Stufe von über 99 Prozent erreicht werden, wie das Center for Power Electronics Systems der Virginia Tech zeigen konnte.

Die isolierte DC/DC-Stufe in Stromversorgungen kann ebenfalls von GaN-Transistoren profitieren. Wie bereits beim PFC-Beispiel lassen sich diese Vorteile aber nicht vollständig ausschöpfen, wenn man einen GaN-Transistor einfach nur in den MOSFET-Sockel eines bestehenden Designs einsetzt. Das gilt vor allem für hartschaltende, unipolare Topologien, in denen Superjunction-Bausteine schon gute Wirkungsgrade erzielen (Sperrwandler, Zwei-Transistor-Durchflusswandler). Topologie, Steuerung, passive Komponenten und Betriebsfrequenzen, all das muss beachtet werden, soll das Design für den Einsatz von GaN-Bausteinen optimiert sein.

Geeignete Topoplogien

GaN eignet sich besonders gut für resonante Topologien wie LLC-Halb- und -Vollbrücken sowie Vollbrücken mit Regelung per Phasenverschiebung für den ZVS-Betrieb. Die niedrige Ladung von GaN-Bausteinen reduziert die zirkulierenden Ströme, die für resonantes Schalten notwendig sind. Mit ihr sinkt auch die Totzeit und dementsprechend auch der RMS-Strom sowie die Treiberleistung für das Gate. Gleichzeitig ist ein effizienter Betrieb bei höheren Frequenzen mit kleineren passiven Komponenten möglich.

Stromversorgungs-Designs können von GaN-Transistoren profitieren, indem sie existierende Controller und Treiber für Topologien wie LLC oder Vollbrücken mit Regelung mittels Phasenverschiebung für den ZVS-Betrieb nutzen und effizient auch bei Frequenzen arbeiten, die über denen von Superjunction-MOSFETs liegen. Durch Kombination dieser Topologien mit modernen Treibern und GaN-Transistoren können Stromversorgungen von morgen alle Vorteile hinsichtlich Wirkungsgrad und Leistungsdichte ausschöpfen, die Hochspannungs-GaN-Transistoren mit sich bringen.

Über den Autor:

Eric Persson ist Executive Director GaN Applications and Marketing bei Infineon Technologies in El Segundo, USA.


Lesen Sie mehr zum Thema


Das könnte Sie auch interessieren

Jetzt kostenfreie Newsletter bestellen!

Weitere Artikel zu Infineon Technologies AG

Weitere Artikel zu Leistungshalbleiter-ICs