Elektromagnetische Störungen

Filter für DC/DC-Wandler

28. April 2015, 10:28 Uhr | Ralf Higgelke
© Würth Elektronik eiSos

Unabhängig von der Topologie erzeugen Schaltregler aufgrund von Wechselstromanteilen in ihrer Zuleitung leitungsgebundene EMV-Störungen. Im Folgenden wird ein Eingangsfilter für die Power-Module der »MagI³C«-Serie von Würth Elektronik entworfen und die hierfür verwendeten Messverfahren beschrieben.

Diesen Artikel anhören
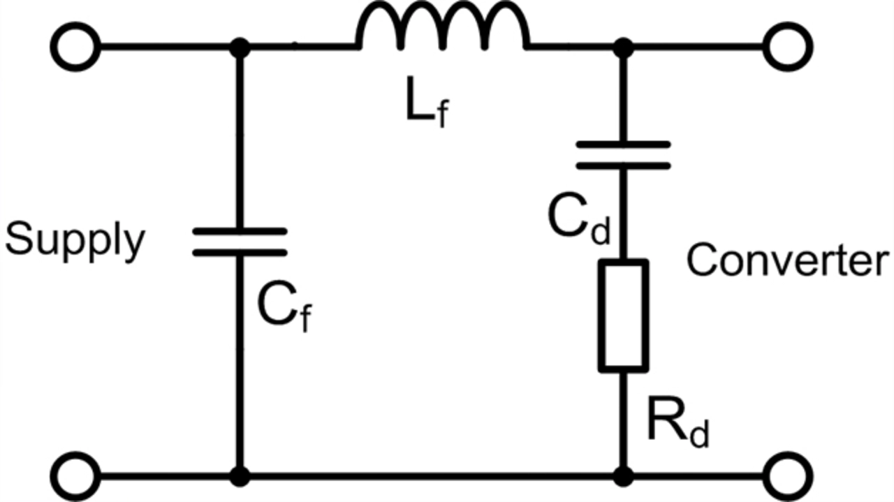
Bild 1: So entsteht im Eingangskreis des DC/DC-Wandlers eine Störspannung
Bild 1: So entsteht im Eingangskreis des DC/DC-Wandlers eine Störspannung
© Würth Elektronik eiSo

von Stefan Klein, Applikationsingenieur, und Steffen Schulze, Field Application Engineer, beide bei Würth Elektronik eiSos.

Getaktete Stromversorgungen, also auch DC/DC-Wandler, erzeugen elektromagnetische Störspannungen. Gegentaktstörungen (Differential Mode Noise) sind Störsignale in einem System mit symmetrischem Stromfluss hin und zurück zur Quelle (Source) in den Zuleitungen eines Schaltreglers. Im Eingangskreis fließt mit der Taktfrequenz des Power-Moduls ein dem Nutzstrom überlagerter Wechselstromanteil und ähnelt im Abbild dem Strom, der durch die Speicherinduktivität des Power-Moduls fließt. Der Eingangsstrom fließt in den Eingangskondensator Cin. Reale Kondensatoren verfügen über einen resistiven Anteil, den effektiven Serienwiderstand ESR, und einen induktiven Anteil, dem ESL. Der Wechselstromanteil führt über dem ESR des Eingangskondensators und den Impedanzen der Zuleitungen des Power-Moduls zu einem unerwünschten Spannungsabfall (Bild 1).

In dieser Form liegt die Funkstörspannung als Gegentaktsignal vor. Die Amplitude der Störspannung, die am Eingangskondensator entsteht, hängt maßgebend vom ESR des verwendeten Kondensators ab. Elektrolytkondensatoren verfügen über einen relativ hohen ESR, dessen Wert einige Milliohm bis einige Ohm aufweisen kann. Demzufolge kann die Störspannung wenige Millivolt bis einige Volt betragen. Keramikkondensatoren dagegen weisen einen sehr kleinen ESR von wenigen Milliohm auf und führen daher zu einer Störspannung von wenigen Millivolt. Zusätzlich beeinflusst das Leiterplattenlayout des Power-Moduls die Störspannung sehr [1].

Anbieter zum Thema

zu Matchmaker+
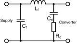
Bild 2: Durch Cd und Rd wird der Eingangsfilter bedämpft, sodass das Filter nicht zu schwingen beginnt.
Bild 2: Durch Cd und Rd wird der Eingangsfilter bedämpft, sodass das Filter nicht zu schwingen beginnt.
© Würth Elektronik eiSos

Um die Gegentaktstörungen zu reduzieren, ist mindestens ein einfacher LC-Filter am Eingang des Wandlers erforderlich. Solch ein Eingangsfilter dämpft in hochohmigen Systemen theoretisch die Störspannung mit 40 dB/Dekade im Sperrbereich. In der Praxis wird eine geringere Dämpfung erreicht, weil die Abschlussimpedanzen eher niederohmiger Natur sind und außerdem die Bauteile selbst Verluste aufweisen. Zur Dimensionierung des LC-Filters wird eine Eckfrequenz fc gewählt, die unter der Schaltfrequenz fsw des Power-Moduls liegt. Ist der Faktor ein Zehntel, wird bei der Schaltfrequenz, bei der die höchste Spektralamplitude auftritt, theoretisch eine Einfügedämpfung von 40 dB erreicht. Die Eckfrequenz eines LC-Filters lässt sich allgemein nach Gleichung (1) bestimmen, zur Berechnung des Filters wird beispielsweise eine Induktivität von 10 µH gewählt und Gleichung (1) nach Cf umgestellt (Gleichung (2)).

(1)  f subscript c space equals space fraction numerator 1 over denominator 2 space times space pi space times space square root of L subscript f space times space C subscript f end root end fraction

(2)  C subscript f space equals space fraction numerator 1 over denominator open parentheses 2 space times space pi space times space 0 comma 1 space times space f subscript s w end subscript close parentheses squared space times L subscript f space end fraction

Der Filterkondensator kann zur Spannungsquelle hin oder auf zum Eingang des Power-Moduls hin platziert sein (Bild 2). Entscheidend für die Dämpfung des aus der Spannungsquelle gezogenen pulsierenden Stromes ist die Induktivität der Filterspule.


  1. Filter für DC/DC-Wandler
  2. Design eines LC-Eingangsfilters
  3. Design eines Pi-Eingangsfilters
  4. Messung der Funkstörgrößen
  5. Gemessene Funkstörspannung

Lesen Sie mehr zum Thema


Das könnte Sie auch interessieren

Jetzt kostenfreie Newsletter bestellen!

Weitere Artikel zu Würth Elektronik eiSos GmbH & Co. KG

Weitere Artikel zu DC/DC-Wandler

Weitere Artikel zu Wandler Sonstige