Synchrone Controller für Flusswandler

Ein-Chip-Lösungen bis 400 W

17. September 2015, 9:54 Uhr | Wei Gu, Randyco Prasetyo, Fei Guo

Linear Technology bietet synchrone Controller mit aktiver Klemmung für Flusswandler mit Eingangsspannungen von 6,5 V bis über 100 V an. Mit den hochintegrierten Bausteinen lassen sich Ein-Chip-Lösungen bis 400 W Ausgangsleistung realisieren.

Diesen Artikel anhören
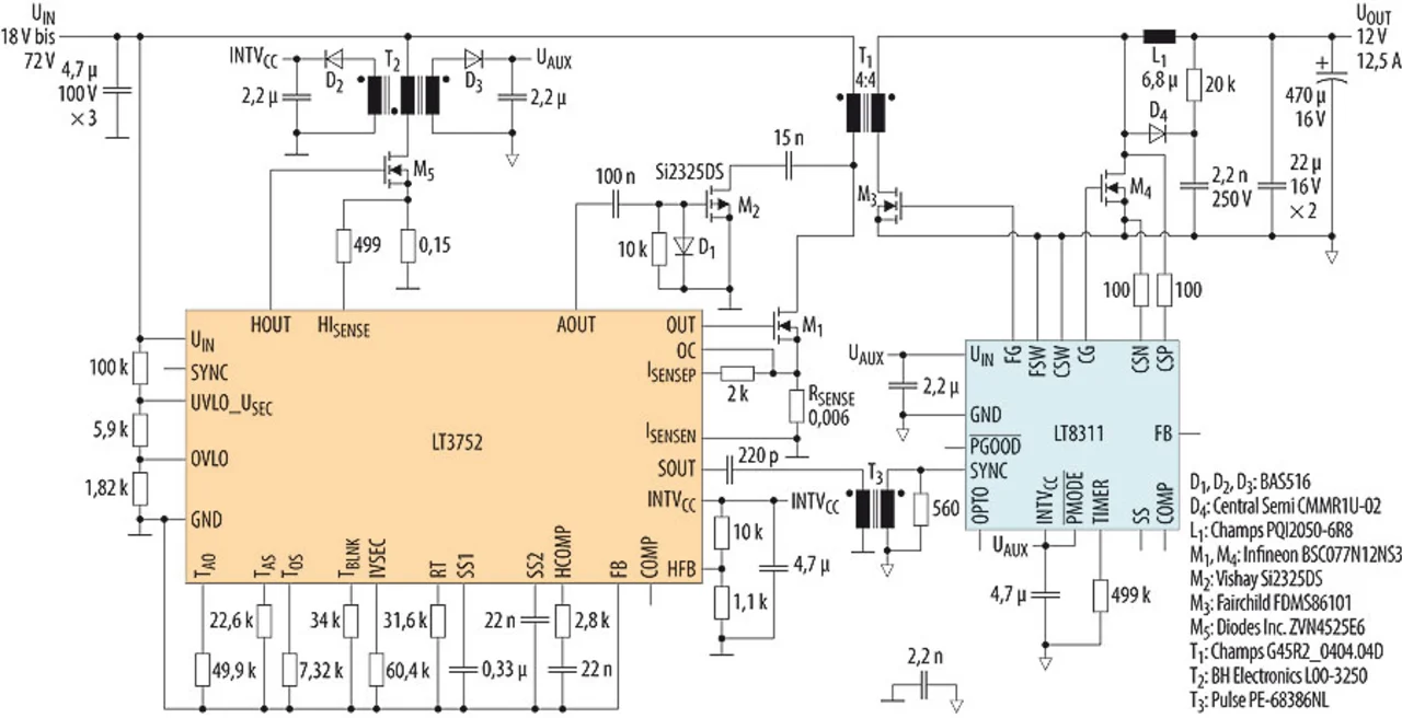
Bild 1. 150-W-Flusswandler ohne Optokoppler.
Bild 1. 150-W-Flusswandler ohne Optokoppler.
© Elektronik/Linear Technology

Bei den drei Bausteinen LT3752, LT3752-1 und LT3753 handelt es sich um hochintegrierte Flusswandler mit aktiver Spannungsklemmung, die manche externe Komponente im System überflüssig machen. Mit ihnen lassen sich kompakte und universelle Ein-Chip-Lösungen mit Ausgangsleistungen bis zu 400 W realisieren. Durch Serienschaltung der Wandlerausgänge können höhere Leistungspegel erzielt werden. Die Bauteile LT3752 und LT3753 haben Eingänge für bis zu 100 V, der LT3752-1 ist dagegen für Applikationen mit Eingangsspannungen >100 V ausgelegt und eignet sich so für HV-Autobatterien und Offline-Stromversorgungen, Industrieanwendungen sowie Automotive- und Militärsysteme.

Geregelter kopplerloser Betrieb

Bild 1 zeigt einen 150-W-Flusswandler ohne Optokoppler. Möglich wird das durch die programmierbare Voltsekunden-Klemmung des LT3752. Für einen Flusswandler, der mit kontinuierlichem Strom (Continuous Conduction Mode; CCM) arbeitet, ist die Ausgangsspannung UOUT = UIN · N · D, mit UIN als Eingangsspannung, N ist das Windungsverhältnis sekundär zu primär und D der Arbeitszyklus. Die Klemmung des Arbeitszyklus am OUT-Pin von LT3752, LT3752-1 und LT3753 folgt UIN invers, um eine konstante Ausgangsspannung UOUT über den Eingangsspannungsbereich zu erhalten.

In einem aktiven Voltsekunden-Klemmungs-Schema hängt die Genauigkeit von UOUT stark von der Genauigkeit der Voltsekunden-Klemmung ab. Einige Spannungs-Klemmlösungen nutzen ein externes RC-Netzwerk am Systemeingang, um eine interne Komparatorschwelle auszulösen. Die Genauigkeit der RC-Lösung wird aber von vielen Faktoren beeinträchtigt: vom Fehler des externen Kondensators, von Abweichungen der RC-Zeitkonstante von Bauteil zu Bauteil, von der Schaltperiode des IC, vom Fehler der internen Komparatorschwelle und der Nichtlinearität bei geringen Eingangsladespannungen.

Anbieter zum Thema

zu Matchmaker+
Bild 2. Ausgangsspannung über dem Laststrom bei verschiedenen Eingangsspannungen.
Bild 2. Ausgangsspannung über dem Laststrom bei verschiedenen Eingangsspannungen.
© Elektronik/Linear Technology

Um mit allen LT3752, LT3752-1 und LT3753 die gleiche Genauigkeit zu erzielen, sind einstellbare Timing-Kondensatoren und Komparatorschwellen vorgesehen. Bild 2 zeigt UOUT in Abhängigkeit vom Laststrom für verschiedene Eingangsspannungen.

Ist der Widerstand, der die Klemmung des Arbeitszyklus programmiert, unterbrochen, stoppt das Bauteil das Takten und verhindert den Betrieb ohne Einfluss der Voltsekunden-Klemmung.

Funktionen von Housekeeping bis Soft-Start

LT3752/LT3752-1 verfügen über einen internen Sperrwandler mit konstanter Frequenz, um eine Erhaltungsversorgung (Housekeeping) zu generieren. Diese Versorgung liefert den Bias für das primäre und das sekundäre IC und eliminiert die Notwendigkeit, die Bias-Versorgung aus zusätzlichen Windungen des Haupttransformators zu generieren, was die Transformatorkomplexität, die Größe und die Kosten reduziert.

Sie kann auch verwendet werden, um den INTVCC-Pin zu übersteuern, um Leistung von außerhalb des Bauteils aufzunehmen, was den Wirkungsgrad erhöht, zusätzlichen Treiberstrom liefert und den INTVCC-Pegel optimiert. Die Housekeeping-Funktion liefert den Bias jedes IC der Sekundärseite, bevor der Flusswandler startet. Somit ist keine externe Start-up-Schaltung auf der Sekundärseite erforderlich.

Das Unterspannungs-Lockout der LT3752/LT3752-1 kann für Spannungs-Sequenzierungoder Einschalt-Überstromschutz verwendet werden; hierzu ist einfach ein Widerspannungsteiler vom UVLO-Pin zur UIN-Versorgung zu schalten.

Der UVLO-Pin bietet eine einstellbare Eingangshysterese; damit widersteht das IC Einbrüchen der Versorgungsspannung ohne Soft-Abschaltung. Bei einer Soft-Abschaltung arbeitet der Wandler weiter im Schaltbetrieb und setzt Schaltfrequenz, Voltsekunden-Klemmung und die COMP-Pin-Spannung zurück. Die drei Bausteine bieten Micropower-Abschaltschwellen von etwa 400 mV am UVLO-Pin – der Ruhestrom am Eingang UIN beträgt dann 40 μA oder weniger.

Bilder 3 - 5

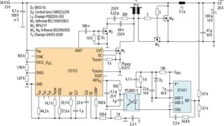
Bild 3. Die Abschaltwellenformen der Schaltung nach Bild 5 zeigt ohne Soft-Stop Oszillationen.
© Elektronik/Linear Technology
Bild 4. Die Abschaltwellenformen der Schaltung nach Bild 5 mit Soft-Stop.
© Elektronik/Linear Technology
Bild 5. 5-V/20-A-Flusswandler für Eingangsspannungen von 36 V bis 72 V.
© Elektronik/Linear Technology

Alle Bilder anzeigen (3)

Durch Kondensatoren an den Soft-Start-Pins (SS1 und SS2) wird der Spitzeneingangsstrom reduziert und ein Überschwingen der Ausgangsspannung in der Start-up-Phase oder in der Erholungsphase nach dem Auftreten von Fehlern unterbunden. Die SS1/2-Pins vermindern den Eingangsstrom durch Reduzierung der Schaltfrequenz; so wird ein schrittweises Aufladen auf den Endwert ermöglicht.

In Umkehrung der Soft-Start Start-ups können die Bausteine schrittweise den SS1-Pin (Soft-stop) während des Abschaltens entladen. Bild 3 zeigt die Abschaltwellenform des Wandlers aus Bild 5. Ohne Soft-Stop überträgt die synchrone Gleichrichterrückkopplung Kondensatorenergie zur Primärseite, was Oszillation und Zerstörung von Komponenten auf der Primärseite verhindert.

Bild 4 zeigt die Abschaltwellenform mit Soft-Stop. Der Wandler taktet weiter und setzt Schaltfrequenz, Voltsekunden-Klemmung und die COMP-Pin-Spannung zurück, was zu einem sauberen Abschalten führt.

Alle drei Bausteine verwenden eine Current-Mode-Steuerarchitektur, um die Versorgungsbandbreite zu erhöhen; für Netz- und Lasttransienten ist ein Voltage-Mode-Controller vorgesehen. Eine Current-Mode-Steuerung erfordert weniger Kompensationskomponenten und macht die Kompensation für viele Betriebsbedingungen einfacher. Für Betrieb im Continuous Mode und mit Arbeitszyklen >50 % kann die Schleifenkompensation mittels eines einfachen Widerstandes programmiert werden.


  1. Ein-Chip-Lösungen bis 400 W
  2. Programmierbare Merkmale vereinfachen Optimierung

Lesen Sie mehr zum Thema


Das könnte Sie auch interessieren

Jetzt kostenfreie Newsletter bestellen!