Eingangsspannungsänderungen an digital geregelten, isolierten DC-Wandlern

Schnell reagieren

12. Januar 2016, 12:57 Uhr | Frank Tang, Tan Jack, Mark Ng, Natarajan Ramanan
Auf elektronische Belastungen müssen die DC/DC-Wandler schnell reagieren.
© Texas Instruments

Telekommunikationsanlagen werden häufig mit elektrischen Belastungen aus der Umgebung konfrontiert, welche auf der Eingangsspannung zu Transienten führen können. DC/DC-Wandler müssen auf diese Änderungen schnell reagieren.

Diesen Artikel anhören

Telekommunikationsanlagen werden häufig mit elektrischen Belastungen konfrontiert, die aus der Umgebung oder anderen Faktoren resultieren können. Beispiele sind Blitzschläge, Anlagenfehler oder das Schalten von Kondensatorbatterien. Derartige Phänomene können auf der Eingangsspannung zu Transienten führen, die bis zu 100 V erreichen und bis zu 10 ms lang dauern können.

Verschiedene Telekommunikations-Normen wie ANSI T1.315-2001 oder ATIS-0600315.2007 enthalten Richtlinien zum Verhalten gleichstromgespeister Anlagen für Telekommunikations-Anwendungen. Insbesondere gibt es Vorschriften dazu, wie diese Einrichtungen auf Überspannungs-Ereignisse reagieren müssen. Im Einzelnen bestimmen die Normen, dass eine Stromversorgung

  • über 10 ms eine eingangsseitige Stoßspannung von 100 V verkraften muss und
  • keinen Schaden nehmen oder in seiner Leistungsfähigkeit beeinträchtigt werden darf.

Die Entwurfsvorgaben für isolierte Gleichspannungswandler nach dem neuesten Stand der Technik sehen in der Regel vor, dass jegliche transienten Bedingungen der Eingangsspannung die Ausgangsspannung um weniger als 10 % beeinflussen dürfen. Während starke Überschwinger am Ausgang zu Schäden an den nachgeschalteten Geräten führen können, haben Unterschwinger möglicherweise zur Folge, dass es bei den anschließenden Geräten zu einer Abschaltung oder zu einem Reset kommt. Bei isolierten Gleichspannungswandlern mit Synchrongleichrichtung kann ein starker Rückstrom entstehen, der die elektrischen Bauteile einer großen Belastung aussetzt und das Störaufkommen im System erhöht, was sich nachteilig auf den regulären Betrieb auswirkt.

Eine Größe, auf die Designer besonders achten müssen, ist die Anstiegsgeschwindigkeit der Eingangsspannung. Eine extrem hohe Anstiegsgeschwindigkeit, z.B. von 50 auf 75 V in 2 µs, kann häufig dazu führen, dass die Ausgangsspannung um mehr als die vorgeschriebenen ±10 % vom Sollwert abweicht. Es ist nicht zu erwarten, dass diese Vorschriften in nächster Zeit gelockert werden. Wahrscheinlicher ist stattdessen eine weitere Verschärfung dieser Vorgaben. Moderne isolierte Gleichspannungswandler benötigen deshalb eine sehr gute Regelungsmethode (Spannungsaufschaltung), um die von Eingangsspannungs-Transienten hervorgerufenen Über- und Unterschwinger der Ausgangsspannung zu begrenzen.

Anbieter zum Thema

zu Matchmaker+
Analoger Regler mit PWM-Erzeugung
Bild 1. Analoger Regler mit PWM-Erzeugung.
© Texas Instruments

Eingangsspannungs-Aufschaltung

Die Abschwächung der Ausgangsspannungs-Änderungen, die von Eingangsspannungs-Transienten innerhalb des nominellen Eingangsspannungsbereichs der Stromversorgung hervorgerufen werden, stellt für die Designer digital geregelter, isolierter Gleichspannungswandler eine Herausforderung dar. Im Gegensatz dazu gestaltet sich dieselbe Aufgabe bei traditionellen, primärseitig geregelten Lösungen recht einfach (Bild 1). Mit dem an den Komparator gerichteten Sägezahnsignal, dessen Spitzenwert proportional zur Eingangsspannung ist, wird das Tastverhältnis des Pulsweiten-Modulators (PWM) bestimmt. So wird erreicht, dass das Produkt aus Eingangsspannung und primärseitiger Einschaltzeit nahezu konstant ist – unabhängig davon, wie schnell sich die Eingangsspannung ändert. Mit dieser Methode lässt sich erreichen, dass die Ausgangsspannung sehr schnell auf Transienten am Eingang reagiert.

In digital geregelten Lösungen befindet sich der digitale Controller meist auf der dem Ausgang zugewandten Sekundärseite des Übertragers. Dies verleiht dem Controller bessere Lastregeleigenschaften und ermöglicht ihm eine einfache Kommunikation mit dem Host-Mikrocon­troller per I²C oder PMBus. Verglichen mit einem primärseitigen analogen Regler ist es für den digitalen Regler sehr schwierig, schnell auf Transienten an der Primärseite des Übertragers zu reagieren. Hinzu kommt, dass bei einer rein digitalen Lösung weitere Komplexitäten beachtet werden müssen, z.B. die Verzögerungen bei der A/D-Umsetzung, der digitalen Verarbeitung und der digitalen Pulsweiten-Modulation (DPWM).

Die Konfiguration dieses digitalen Controllers ähnelt der des analogen PWM-Controllers
Bild 2. Die Konfiguration dieses digitalen Controllers ähnelt der des analogen PWM-Controllers.
© Texas Instruments

Die Lösung

Eine digital geregelte Lösung kann das Tastverhältnis ganz ähnlich wie eine analoge Lösung regeln. Der in Bild 2 gezeigte digitale Regler kann also mit ähnlicher Leistungsfähigkeit konfiguriert werden wie der Regler in Bild 1, ohne seine digitale Flexibilität einzuschränken.

Die entscheidende Herausforderung besteht darin, ein Rampensignal wie in der analogen Lösung zu erzeugen. In isolierten Gleichspannungswandlern auf Basis der Buck-Topologie (Abwärtswandler) kann die Eingangsspannung während der effektiven Einschaltzeit des primärseitigen Schalters zur Sekundärseite reflektiert werden.

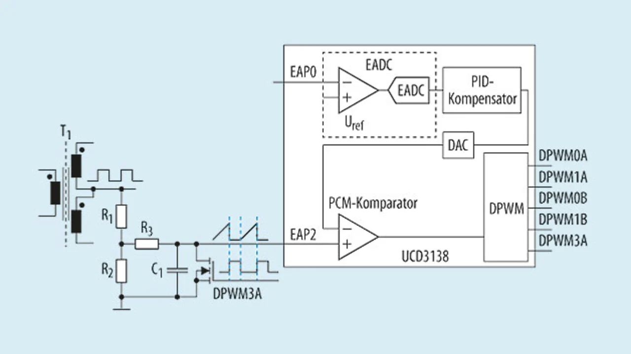
Erzeugung des Rampensignals mit einer hart geschalteten Vollbrücke
Bild 3. Erzeugung des Rampensignals mit einer hart geschalteten Vollbrücke.
© Texas Instruments

Die in Bild 3 gezeigte hart geschaltete Vollbrücke (Hard-Switching Full-Bridge – HSFB) ist ein Beispiel für eine Methode, mit der sich dieses Rampensignal erzeugen lässt. T1 ist der Leistungsübertrager der HSFB-Topologie. Wenn ein primärseitiges Schalterpaar eingeschaltet wird, lädt die zur Sekundärwicklung reflektierte Eingangsspannung den Kondensator C1 über die Widerstände R1 und R3.

Dies dauert so lange, bis der PCM-Komparator den Impuls des primären Gate-Treibers beendet, sobald die Sägezahnspannung am Pin EAP2 die Ausgangsspannung des D/A-Umsetzers (DAC) übersteigt. DPWM3A ist komplementär zum Signal des primärseitigen Gate-Treibers, das vom digitalen Controller erzeugt wird.

Vergleichstest für Eingangsspannungs-Transienten zwischen 36 V und 60 V
Bild 4. Vergleichstest für Eingangsspannungs-Transienten zwischen 36 V und 60 V. a) Vorgeschlagene Lösung: Überschwinger unter 200 mV. b) Ursprüngliche Lösung: Überschwinger über 900 mV. c) Vorgeschlagene Lösung: Unterschwinger unter 200 mV. d) Ursprüngliche Lösung: Unterschwinger über 800 mV.
© Texas Instruments

Dieser Controller wird verwendet, um C1 jeweils zur Hälfte des Schaltzyklus zu entladen. R2 wird hinzugefügt, um die Spannung am Pin EAP2 zu begrenzen, damit diese unter allen Umständen geringer ist als die maximal zulässige Spannung.

Versuchsergebnisse

Der in Bild 4 dargestellte Vergleich wurde mit einem Evaluation Module (EVM) des Typs UCD3138HSFBEVM-029 durchgeführt, einem HSFB-Demo-Modul mit einer Ausgangsspannung von 12 V. In dem EVM kommt eine nichtlineare Multiplizierer-Lösung zur Implementierung einer Eingangsspannungs-Aufschaltung zum Einsatz, mit deren Hilfe der Ausgang ein gutes Regelverhalten erzielt. Die hier vorgeschlagene Lösung kommt jedoch auf ein noch besseres Verhalten. Die Amplitude der Unter- und Überschwinger, die bei sprungförmigen Änderungen der Eingangsspannung zwischen 36 und 60 V mit einer Änderungsgeschwindigkeit von 1 V/µs entstehen, wird um den Faktor 4 reduziert. Für diesen Transiententest wurde eine untere Spannung von 36 V gewählt, weil die Ausgangsspannung unterhalb dieses Wertes nicht mehr aufrechterhalten werden kann.


  1. Schnell reagieren
  2. Vermeiden von Rückströmen

Lesen Sie mehr zum Thema


Das könnte Sie auch interessieren

Jetzt kostenfreie Newsletter bestellen!

Weitere Artikel zu Texas Instruments Deutschland GmbH

Weitere Artikel zu Texas Instruments

Weitere Artikel zu Energieerzeugung

Weitere Artikel zu DC/DC-Wandler

Weitere Artikel zu Wandler Sonstige