LC-Displays optimieren

LCD-Beleuchtung per Sensor

20. November 2018, 14:00 Uhr | Von Rich Miron, Applications Engineer bei Digi-Key Electronics
Diesen Artikel anhören

Fortsetzung des Artikels von Teil 2

Effektiver dynamischer Bereich

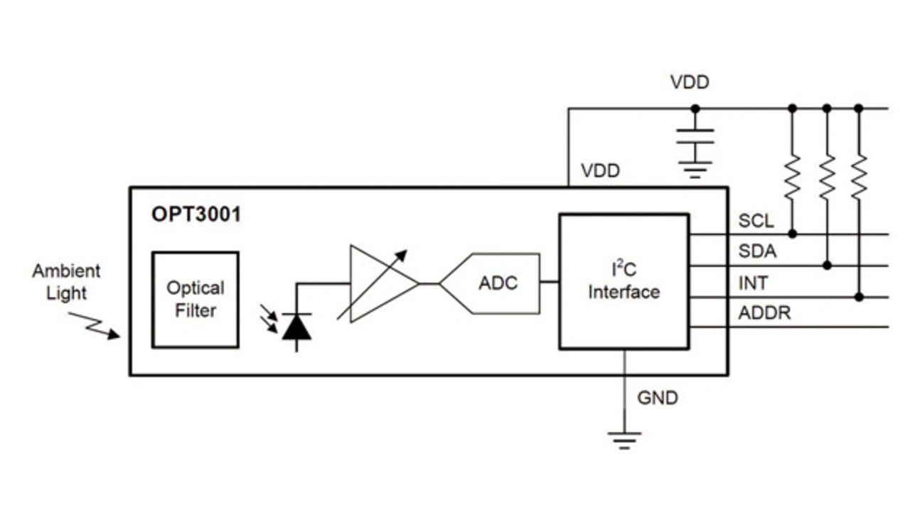
Bild: Texas Instruments
Bild 8: Das Blockschaltbild des OPT3001 von Texas Instruments zeigt den optischen Filter, der das Infrarotlicht zu 99 % unterdrückt, bevor das gemessene Signal an den integrierten Analog/Digital-Wandler weitergeleitet wird.
© Bild: Texas Instruments

Der Analog/Digital-Wandler verfügt über einen effektiven dynamischen Bereich von 23 bit mit automatischer Verstärkungseinstellung. Dieses Einzelchip-Luxmeter unterdrückt IR-Lichtsignale, während die Helligkeit des sichtbaren Lichts weiterhin gemessen wird. Unabhängig von der Lichtquelle ermöglichen die Spektralempfindlichkeit und die starke IR-Unterdrückung des OPT3001 genaue Messungen der Lichthelligkeit, wie sie vom menschlichen Auge wahrgenommen wird. Die starke IR-Unterdrückung hilft bei der Aufrechterhaltung einer hohen Genauigkeit, wenn das industrielle Design aus ästhetischen Gründen die Montage des Sensors unter dunklem Glas erfordert.
 

Anbieter zum Thema

zu Matchmaker+
Bild: Texas Instruments
Bild 9: Der OPT3001 erfasst das sichtbare Lichtspektrum sowie die Spektralempfindlichkeit des menschlichen Auges (links) und bildet selbige auf die kollektiven Ausgänge der vier Analog/Digital-Wandler ab (rechts).
© Bild: Texas Instruments

Um die Reaktion des menschlichen Auges zu erzielen, verfügt der OPT3001 über eine automatische Verstärkungseinstellung, die automatisch auf die Helligkeit des einfallenden Lichts reagiert. Die Komponente verweilt im optimalen Bereich mit guter Auflösung und hoher Genauigkeit zwischen den Bereichen. Die relative Genauigkeit zwischen den Verstärkungsbereichen beträgt 0,2 %.

Fazit

Umgebungslichtsensoren können zur Messung der Helligkeit von sichtbarem Licht verwendet werden, um dem Benutzer bei minimalem Stromverbrauch eine lesbare LCD-Anzeige zu präsentieren. Das Ziel jedes Herstellers ist es, die Spektralempfindlichkeit dieser Sensoren so gut wie möglich an die des menschlichen Auges anzupassen, eine beträchtliche IR-Unterdrückung inklusive. Dabei soll unabhängig von Lichtquelle oder Anwendung so wenig Strom wie möglich verbraucht werden. Vor diesem Hintergrund handelt es sich um eine subjektive Aufgabe, da kein Umgebungslichtsensor in diesem Artikel dem anderen gleicht. Sie unterscheiden sich hinsichtlich der verwendeten optischen Filter, der Verstärkung der sichtbaren Farben sowie der Auflösung des Analog/Digital-Wandlers und des Zufriedenheitsgrads. Das Ergebnis von Umgebungslichtsensoren ist daher den Herausforderungen der Audiobranche nicht unähnlich: Während eine Person das Aussehen oder den Klang einer Lösung annehmbar finden mag, kann eine zweite Person hierzu völlig gegensätzlicher Meinung sein. Dies gibt den Entwicklern etwas Spielraum für Kreativität und Differenzierung bei ihren LCD-Designs.


  1. LCD-Beleuchtung per Sensor
  2. Umgebungslichtsensoren von Rohm Semiconductor
  3. Effektiver dynamischer Bereich

Lesen Sie mehr zum Thema


Das könnte Sie auch interessieren

Jetzt kostenfreie Newsletter bestellen!

Weitere Artikel zu Digi-Key Corporation

Weitere Artikel zu Texas Instruments

Weitere Artikel zu ams Osram AG

Weitere Artikel zu Displays / HMI-Systeme / Panel-PCs