Oberflächenmontierbare NTC-Sensoren

Temperaturen exakt erfassen

25. September 2018, 9:15 Uhr | Von Bettina Renz
TDK-Gebäude, München
© TDK

Eine genaue Temperaturmessung wird vor allem in Anwendungen der Industrie- und Automobil-Elektronik immer wichtiger. NTC-Thermistoren haben sich dabei als zuverlässige Schlvor üsselbauelemente vielfach bewährt.

Diesen Artikel anhören

Elektronik-Baugruppen mit hohen Packungsdichten werden oft an ihren thermischen Limits betrieben. Um bei drohender Überhitzung rechtzeitig Gegenmaßnahmen einleiten zu können, ist die exakte Temperatur­erfassung unumgänglich. Oberflächenmontierbare NTC-Thermistoren in miniaturisierten Bauformen ermöglichen die dafür notwendigen hochpräzisen Messungen.

Bei NTC-Thermistoren nimmt der Widerstandswert exponentiell mit zunehmender Temperatur ab. Dadurch kann durch eine einfache Widerstandsmessung Temperaturen sehr genau bestimmt werden. NTC-Thermistoren sind bei TDK/Epcos in verschiedenen Ausführungen, Bauelementgrößen, Nennwiderständen und B-Werten erhältlich. Dabei bedeutet ein hoher B-Wert eine steile Kennlinie.

Anbieter zum Thema

zu Matchmaker+

Hohe Widerstandswerte – niedrige Verlustleistungen

Fällt die Entscheidung auf den Einsatz von Bauelementen mit hohem Nennwiderstandswert, so reduziert sich die Verlustleistung. Passend dazu bietet die Firma TDK geeignete Epscos-SMD-NTC-Thermistoren in der Baugröße EIA 0603 mit einem Widerstand von 100 kΩ an; und zwar in den Toleranzklassen ±1, ±3 und ±5 %.

Die Kennlinie ist mit dem B-Wert von 4480 K besonders steil. Das bedeutet, dass diese Thermistoren für eine hochgenaue Temperaturmessung besonders sensitiv reagieren. Dadurch und dank ihrer kurzen Ansprechzeit ermöglichen diese neuen NTCs eine präzise und schnelle Temperaturmessung in einem großen Messbereich. 

Die Bauelemente eignen sich für Anwendungen bis zu einer Temperatur von +150 °C und können für eine ganze Reihe von Applikationen in der Konsum- und Industrie-Elektronik – aber auch in der Automobilelektronik – verwendet werden. Zudem sind noch weitere Produkte mit verschiedenen B-Werten verfügbar.

Standardbaureihe mit Nennwiderstandswerten von 10 kΩ

Die neue Serie ergänzt die bestehende Serie an SMD-NTC-Thermistoren mit einem Nennwiderstand von 10 kΩ. Lieferbar sind genau genommen zwei Serien: die B57230V2103*260 mit der Baugröße EIA 0402 sowie B57330V2103*260 mit der Standardgröße EIA 0603.

Beide zusammen eignen sich für zulässige Temperaturen bis +125 °C – also für etliche Applika­tionen in der Konsum- und Industrie-Elektronik. Auch hier gelten sehr enge Toleranzen, die durch eine neue Fertigungstechnologie sowie eine robuste Glaspassivierung ermöglicht werden. All die erwähnten Eigenschaften sorgen für hohe Zuverlässigkeit und Alterungs­stabilität. 

Exakte Stromnachregelung dank schneller Temperaturerfassung

Ein typisches Beispiel, in dem NTCs als Messelemente Anwendung finden, ist die Ladeüberwachung von Akkus in mobilen Elektronik-Applikationen. Bei den in den Akkus verwendeten Ladetechnik muss nicht nur die maximal zulässige Temperatur der Akkuzellen überwacht werden, sondern auch der maximal zulässige Ladestrom der einzelnen Zelle bei der höchst zulässigen Zelltemperatur. Erreicht die Zelle durch den Ladestrom ihre Grenztemperatur, muss dieser sehr genau abgeregelt werden, um eine Beschädigung der Zelle zu vermeiden. 

Bild 1. Prinzipschaltbild einer Ladeüberwachung mit NTC-Thermistoren. Es kommen zwei NTC-Thermistoren zum Einsatz, mit denen sich extreme Temperaturunterschiede zwischen der Umgebung und dem Akku verhindern lassen.
Bild 1. Prinzipschaltbild einer Ladeüberwachung mit NTC-Thermistoren. Es kommen zwei NTC-Thermistoren zum Einsatz, mit denen sich extreme Temperaturunterschiede zwischen der Umgebung und dem Akku verhindern lassen.
© TDK /Epcos

Je genauer und schneller Temperaturänderungen der Zelle erfasst werden, umso exakter kann der Strom nachgeregelt werden. Aktuelle Ladeverfahren erlauben es also, in kürzest möglicher Zeit zu laden – ohne das Risiko einer thermischen Überlastung eingehen zu müssen. In einigen Applikationen, zum Beispiel der Schnellladung, ist es zudem sinnvoll, auch die Umgebungstemperatur zu erfassen, um zu große Temperaturunterschiede zwischen den Zellen und der Umgebung zu vermeiden. Dazu kann ein zweiter NTC-Thermistor direkt auf der Platine der Lade-Elektronik integriert werden – Bild 1 zeigt eine solche Schaltung.

Halbleiter vor Überhitzung schützen

Die neuen SMD-NTC-Thermistoren können dank ihrer geringen Baugröße (z.B. EIA 0402) direkt in der Nähe von Micro-Controllern und anderen Hotspots auf der Platine verbaut werden. Der gute thermische Kontakt zur Leiterplatte über die Lötverbindungen bei gleichzeitig vernachlässigbarer Selbsterwärmung sorgt für eine sehr präzise thermische Überwachung empfindlicher Halbleiter. 

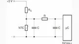
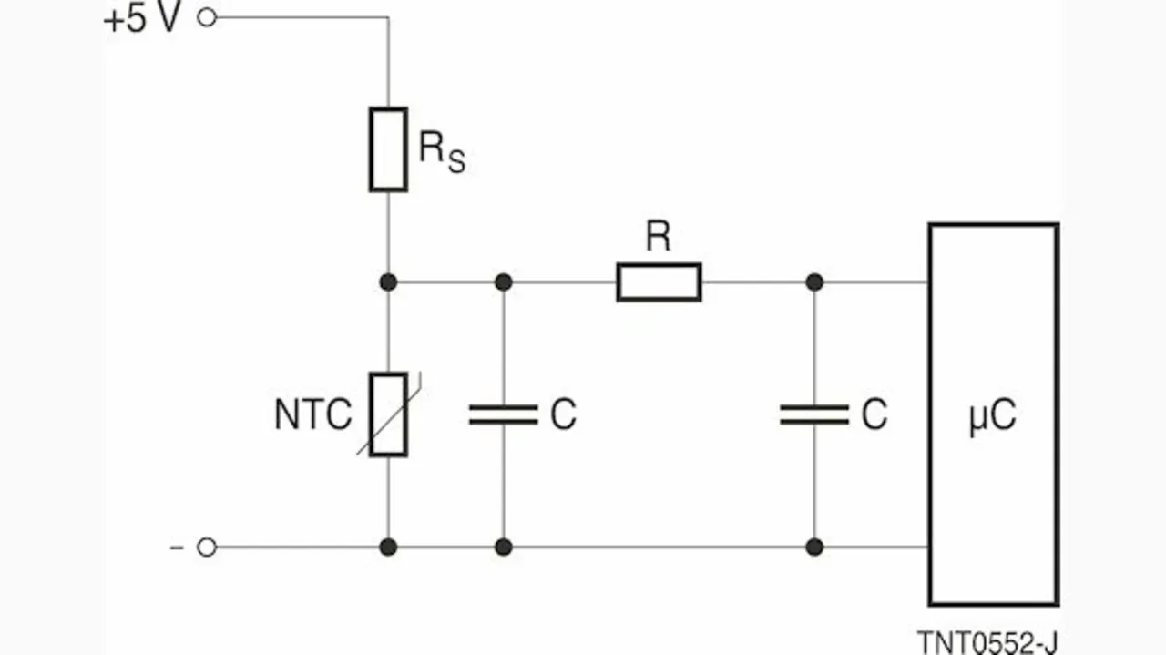
Bild 2. Bei zu hohen Temperaturen drosselt der NTC die Versorgungsspannung des Mikrocontrollers.
Bild 2. Bei zu hohen Temperaturen drosselt der NTC die Versorgungsspannung des Mikrocontrollers.
© TDK / Epcos

Dank der hohen Widerstandsfähigkeit der SMD-NTC-Thermistoren gegen thermischen Schock eignen sie sich nicht nur für Reflow-Lötverfahren, sondern auch für Wellenlöten. Außerdem können Designer die Thermistoren auf der Unterseite der Platine zum Beispiel gegenüber von Microcontrollern platzieren, was einen sehr guten thermischen Kontakt ergibt – auch bei Con­trollern mit großen Abmessungen. Bild 2 zeigt eine typische Schutzbeschaltung für Mikrocontroller.

LED-Lebensdauer verlängern

In LED-Beleuchtungssystemen sorgen SMD-NTC-Thermistoren für eine große Lichtausbeute bei gleichzeitig hoher Lebensdauer. Die Effizienz von LED-Leuchten wird maßgeblich durch die Temperatur der Halbleiterübergänge bestimmt. Zu hohe Temperaturen müssen vermieden werden, da diese zu einem frühen Leistungsabfall, Reduzierung der Leuchtkraft, Farbänderung sowie einer deutlich verkürzten Lebensdauer, im schlimmsten Fall sogar zur Zerstörung führen. 

Bild 3. Durch eine mit NTCs bestückte Temperaturüberwachung wird die Lebensdauer von LED-Leuchtmitteln deutlich gesteigert.
Bild 3. Durch eine mit NTCs bestückte Temperaturüberwachung wird die Lebensdauer von LED-Leuchtmitteln deutlich gesteigert.
© TDK / Epcos

Um eine höchst mögliche Effizienz zu erzielen, muss die Temperatur in dem spezifizierten Optimum gehalten werden. Wird ein SMD-NTC-Thermistor in die LED-Schaltung integriert, führt jede Abweichung von der idealen Temperatur zu einer starken Widerstandsänderung des NTC-Elements. Diese wird von einem Komparator ausgewertet, wodurch der Stromfluss durch die LED reduziert wird. Dadurch sinkt die Verlustleistung der LED, was deren Lebensdauer deutlich erhöht. Bild 3 zeigt eine entsprechende Schaltung.

Muster-Kits für LED-Beleuchtungs-Applikationen

Speziell für Entwickler von LED-Beleuchtungssystemen gibt es ein Sample-Kit mit Epcos-SMD-NTC-Thermistoren (www.epcos.de/samplekit). Außerdem gibt es neben der Standard-Serie auch eine Automotive-Serie. Sie ist nach AEC-Q200 qualifiziert und für Anwendungen bis +150 °C geeignet. Eingesetzt werden die neuen NTC-Thermistoren beispielsweise in Steuergeräten, Klimaanlagen, in der Temperaturüberwachung von Batterien sowie in Ladesystemen.


Lesen Sie mehr zum Thema


Das könnte Sie auch interessieren

Jetzt kostenfreie Newsletter bestellen!

Weitere Artikel zu TDK-EPC

Weitere Artikel zu TDK

Weitere Artikel zu Widerstände