Induktive Bauelemente

Kernverluste genauer bestimmen

16. Juli 2015, 9:33 Uhr | Ralf Higgelke
Diesen Artikel anhören

Fortsetzung des Artikels von Teil 2

Neues Modell für Wechselstromverluste

Würth Elektronik eiSos hat ein Modell entwickelt, mit dem Kunden die passende Induktivität mit hoher Effektivität auswählen und ihre Schaltung optimieren können. Dieses Modell basiert auf den empirischen Daten, die mit einem Echtzeitanwendungsaufbau gewonnen werden. Es unterteilt die Gesamtverluste der Induktivität in Wechselstrom- und Gleichstromverluste.

Anbieter zum Thema

zu Matchmaker+
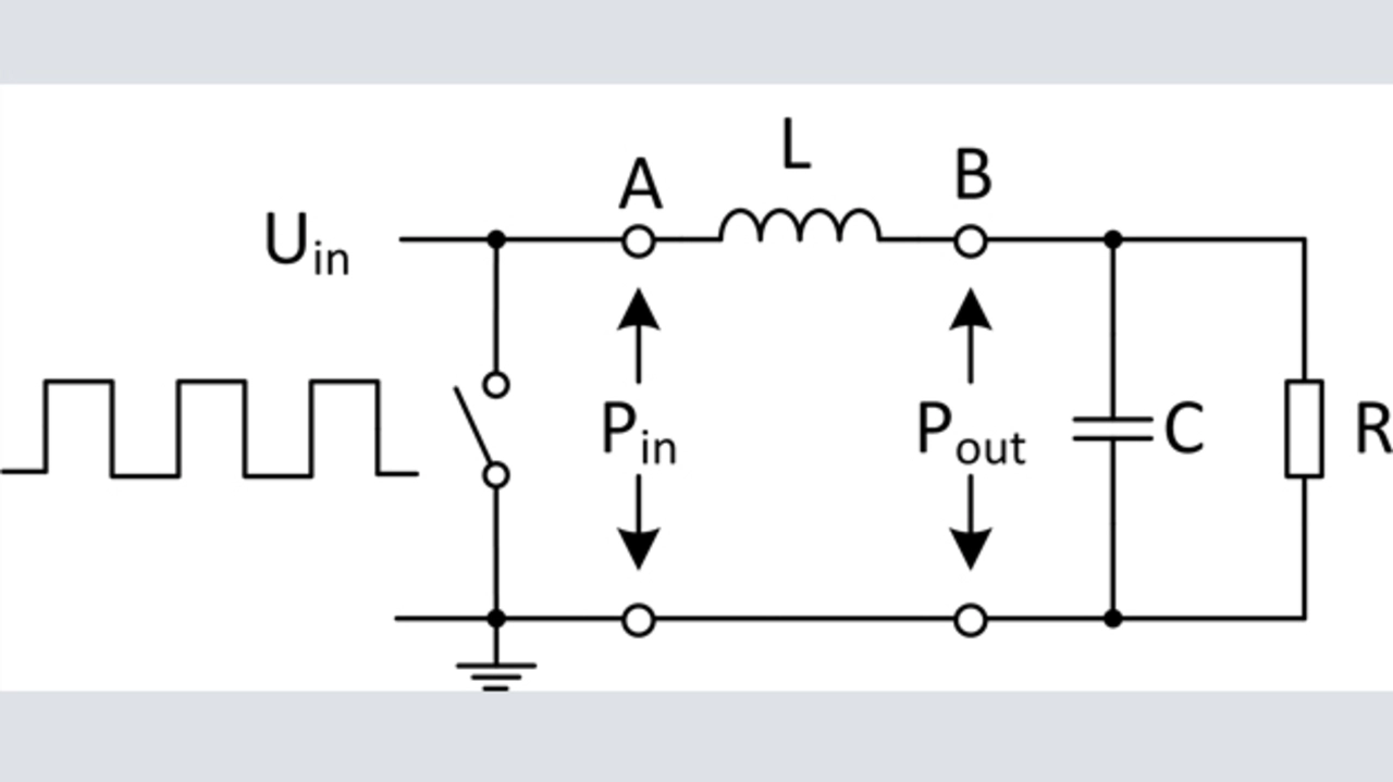
Bild 3a und b: Aufbau des DC/DC-Wandlers zur Verlustbestimmung und resultierende Aufnahmen
Bild 3b: Aufbau des DC/DC-Wandlers zur Verlustbestimmung und resultierende Aufnahmen
© Würth Elektronik eiSo
Bild 3a und b: Aufbau des DC/DC-Wandlers zur Verlustbestimmung und resultierende Aufnahmen
Bild 3a: Aufbau des DC/DC-Wandlers zur Verlustbestimmung und resultierende Aufnahmen
© Würth Elektronik

Empirische Daten werden mit einem DC/DC-Wandler erfasst (Bild 3a und b). An die Induktivität wird eine Rechteckspannung angelegt, dann die Eingangsleistung Pin und die Ausgangsleistung Pout gemessen. Auf dieser Basis werden die Verluste PV geschätzt und die Wechselstromverluste der Spule PAC separiert. Dieser Vorgang wird für unterschiedlichste Parametereinstellungen – beispielsweise Schwankungen der magnetischen Aussteuerung, Frequenz, Rippelstrom, usw. – gemessen, um so die empirischen Daten aufzeichnen zu können. Mithilfe dieser empirischen Daten wird das Modell zur Berechnung der Wechselstromverluste erstellt.

Bild 4a: Typische umfassende Signalmodellierung zur Verwendung für die Steinmetz-Gleichung und ihre Erweiterungen
Bild 4a: Typische umfassende Signalmodellierung zur Verwendung für die Steinmetz-Gleichung und ihre Erweiterungen
© Würth Elektronik

Die in den Datenblättern für Kernmaterialien typischen Hysteresekurven stellen die magnetische Aussteuerung des Kerns durch eine sinusförmige Wellenform dar. Die Hysteresekurve gibt dabei den in Bild 4a dargestellten Energieverlust an. Dieser Ansatz ist mit dem zur Erzeugung empirischer Daten für die in Bild 2 gezeigten Kernverlustdiagramme identisch.

Bild 4b: Hilfsschleifenmethode von Würth Elektronik
Bild 4b: Hilfsschleifenmethode von Würth Elektronik
© Würth Elektronik

Bei einer Schaltnetzteilanwendung wird der Kern jedoch normalerweise durch eine wesentlich kleinere Rechteckwellenform mit einer maximalen Flussdichte betrieben, die durch die Kernverluste auf eine kleinere Hysteresekurve beschränkt wird (Bild 4b). Die Hysteresekurve verformt sich bei Änderungen der Wellenform, des treibenden Stroms beziehungsweise der treibenden Spannung und der Temperatur. Diese Schwankungen machen eine genaue Vorhersage der Kernverluste ausgesprochen schwierig. Die kleinere Hysteresekurve hängt von der Spannung über der Drossel ab. Diese kleinere Hysteresekurve wird genau am Arbeitspunkt zur Erzeugung empirischer Daten für das Wechselstromverlustmodell von Würth Elektronik verwendet. Es hat sich als robust und präzise für weite Bereiche von Parametern wie Frequenz, Rippelstrom und Tastverhältnis erwiesen.

Vorteile des neuen AC-Verlustmodells von Würth Elektronik

  • Da die empirischen Daten ausschließlich auf Echtzeitparametern basieren, lässt sich eine genaue Ermittlung der Verluste für jedes gegebene Tastverhältnis erzielen.
  • Das Modell funktioniert über einen Frequenzbereich von 10 kHz bis 10 MHz sehr genau, da die Konstanten der Leistungsgleichung über einen weiten Bereich ermittelt wurden, unter Einbeziehung der magnetischen Aussteuerung.
  • Sogar geringfügige Änderungen im Kernmaterial und der Wicklungsstruktur werden berücksichtigt.
  • Ist gültig für Bauteile aus mehr als einem Material.
  • Gestattet exakte Ermittlung von Verlusten bei Eisenpulver und neuen Metalllegierungen als Kernmaterial.
  • Gültig für beliebige Kernformen und Windungsstrukturen.
  • Beinhaltet AC-Wicklungsverluste.

  1. Kernverluste genauer bestimmen
  2. Ermittlung der Verluste
  3. Neues Modell für Wechselstromverluste
  4. Webbasiertes Tool

Lesen Sie mehr zum Thema


Das könnte Sie auch interessieren

Jetzt kostenfreie Newsletter bestellen!

Weitere Artikel zu Würth Elektronik eiSos GmbH & Co. KG

Weitere Artikel zu Induktive Bauelemente