Phoenix Contact

Mit Standardkomponenten SIL 3 und PL e erreichen

11. Oktober 2017, 15:08 Uhr | Alex Dusdal
Diesen Artikel anhören

Fortsetzung des Artikels von Teil 1

Betriebsdauer bis 20 Jahre ohne Kalibrierungsaufwand

Wird in einer Applikation lediglich ein Teil der sicherheitsgerichteten Kanäle benötigt, lassen sich die freien Kanäle der Analogmodule innerhalb der Standardanwendung nutzen. Abhängig von den konkreten Einsatzbedingungen eröffnen sich auf diese Weise deutliche Einsparpotenziale. Die Standardbaugruppen des I/O-Systems Axioline zeichnen sich ferner durch einfache Handhabung, Robustheit und schnelle Kommunikation aus. Das Rückwand-Bussystem erreicht Geschwindigkeiten im Mikrosekundenbereich, sodass stets das aktuelle Prozessdatenabbild an das überlagerte Profinet-Netzwerk weitergeleitet wird.

Anbieter zum Thema

zu Matchmaker+
Phoenix Contact Electronics
Bild 3: Die Diagnosemaßnahmen stellen sicher, dass sich Analogsignale durch Standardbaugruppen sicherheitsgerichtet auswerten lassen.
© Phoenix Contact Electronics

Wegen der hohen Störfestigkeit selbst in elektromagnetisch stark verschmutzten Umgebungen und der stabilen Mechanik lassen sich die I/O-Baugruppen des Axioline-Systems unter rauen Bedingungen in der Industrie verwenden. Die werkzeuglose Push-in-Anschlusstechnik vereinfacht nicht nur die Inbetriebnahme, sondern spart auch Verdrahtungszeit ein. Denn die starren oder mit Aderendhülsen bestückten Leiter müssen lediglich in die Klemme gesteckt werden. Die farbliche Kennzeichnung der Kontaktstellen ermöglicht eine schnelle und intuitive Verdrahtung. Zudem lässt sich die Safe-AI-Lösung nach der Erstinbetriebnahme bis zu 20 Jahre lang nutzen. Während der kompletten Betriebsdauer ist keinerlei Kalibrierung der Komponenten nötig.

Phoenix Contact Electronics
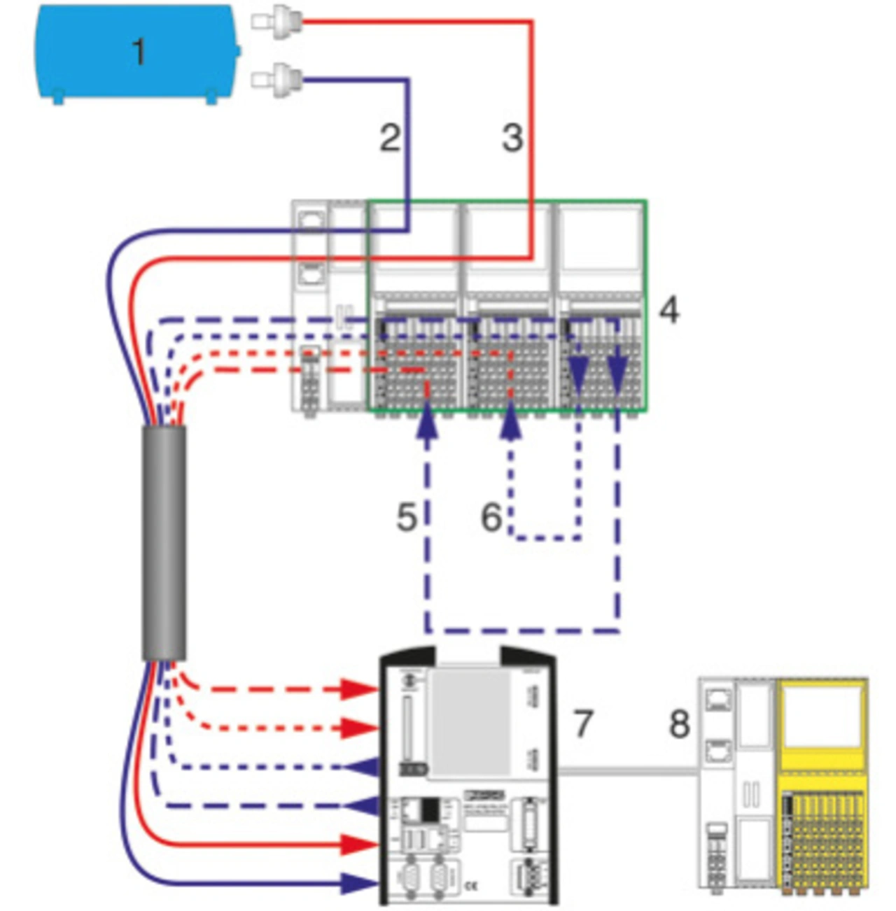
Bild 4: Beispiel zur Verwendung von Safe AI mit einer Station
© Phoenix Contact Electronics

Der Einsatz der Safe-AI-Lösung ist mit einer kostenfreien Applikationsberatung durch die zertifizierten Sicherheitsexperten von Phoenix Contact verbunden. Im Rahmen eines Telefonats oder eines ausführlichen Web-Meetings unterstützen die Mitarbeiter bei der Integration der Safe-AI-Lösung in das Automatisierungssystem, damit alle Anforderungen an die funktionale Sicherheit erfüllt sind.

Wenn eine Anwendung mit Safe AI realisiert werden soll, ergeben sich neben der Anschaffung der erwähnten Komponenten einmalige Lizenzkosten für die Funktionsbaustein-Bibliothek „AnalogINput_SF“. Anschließend lässt sich die Bibliothek im gesamten Unternehmen des Anwenders nutzen. Sie wird in das sicherheitsgerichtete Engineering-Tool „SafetyProg“ von Phoenix Contact eingebunden und dann mit etwaigen applikationsabhängigen Erweiterungen in den sicheren Teil der Steuerung RFC 470S PN 3TX hineingeladen. Zum Lieferumfang der Safe-AI-Lösung gehören außerdem ein detailliertes technisches Anwenderhandbuch und ein vom TÜV Rheinland ausgestelltes Zertifikat


  1. Mit Standardkomponenten SIL 3 und PL e erreichen
  2. Betriebsdauer bis 20 Jahre ohne Kalibrierungsaufwand
  3. Redesign und neuer Prozessor: Doppelte Steuerungs-Performance
  4. Neues Fachbuch: Funktionale Sicherheit von Maschinen

Lesen Sie mehr zum Thema


Das könnte Sie auch interessieren

Jetzt kostenfreie Newsletter bestellen!

Weitere Artikel zu Phoenix Contact Electronics GmbH

Weitere Artikel zu Phoenix Contact GmbH & Co KG

Weitere Artikel zu Funktionale Sicherheit/Safety

Weitere Artikel zu Boards für bestimmte Funktionen