Ladetechnik

Superkondensatoren schnell aufladen

4. Juni 2021, 9:00 Uhr | Dr. Nazzareno Rossetti und John Woodward, Maxim Integrated
Diesen Artikel anhören

Fortsetzung des Artikels von Teil 2

Fallstudie: Ausfallsicheres Backup eines Ventilantriebs

In industriellen Anwendungen zur Steuerung von Öl- und Gasströmen kann ein Stromausfall dazu führen, dass Stellantriebe in der Arbeitsposition stecken bleiben, was zu unsicheren Bedingungen, Unfällen oder Anlagenschäden führt. Die ausfallsicheren Ventilantriebs-Backup-Systeme bringen das Ventil automatisch in eine sichere Notposition zurück, wenn die Stromversorgung unterbrochen wird.

Bei herkömmlichen Lösungen stellt eine mechanische Feder sicher, dass das Ventil in eine sichere Position gefahren wird. Mit Superkondensatoren kann der Antrieb bei einem Stromausfall mit der in ihnen gespeicherten Energie in die Notstellung gelangen. Superkondensatoren benötigen weniger Platz. Da eine solche Lösung keine beweglichen Teile enthält, hat sie eine lange Lebensdauer und ist wartungsarm.

Anbieter zum Thema

zu Matchmaker+
Maxim Integrated
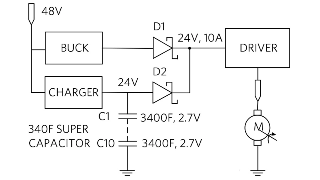
Bild 2: Stromversorgungssystem für ein ausfallsicheres Backup eines Ventilantriebs, das auf zehn in Reihe geschalteten Superkondensatoren mit jeweils 3400 F und 2,7 V basiert.
© Maxim Integrated

Bild 2 zeigt das Stromversorgungssystem, das auf zehn in Reihe geschalteten Superkondensatoren mit jeweils 3400 F und 2,7 V basiert. Im Normalbetrieb wird eine Busspannung von 48 V auf 24 V heruntergewandelt, um den Aktuator-Treiber zu versorgen und gleichzeitig das 340-F-Superkondensator-Ensemble (C) zu laden.

Im Falle eines Stromausfalls versorgt der 340-F-Superkondensator die Last mit 10 A. Mit einer Entladerate von 0,03 V/s (I/C) und einem Entladebereich ΔU von 10 V, lässt sich der Aktor 330 s lang betreiben. Diese Zeit genügt, um ihn in die vorgegebene Notposition zu fahren.

Lösung für Superkondensator-Ladegeräte

Der MAX17701 von Maxim Integrated beispielsweise ist ein synchroner Laderegler mit Abwärtsregelung für Superkondensatoren, der für einen Eingangsspannungsbereich (UDCIN) von 4,5 V bis 60 V ausgelegt ist. Die Ausgangsspannung ist von 1,25 V bis zu (UDCIN – 4 V) programmierbar. Der Baustein verwendet einen externen N-Kanal-MOSFET, um eine eingangsseitige ORing-Funktion bereitzustellen. Diese verhindert, dass sich die Superkondensatoren zurück zum Eingang entladen.

Maxim Integrated, MAX17701
Bild 3: Anwendungsschaltung für die in Bild 1 dargestellte Paletten-Shuttle-Ladeschaltung
© Maxim Integrated

Bild 3 zeigt eine Anwendungsschaltung für die in Bild 1 dargestellte Paletten-Shuttle-Anwendung. Bild 4 zeigt den Wirkungsgrad dieser Anwendungsschaltung für verschiedene Eingangsspannungen. Im Fall von 24 V Eingangsspannung ist der Wirkungsgrad sehr gut (>90 %). Ähnliches gilt für 48 V sehr gut (>85 %), der Eingangsspannung, die in der zweiten diskutierten Anwendung verwendet wird.

Maxim Integrated, MAX17701
Bild 4: Wirkungsgrad der Anwendungsschaltung aus Bild 3 für verschiedene Eingangsspannungen (Ausgangsspannung 5 V, maximaler Ladestrom 20 A)
© Maxim Integrated

Das IC lädt den Superkondensator mit einem ±5 % genauen Konstantstrom (CC-Modus in Bild 5). Nachdem der Superkondensator geladen ist, regelt der Baustein die Leerlauf-Ausgangsspannung mit einer Genauigkeit von ±1 % (CV-Modus). Außerdem verfügt das IC über einen Sicherheitstimer (TMR), mit dem sich die maximal zulässige Ladezeit im Konstantstrommodus (CC) einstellen lässt. Es arbeitet im industriellen Temperaturbereich von –40 °C bis +125 °C und ist in einem 24-poligen, 4 mm × 4 mm großen TQFN-Gehäuse mit offenem Pad erhältlich.

Maxim Integrated, MAX17701, Supercapacitors
Bild 5: Ladeprofil für einen Superkondensator. Zunächst wird er mit einem konstanten Strom geladen, danach regelt das Lade-IC die Leerlauf-Ausgangsspannung (CV-Modus).
© Maxim Integrated

Fazit

Durch ihre einzigartigen Eigenschaften eignen sich Superkondensatoren besonders für Anwendungen mit kurzen Lade- und Entladezyklen, wie die beiden besprochenen Fallstudien zeigen: das automatische Paletten-Shuttle in einem modernen Lager und das ausfallsichere Backup-System für Ventilantriebe.

Kurze Zyklen erfordern hohe Lade- und Entladeströme, während die Verwendung von Superkondensatoren in Serie zu einem großen Bereich möglicher Eingangs- und Ausgangs-Ladespannungen führt, abhängig von der Anzahl der Kondensatoren. Dementsprechend wurde eine flexible Ladearchitektur mit hohen Strömen und hohen Eingangs- bzw. Ausgangsspannungen vorgeschlagen, die eine große Vielfalt von Anwendungen abdecken kann.

Die Autoren

Dr. Nazzareno (Reno) Rossetti

ist Experte für Analogtechnik und Power-Management. Er hat zahlreiche Fachbeiträge dazu veröffentlicht und hält verschiedene Patente auf diesem Sektor. Er besitzt einen Doktortitel der Elektrotechnik der Universität Politecnico di Torino, Italien.

John Woodward

ist Executive Business Manager für Power-Management-Produkte bei Maxim Integrated. Er verfügt über 18 Jahre Branchenerfahrung – davon zehn Jahre auf der technischen Seite im Bereich Applikationen und Tests und acht Jahre im Bereich Marketing/Business und Produktmanagement.


  1. Superkondensatoren schnell aufladen
  2. Fallstudie: Automatisches Paletten-Shuttle
  3. Fallstudie: Ausfallsicheres Backup eines Ventilantriebs

Lesen Sie mehr zum Thema


Das könnte Sie auch interessieren

Jetzt kostenfreie Newsletter bestellen!

Weitere Artikel zu Maxim Integrated Products

Weitere Artikel zu Kondensatoren

Weitere Artikel zu Energietechnik

Weitere Artikel zu Powermanagement-ICs