Schaltungen für den Verpolungsschutz

Schaden vermeiden!

22. Mai 2018, 8:30 Uhr | nach Unterlagen von Texas Instruments
Diesen Artikel anhören

Fortsetzung des Artikels von Teil 1

Verpolungsschutz mit Dioden-Controller

Bild 4. Verpolungsschutz-Lösung mit dem LM74700-Q1.
Bild 4. Verpolungsschutz-Lösung mit dem LM74700-Q1.
© Texas Instruments

Besonders bei hohen Eingangsströmen wird die P-FET-Lösung zu teuer und sperrig – im Vergleich zu N-FETs im gleichen Gehäuse. Andererseits ist es in Automotive-Anwendungen nicht zulässig, den Verpolungsschutz in die GND-Leitung zu legen. Deshalb werden N-FETs in die Eingangsspannungs-Leitung gelegt und von speziellen Controllern angesteuert (Bild 4). Die als „Smart Diode Controller“ bezeichneten Bausteine sind in unterschied­lichen Ausführungen und mit verschiedenen Leistungsmerkmalen lieferbar.

Von Texas Instruments gibt es beispielsweise den für Automotive-Anwendungen qualifizierten LM74700-Q1. Eine bestimmte Funktion ist allen Reglern dieses Typs gemeinsam. Es handelt sich um eine eingebaute Ladungspumpe. Mithilfe eines externen Kondensators (C4) erzeugt die Ladungspumpe zum Ansteuern des FET eine Spannung, die größer ist als die Eingangsspannung. Eine solche Schaltung ist eine kleine und einfache Lösung, da diverse Leistungsmerkmale bereits in den IC integriert sind.

Bei geringen Lastströmen regelt der Controller den Spannungsabfall am FET auf 20 mV. Bei höheren Lastströmen ist der FET jedoch vollständig angereichert und der Spannungsabfall ist propor­tional zum Laststrom und zum Durchlasswiderstand. Wird ein Strom in die entgegengesetzte Richtung detektiert, wird der FET automatisch abgeschaltet, woraufhin die Body-Diode jeglichen Rückstrom blockiert.

Alle bisher angeführten Lösungen zeigen ein identisches Verhalten, indem sie selbst sofort abschalten, wenn während des normalen Betriebs mit eingeschaltetem FET plötzlich eine verpolte Spannung angelegt wird. Der Enable-Eingang des LM74700 kontrolliert die internen Schaltungen und reduziert die Stromaufnahme von 30 µA auf 3 µA, wenn er deaktiviert wird. Nicht vergessen werden darf die Tatsache, dass die Body-Diode nach wie vor leitend ist, auch wenn der FET nicht eingeschaltet ist.

Die soeben beschriebene Lösung emuliert eine ideale Diode. Sie profitiert von der höheren Leistungsfähigkeit und dem niedrigeren Preis eines N-FET gegenüber einem P-FET, sodass die Mehrkosten für den intelligenten Dioden-Controller in den meisten Fällen gerechtfertigt sind.

Anbieter zum Thema

zu Matchmaker+

Verpolungsschutz mit Ladungspumpe

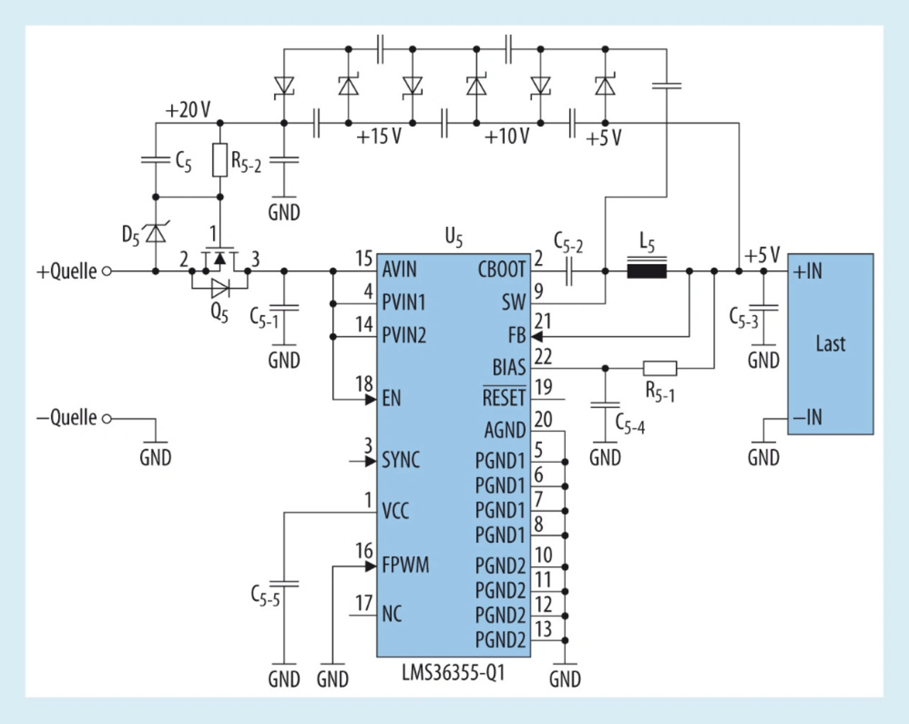
Bild 5. Ladungspumpen-Schaltung mit dem synchronen Abwärtswandler LM36355-Q1.
Bild 5. Ladungspumpen-Schaltung mit dem synchronen Abwärtswandler LM36355-Q1.
© Texas Instruments

Um einen in der Eingangsleitung liegenden N-FET anzusteuern, wird eine über der Eingangsspannung liegende Spannung benötigt. Die höhere Spannung lässt sich mithilfe einer Ladungspumpe erzeugen. In vielen Systemen ist dies jedoch gar nicht erforderlich, wenn im System bereits eine geschaltete Stromversorgung vorhanden ist.

In Bild 5 ist ein synchroner Abwärtswandler des Typs LMS36355-Q1  mit einer fest eingestellten Ausgangsspannung von 5 V zu sehen, wie sie in der Stromversorgungs-Struktur von Kraftfahrzeugen häufig benötigt wird. Der Baustein ist in der Regel ständig mit dem Bordnetz verbunden und versorgt einige Verbraucher, die ständig verfügbar sein müssen.

Bei geringer Last arbeitet der Baustein im PFM-Modus (Pulsfrequenz-Modulation), in dem die Schaltfrequenz zur Reduzierung der Verluste abgesenkt wird. Nimmt der Laststrom zu, wird die Schaltfrequenz linear bis zur nominellen Frequenz angehoben.

Der Schaltknoten des Abwärtswandlers steuert eine mehrstufige Spannungsverdoppler-Schaltung an, die oberhalb des Wandlers U5 zu sehen ist. Die +5 V betragende Ausgangsspannung des Wandlers wird auf +20 V und damit über die in diesem Fall +12 V betragende Eingangsspannung erhöht.

Bei einer Gate-Source-Spannung von +8 V ist der FET vollständig angereichert und verursacht damit nur noch vernachlässigbar geringe Verluste. Die den FET umgebende Schaltung aus Z-Diode, Widerstand und Kondensator ist identisch mit den Beschaltungen der bisherigen Lösungen.

Wenn der Wandler im PFM-Modus mit niedriger Schaltfrequenz arbeitet, reicht die Ausgangsspannung des Spannungsverdopplers unter Umständen nicht mehr aus, um den FET zu treiben. Wegen des niedrigen Last- und Eingangsstroms im PFM-Betrieb ist dies jedoch unkritisch. Der Strom fließt durch die Body-Diode, die Verluste sind vernachlässigbar. Der große Vorteil dieser Lösung ist, dass ein kosteneffektiver N-FET genutzt werden kann, ohne dass ein zusätzliches Bauelement benötigt wird.

Wenn nicht ausgeschlossen werden kann, dass während des normalen Betriebs plötzlich eine verpolte Spannung an den Eingang gelegt wird, kommt die Lösung allerdings nicht in Frage. Denn dann könnte ein Rückstrom durch den im ersten Moment immer noch angereicherten FET fließen, der dadurch beschädigt werden könnte. In allen an­deren Anwendungen aber, in denen lediglich ein „normaler“ Verpolungsschutz erforderlich ist, stellt das Konzept eine sehr gute und zuverlässige Lösung dar. 

Verpolungsschutz in Kürze

Der Verpolungsschutz ist ein wichtiger Bestandteil der meisten elektronischen Geräte. In bestimmten Anwendungen, darunter auch in der Automobilelektronik, ist er sogar zwingend notwendig. Je nach Applikationsanforderungen kommen unterschied­liche Lösungen in Frage. Die bekannte Lösung, eine einfache Diode als Verpolungsschutz zu verwenden, eignet sich wegen der in Vorwärtsrichtung entstehenden Verluste nur für Ströme bis zu einigen hundert Milliampere.

Bei höheren Strömen ist bezüglich der Verluste eine Lösung auf der Basis eine P-FET oder N-FET vorzuziehen. In Automotive-Anwendungen dagegen stellt ein intelligenter Dioden-Con­troller den neuesten Stand der Technik dar. Eine in den Controller integrierte Ladungspumpe treibt einen N-FET, der kosteneffektiver ist als ein P-FET. Wenn auf der Leiterplatte eine geschaltete Stromversorgung mit Verpolungsschutz vorhanden ist, lässt sich eine solche diskrete Ladungs­pumpen-Lösung implementieren.


  1. Schaden vermeiden!
  2. Verpolungsschutz mit Dioden-Controller

Lesen Sie mehr zum Thema


Das könnte Sie auch interessieren

Jetzt kostenfreie Newsletter bestellen!

Weitere Artikel zu Texas Instruments

Weitere Artikel zu Texas Instruments Deutschland GmbH

Weitere Artikel zu Energieerzeugung

Weitere Artikel zu DC/DC-Wandler