Elektromagnetische Interferenzen

Den Störemissionen zu Leibe gerückt

5. September 2018, 10:55 Uhr | Iris Stroh
Der LT8645S ist ein kompakter Abwärtswandler, der keinen externen Leistungsschalter benötigt und mit der Silent-Switcher-Technologie ausgestattet ist.
© Bild: Analog Devices

Bei der Leistungsumwandlung geht es seit Jahren darum, den Wirkungsgrad zu erhöhen und die Größe zu verringern. Das führt dazu, dass immer höhere Schaltfrequenzen genutzt werden, was wiederum EMI-Probleme zur Folge haben kann. Ein paar Ratschläge können helfen.

Diesen Artikel anhören

Dhananjay Singh, Senior Product Marketing Manager für Industrial Power Products von Renesas Electronics America, bringt das Dilemma auf den Punkt: »Die heutigen energiehungrigen Systeme setzen die Entwickler von Stromversorgungen unter enormen Druck, weil sie mit jedem Design die Leistungsdichte erhöhen sollen. Eine höhere Integration und höhere Schaltfrequenzen sind zwei wichtige Ansatzpunkte, um dieses bewegliche Ziel zu erreichen. Aber eine höhere Schaltfrequenz bringt andere Probleme mit sich wie höhere Schaltverluste, Oberwellen und EMI-Probleme. Diese Probleme haben direkten Einfluss auf die Kosten, die Größe, den Wirkungsgrad und die Systemqualität.« Und Mark Gary, Vice-President and Business Unit Manager, Analog Power Products, Buck DC/DC Switching Regulators, Texas Instruments, fügt hinzu: »Obwohl schneller schaltende Leistungsbauteile für DC/DC-Regler eine Chance für höhere Schaltfrequenzen und kleinere Baugrößen bieten, was insbesondere für Automobilanwendungen wichtig ist, verschärfen die zunehmende Flankensteilheit für Spannung und Strom, die bei Schaltkommutierungen auftreten, häufig die elektromagnetischen Interferenzen und führen so zu Problemen im Gesamtsystem. Daher ist ein signifikanter Fokus auf die Reduzierung und Minderung von Systemstörungen erforderlich, um nicht nur die gesetzlichen Anforderungen zu erfüllen, sondern auch die Lösungskosten zu senken und die Leistungsdichte des Systems zu erhöhen.«

Zwei Hauptursachen

Für EMI-Probleme sind aus Singhs Sicht zwei Hauptquellen verantwortlich: dU/dt und dI/dt, denn wenn mit hoher Geschwindigkeit ein- und ausgeschaltet wird, entstehen steile Strom- und Spannungsflanken, sprich dI/dt beziehungsweise dU/dt. Und diese wechselnden Ströme und Spannungen erzeugen elektromagnetische Wechselfelder. Singh erklärt weiter, dass höhere Schaltfrequenzen auch zu mehr Oberwellen führen. »Glücklicherweise führen eine höhere Integration und reduzierte Größe auch zu kleineren parasitären Komponenten, was bei der EMI-Problematik wiederum hilft.«

Die bestehenden EMI-Probleme führten laut seiner Aussage aber auch dazu, dass sich EMI- und Stromversorgungsexperten zusammengesetzt und neue Schaltungstopologien entwickelt haben. Dazu zählt er beispielsweise Entwicklungen, mit denen weiches Schalten imitiert werden kann, was zu weniger Oberwellen und elektromagnetischen Interferenzen führt.

Renesas Electronics America
Dhananjay Singh, Renesas Electronics America »Die Analyse elektro-magnetischer Emissionen wurde durch eine verbesserte und genauere Modellierung und Simulation deutlich verbessert. Diese neuen Modellierungs- und Simulationstechniken werden eingesetzt, um aktive EMI-Filter zu entwerfen.«
© Renesas Electronics America

Frederik Dostal, Power Management SME FAE bei Analog Devices, weist ähnlich wie Singh darauf hin, dass die sehr schnellen Schaltübergänge das eigentliche Problem hinsichtlich der EMI-Problematik darstellen. Entscheidend dabei sei, wie viel parasitäre Induktivitäten (durch Leiterbahnen, IC-Anschlüsse, Durchkontaktierungen und Bonddrähte) sich in den sogenannten „Hot Loops“, also den Strompfaden befinden, in welchen der Stromfluss schnell ein- und abgeschaltet wird.

Analog Devices Power by Linear hat eine spezielle Technik entwickelt, um dieses Problems Herr zu werden. Dostal: »Die neue „Silent Switcher“-Produktgruppe bietet eine sehr gute Möglichkeit, auch bei sehr hohen Schaltfrequenzen wie 10 MHz nur geringe EMI-Probleme zu generieren. Besonders die Silent-Switcher-2-Familie bietet mit integrierten Bypass-Kondensatoren und speziellem Flip-Chip-Design extrem geringe parasitäre Induktivitäten in den Hot Loops und somit nur ex­trem geringe Störungen«, betont Dostal. Alle Silent-Switcher-Komponenten böten durch ihren symmetrischen Aufbau der Hot Loops den Effekt, dass sich abgestrahlte Felder gegenseitig kompensieren, sodass diese abgestrahlten Felder um bis zu 40 dB reduziert werden können.

Deshalb ist Dostal überzeugt, dass man mit der Silent-Switcher-Technologie das EMI-Problem schon erheblich reduzieren kann, und das »sogar ohne die Wandlungseffizienz zu verschlechtern, wie das beim Einsatz von zusätzlichen Filtern oder beim Verlangsamen der Schaltübergänge der Fall wäre«, so Dostal weiter. Tja, und dass damit noch nicht das Ende der Fahnenstange erreicht ist, macht Dostal ebenfalls deutlich: »Nachdem es einige Jahrzehnte gedauert hat, auf die Idee mit der gegenseitigen Kompensation der Hot-Loop-Felder, sprich: auf die Silent-Switcher-Technologie, zu kommen, erwarten wir, dass es auch in Zukunft noch Innovationen geben wird, welche heute noch nicht erkannt wurden.«

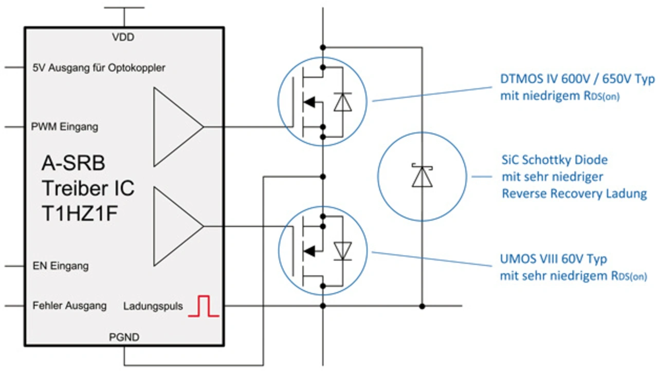
Bild: Toshiba Electronics Europe
Aufbau einer ASB-R-Topologie- Schaltung mit den wichtigsten Komponenten
© Bild: Toshiba Electronics Europe

Ernst Katzmaier, Head of Application Engineering ACDC in der PMM-Division von Infineon Technologies, weist darauf hin, dass kleinere Gehäuse kurze Abstände auf einer Platine erlauben, wodurch sich parasitäre Induktivitäten und Kapazitäten verringern und damit eine geringere Abstrahlung entsteht. Die Integration von mehreren Bauteilen in ein Gehäuse mache es auch möglich, die einzelnen Bauelemente perfekt aufeinander abzustimmen. Katzmaier: »EMV-Filter werden mit einer höheren Schaltfrequenz kleiner und können leitungsgebundene EMV besser dämpfen.« Darüber hinaus kommen bei einer höheren Leistungsdichte verbesserte Schaltungen zum Einsatz bzw. sind erforderlich, »die grundsätzlich ein besseres EMV-Verhalten aufweisen«, so Katzmaier weiter. Infineon entwickelt hierfür laut seiner Aussage neue Controllerbauteile. Außerdem würde bei neuen Produktentwicklungen wie zum Beispiel CoolMOS der Trend zu höheren Schaltfrequenzen in der Spezifikation berücksichtigt. Und neue Technologien wie GaN und SiC haben durch das andere Verhalten Vorteile im EMV-Bereich, z.B. geringe Änderung der Ausgangskapazität des Leistungsschalters. Katzmaier abschließend: »Eine gute Abstimmung zwischen dem MOSFET und dem Treiberbauteil hat ebenfalls einen positiven Einfluss auf das EMV-Verhalten.«


  1. Den Störemissionen zu Leibe gerückt
  2. SiC, GaN

Lesen Sie mehr zum Thema


Das könnte Sie auch interessieren

Jetzt kostenfreie Newsletter bestellen!

Weitere Artikel zu Texas Instruments

Weitere Artikel zu Microchip Technology GmbH

Weitere Artikel zu Renesas Electronics Europe GmbH

Weitere Artikel zu Analog Devices GmbH

Weitere Artikel zu Infineon Technologies AG

Weitere Artikel zu onsemi Germany GmbH

Weitere Artikel zu Toshiba Electronics Europe GmbH

Weitere Artikel zu Maxim Integrated Products