Industrielle RS-485-Netzwerke

Transceiver vor Überspannungen schützen

11. Januar 2021, 11:54 Uhr | Tom Kugelstadt
Diesen Artikel anhören

Fortsetzung des Artikels von Teil 1

Transceiver-IC plus externe Schutzschaltung

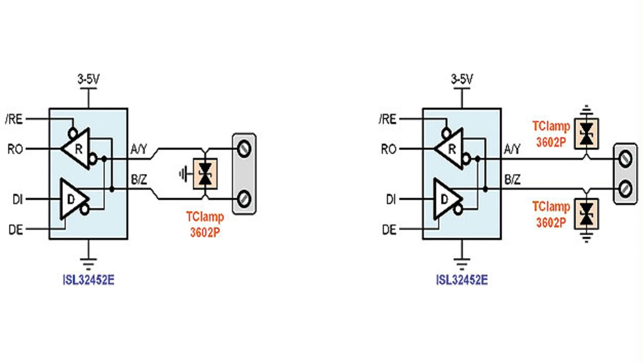
Der asymmetrische Klemmspannungsverlauf einer TVS-Diode limitiert den Bereich der Gleichspannungsunterdrückung für negative Gleichtaktspannungen. Daher kommt die Schutzschaltung mit einer TVS-Diode (Bild 5 links) nur bei Anwendungen zum Einsatz, die eine geringe Streuung der Gleichtaktunterdrückung aufweisen. Ansonsten muss jede Datenleitung mit einer einzelnen TVS-Diode geschützt werden. Der zusätzliche Platzbedarf von 2 mm2 führt zu einer Gleichtaktunterdrückung über den kompletten Bereich von ±20 V und stellt die Einhaltung der RS-485-Spezifikation sicher.

Ein Vorteil der Schutzschaltung mit einer TVS-Diode ist die geringe Sperrschichtkapazität von maximal 4 pF. Dies ermöglicht den Schutz eines einzelnen Knotens bei Netzwerken mit langen Verbindungsleitungen oder schützt Punkt-zu-Punkt-Verbindungen, die mit hoher Datenrate (40 Mbit/s) arbeiten, ohne dabei die Signalintegrität in Mitleidenschaft zu ziehen.

Schaltung des RS-485-Tranceivers ISL32452 für einen Busknoten mit Blitzschutz
Bild 5: Schaltung des RS-485-Tranceivers ISL32452 für einen Busknoten mit Blitzschutz.
© Renesas

Es gibt etliche Schaltungstipps, die den Einfluss von Überspannungstransienten minimieren. Wie oben aufgezeigt, bewegen sich die Anstiegszeiten und die Halbwertszeiten von ESD- und EFT-Pulsen im Bereich von wenigen Nanosekunden. Dies hat zur Folge, dass diese Transienten sich in einem Frequenzbereich von 30 Hz bis zu 300 MHz bewegen. Somit wird aus dem Schaltungsentwurf für eine robuste Überspannungsschutzschaltung ein Entwurf für eine hochfrequente Schaltung – mit allen Anforderungen zur Entkopplung und Rückführungspfade mit niedriger Induktivität.

Deshalb ist beim Leiterplattenlayout darauf zu achten, dass die Kupferlagen für Masse- und Versorgungsspannung ohne Löcher und Ausschnitte sind. Dies gewährleistet Rückpfade mit geringen Induktivitäten. Dabei ist zu berücksichtigen, dass hochfrequente Signale immer dem Weg der geringsten Induktivität und nicht dem Pfad der geringsten Impedanz folgen. Die Signalleitungen werden auf der Außenlage geführt, in der zweiten und dritten Lage wird jeweils entweder Masse oder die Versorgungsspannung geführt. Steuerleitungen, wie das DE-und RE-Enable-Signal, können dann auf der vierten Lage (Unterseite) platziert werden.

Die TVS-Dioden sollten so nah wie möglich am Leiterplattenstecker platziert werden, um zu verhindern, dass mögliche transiente Störungen sich in der Leiterplatte ausbreiten. Die Datenleitungen sollten so entworfen werden, dass die Ströme möglichst ohne große Widerstände in die TVS-Dioden fließen können, bevor diese dann weiter in die Busanschlüsse des Transceiver-ICs fließen. Ein typisches Leiterplattenlayout nutzt kleine V-förmige Verbindungen, wie sie in Bild 5 eingezeichnet sind.

Entkopplungskondensatoren sollten nahe an den Versorgungsspannungs-anschlüssen des Transceiver-ICs und auch an anderen ICs auf der Leiterplatte platziert werden. Vorzugsweise sollte ein einheitlicher Kapazitätswert zum Entkoppeln eingesetzt werden. Um größere Kapazitätswerte zu erreichen, sollten mehrere gleiche Kondensatoren parallel geschalten werden. Der Blindwiderstand einer Kapazität verhält sich mit zunehmender Frequenz zuerst kapazitiv und später induktiv. Die Verwendung von unterschiedlichen Kapazitätswerten kann dazu führen, dass der induktive Blindwiderstand eines Kondensators zusammen mit der Kapazität eines anderen Kondensators einen LC-Schwingkreis bildet, der erhebliche Störungen verursachen kann.

Mindestens zwei Durchkontaktierungen sollten pro TVS-Diode genutzt werden, ebenso wie Entkopplungskondensatoren, um die Induktivität der Durchkontaktierung zu minimieren.

Die beim Überspannungstest der Schaltungen aus Bild 5 gemessenen Werte. (* Der Überspannungspegel ist die maximale Ableitungsspannung, dabei sind die Werte für die Überspannung im Datenblatt der Leiterplatte zu beachten.)
Tabelle. Die beim Überspannungstest der Schaltungen aus Bild 5 gemessenen Werte. (* Der Überspannungspegel ist die maximale Ableitungsspannung, dabei sind die Werte für die Überspannung im Datenblatt der Leiterplatte zu beachten.)
© Renesas

Die Kombination von Transceiver-ICs mit integriertem Überspannungsschutz zusammen mit modernen TVS-Dioden vereinfacht den Schaltungsentwurf zum Schutz vor Überspannungen, reduziert die Kosten, den Platzbedarf und verringert drastisch die Entwicklungszeit. Die Ergebnisse der Überspannungstests, die auf die beiden Schutzschaltungen in Bild 5 angewendet wurden, sind in der Tabelle aufgeführt.

Renesas hat ein Sortiment von RS-485-Tranceiver-ICs [3] mit integriertem Überspannungsschutz, die sich mit TVS-Dioden von Semtech kombinieren lassen, um geschützte Transceiver für eine große Anzahl von Anwendungen zu realisieren.

 

 

Literatur

[1] ISL32450E, ISL32452E, ISL32453E, ISL32455E, ISL32457E, ISL32458E, ISL32459E±60V Fault Protected, 3.3V to 5V, ±20V Common-Mode Range, RS-485/RS-422 Transceivers with Cable Invert and ±15kV ESD. Renesas, Datenblatt, 14.2.2019, www.renesas.com/us/en/www/doc/datasheet/isl32450e-52e-53e-55e-57e-58e-59e.pdf.

[2] TClamp3602P Low Capacitance Tclamp Surge Protection for 36V Interfaces. Semtech, Datenblatt, 2.6.2020, https://semtech.my.salesforce.com/sfc/p/#E0000000JelG/a/2R000000Q28p/qtxiGSGx8EA.VICz9BjO3EK63PRWZ2U0rrnAjdAY.CI.

[3] RS-485, RS-422 & RS-232. Renesas Electronics, All Products, Interface, www.renesas.com/eu/en/products/interface/rs-485-rs-422-rs-232.html.

[4] Important Transient Immunity Tests for RS-485 Networks. Renesas, Application Note, AN1976, 10.8.2016, www.renesas.com/us/en/www/doc/application-note/an1976.pdf.

[5] Transient Voltage Suppressors: Operation and Features. Renesas, Application Note, AN1977, 9.8.2016, www.renesas.com/us/en/www/doc/application-note/an1977.pdf.

[6] Surge Protection for Intersil‘s Standard RS-485 Transceivers. Renesas, Application Note, AN1978, 18.8.2016, www.renesas.com/us/en/www/doc/application-note/an1978.pdf.

[7] Surge Protection Simplified with Intersil‘s Overvoltage Protected (OVP) Transceivers. Renesas, Application Note, AN1979, 24.8.2016, www.renesas.com/us/en/www/doc/application-note/an1979.pdf
 

 

 

Der Autor

 

 

 

Tom-Kugelstadt von Renesas
Tom Kugelstadt von Renesas
© Renesas

Tom Kugelstadt

ist Principal Application Engineer bei Renesas Electronics America und definiert neue analoge ICs für industrielle Systeme. Er ist Diplomingenieur und hat an der Fachhochschule Frankfurt am Main Elektrotechnik studiert. Kugelstadt verfügt über mehr als 35 Jahre Erfahrung in der Entwicklung analoger Schaltungen.

tom.kugelstadt.jg@gr.renesas.com


  1. Transceiver vor Überspannungen schützen
  2. Transceiver-IC plus externe Schutzschaltung

Lesen Sie mehr zum Thema


Das könnte Sie auch interessieren

Jetzt kostenfreie Newsletter bestellen!

Weitere Artikel zu Renesas Electronics Europe GmbH

Weitere Artikel zu Schnittstellen-ICs

Weitere Artikel zu HF- und Kommunikations-ICs

Weitere Artikel zu Leistungshalbleiter-ICs