Einschaltstrom-Begrenzer

Heiß-kalt kombiniert

16. Januar 2019, 14:56 Uhr | Von Christoph Jehle

Leistungsstarke Lasten sind beim Einschalten ein großer Stressfaktor für Sicherungen und Bauelemente. Um Schäden durch Einschaltströme zu vermeiden, werden NTC- und PTC-Thermistoren eingesetzt. Die Vorteile beider Bauelemente lassen sich auch geschickt kombinieren.

Diesen Artikel anhören

Beim Einschalten leistungsstarker Verbraucher – etwa Stromversorgungen, Frequenzumrichter oder Onboard-Charger – treten kurzfristig hohe Ströme auf. Die Ströme können ein Vielfaches des Nennstroms betragen. Es kann dabei zu unerwünschten Effekten wie dem Auslösen von Sicherungen oder sogar zur Schädigung des Systems kommen. Insbesondere zwei Arten von Lasten sind für hohe Einschaltströme verantwortlich. Zum einen sind es induktive Lasten wie Motoren und Transformatoren, die zum Aufbau der Magnetfelder sehr große Ströme benötigen. Zum anderen sind es hochkapazitive Kondensatoren in Gleichspannungs-Zwischenkreisen, die im Einschaltmoment sehr hohe Ladeströme verursachen. Die Ladeströme stellen für die Kondensatoren selbst, wie auch die Gleichrichter, einen erheblichen Stressfaktor dar. Bild 1 zeigt den Stromverlauf ohne und mit Einschaltstrom-Begrenzer.

Am einfachsten lassen sich Einschaltströme mit niederohmigen Leistungswiderständen begrenzen. Die Methode hat jedoch den Nachteil, dass im Normalbetrieb an den Leistungswiderständen eine hohe Verlustleistung entsteht. Wesentlich besser ist die Verwendung von Thermistoren in ihrer Funktion als Einschaltstrom-Begrenzer. Dabei kommen NTC- oder PTC-Thermistoren zum Einsatz, die unterschiedliche thermische Charakteristiken und damit Einsatzmöglichkeiten aufweisen. Um alle Vorteile dieser Bauelemente nutzen zu können, bietet es sich an, sie kombiniert einzusetzen.

Anbieter zum Thema

zu Matchmaker+

Elegante Lösung mit NTC-Thermistoren

Lösung mit NTC-Thermistoren, Bilder 1-3

Stromverlauf an einem Gleichrichter ohne Einschaltstrombegrenzung (rot) und mit Einschaltstrombegrenzung (grün)
© TDK Electronics
NTC mit einem Anfangswiderstand R25 von 10 Ω
© TDK Electronics
Typische Kennlinien von verschiedenen Epcos NTC-Einschaltstrom-Begrenzern
© TDK Electronics

Alle Bilder anzeigen (3)

Eine sehr elegante Möglichkeit zur Begrenzung hoher netzseitiger Einschaltströme ist die Verwendung von NTC-Thermistoren. Thermistoren – auch Heißleiter genannt – sind keramische Bauelemente und temperaturabhängige Widerstände, deren Widerstandswert mit steigender Temperatur fällt. Ein solcher Heißleiter mit einem Anfangswiderstand von 10 Ω ist in Bild 2 dargestellt. NTC-Thermistoren weisen bei Raumtemperatur einen bestimmten Widerstandswert (R25) auf, der den Einschaltstrom begrenzt. Durch den weiteren Stromfluss erwärmt sich das Bauelement und der Widerstand fällt auf sehr geringe Werte, die typabhängig deutlich unter 1 Ω liegen. Entsprechend gering sind dabei auch die Verluste bei Nennstrom. Bild 3 zeigt typische Widerstandsverläufe von verschiedenen NTC-Einschaltstrom-Begrenzern in Abhängigkeit von der Temperatur.

Auswahlkriterien für NTC-Einschaltstrom-Begrenzer

Die beiden wichtigsten Kriterien zur Bestimmung des geeigneten NTC-Thermistors sind der Anfangswiderstand (R25) sowie der maximale Strom. Zuerst wird der erforderliche Anfangswiderstand bestimmt. Der Widerstandswert muss mindestens so groß gewählt werden, dass er durch eine Serienschaltung mit der Last den Strom auf einen bestimmten Wert begrenzt. Die Höhe des Stromes darf nicht zum Auslösen der Sicherung führen beziehungsweise keine Schädigung von lastinternen Bauelementen wie Gleichrichtern hervorrufen.

 Die typische Derating-Kennlinie von NTC-Einschaltstrom-Begrenzern. Sie beschreibt die maximal zulässige Verlustleistung des Thermistors in Abhängigkeit von der Temperatur
Bild 4: Die typische Derating-Kennlinie von NTC-Einschaltstrom-Begrenzern. Sie beschreibt die maximal zulässige Verlustleistung des Thermistors in Abhängigkeit von der Temperatur.
© TDK Electronics

Das zweite Kriterium ist der maximale Stromfluss, der durch die Leistung der Last bestimmt ist. Wichtig ist hierbei auch das »Derating« des NTC-Thermistors. Ein typisches Beispiel hierfür zeigt Bild 4. Die Derating-Kurve beschreibt die maximal zulässige Verlustleistung des Thermistors in Abhängigkeit von der Umgebungstemperatur. TDK Epcos bietet ein breites Spektrum an NTC-Thermistoren mit Anfangswiderständen von 0,5 Ω bis 33 Ω und zulässigen Strömen von 1,3 A bis 30 A.

Beim Einsatz der Einschaltstrom-Begrenzer ist zu beachten, dass sie abhängig vom Typ eine Abkühlzeit von 90 s aufweisen. Das kann bei Lasten, die in kurzen Intervallen häufig ein- und ausgeschaltet werden, problematisch sein: Ein erwärmter NTC-Thermistor ist sehr niederohmig und bietet somit fast keine Strombegrenzung. Abhilfe schafft hier eine Überbrückung des NTC-Thermistors durch ein Relais oder einen Thyristor.

Zeitgesteuerte Überbrückungsschaltung für Einschaltstrom-Begrenzer. Die Ansrechzeit wird wird durch die Zeitkonstante aus R1 und C1 sowie den Wert der Z-Diode bestimmt
Bild 5: Zeitgesteuerte Überbrückungsschaltung für Einschaltstrom-Begrenzer. Die Ansprechzeit wird wird durch die Zeitkonstante aus R1 und C1 sowie den Wert der Z-Diode bestimmt.
© TDK Electronics

Die Überbrückung kann bereits wenige Sekunden nach dem Einschalten erfolgen, da die meisten Lasten dann bereits mit dem Nennstrom betrieben werden. Durch das Überbrücken erfolgt keine Erwärmung des NTC-Thermistors. Bild 5 zeigt eine zeitgesteuerte Überbrückungsschaltung für Einschaltstrom-Begrenzer.

Die Ansprechzeit der Überbrückungsschaltung wird durch die Zeitkonstante aus R1 und C1 sowie den Wert der Zenerdiode bestimmt. In der Beispielschaltung spricht das Relais nach etwa 3 bis 4 Sekunden an – abhängig von den Toleranzen der Bauelemente. Beim verwendeten Relais (24 V DC, 8 A AC) liegt die Haltespannung der Spule bei rund 0,5 Un. Durch den Ladestrom von C2 spricht das Relais an und wird nach Aufladung von C2 mit der halben Nennspannung betrieben, was den Strombedarf halbiert. Besonders bei großen Nennströmen der Last ist der Leistungsbedarf dieser Schaltung geringer als die Verluste, die sich durch den ständigen Stromfluss durch den NTC-Thermistor ergeben.

Sichere Kondensatorladung durch PTC-Thermistoren

Gleichstrom-Zwischenkreis eines Drei-Phasen-Systems mit Ladestrombegrenzung durch einen PTC-Thermistor
Bild 6. Gleichstrom-Zwischenkreis eines Drei-Phasen-Systems mit Ladestrombegrenzung durch einen PTC-Thermistor.
© TDK Electronics

Hochkapazitive Kondensatoren und Kondensatorbänke in Gleichstrom-Zwischenkreisen stellen im Einschaltmoment einen Kurzschluss dar. Um hier eine sichere Strombegrenzung zu erzielen, sind PTC-Thermistoren statt Festwiderständen zu verwenden. Durch einen hohen Stromfluss erwärmen sich diese Bauelemente und werden – im Gegensatz zu NTC-Thermistoren – hochohmig und sind somit eigensicher. Der Vorteil dieses Verhaltens ist, dass bei einem Kurzschluss im Zwischenkreis der Strom auf unbedenkliche Werte begrenzt wird. Festwiderstände können das nicht bewerkstelligen, da sie den Strom nicht reduzieren. Bild 6 zeigt den Gleichstrom-Zwischenkreis eines Drei-Phasen-Systems mit PTC-Thermistor, der zum Beispiel in Frequenzumrichtern zum Einsatz kommt.

PTC-Thermistoren in gehäuster und in ungehäuster Bauform
Bild 7. PTC-Thermistoren in gehäuster und in ungehäuster Bauform.
© TDK Electronics

TDK bietet für Zwischenkreise eine Reihe von speziellen PTC-Thermistoren an. Die Thermistoren sind für Spannungen von 260 V DC bis 560 V DC ausgelegt, bieten Widerstände von 22 Ω bis 1100 Ω bei 25 °C und verfügen je nach Typ über Zulassungen nach UL, IECQ und VDE sowie nach AEC-Q200. Bild 7 zeigt beispielhaft PTC-Thermistoren in gehäuster und ungehäuster Form.

Besonders bei größeren Kondensatorbänken ist zu beachten, dass die maximale Wärmekapazität und die maximal zulässige Temperatur der PTC-Thermistoren nicht überschritten wird. Durch Parallelschaltung können die erforderlichen Wärmekapazitäten erzielt werden. Berechnet wird die erforderliche Mindestanzahl der Bauelemente wie folgt:

n greater or equal than fraction numerator k times C times V squared over denominator 2 times C subscript t h end subscript times left parenthesis T subscript T r e f end subscript minus T subscript A m a x end subscript end fraction

Dabei ist:

n Anzahl der benötigten PTC-Elemente
k Faktor, abhängig von der Spannungsversorgung (k = 1 bei DC; k = 0,96 bei Dreiphasengleichrichtung; k = 0,76 bei Einphasengleichrichtung)
C Kapazität des Zwischenkreiskondensators in F
V Maximale Ladespannung des Kondensators in V
Cth Wärmekapazität des PTC-Thermistors
TRef Referenztemperatur der verwendeten PTC-Thermistoren
TAmax Maximale Umgebungstemperatur

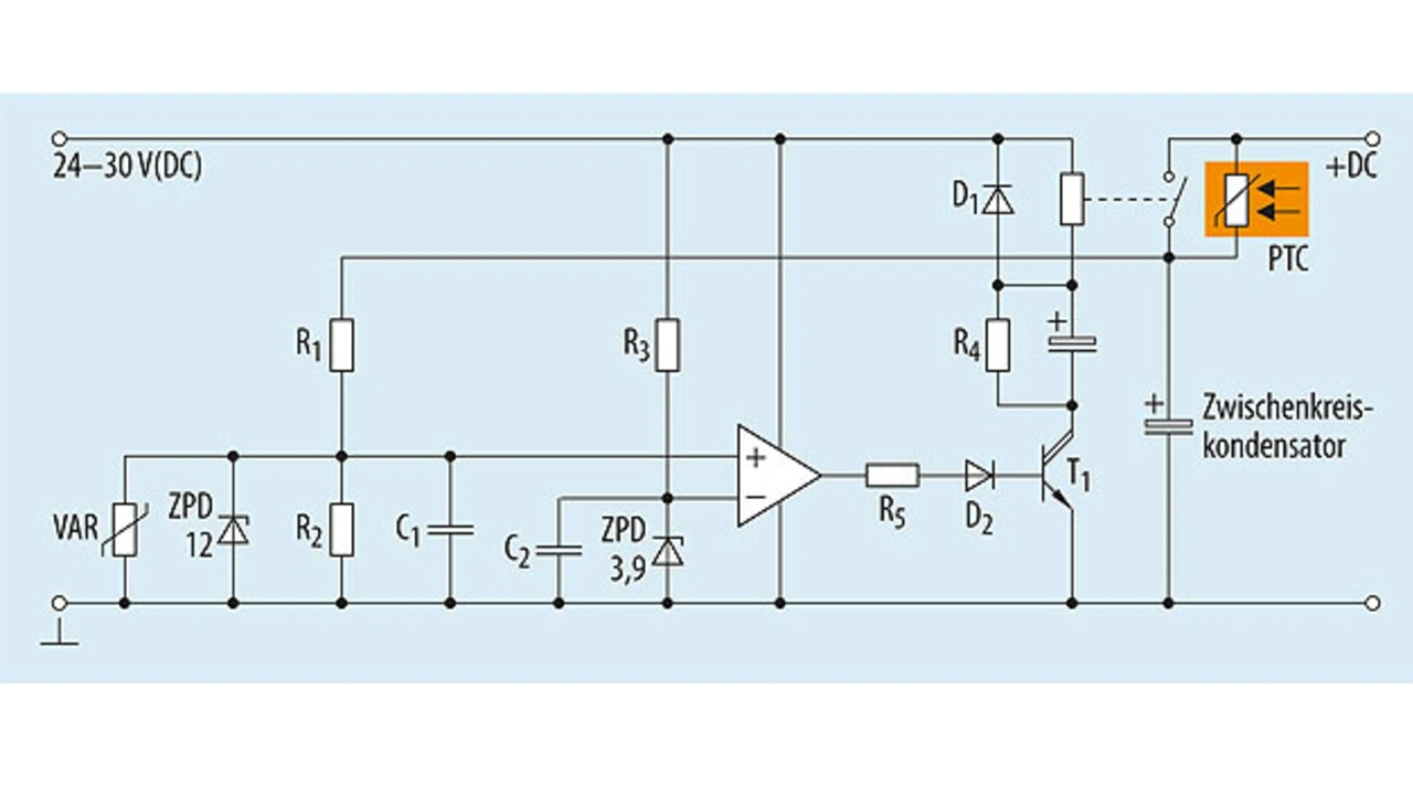
Im Normalbetrieb muss der PTC-Thermistor beziehungsweise die Parallelschaltung von mehreren Thermistoren nach der Ladung der Zwischenkreiskondensatoren überbrückt werden, um keine Leistungsverluste zu erzeugen. Diese Überbrückung darf allerdings nicht erfolgen, wenn im Zwischenkreis ein Kurzschluss – etwa durch beschädigte Kondensatoren – vorliegt. Der aussagekräftigste Parameter für eine Überbrückungsschaltung ist somit die Zwischenkreisspannung. Erreicht die Zwischenkreisspannung nach der Ladung den Sollwert, liegt kein Fehler vor. Bleibt die Spannung dagegen über längere Zeit bei einem sehr niedrigen Wert, liegt ein Kurzschluss vor. Somit lässt sich mit wenig Aufwand eine Komparatorschaltung realisieren, die den PTC-Thermistor erst nach der Ladung des Zwischenkreises überbrückt (Bild 8).

Spannungsgesteuerte Überbrückungsschaltung für PTC-Thermistoren
Bild 8. Spannungsgesteuerte Überbrückungsschaltung für PTC-Thermistoren.
© TDK Electronics

Zur Funktion der Schaltung: Der invertierende Eingang des Komparators wird über die Zener-Diode ZPD 3,9 angesteuert. Solange am nicht-invertierenden Eingang eine Spannung kleiner 3,9 V anliegt, stellt sich am Ausgang eine Spannung von nahe 0 V ein und Transistor T1 sperrt. Erst wenn über den Spannungsteiler R1/R2 an R2 eine Spannung von mehr als 3,9 V anliegt, kippt der Komparator am Ausgang auf positives Potenzial und T1 schaltet das Relais, wodurch der PTC-Thermistor überbrückt wird. Der Spannungsteiler R1/R2 sollte so bemessen sein, dass bei etwa 80 Prozent der Nenn-Zwischenkreisspannung das Relais schaltet. Da Zwischenkreisspannungen mehrere hundert Volt betragen können, müssen für R1 und R2 hochohmige Typen eingesetzt werden. Ein Beispiel: Bei einer Nennzwischenkreisspannung von 500 V DC wird der Wert von 80 Prozent bei 400 V DC erreicht. Hier liegen die Werte für R1 bei 990 kΩ und für R2 bei 10 kΩ. Der Varistor und die Zener-Diode ZPD 12 dienen zum Schutz des nichtinvertierenden Eingangs des Komparators vor Überspannungen.


  1. Heiß-kalt kombiniert
  2. Vorteile kombinieren

Lesen Sie mehr zum Thema


Das könnte Sie auch interessieren

Jetzt kostenfreie Newsletter bestellen!

Weitere Artikel zu TDK

Weitere Artikel zu Widerstände