Antriebssteuerung

Feldorientierte Steuerung von Elektroantrieben in Fahrzeugen

22. November 2013, 9:33 Uhr | Von Michael Seidl
Diesen Artikel anhören

Fortsetzung des Artikels von Teil 1

Lösung: InstaSPIN-FOC

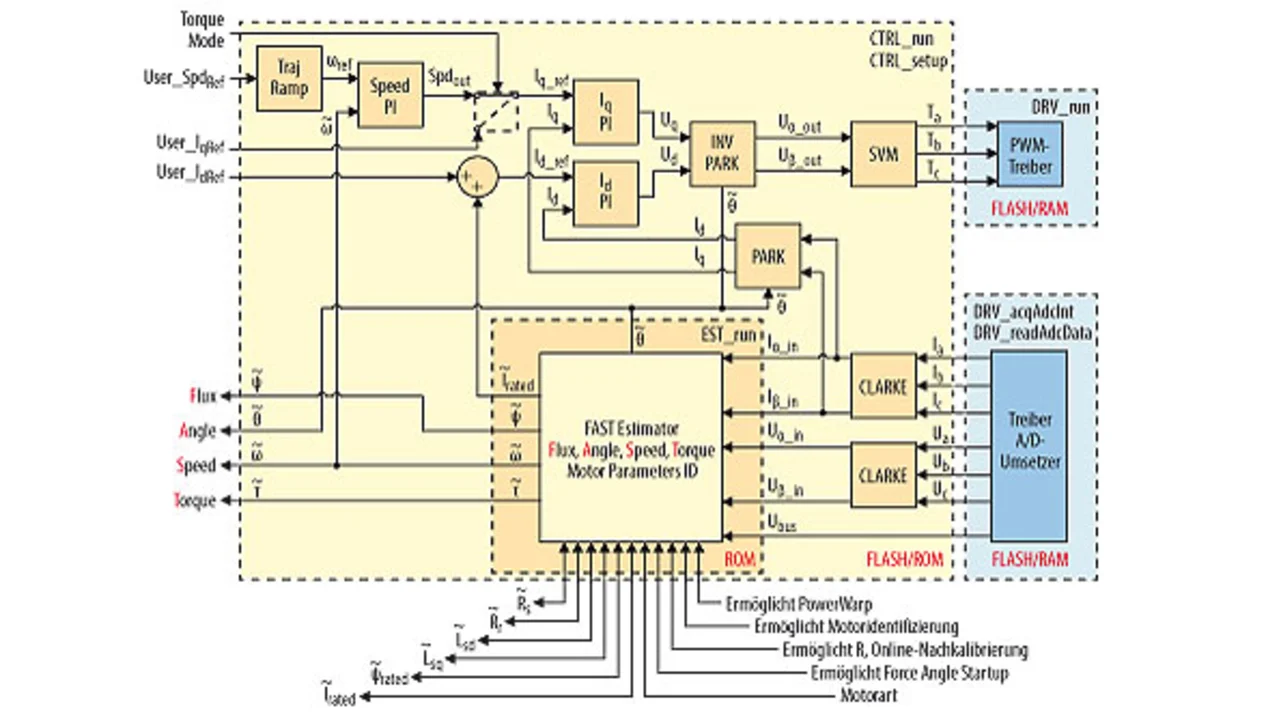
Eine feldorientierte Steuerung, die die Nachteile der sensorlosen Steuerung in erheblichem Maße reduziert, hat Texas Instruments mit InstaSPIN-FOC entwickelt. InstaSPIN-FOC wurde mit zwei weiteren Technologien kombiniert: dem Software-Sensor-Algorithmus FAST (Flux - Angle - Speed - Torque) sowie einem Mikrocontroller der Reihe C2000 Piccolo (Bild 2).

Anbieter zum Thema

zu Matchmaker+
C2000 Piccolo bietet eine komplett sensorlose FOC im ROM
Bild 2. C2000 Piccolo bietet eine komplett sensorlose FOC im ROM.
© Texas Instruments

Mit InstaSPIN-FOC, FAST und dem Mikrocontroller können Entwickler innerhalb weniger Minuten jeden Dreiphasen-Asynchron- und Synchron-Motor abstimmen und über unterschiedliche Drehzahlbereiche und Belastungsniveaus hinweg steuern. Die Software hat TI in das Read-only Memory (ROM) des Controllers integriert. Für die Entwicklung und Evaluierung stellt TI zudem Motorsteuerungs-Bibliotheken (Module, Treiber, Beispielsysteme, Dokumentation) in MotorWare zur Verfügung. Bei ihnen wurden die aktuellen Trends bei der objektorientierten C-Programmierung und API-basierten Codierung berücksichtigt. Für Labormessungen steht außerdem ein kostenloses GUI Composer Tool zur Verfügung, so dass der Fachmann mit geringem Aufwand eine grafische Testumgebung entwickeln kann, um beispielsweise Labormessungen vorzunehmen.

Ergänzend dazu gibt es das InstaSPIN Simulation Tool, das eine interaktive Online-Simulation von InstaSPIN-FOC bereitstellt. Entwickler können anhand der Parameter von Elektromotoren und Lastszenarien durchspielen, wie InstaSPIN-FOC im Zusammenspiel mit dem FAST-Algorithmus in der Praxis funktioniert.

Alle Arten von Elektromotoren optimieren

Im Vergleich zu traditionellen Verfahren, etwa dem Luenberger Beobachter oder Sliding Mode Observer (SMO), bietet InstaSPIN-FOC mehrere Vorteile. So lassen sich robuste, langsam drehende Motoren mit hohem Drehmoment für kompakte und leise Direktantriebe entwickeln. Solche Antriebe können beispielsweise in Elektrofahrrädern, Golf Carts und Elektrorollern eingesetzt werden. Weitere Einsatzfelder sind Fahrzeuge mit Elektro- und Hybridmotoren (Pkw, Nutzfahrzeuge). Der FAST-Observer-Algorithmus schätzt den magnetischen Fluss (Flux), Rotorwinkel, Drehzahl und Drehmoment jederzeit präzise ein. Das macht in vielen Fällen Drehgeber überflüssig.

Gegenwärtig steht InstaSPIN-FOC auf den mit 90 MHz getakteten 32-bit-Gleitkomma-Mikrocontrollern der Reihe Piccolo F2806xF zur Verfügung, weiterhin auf den Mikrocontrollern der Piccolo-F2802xF-Serie.

InstaSPIN-FOC unterstützt verschiedene Elektromotoren, wie

  • kollektorlose Gleichstrommotoren (Brushless DC, BLDC),
  • Permanentmagnet-Synchronmotoren (Permanent-Magnet Synchronous Motor, PMSM),
  • Motoren mit vergrabenen Magneten (Interior Permanent Magnet Motor, IPM) sowie
  • Wechselstrom-Induktionsmotoren (AC Induction Motor, ACIM).

Schrittmotoren (Stepper) werden in Kürze folgen.

Hohe Energieeffizienz und niedriger Materialbedarf

Günstig auf den Energiebedarf wirkt sich bei der Lösung ein weiterer Faktor aus: Die Winkelinformation bleibt auch bei deutlich weniger als 1 Hz (typisch) mit vollem Drehmoment, bei Drehrichtungsumkehr und blockiertem Motor (mit problemloser Aufhebung der Blockierung) erhalten.

Wichtig bei Anwendungen wie einer Start-Stopp-Automatik in einem Fahrzeug oder bei Fahrzeugen mit reinem Elektroantrieb ist ein weiterer Faktor: Anlaufprobleme von Motoren lassen sich mit Hilfe von InstaSPIN-FOC auf effiziente Weise überwinden. InstaSPIN-FOC nutzt dafür integrierte Startbetriebsarten. Sie stellen sicher, dass bis zur Feststellung des Rotorwinkels weniger als ein elektrischer Zyklus verstreicht.

Ein weiterer Vorteil von InstaSPIN-FOC in Verbindung mit einem Software-Sensor wie FAST besteht darin, dass keine aufwendige Verkabelung notwendig ist. Bei Steuerungen mit mechanischen Sensoren müssen teilweise größere Distanzen zwischen Motor und Steuerung überbrückt werden. Um Störfaktoren wie Rauschen auszuschalten, sind dabei aufwendige geschirmte Kabel erforderlich.


  1. Feldorientierte Steuerung von Elektroantrieben in Fahrzeugen
  2. Lösung: InstaSPIN-FOC
  3. Einsatzbeispiele: Elektrofahrzeuge und -fahrräder

Lesen Sie mehr zum Thema


Das könnte Sie auch interessieren

Jetzt kostenfreie Newsletter bestellen!

Weitere Artikel zu Texas Instruments

Weitere Artikel zu Motion Control