UGl-UA-Diagramme – Teil 1

Instrumentenverstärker mit zwei OPs

13. Juni 2017, 12:33 Uhr | Pete Semig

Mit den internen Knotengleichungen eines Instrumentenverstärkers lässt sich der eingangsseitige Gleichtaktbereich als Funktion der Ausgangsspannung berechnen und grafisch darstellen. Am Beispiel der Instrumentenverstärkerschaltung mit zwei Operationsverstärkern wird das UGl-UA-Diagramm erläutert.

Diesen Artikel anhören

Im UGl-UA-Diagramm kommen die Grenzen des eingangsseitigen Gleichtaktbereichs und des Ausgangsspannungsbereichs aller internen Verstärker eines Instrumentenverstärkers zum Ausdruck. Bild 1 zeigt ein typisches UGl-UA-Diagramm für einen aus zwei Operationsverstärkern bestehenden Instrumentenverstärker. Instrumentenverstärker mit zwei Operationsverstärkers sind beliebt, weil sie kostengünstig sind und der im UGl-UA-Diagramm ausgewiesene lineare Bereich relativ groß ist. Die mittlere Zone gibt den linearen Betriebsbereich des Instrumentenverstärkers wieder, denn jede Linie steht für eine Eingangs- oder Ausgangs-Begrenzung eines der beiden internen Verstärker. Das UGl-UA-Diagramm gilt, wie in Bild 1 zu sehen ist, für eine bestimmte Versorgungsspannung, Referenzspannung und Verstärkung.
Wird der Instrumentenverstärker außerhalb der im UGl-UA-Diagramm angegebenen Grenzen betrieben, so befindet er sich im nichtlinearen Modus (Bild 2).

 

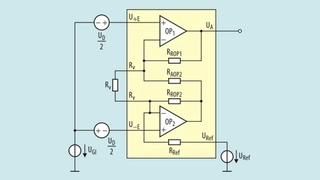
Bilder 1-3

UGl-UA-Diagramm für einen aus zwei Operationsverstärkern bestehenden Instrumentenverstärker
© Texas Instruments
Verzerrung des Ausgangssignals bei einem Instrumentenverstärker
© Texas Instruments
Instrumentenverstärker aus zwei Operationsverstärkern
© Texas Instruments

Alle Bilder anzeigen (3)

Bild 3 zeigt einen typischen, aus zwei Operationsverstärkern zusammengesetzten Instrumentenverstärker und die Definition der Gleichtaktspannung (UGl) und der differenziellen Spannung (UD). Diese Schaltung weist eine hohe Eingangsimpedanz auf und benötigt wie der Instrumentenverstärker mit drei Operationsverstärkern nur einen Widerstand (Rv) zum Einstellen der Verstärkung.

Gleichtaktunterdrückung verschiedener Instrumentenverstärker
Bild 4. Instrumentenverstärker mit drei Operationsverstärkern, z.B. INA333 (obere Kennlinie), bieten gegenüber Instrumentenverstärkern mit zwei Operationsverstärkern, Z.B. INA122 (untere Kennlinie) eine höhere Gleichtaktunterdrückung und können bei höheren Frequenzen betrieben werden.
© Texas Instruments

Ein idealer Differenzverstärker, z.B. Operationsverstärker, Differenzverstärker oder Instrumentenverstärker unterdrückt die Gleichtaktspannung UGl komplett.
Asymmetrie zwischen den Signalpfaden von U+E bzw. U-E zum Ausgang beeinträchtigen allerdings die tatsächliche Gleichtaktunterdrückung (Common-Mode Rejection Ratio – CMRR) des ICs insbesondere über die Frequenz (Bild 4).

Dies ist einer der Hauptgründe, weshalb Instrumentenverstärker mit zwei Operationsverstärkern meist kostengünstiger sind als solche mit drei Operationsverstärkern.
Die Übertragungsfunktion der Schaltung aus Bild 3 beschreibt Gleichung 1. Die Gleichtaktspannung erscheint nicht in dieser Gleichung, da sie vom Instrumentenverstärker idealerweise unterdrückt wird.

U subscript A equals open parentheses U subscript plus E end subscript space minus space U subscript negative E end subscript close parentheses cross times v plus U subscript R e f end subscript equals U subscript D cross times v plus U subscript R e f end subscript space space space space space left parenthesis 1 right parenthesis

Das Herleiten der Übertragungsfunktion für diese Schaltung erleichtert das Verständnis des UGl-UA-Diagramms.

Bild 5. Alternative Darstellungsweise eines Instrumentenverstärkers
Bild 5. Alternative Darstellungsweise der Schaltung aus Bild 3.
© Texas Instruments

In Bild 5 ist die Schaltung aus Bild 3 in einer leichter verständlichen Weise dargestellt. Um den Beitrag der Referenzspannung zur Ausgangsspannung (UA(URef)) zu bestimmen, wird die Superposition benutzt, indem die Eingänge an Masse gelegt werden.

Verstärker OP2 wendet gemäß dem Verhältnis zwischen RROP2 und RRef eine negative Verstärkung auf URef an. Auf ähnliche Weise wendet OP1 gemäß dem Verhältnis zwischen RROP1 und RAOP2 eine negative Verstärkung auf die Ausgangsspannung von OP2 an. Gleichung 2 gibt die Übertragungsfunktion für URef wieder.

U subscript A space U R e f end subscript equals U subscript R e f end subscript open parentheses fraction numerator negative R subscript R O P 2 end subscript over denominator R subscript R e f end subscript end fraction close parentheses open parentheses fraction numerator negative R subscript R O P 1 end subscript over denominator R subscript A O P 2 end subscript end fraction close parentheses
U subscript A space U R e f end subscript equals U subscript R e f end subscript open parentheses fraction numerator R subscript R O P 1 end subscript cross times R subscript R O P 2 end subscript over denominator R subscript R e f end subscript cross times R subscript A O P 2 end subscript end fraction close parentheses space space space space space left parenthesis 2 right parenthesis

 

Dimensionierter Instrumentenverstärker
Bild 6. Die Instrumentenverstärkerschaltung aus Bild 5 mit zwei Operationsverstärkern wurde so dimensioniert, dass sich ein Verstärkungsfaktor von 1 für die Referenzspannung ergibt.
© Texas Instruments

Die Verstärkung der Referenzspannung des Instrumentenverstärkers sollte 1 V/V betragen. Damit diese Bedingung erfüllt ist muss RROP1 = RRef und RROP2 = RAOP2 = RR sein (Bild 6). Außerdem sind in dieser Abbildung die internen Knoten für die weitere Analyse mit Bezeichnungen versehen.

Obwohl die Schaltung aus Bild 6 nur zwei Verstärker und fünf Widerstände enthält, gibt es sechs Verstärkungsterme. Dies liegt daran, dass jeder Verstärker drei Eingangssignale verstärkt. Es ist offensichtlich, dass OP2 die Signale U-E und URef verstärkt. Über den virtuellen Kurzschluss zwischen den Eingängen von OP1 und RV verstärkt OP2 aber auch U+E. OP1 verstärkt entsprechend UAOP2, U+E und U-E. Die Gleichungen 3 bis 8 geben die sechs Verstärkungsterme eines Instrumentenverstärkers aus zwei Operationsverstärkern wieder.

v subscript O P 2 U R e f end subscript equals fraction numerator negative R subscript R over denominator R subscript R e f end subscript end fraction space space space space space left parenthesis 3 right parenthesis
v subscript O P 2 U minus E end subscript equals 1 plus fraction numerator R subscript R over denominator R subscript v space end subscript space left enclose left enclose space R subscript R e f end subscript end enclose end enclose end fraction space space space space space left parenthesis 4 right parenthesis
v subscript O P 2 U plus E end subscript space equals space fraction numerator negative R subscript R over denominator R subscript v end fraction space space space space space left parenthesis 5 right parenthesis

v subscript O P 1 U A O P 2 end subscript equals space fraction numerator negative R subscript R e f end subscript over denominator R subscript R end fraction space space space space space left parenthesis 6 right parenthesis
v subscript O P 1 U plus E end subscript equals 1 plus fraction numerator R subscript R e f end subscript over denominator R subscript v space left enclose left enclose space R subscript R end enclose end enclose end fraction space space space space space left parenthesis 7 right parenthesis
v subscript O P 1 U minus E end subscript equals fraction numerator negative R subscript R e f end subscript over denominator R subscript v end fraction space space space space space left parenthesis 8 right parenthesis

Die Ausgangsspannungen der Verstärker OP1 und OP2 errechnen sich entsprechend den Gleichungen 9 und 10:

U subscript A O P 1 end subscript space equals space U subscript A space equals U subscript plus E end subscript left parenthesis v subscript O P 1 U plus E end subscript right parenthesis plus U subscript negative E end subscript left parenthesis v subscript O P 1 U minus E end subscript right parenthesis plus U subscript A O P 2 end subscript left parenthesis v subscript O P 1 U A O P 2 end subscript right parenthesis space space space space space left parenthesis 9 right parenthesis
U subscript A O P 2 end subscript equals U subscript plus E end subscript left parenthesis v subscript O P 2 U plus E end subscript right parenthesis plus U subscript negative E end subscript left parenthesis v subscript O P 2 U minus E end subscript right parenthesis plus U subscript R e f end subscript left parenthesis v subscript O P 2 U R e f end subscript right parenthesis space space space space space left parenthesis 10 right parenthesis

Wird Gleichung 10 in Gleichung 9 für UAOP2 eingesetzt und der Ausdruck vereinfacht, so erhält man Gleichung 11:

U subscript A equals U subscript plus E end subscript left parenthesis v subscript O P 1 U plus E end subscript plus v subscript O P 2 U plus E end subscript cross times v subscript O P 1 U A O P 2 end subscript right parenthesis plus U subscript negative E end subscript left parenthesis v subscript O P 1 U minus E end subscript plus v subscript O P 2 U minus E end subscript cross times v subscript O P 1 U A O P 2 end subscript right parenthesis plus U subscript R e f end subscript space space space space space left parenthesis 11 right parenthesis

Die Beziehung zwischen den Verstärkungstermen in Gleichung 11 ist in Gleichung 12 wiedergegeben:

v subscript O P 1 U plus E end subscript plus v subscript O P 2 U plus E end subscript cross times v subscript O P 1 U A O P 2 end subscript equals negative left parenthesis v subscript O P 1 U minus E end subscript plus v subscript O P 2 U minus E end subscript cross times v subscript O P 1 U A O P 2 end subscript right parenthesis
v subscript O P 1 U plus E end subscript plus v subscript O P 2 U plus E end subscript cross times v subscript O P 1 U A O P 2 end subscript equals v subscript O P 1 U plus E end subscript minus v subscript O P 1 U minus E end subscript
v subscript O P 1 U plus E end subscript plus v subscript O P 2 U plus E end subscript cross times v subscript O P 1 U A O P 2 end subscript equals 1 plus R subscript R e f end subscript over R subscript R plus fraction numerator 2 R subscript R e f end subscript over denominator R subscript v end fraction space space space space space left parenthesis 12 right parenthesis

Mit den Gleichungen 11 und 12 lässt sich schließlich die Übertragungsfunktion für einen Instrumentenverstärker aus zwei Operationsverstärkern (Gleichung 13) aufstellen, die mit Gleichung 1 im Einklang steht:

U subscript A equals U subscript A O P 1 end subscript equals left parenthesis U subscript plus E end subscript minus U subscript negative E end subscript right parenthesis cross times v plus U subscript R e f end subscript
U subscript A equals U subscript D cross times left parenthesis 1 plus R subscript R e f end subscript over R subscript R plus fraction numerator 2 R subscript R e f end subscript over denominator R subscript v end fraction right parenthesis plus U subscript R e f end subscript space space space space space left parenthesis 13 right parenthesis


  1. Instrumentenverstärker mit zwei OPs
  2. Restriktionen der Operationsverstärker

Lesen Sie mehr zum Thema


Das könnte Sie auch interessieren

Jetzt kostenfreie Newsletter bestellen!

Weitere Artikel zu Texas Instruments

Weitere Artikel zu Texas Instruments Deutschland GmbH

Weitere Artikel zu Sensoren & -systeme