PTCs und NTCs begrenzen Einschaltstrom

Heiß-kalte Harmonie

10. Dezember 2018, 7:30 Uhr | Christoph Jehle, TDK
Diesen Artikel anhören

Fortsetzung des Artikels von Teil 1

Einsatz von PTC-Thermistoren

Hochkapazitive Kondensatoren und Kondensatorbänke in Gleichspannungszwischenkreisen (DC-Link) stellen im Einschaltmoment einen Kurzschluss dar. Um in solchen Fällen den Strom sicher zu begrenzen, sollten PTC-Thermistoren – auch Kaltleiter genannt – statt Festwiderstände verwendet werden. Bei Raumtemperatur haben PTCs typabhängig einen Widerstand von 50 Ω bis über 1000 Ω. Durch den Stromfluss erwärmen sich diese Bauelemente und werden – anders als NTCs – hochohmig; somit sind sie eigensicher. Dieses Verhalten bietet den Vorteil, dass bei einem Kurzschluss im Zwischenkreis der Strom auf unbedenkliche Werte begrenzt wird. Dies können Festwiderstände nicht bewerkstelligen, da sie den Strom nicht reduzieren.

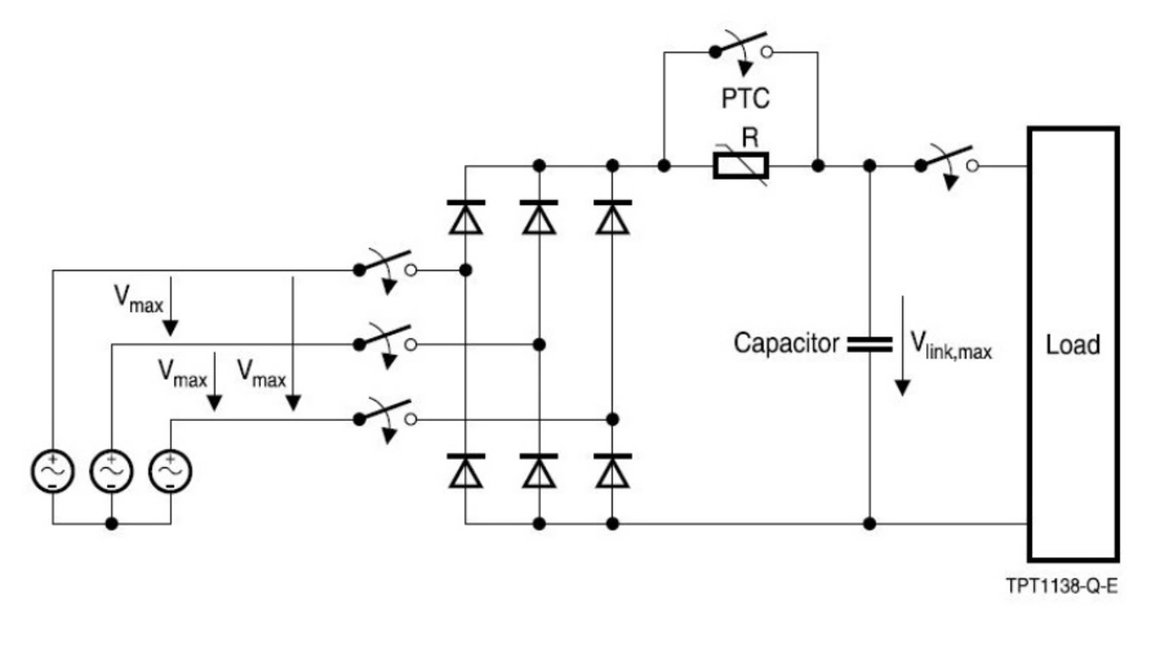
Bild 5 zeigt den Gleichspannungszwischenkreis eines dreiphasigen Systems mit PTC, wie er zum Beispiel in Frequenzumrichtern zum Einsatz kommt. TDK bietet für solche Anwendungsfälle eine Reihe spezieller PTC-Thermistoren, die für Gleichspannungen von 260 V bis 560 V ausgelegt sind, Widerstände von 22 Ω bis 1100 Ω bei +25 °C bieten und typenabhängig über Zulassungen nach UL, IECQ und VDE verfügen sowie nach AEC-Q200 qualifiziert sind.

Anbieter zum Thema

zu Matchmaker+
TDK Electronics, PTC, Einschaltstrombegrenzer
Bild 5: Gleichspannungszwischenkreis mit Ladestrombegrenzung durch PTC-Thermistor.
© TDK Electronics

Besonders bei größeren Kondensatorbänken ist zu beachten, dass die maximale Wärmekapazität und maximal zulässige Temperatur der PTCs nicht überschritten wird. Eine Parallelschaltung kann die erforderliche Wärmekapazität erzielen. Berechnen lässt sich die erforderliche Mindestanzahl der Bauelemente wie folgt:

n greater or equal than fraction numerator k times C times U squared over denominator 2 times C subscript t h end subscript times open parentheses T subscript R e f end subscript minus T subscript A comma m a x end subscript close parentheses end fraction

Dabei ist k ein Faktor abhängig von der Spannungsversorgung (1 bei DC; 0,96 bei dreiphasiger Gleichrichtung; 0,76 bei Einphasengleichrichtung), C die Kapazität des Zwischenkreiskondensators in Farad, U die maximale Ladespannung des Kondensators in Volt, Cth die Wärmekapazität des PTCs, TRef die Referenztemperatur der PTCs und TA,max die maximale Umgebungstemperatur.

Im Normalbetrieb muss der PTC beziehungsweise die Parallelschaltung von mehreren dieser Bauteile nach der Ladung der Zwischenkreiskondensatoren überbrückt werden, um keine unnötigen Verluste zu erzeugen. Diese Überbrückung darf allerdings nicht erfolgen, wenn im Zwischenkreis ein Kurzschluss vorliegt, etwa durch beschädigte Kondensatoren. Der aussagekräftige Parameter für eine Überbrückungsschaltung ist somit die Zwischenkreisspannung. Erreicht sie nach der Ladung den Sollwert, liegt kein Fehler vor; bleibt sie dagegen über längere Zeit bei einem sehr niedrigen Wert, liegt ein Kurzschluss vor.

TDK Electronics, PTC, Einschaltstrombegrenzer
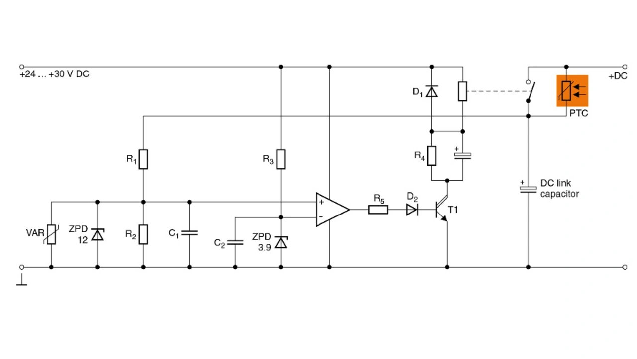
Bild 6: Spannungsgesteuerte Überbrückungsschaltung für PTC-Thermistoren.
© TDK Electronics

Somit lässt sich mit wenig Aufwand eine Komparatorschaltung realisieren, die den PTC erst nach der Ladung des Zwischenkreises überbrückt (Bild 6). Der invertierende Eingang des Komparators wird über die Z-Diode ZPD3.9 angesteuert. Solange am nichtinvertierenden Eingang eine Spannung kleiner 3,9 V anliegt, stellt sich am Ausgang eine Spannung von nahe 0 V ein und T1 sperrt. Erst wenn über den Spannungsteiler R1/R2 an R2 eine Spannung von mehr als 3,9 V anliegt, kippt der Komparator am Ausgang auf High und T1 schaltet das Relais, was den PTC-Thermistor überbrückt. Der Spannungsteiler R1/R2 sollte so bemessen sein, dass bei etwa 80 % der Nenn-Zwischenkreisspannung das Relais schaltet. Da Zwischenkreisspannungen mehrere hundert Volt betragen können, müssen R1 und R2 entsprechend hochohmig sein. Dazu ein Zahlenbeispiel: Bei einer Nenn-Zwischenkreisspannung von 500 V wird der Schwellwert von 80 % bei 400 V erreicht. In diesem Fall liegen die Werte für R1 bei 990 kΩ und für R2 bei 10 kΩ. Der Varistor und die Z-Diode ZPD12 schützen den nichtinvertierenden Eingang des Komparators vor Überspannungen.

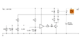
TDK Electronics, NTC, PTC, Einschaltstrombegrenzer
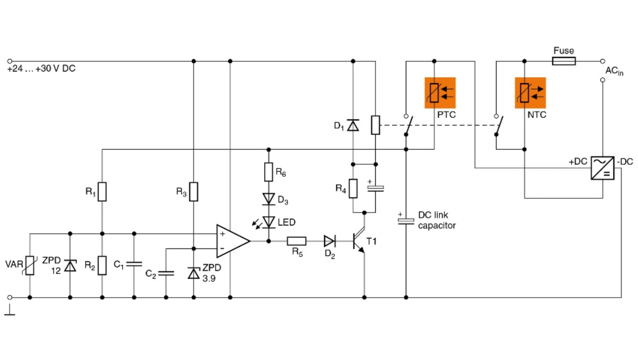
Bild 7: Spannungsgesteuerte Kombination aus NTC- und PTC-Einschaltstrombegrenzern.
© TDK Electronics

Vorteile kombinieren 

Gerade bei leistungsstarken Lasten, die über große Zwischenkreiskapazitäten verfügen – etwa bei industriellen Stromversorgungen und Umrichtern –, bietet es sich an, die Vorteile und Funktionen von Einschaltstrombegrenzern auf Basis von NTCs und PTCs zu kombinieren. So ist es sinnvoll, die beschriebene spannungsgesteuerte Einschaltverzögerung auch zur Überbrückung des netzseitigen NTC-Thermistors zu verwenden. Dazu ist in der Schaltung nach Bild 6 ein Relais mit zwei Umschaltkontakten erforderlich.

Bild 7 zeigt nun die komplette Schaltung, bei der NTC- und PTC-Thermistoren gleichzeitig geschaltet werden. Außerdem ist eine LED integriert, die anzeigt, dass die Überbrückung noch nicht erfolgt ist. Die Vorteile solcher kombinierten Einschaltstrombegrenzungen sind Schonung von Bauelementen, die Vermeidung von unbeabsichtigtem Auslösen von netzseitigen oder geräteinternen Sicherungen sowie eine sichere Strombegrenzung bei Kurzschlüssen im Zwischenkreis.


  1. Heiß-kalte Harmonie
  2. Einsatz von PTC-Thermistoren

Lesen Sie mehr zum Thema


Das könnte Sie auch interessieren

Jetzt kostenfreie Newsletter bestellen!

Weitere Artikel zu TDK-EPC

Weitere Artikel zu TDK

Weitere Artikel zu Widerstände