Stromversorgung für die Bahntechnik

Brick- oder Plug&Play-Lösung?

5. November 2018, 11:12 Uhr | Von Giovanni Rodio, Vertriebsleiter bei Autronic Steuer- und ­Regeltechnik
Diesen Artikel anhören

Fortsetzung des Artikels von Teil 1

Ein Vergleich ist möglich

Autronic
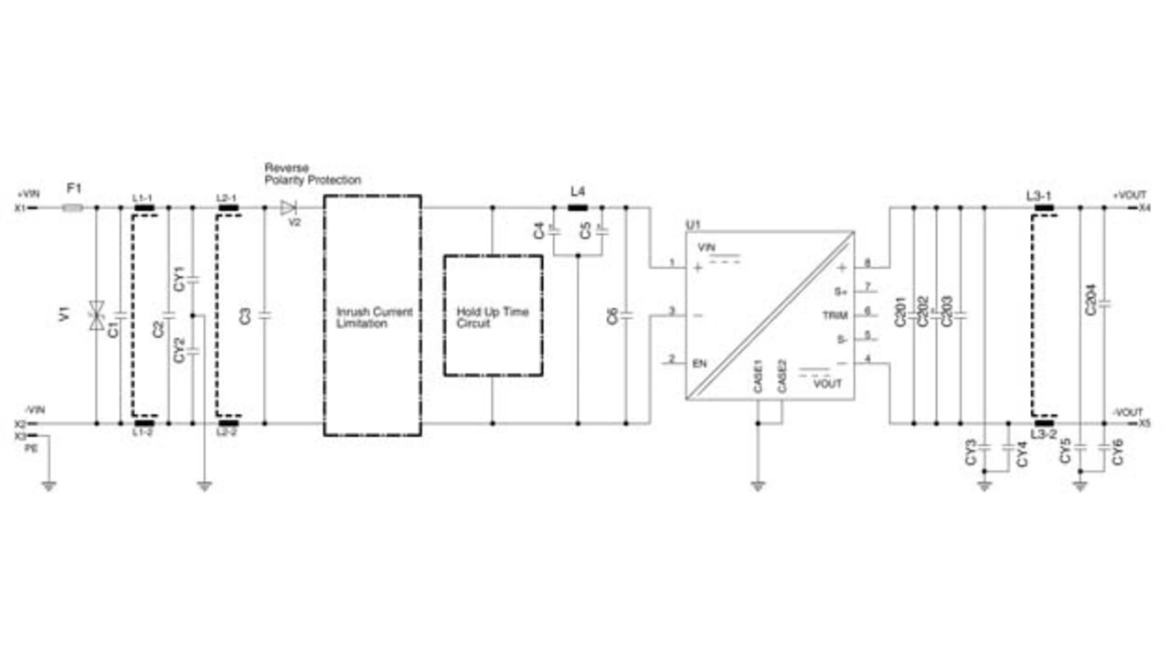
Bild 3: Beispiel der externen Beschaltung des AER50-W
© Autronic

Doch ein Vergleich ist möglich, um beide Wandler in der Bahntechnik nach EN 50155 und EN 50121-3-2 einsetzen zu können. Beim HFC50 ist es eine sehr simple Berechnung: Preis DC/DC-Wandler (A) und Montagematerial wie Wärmeleitpads (B) und Schrauben (C). A + B + C ergibt den Bezugspreis für den einsatzfertigen DC/DC-Wandler.

Beim AER50-W oder auch anderen Brick-Lösungen sind mehrere Schritte notwendig. Zusätzlich muss die Applikationsleiterkarte des Kunden den entsprechenden Platz zur Verfügung stellen. Dies sollte jedoch kein Problem darstellen, mehr als die 1,5-fache Fläche des Wandlers wird nicht benötigt, somit bleibt die Brick-Lösung weiterhin kompakt.

Die zu entwickelnde Schaltung muss den Wandler oder die Applikation gegen Surge und Burst schützen, die Störaussendungen über die Leitungen und das Gehäuse reduzieren und bei Bedarf eine Netzausfallüberbrückung von mindestens 10 ms bieten (Klasse S2). Die korrekte Anbindung zur Kühlung kann über einen Kühlkörper erfolgen oder direkt über das Gehäuse der Anwendung.

passend zum Thema

AUTRONIC
Tabelle 2: Materialliste für die Befilterung
© AUTRONIC

Wie im Schaltungsbeispiel für das AER50-W in Bild 3 zu sehen ist, sind Kondensatoren in den Eingangsleitungen notwendig zum Schutz gegen Surge und Burst. Neben stromkompensierten Drosseln und weiteren Kondensatoren im kompletten Schaltkreis sind weitere Kapazitäten für die Netzausfallüberbrückung im Einsatz. Je nach Bedarf oder Anforderung sollten die Einschaltströme begrenzt oder ein Verpolschutz realisiert werden. Spätestens hier ist ersichtlich, dass neben gutem Know-how der Entwickler auch einiges an Material (Tabelle 2) investiert werden muss, um den DC/DC-Wandler bahntauglich zu machen. Und es wird komplexer zu überschauen, wie viel die fertig eindesignte PSU am Ende kosten wird.

Die Plug-and-Play-Lösung HFC50 hat da ihre Vorteile. Direkt nach der Verifizierung im Komplettsystem kann der Wandler ohne weiteren Aufwand in Betrieb genommen werden. Aufwändiges Design-in entfällt und Eigenschaften wie Schock- und Vibrationsfestigkeit oder Brandschutzprüfung bringt der Wandler von Haus aus mit.

Bei der Brick-Lösung liegen Verantwortung und Designaufwand inklusive Integration der PSU beim Kunden. Ebenso die Endabnahme im Gesamtgerät und gegebenenfalls Redesigns. Support durch Autronic kann jederzeit gewährleistet werden.

Autronic
Giovanni Rodio, Vertriebsleiter bei Autronic Steuer- und ­Regeltechnik
© Autronic

Der Vorteil des AER50-W liegt darin, dass der Preis des Quarter-Bricks ca. 40 % unter der fertigen Lösung liegt, weniger Platz beanspruchen kann und sehr flach aufbaut. Bei korrekter Beschaltung liegt der Materialpreis immer noch 20 % unter dem HFC50. Ein weiterer Vorteil der Brick-Lösung ist, dass die Beschaltung des Wandlers direkt auf dem Kunden-Board erfolgen kann, also keine weitere Bestückung einer separaten Leiterkarte notwendig ist.

Als Fazit bleibt zu sagen: Es ist nicht immer einfach, eine geeignete Stromversorgung für Bahnanwendungen auszuwählen. Es liegt beim Anwender, selbst zu entscheiden, ob beim Design-in eigene Entwicklungsressourcen gebunden werden sollen oder ob die Arbeit den Power-Spezialisten überlassen wird.

Autronic bleibt ihrer Linie treu und bietet nun zusätzlich ein breiteres Spektrum an DC/DC-Wandlern für die Bahntechnik an, ganz nach den Anforderungen und Wünschen der Kunden. Verfügbar sind fertige COTS-Lösungen (Components-off-the-Shelf) im Brickformat, Plug-and-Play-Geräte, Value-Add-Lösungen und modifizierte oder neuentwickelte Stromversorgungen komplett nach Kundenspezifikation.


  1. Brick- oder Plug&Play-Lösung?
  2. Ein Vergleich ist möglich

Lesen Sie mehr zum Thema


Jetzt kostenfreie Newsletter bestellen!

Weitere Artikel zu FORTEC ELEKTRONIK AG

Weitere Artikel zu AUTRONIC Steuer- und Regeltechnik GmbH

Weitere Artikel zu Energieerzeugung