Ohne Kabelsalat hören

Abwärtswandler lädt Li-Ionen-Akkus kontaktlos

28. Februar 2020, 10:20 Uhr | Wenwei Li

Nicht nur kabellos hören: Der „Wireless“-Trend für elektronische Kleingeräte wie Kopfhörer oder Hörgeräte hat sich längst auf das kontaktlose Aufladen der Geräte ausgeweitet. Abwärtswandler für das kontaktlose Laden von Akkus ermöglichen effiziente Ladesysteme ohne Kabel, und das auf kleinstem Raum.

Diesen Artikel anhören

ICs für das kabellose Laden von Lithium-Ionen-Akkus können mit einem Eintransistor-ZVS-Energiesender zu kontaktlosen Ladesystemen für tragbare elektronische Kleingeräte wie Kopfhörer oder Hörgeräte kombiniert werden. Ein Beispiel ist der Abwärtswandler LTC4126 von Analog Devices, der Akkus mit 7,5 mA laden kann und vielfältige Funktionen mitbringt.

Anbieter zum Thema

zu Matchmaker+
Gleichrichten
Bild 1: Gleichrichten des AC-Eingangs und regeln der Versorgungsspannung.
© Analog Devices

Das Abwärtswandler-IC mit Ladefunktion enthält einen Empfänger für die kontaktlose Energieübertragung, der es dem Empfänger ermöglicht, Energie aus einem magnetischen Wechselfeld zu beziehen (Bild 1). Aus der Wechselspannung des Empfängerschwingkreises erzeugt die Eingangsstufe, die neben der Gleichrichtung auch eine Leistungssteuerfunktion ausübt, eine Gleichspannung. Der Ausgang dieser Eingangsstufe ist mit dem Betriebsspannungsanschluss des LTC4126 verbunden und speist eine lineare Ladeschaltung, die eine Li-Ionen-Zelle mit bis zu 7,5 mA lädt.

Wirkungsgrad
Bild 2: Der theoretische maximale Wirkungsgrad des DC/DC-Wandlers ist abhängig von der Akkuspannung.
© Analog Devices

Empfängt der LTC4126 mehr Energie als er benötigt, senkt der interne Controller die Eingangsspannung der linearen Ladeschaltung (UB). Auf diese Weise erreicht die lineare Ladeschaltung einen hohen Wirkungsgrad, weil ihre Eingangsspannung stets knapp über der Zellenspannung gehalten wird (Bild 2). Um die Eingangsspannung auf den gewünschten Bereich zu senken, schaltet die Eingangsstufe im Energieempfänger eine Last zu. Sie belastet den Ausgang des Empfängerschwingkreises zusätzlich und reduziert so die am Schwingkreis anliegende Wechselspannung.

Linearer Laderegler

Die im LTC4126 integrierte Ladeschaltung ermöglicht das Laden einer Li-Ionen-Zelle mit Konstantstrom (CC – Constant Current) und Konstantspannung (CV – Constant Voltage) Für das automatische Wiederaufladen von Akkus verfügt der Laderegler über Funktionen zum automatischen Erkennen des Ladeendes, einen Sicherheits-Timer sowie zum Erkennen defekter Zellen. Als weitere Schutzfunktion kann der LTC4126 die Temperatur der Akkuzelle über einen externen NTC messen, um den Ladevorgang nur innerhalb des vom Akku-Hersteller spezifizierten Temperaturbereichs zuzulassen. Außerdem erzeugt der LTC4126 Signale über den Ladezustand und den Spannungspegel des Akkus, die an den System-Mikrocontroller weitergegeben werden können, etwa für eine Anzeige oder Handlungsaufforderung am User Interface.

Rauscharmer Abwärtswandler

Klein und platzsparend
Bild 3: Die komplette Schaltung des Empfängers für die kontaktlose Energieübertragung zum Laden einer Li-Ionen-Akkuzelle findet auf einer Leiterplatte mit 6 mm Durchmasser Platz.
© Analog Devices

Im LTC4126 ist ein DC/DC-Wandler (Ladungspumpe) integriert, der eine geregelte Ausgangsspannung erzeugt. Er lässt sich über einen Anschluss (EN) Ein- und Ausschalten, z.B. um von einem Mikrocontroller. Über den PBEN-Pin des LTC4126 lässt sich der DC/DC-Wandler alternativ auch per Taster Ein- und Ausschalten (Bild 3). Dazu ist im LTC4126 auch eine Entprellschaltung integriert.

Für einen hohen Gesamtwirkungsgrad verfügt der Ladungspumpen-DC/DC-Wandler über drei unterschiedliche, von der Batteriespannung abhängige Betriebsarten.

Vollständige Applikationsschaltung auf winziger Leiterplatte

Der LTC4126 ist ein komplexer Baustein mit vielen integrierten Funktionen. Für einen kontaktlosen Energieempfänger mit integrierter Ladeschaltung werden daher nur wenige zusätzliche Komponenten benötigt. Eine komplette Schaltungsbaugruppe verfügt über einen Durchmesser von nur 6 mm und kann beispielsweise in kleinsten Hörgeräte oder winzigen Kopfhörer verbaut werden.

Energiesender mit einem Transistor

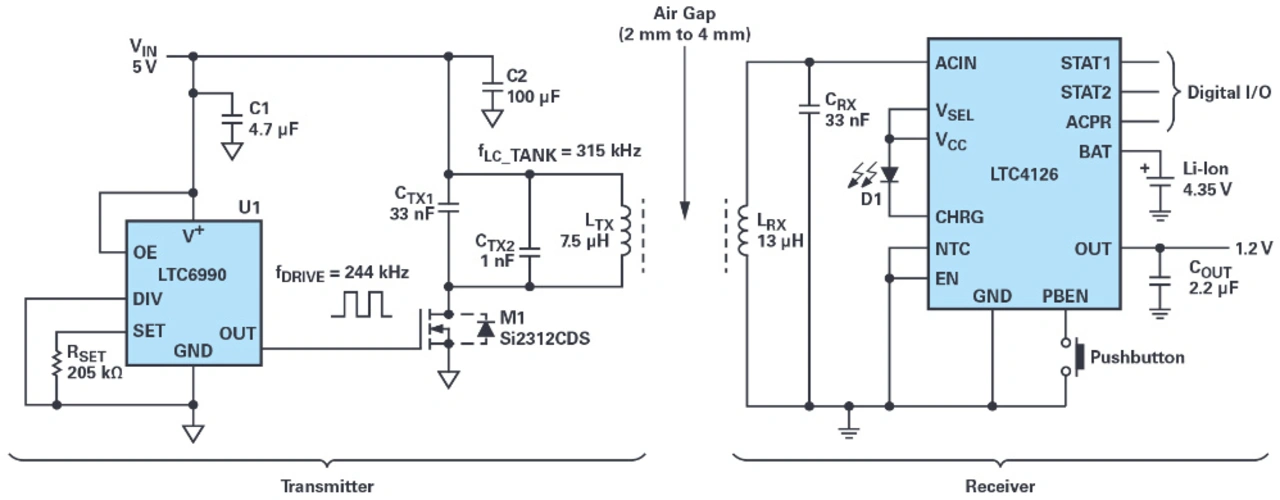
Schaltung zum kontaklosen Laden
Bild 4: Die vollständige Schaltung zur kontaktlosen Energieübertragung mit Sender (links) und Empfänger (rechts) zum Akkuladen.
© Analog Devices

Der in Bild 4 dargestellte Eintransistor-Sender ist eine einfache Resonanzschaltung, die den LTC6990 als Oszillator nutzt, um den Transistor zu schalten. Für den ZVS-Betrieb wird die Resonanzfrequenz des Senderschwingkreises um Faktor 1,29 gegenüber der Oszillatorfrequenz erhöht (Bild 5).

Eventuelle Schaltverluste lassen sich auf diese ­Weise wesentlich reduzieren. Auch der Energiesender benötigt nur wenige Komponenten und lässt sich auf kleiner Platinenfläche aufbauen.

Resonanzfrequenz
Bild 5: Damit der Sender im Nulldurchgang der Spannung schalten kann (ZVS – Zero Voltage Switching) muss die Resonanzfrequenz des Sendeschwingkreises auf den Wert - 1,29 × Schaltfrequenz gewählt werden.
© Analog Devices

Mit seinem Leistungsumfang mit vielen Schutzfunktionen und seiner geringen Größe ist der LTC4126 ein Empfänger für kontaktlose Energieübertragungssysteme und Laderegler, der sich ideal für kleine Geräte eignet, die am Körper getragen werden. Ein komplettes kontaktloses Ladesystem  ist mit der Kombination des LTC4126 (im mobilen Gerät) und einem Eintransistor-Energiesender auf Basis des LTC6990 (in der Ladestation) unkompliziert zu realisieren. Zudem bietet eine auf diesen Bausteinen basierende Schaltung ein gutes Preis-Leistungsverhältnis und kann mit einem geringen Leistungsverlust gegenüber kabelgebundenen Ladesystemen punkten. Die Hersteller von Kopfhörern und Hörgeräten ­sowie weiteren elektronischen Kleingeräten können so mit geringem Aufwand Ihre Applikationen modernisieren und ihren Nutzern eine verbesserte Handhabung bieten.    UH

Wenwei Li
Wenwei Li von Analog Devices
© Analog Devices

Wenwei Li ist Power Products Applications Engineer bei Analog ­Devices in North Chelmsford, MA. Er erwarb 2014 seinen Titel als ­Bachelor of Engineering an der Hunan University in Changsha, China ­­ und 2016 in den Vereinigten Staaten seinen Master of Science an der Ohio State University in Columbus, Ohio. wenwei.li@analog.com


Lesen Sie mehr zum Thema


Das könnte Sie auch interessieren

Jetzt kostenfreie Newsletter bestellen!

Weitere Artikel zu Analog Devices GmbH

Weitere Artikel zu Powermanagement-ICs

Weitere Artikel zu Energietechnik

Weitere Artikel zu Energieerzeugung

Weitere Artikel zu Batterien und Akkus