LED-Treiber EMV-gerecht auslegen

Weniger Filteraufwand

18. Juli 2019, 12:10 Uhr | Von Frederik Dostal
Diesen Artikel anhören

Fortsetzung des Artikels von Teil 1

Wo liegen die EMV-kritischen Pfade?

Die meisten LED-Treiber sind Boost-Regler (Hochsetzsteller). Bild 1 zeigt einen elementaren Schaltplan eines solchen Reglers. Boost-Regler haben eingangsseitig üblicherweise geringere leitungsgebundene Störungen. Die Eingangsströme sind nicht pulsierend. Ausgangsseitig gibt es jedoch sehr hohe Störungen, da hier gepulste Ströme über die Freilaufdiode fließen.

Während der »On-Zeit«, also wenn der mit Masse verbundene Schalter eingeschaltet ist, wird die Induktivität geladen und es findet kein Stromfluss durch die Freilaufdiode statt. Die gesamte Energie zur Versorgung der Last zu diesem Zeitabschnitt kommt aus der Ausgangskapazität. In Bild 1 sind in blauer Farbe der Stromfluss während der »On-Zeit« und in grüner Farbe der Stromfluss während der »Off-Zeit« dargestellt. Alle Pfade, wo sich der Stromfluss in sehr kurzer Zeit, der Schaltübergangszeit, ändert, sind in Bild 1 rot dargestellt.

Anbieter zum Thema

zu Matchmaker+
 Schaltplan eines Boost-Reglers, eine der üblichen Topologien für LED Treiber
Bild 1. Schaltplan eines Boost-Reglers, eine der üblichen Topologien für LED Treiber.
© Analog Devices

Diese Pfade ändern ihren Zustand von Stromfluss zu kein Stromfluss in wenigen Nanosekunden. Dies sind die kritischen Pfade und sie müssen unbedingt so klein und kompakt wie möglich ausgelegt werden, um die abgestrahlten Störungen so weit wie möglich zu reduzieren.

Treiber-IC reduziert Filteraufwand

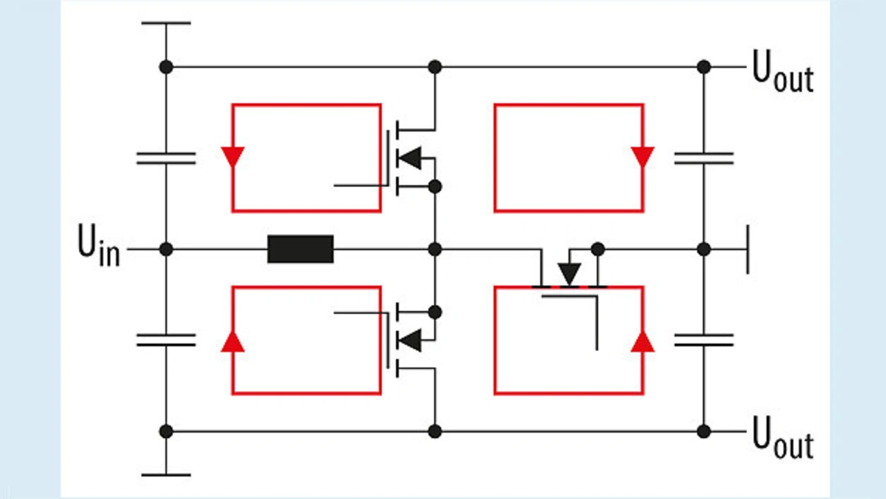
Mittlerweile gibt es Schaltregler-ICs mit symmetrischem Aufbau, die sehr viel geringere abgestrahlte Störungen erzeugen. Die kritischen Pfade sind symmetrisch aufgebaut und leiten den Strom jeweils in entgegengesetzter Richtung, sodass sich die erzeugten magnetischen Felder zum größten Teil aufheben.

Bild 2 zeigt die symmetrische Anordnung einer solchen Topologie. Das in der linken roten Schleife erzeugte magnetische Feld ist genau so groß wie das Feld in der rechten roten Schleife, zeigt jedoch in die entgegengesetzte Richtung.

 

Silent-Switcher-Konzept mit sich aufhebenden magnetischen Feldern
Bild 2. Silent-Switcher-Konzept mit sich aufhebenden magnetischen Feldern.
© Analog Devices

Dadurch kommt es zu dem Effekt der Feldauslöschung. Bei Analog Devices wird diese Technik unter dem Namen Silent Switcher vermarktet. Neben dem symmetrischen Aufbau wird auch die parasitäre Induktivität in allen kritischen Leitungsteilen stark reduziert, um die abgestrahlten Felder weiter zu reduzieren. Dies wird durch die Flip-Chip-Technik ermöglicht. Hierbei wird das Silizium des Schaltregler-ICs nicht wie gewöhnlich mit Bonding-Drähten mit dem Gehäuse des IC verbunden, sondern mit Kupfersäulen. Sie haben eine sehr viel geringere Induktivität. Somit bildet sich bei einer gleich schnellen Schaltung eines Stromes viel weniger Spannungsversatz und dadurch geringere Störabstrahlungen.

CISPR25-Spezifikation klar eingehalten

Es ist also durchaus möglich, durch optimierte LED-Treiber-ICs EMV-Störungen erheblich zu reduzieren. In manchen Fällen kann dadurch sogar auf die Nutzung von EMV-Filtern verzichtet werden.

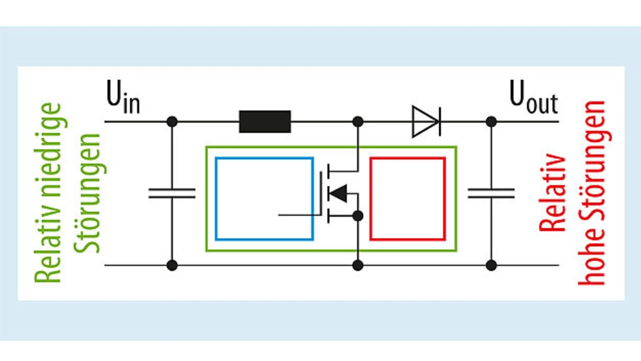
Beispielschaltung eines Silent Switcher LED-Treibers, optimiert für geringste Störungen und bestes EMV-Verhalten
Bild 3. Beispielschaltung eines Silent Switcher LED-Treibers, optimiert für geringste Störungen und bestes EMV-Verhalten.
© Analog Devices

Eine Applikationsschaltung mit geringer Störausstrahlung ist in Bild 3 gezeigt. Hier wird der LT3922-1 in einer Boost-Schaltung betrieben. Mit einer Eingangsspannung zwischen 8 V und 27 V wird eine Kette von zehn LEDs mit 333 mA getrieben. Bei dieser Konstellation wird mit 2 MHz Schaltfrequenz geschaltet und die erzeugten Störungen sind minimal.

In Bild 4 wird die durchschnittliche Störabstrahlung der Schaltung aus Bild 3 gezeigt. Die rot eingetragenen Linien sind die jeweiligen Grenzen der CISPR25-Spezifikation. Wie zu erkennen ist, wird diese Spezifikation mit recht hohem Abstand unterschritten. Ein LED-Treiber-IC, das für niedrige Störungen konzipiert ist, wie der LT3922-1, bietet häufig auch die Möglichkeit einer Frequenzspreizung (SSFM, Spread Spectrum Frequency Modulation).

Durchschnittliche abgestrahlte EMV (CISPR25) des LT3922-1 aus Bild 3
Bild 4. Durchschnittliche abgestrahlte EMV (CISPR25) des LT3922-1 aus Bild 3.
© Analog Devices

Damit werden zwar nicht die Störaussendungen insgesamt reduziert, aber die Störungen über einen breiteren Frequenzbereich verteilt. Dadurch lassen sich bei der Messung zu einzelnen EMV-Standards verbesserte Resultate erzielen. Der LT3922-1 bietet diese Funktion zwischen der jeweiligen eingestellten Schaltfrequenz und 125 % davon.

Leiterplattenentwurf bleibt ausschlaggebend

Wie bei jedem Schaltregler bestimmt auch bei den LED-Treibern der Leiterplattenentwurf über die Leistungsfähigkeit und Störausstrahlung des Systems. Mit EMV-optimierten ICs kann der Entwickler zwar das EMV-Verhalten deutlich verbessern, aber es muss noch immer darauf geachtet werden, beim Platinenlayout keine Fehler zu machen. Besonders das Platzieren der kritischen Komponenten, die schnell geschaltete Ströme führen, ist dafür ausschlaggebend. In diesen Pfaden sollte so wenig parasitäre Induktivität wie möglich inkludiert sein. Auch müssen die Stromschleifen so kompakt wie möglich ausgeführt werden.

 

Der Autor

 

Frederik-Dostal von Analog-Devices
Frederik-Dostal von Analog-Devices.
© Analog-Devices

Frederik Dostal

studierte Mikroelektronik an der Universität Erlangen. Seit 2001 arbeitet er im Bereich Stromversorgung, unter anderem für vier Jahre als Schaltnetzteilentwickler in Phoenix, Arizona. 2009 wechselte er als Field Application Engineer zu Analog Devices in die Power-Management-Abteilung am Standort München.

 


  1. Weniger Filteraufwand
  2. Wo liegen die EMV-kritischen Pfade?

Lesen Sie mehr zum Thema


Das könnte Sie auch interessieren

Jetzt kostenfreie Newsletter bestellen!

Weitere Artikel zu Analog Devices GmbH

Weitere Artikel zu Beleuchtung

Weitere Artikel zu EMV-Messtechnik

Weitere Artikel zu LEDs